- 教科版八年级物理下册7.4重力 教案 教案 3 次下载
- 教科版八年级物理下册7.5摩擦力 教案 教案 5 次下载
- 教科版八年级物理下册8.2力的平衡 教案 教案 3 次下载
- 教科版八年级物理下册8.3力改变物体的运动状态 教案 教案 3 次下载
- 教科版八年级物理下册9.1压强 教案 教案 6 次下载
初中物理教科版八年级下册第八章 力与运动1 牛顿第一定律和惯性教案
展开8.1牛顿第一定律 惯性
教学目标
【知识与能力】
1.知道伽利略的理想实验及其主要推理过程和推论,知道理想实验是科学研究的重要方法。
2.理解牛顿第一定律的内容及意义。
3.知道什么是惯性,会正确地解释有关惯性的现象。
【过程与方法】
1.观察生活中的惯性现象,了解力和运动的关系。
2.通过实验加深对牛顿第一定律的理解。
3.理解理想实验是科学研究的重要方法。
4.通过探究活动熟知实验探究的过程。
5.领悟通过实验要求设计实验表格的方法。
6.体验由实验结论进行科学推理的过程。
【情感态度价值观】
1.在探究过程中培养学生的交流意识与团结协作精神。
2.通过学习使学生知道实践是检验真理的唯一标准,不要盲目迷信权威。
3.培养学生乐于参与科学实践的情感,在实验中养成严谨的科学态度。
教学重难点
【教学重点】
1.知道牛顿第一定律的内容。
2.知道惯性的概念。
3.探究摩擦力对运动的影响,经历比较、分析、综合和推理的思维过程。
【教学难点】
探究摩擦力对运动的影响,经历比较、分析、综合和推理的思维过程。
课前准备
课件、毛巾、纸板、玻璃板、橡皮、钢笔帽、纸条、铅笔、书本等。
教学过程
情景导入
做实验引入力与运动的关系,引发学生的思考。
参考实验:在讲台上放一辆小车,使它处于静止状态。
师:怎样才能让小车运动起来呢?
从这个例子很容易得到:物体要运动,需要对它施加力的作用,那么力和运动之间关系如何呢?本节课我们就来探究这个问题。
教学活动
一、牛顿第一定律
承接刚才的实验现象,演示当物体不再受手的推力时,物体停止运动。
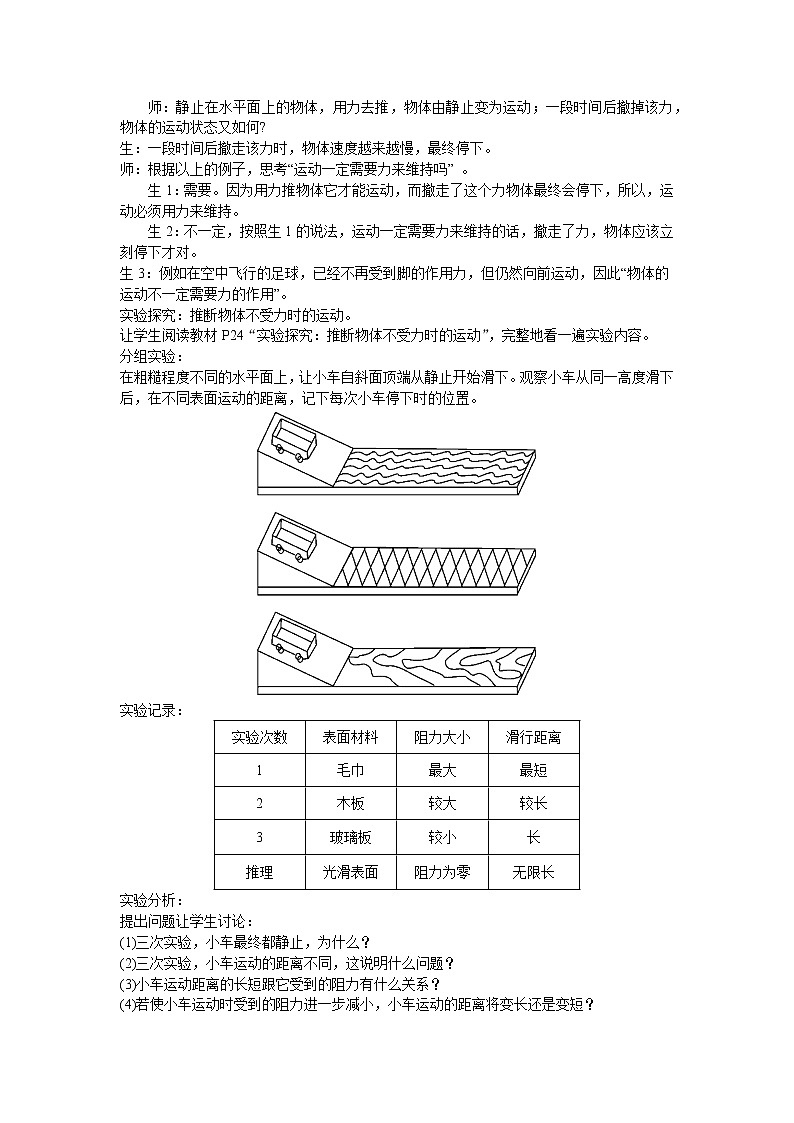
师:静止在水平面上的物体,用力去推,物体由静止变为运动;一段时间后撤掉该力,物体的运动状态又如何?
生:一段时间后撤走该力时,物体速度越来越慢,最终停下。
师:根据以上的例子,思考“运动一定需要力来维持吗” 。
生1:需要。因为用力推物体它才能运动,而撤走了这个力物体最终会停下,所以,运动必须用力来维持。
生2:不一定,按照生1的说法,运动一定需要力来维持的话,撤走了力,物体应该立刻停下才对。
生3:例如在空中飞行的足球,已经不再受到脚的作用力,但仍然向前运动,因此“物体的运动不一定需要力的作用”。
实验探究:推断物体不受力时的运动。
让学生阅读教材P24“实验探究:推断物体不受力时的运动”,完整地看一遍实验内容。
分组实验:
在粗糙程度不同的水平面上,让小车自斜面顶端从静止开始滑下。观察小车从同一高度滑下后,在不同表面运动的距离,记下每次小车停下时的位置。
实验记录:
实验次数 | 表面材料 | 阻力大小 | 滑行距离 |
1 | 毛巾 | 最大 | 最短 |
2 | 木板 | 较大 | 较长 |
3 | 玻璃板 | 较小 | 长 |
推理 | 光滑表面 | 阻力为零 | 无限长 |
实验分析:
提出问题让学生讨论:
(1)三次实验,小车最终都静止,为什么?
(2)三次实验,小车运动的距离不同,这说明什么问题?
(3)小车运动距离的长短跟它受到的阻力有什么关系?
(4)若使小车运动时受到的阻力进一步减小,小车运动的距离将变长还是变短?
(5)根据上面的实验及推理,还可以推理出什么结论?
(6)推理:小车在光滑的(阻力为零)表面,将会怎样运动?
实验结论:平面越光滑,小车运动的距离越远,说明小车受到的摩擦力越小,速度减小得越慢。如果受到的阻力为零,它的速度将不会减慢,将以恒定不变的速度永远运动下去,即做匀速直线运动。
多媒体展示:伽利略理想实验
师:物体除了运动,还有静止。那么,静止的物体在没有受到外力作用时,保持什么状态呢?
牛顿的补充:将保持静止状态。
师(引导学生概括):我们现在已经有了伽利略的研究成果,又有了迪卡儿和牛顿的补充,把两者进行概括:一切物体在没有受到外力作用时,将如何呢?(对概括出来大致意思的同学给予鼓励。)
介绍:牛顿抓住时机,概括总结得出著名的牛顿第一定律。
牛顿第一定律的内容:一切物体在不受外力作用时,总保持匀速直线运动状态或静止状态。
定律分析:
(1)牛顿第一定律说明了物体的运动不需要力来维持。运动物体之所以会停下来,是由于物体受到了力的作用。
(2)“一切”,表示这个定律具有普遍性,没有例外。“不受外力”是本定律成立的条件,定律要成立的前提条件是不受外力,或者是合外力为零。“总保持”是指物体不受外力时只有保持静止或匀速直线运动两种可能,要改变这种状态,物体必须受力的作用。
强调:牛顿第一定律是通过分析事实,再进一步概括、推理得出的,不是直接的实验结论,但其中符合逻辑的科学推理是非常重要的。
师(回应课题引入实验):回想我们最开始的实验,有推力时木块运动,撤去推力后木块停下来,从表面现象得到的结论——运动需要力来维持是错误的,但这种现象是千真万确摆在我们面前的,我们如何用牛顿第一定律的观点正确的解释这个现象呢?
请同学们思考、讨论、交流。
二、惯性
1.惯性
运动的火车比运动的自行车停下来要困难得多,可见物体的惯性即保持匀速直线运动状态或静止状态的本领,它与物体的质量有关,有什么关系呢?
演示实验1:迅速击打鸡蛋下的硬纸板,上面的鸡蛋会怎么样?
演示实验2:用尺子迅速打出较下面的棋子,上面的棋子会怎么样?
教师提问:
(1)打出纸板的时候,鸡蛋为什么没有飞出,而是落进杯子?
(2)为什么打出较下面的棋子,上面的几个棋子能够保持原来的状态?
以四人为小组,针对老师提出的问题,结合自己所观察到的实验现象,积极展开讨论。
学生回答后,教师总结分析实验现象:
实验1现象分析:因为鸡蛋原来是静止在硬纸板上的,当纸板飞出去时,鸡蛋由于惯性依然保持原来的静止状态,所以鸡蛋最后没有随硬纸板飞出去,而是掉进玻璃杯里。
实验2现象分析:用尺子迅速打出较下面的棋子,上面的棋子由于惯性要保持原来的静止状态,所以就会落在正下方。
教师总结:物体保持原来运动状态不变的性质叫惯性。
教师引导学生得出关于惯性的几点理解。
多媒体课件展示:
对惯性的几点理解:
(1)惯性是物体固有的属性,一切物体都具有惯性。
(2)惯性与运动状态无关,不论物体处于怎样的运动状态,惯性总是存在的。
(3)惯性与是否受力无关,与速度大小无关。
多媒体展示:乘客坐在行驶的汽车上,汽车转弯时,乘客倾斜;汽车急刹车,乘客向前摔倒。
学生分析、解释看到的现象。(从研究对象→原来的运动状态→受力情况→运动状态变化情况来分析。)
教师随时纠正不准确之处。
学生阅读教材,做P26“活动:物体的惯性”。
我们可以发现,在P26图8-1-5中,当书突然停止运动时,橡皮要保持原来的运动状态会向前倾倒。这说明物体具有保持原来运动状态的性质。图8-1-6中的小物体仍留在原地,保持原来的静止状态。
可见,物体有保持自身原有的静止状态或匀速直线运动状态的性质。我们把物体的这种性质叫作惯性。事实上,这也是牛顿第一定律所描述的内容,因此牛顿第一定律也称惯性定律。
惯性与惯性定律的区别和联系。
(1)教师先引出上节课所学的牛顿第一定律的概念。
牛顿第一定律:一切物体在没有受到力的作用时,总保持静止状态或匀速直线运动状态。由于物体保持原来的匀速直线运动状态或静止状态的性质,牛顿第一定律也叫惯性定律。
(2)教师利用表格对两者进行对照比较,并跟学生一起总结填写表格内容。
多媒体展示:惯性(性质)≠惯性定律(运动规律)
两者的区别及联系:
| 惯性 | 惯性定律 |
区别 | 固有性质 | 运动规律 |
物体处于任何运动状态都存在 | 不受外力的作用(或合外力为零)的情况下才成立 | |
联系 | 惯性定律是物体不受外力作用时,物体惯性的直接表现 | |
学生阅读教材P26,做“讨论交流:免费旅游的办法可行吗”。
学生分析、讨论,教师随时纠正。
2.生活中的惯性现象
多媒体展示:动画演示以下两实验
学生观察实验后,小组讨论分析现象,学生大胆举手发言,与班上同学分享自己对此现象的分析结果。最后师生交流得出,分析惯性现象这类问题的一般解题思路。
学生小组讨论得出结论后,教师在学生总结的基础上进一步总结现象。
现象(1)分析:木块处于静止状态,突然拉动小车时,木块下部随车一起运动,上部由于惯性保持原来的静止状态所以向后倒。
现象(2)分析:木块处于运动状态小车突然停下时,木块下部随车一起停止运动,上部由于惯性保持原来的运动状态,所以向前倒。
教师归纳总结:分析惯性现象的一般解题思路:
(1)交代研究对象初始状态;
(2)物理过程(突然发生的情况);
(3)研究对象由于惯性要保持原来状态。
活动1:在日常生活中如何区分生鸡蛋和熟鸡蛋呢?
教师拿两枚鸡蛋演示,学生观察实验后,小组讨论分析现象,学生大胆举手发言,与班上同学分享自己对此现象的分析结果。
综合学生分析得出结论:因为生鸡蛋里面的蛋黄和蛋白是液体,当我们转动鸡蛋后,蛋壳开始旋转,而鸡蛋里面的液体由于惯性的作用,要保持原来的静止状态,所以生鸡蛋转起来比较慢!
活动2:请学生列举惯性现象的实例并进行分析。
教师点拨:如奔跑的人不易停下来;公共汽车在进站前几米处就关闭油门;用力甩手可将手上的水甩掉;翻滚过山车越过最高点的运动;宇航员走出飞船后,仍然能与飞船并肩前进,不会落在飞船的后面等。
板书设计
1.牛顿第一定律 惯性
初中物理苏科版八年级下册牛顿第一定律教案及反思: 这是一份初中物理苏科版八年级下册牛顿第一定律教案及反思,共5页。教案主要包含了知识与技能,过程与方法,情感、态度与价值观,自主学习,合作探究,教师点拨,跟进训练等内容,欢迎下载使用。
2021学年8.1 牛顿第一定律教案设计: 这是一份2021学年8.1 牛顿第一定律教案设计,共9页。教案主要包含了牛顿第一定律 惯性),惯性等内容,欢迎下载使用。
初中物理教科版八年级下册1 牛顿第一定律和惯性教案: 这是一份初中物理教科版八年级下册1 牛顿第一定律和惯性教案,共8页。

