新人教版 八年级物理上学期期末复习重难点+练习40讲 第1讲长度和时间的测量(含解析)
展开长度的国际单位是米,符号是 m 。另外还有其他单位,设法记住他们的符号及其换算倍率。
1km=1000m,1m=10dm=100cm=1000mm=106μm=109nm
单位换算的方法:数字不变,单位换算
例如:96nm=96×1nm=96×10-3μm=0.096μm
例1.下列长度单位的换算正确的是()
A.18cm=18cm÷100=0.18m B.18cm=18cm×=0.18m
C.18cm=18÷(100m)=0.18m D.18cm=18×m=0.18m
答案:D
注意两种不同的换算形式:大单位→小单位,小单位→大单位
1nm=10-3μm=10-6mm=10-7cm=10-8dm=10-9m
初中阶段单位换算:长度单位、面积单位1cm2=10-4m2、体积(容积)单位1ml=1cm3、1l=10-3m3、1m/s=3.6km/h、1g/cm3=1×103kg/m3、1kw·h=3.6×106J、1l水有1kg。
▲知识点二:刻度尺的使用
刻度尺的正确使用:(1)测量前首先要观察刻度尺的量程、分度值、单位、零刻度线是否磨损;(2)测量方法:“0”刻度线要与被测物体的一端对齐,且尺面要平行紧贴被测物体,读数时视线与刻度面垂直,厚刻度尺有刻度的面要紧贴被测物体,计数时要估读到分度值的下一位,测量结果由数值和单位组成。多次测量求平均值作为最终测量结果,这样可以减少误差。
易错点:①刻度尺的所选量程不一定必须大于被测物体长度,是尽量大于被测物体的长度,这是为了减小误差。②分度值决定了刻度尺的精确程度。
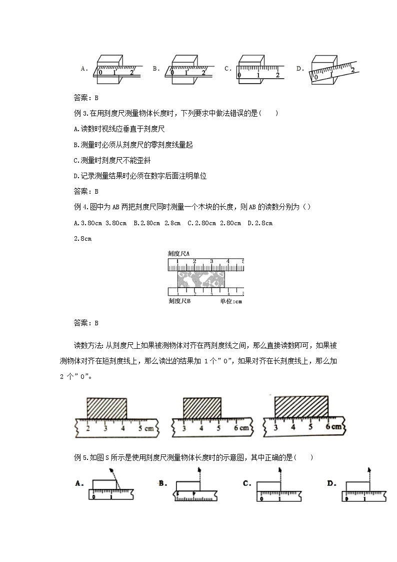
例2.如图是用厚刻尺测量木块的长度,其中正确的测量图是()
答案:B
例3.在用刻度尺测量物体长度时,下列要求中做法错误的是( )
A.读数时视线应垂直于刻度尺
B.测量时必须从刻度尺的零刻度线量起
C.测量时刻度尺不能歪斜
D.记录测量结果时必须在数字后面注明单位
答案:B
例4.图中为AB两把刻度尺同时测量一个木块的长度,则AB的读数分别为()
3.80cm 2.8cm 2.80cm 2.8cm
答案:B
读数方法:从刻度尺上如果被测物体对齐在两刻度线之间,那么直接读数即可,如果被测物体对齐在短刻度线上,那么读出的结果加 1个”0”,如果对齐在长刻度线上,那么加 2 个”0”。
例5.如图S所示是使用刻度尺测量物体长度时的示意图,其中正确的是( )
答案:C
例6.【已知分度值看读数】小明用刻度尺测物体的长度,如图所示,他所用的刻度尺的分度值是,物体的长度是。
答案:
例7.【已知读数找分度值】数字30.21cm 的分度值为,29.3cm的分度值为。
例8.小明利用最小分度值为1mm 的刻度尺测量一个物体的长度,三次测量的数据分别为3.85cm、3.86cm、3.86cm,则测量结果应记为()
例9.五位同学用同种规格的刻度尺对同一物体进行了长度的测量,记录的数据如下: 12.34cm、12.36cm、12.63cm、12.35cm、12.343cm,根据记录的结果,求:
(1)为了减小误差,通过计算说明该物体的长度应记为多少厘米?
多次测量求平均值,所求的值小数点位数必须和原数字相同,如果除不尽,那么就四舍五入进行化简。所测量数字中,偏差太大的数字是错误的,舍去,小数点位数不对的,这样的数字是无意义,舍去。注意区分“错误”与“无意义”两种说法。
多次测量求平均值作用:①多次测量求平均值减小实验误差。例如用刻度尺测量物体长度,测量定值电阻的阻值。②多次测量避免实验的偶然性,增强结论的普遍性,涉及的实验广泛。例如光的反射,平面镜成像、杠杆平衡条件、串并联电路中电压和电流关系、电流与电压、电阻的关系。
▲知识点三:停表的使用
常用的测量时间的工具:日晷、沙漏、滴漏等。常用时间单位:1h=60min=3600s
读数方法:表盘上外圈大圆代表秒针数,小圆代表分钟数,在小圆上有半分钟刻度线,如果分针没有超过半分钟刻度线,那么秒钟盘读数范围是 0-30s,若分针超过了半分钟刻度线,则秒钟盘读数范围是30-60s,最终读数:小盘读数+大盘读数。停表不用估读。
例10.将图中仪器的测量结果(数值及单位)填写在相应的横线上:图甲停表所指示的时间是s。
▲知识点四:误差和错误的区别
误差定义:测量值和真实值之间的差异就叫误差
误差来源:(1)测量方法限制;(4)仪器本身不准确;(3)环境影响;(4)测量者的因素。
减小误差的办法
A.多次测量取平均值 B.改进测量方法 C.选用精度高的测量工具
错误:错误是由于不遵守测量仪器的使用规则,或读取、记录测量结果时粗心等原因造成的.错误是不应该发生的,是可以避免的。
误差与错误的区别
误差是客观存在的,不可避免的,不可能消除,只能尽量的减小。但是错误可以消除。
▲知识点五:长度的特殊测量方法
测量一张纸厚度,一颗米,一粒大头针质量,地图上两点间的距离,运动场的长度,圆锥体高,圆柱体的直径。
生活中常见的长度值
中学生身高约150cm-180cm,每层楼高约3m,物理课本长约26cm,宽约18cm,大拇指指甲宽约1cm,人正常步行一步约0.6m,课桌高约0.8m。
课时训练(一)
一、单选题
1.2013年1月11日到1月16日,我国大部分地区的空气被严重污染,有害物质含量严重超标,其中PM2.5是天气阴霾的主要原因,PM2.5是指大气中直径小于或者等于2.5 μm的颗粒物,单个PM2.5是隐藏在空气的浮尘中,容易被吸入人肺部造成危害,下列关于PM2.5颗粒物直径的单位换算正确的是( )
A.2.5 μm=2.5μm×10-6m
B.2.5μm=2.5×10-5dm
C.2.5μm=2.5×10-6cm
D.2.5μm=2.5×10-9m
【答案】B
【解析】单位换算的步骤是:首先物理量前面的系数(数字)乘以换算关系,然后把单位改变单位为要换算的单位,最后化简,弄清楚长度之间的换算关系是关键.
2.5μm=2.5×10-6m=2.5×10-5dm=2.5×10-4cm=2.5×10-3mm
2.对下列尺度的估计中,跟事实相差较远的是( )
A.学生用课桌的高度大约70 cm左右
B.一张普通CD光盘的直径大约30 cm
C.操场上一个篮球场的长度约28 m
D.教室门的高度大约有2 m
【答案】B
【解析】课桌的高度大约70 cm左右,该选项数据接近事实,不符合题意;一张普通CD光盘的直径大约12 cm,该选项数据与事实相差较大,符合题意;操场上一个篮球场的长度约28 m,该选项数据接近事实,不符合题意;教室门的高度大约有2 m,该选项数据接近事实,不符合题意.
3.如图所示,用刻度尺测量铅笔的长度,测量方法正确的是( )
【答案】C
【解析】铅笔没有紧靠刻度尺有刻线的一侧.A错误;刻度尺刻线一侧没有靠近铅笔.B错误;铅笔左侧与刻度尺0刻度线对齐,并且紧靠刻线.C正确;铅笔左侧没有与0刻度线或其它整格刻线对齐.D错误.
4.某同学用一把分度值为1 mm的刻度尺来测量物体的长度,测量结果分别为17.81 cm、17.82 cm、17.83 cm和17.58 cm,其中错误的是( )
cm
【答案】D
【解析】17.58 cm与17.81 cm、17.82 cm、17.83 cm这三个数相比,测量结果偏差大,所以其中错误的数据是17.58 cm.
5.用甲、乙两个刻度尺测同一木块,如图所示,对两个尺的精确度,放置的正确情况及木块的长度,下面估测正确的是( )
A.甲精密些,乙尺放置不正确,木块长度为2 cm
B.甲不太精密,但放置正确,木块长度为24 dm
C.乙精密些,且放置正确,木块长度为2.40 cm
D.甲既精密,又放置正确,木块长度为2.40 cm
【答案】C
【解析】由图知:甲刻度尺1个小格代表的是0.2 cm,即此刻度尺的分度值为0.2 cm=2 mm;乙刻度尺1 cm之间有10个小格,所以1个小格代表的是0.1 cm=1 mm,即此刻度尺的分度值为1 mm,所以乙刻度尺更精密;使用甲刻度尺测量木块长度时,木块没有与有刻度的一边靠近,此测量方法不正确;木块左端与乙刻度尺10.00 cm对齐,右端与12.40 cm对齐,所以物体的长度为L=12.40 cm-10.00 cm=2.40 cm.测量方法正确.
6.关于误差,下列说法正确的是( )
A.实验中产生的错误叫误差
B.误差是由于测量时未遵守操作规则而引起的
C.认真仔细测量,就可以避免误差
D.多次测量取平均值,可以减小误差
【答案】D
【解析】A,误差就是在正确测量的情况下,测量值与真实值之间存在的差异,而不是测量实验中的错误,故本选项说法错误.B,误差就是在正确测量的情况下,测量值与真实值之间存在的差异,而不是因为没有遵守操作规则造成的,故本选项说法错误.C,误差与测量的人、测量工具、测量环境有关,因此,任何测量中的误差是不可避免的,只能努力减小误差,不可能消除误差.故本选项说法错误.D,求多次测量的平均值是减小误差有效的方法之一,但却不能完全消除误差;故本选项说法正确.
7.在相同条件下,由于铜的热胀冷缩程度比玻璃的大,因此用同一把铜刻度尺去测量同一块玻璃的长度,夏天和冬天的测量结果比较是( )
A.夏天测得的数据大些
B.一样大
C.冬天测得的数据大些
D.条件不足,无法确定
【答案】C
【解析】由于铜的热胀冷缩程度比玻璃的大,夏天温度升高,由于热膨胀铜尺的长度变大,所以测量值比玻璃的实际值偏小;冬天由于铜尺的收缩,尺子长度变小,所以测量值比实际值偏大.因此对于同一块玻璃的测量,其冬天的读数比夏天大,所以选项A,B,D都不正确.
8.要测量1角硬币的厚度,使测量结果的误差较小,则最佳选择是( )
A.用刻度尺仔细地测量硬币的厚度
B.用刻度尺多次测量硬币的厚度,求平均值
C.用刻度尺分别测出10个1角硬币的厚度,求平均值
D.用刻度尺测出10个1角硬币叠加起来的总厚度,再除以10,求得一个硬币的厚度
【答案】D
【解析】被测物体的长度小于或接近刻度尺的分度值,需要用累积法,A,B,C三个选项不符合题意.
9.现要测量某圆柱体的直径,如图所示几种测量方法中正确的是( )
【答案】C
【解析】用刻度尺测量物体的长度时,一般应从零刻度线或某一整刻线开始测量,A,D选项中的测量方法会使测量值偏小,不符合题意;B选项直接用刻度尺来寻找圆柱体的直径的方法是不科学的,一般测量值会偏小,不符合题意;C选项所示的方法为“辅助工具法”,三角板的直角边所对应的示数即为圆柱体直径的大小.
二、填空题
10.小东用同一把刻度尺测了某一个物体的长度,数据分别是:6.78 cm、6.79 cm、6.782 cm 6.77 cm、6.90 cm.在和同学交流评估中,发现有些数据是错误的,错误的数据分别是________,请你分析这些数据错误的原因__________________________________.
【答案】:6.782 cm,6.90;6.782 cm错误原因是:估读错误,6.90 cm错误原因是:读数偏差大.
【解析】由题意知刻度尺最小分度值是1 mm,以 cm为单位,小数点后应有两位数,6.782 cm小数点后有三位数,读数错误.
在6.78 cm、6.79 cm、6.782 cm 6.77 cm、6.90 cm数据中,6.90 cm偏差较大,这个数据是错误的.
11.①如左图所示,秒表的读数为________s.
②如右图所示,物体的长度为________ cm.
【答案】①337.5 ②2.50
【解析】左图中,小盘的分度值是0.5 min,指针在5 min和6 min之间;大盘的分度值是1 s,而大盘指针在37.5s,因此秒表读数为5 min37.5 s=337.5 s;
右图刻度尺可知,刻度尺的分度值是1 mm,物体的长度是3.50cm-1.00 cm=2.50cm.
三、实验题
12.某同学用以下步骤和方法来测量物理课本内页中每张纸的厚度:
1.将从封面开始的10页纸叠紧;
2.用刻度尺测出这叠纸的厚度为L;
3.算出每张纸的厚度为d=1/10 L.该同学以上做法中的三个错误是:
(1)________________________________________________________________________;
(2)________________________________________________________________________;
(3)________________________________________________________________________.
【答案】(1)认为封面与内页厚度相同;(2)选用页数太少,不便测量;(3)将纸的页数当成张数
【解析】(1)因为封面与内页厚度不同,所以不能将封面和内页叠在一起测量;(2)用累积法测量的纸的页数越多,测量结果越精确;(3)把页数与张数混肴了,一张纸应是两页.
新人教版 八年级物理上学期期末复习重难点+练习40讲 第37讲密度的应用(含解析): 这是一份新人教版 八年级物理上学期期末复习重难点+练习40讲 第37讲密度的应用(含解析),共14页。学案主要包含了固体密度的测量等内容,欢迎下载使用。
新人教版 八年级物理上学期期末复习重难点+练习40讲 第25讲光的折射(含解析): 这是一份新人教版 八年级物理上学期期末复习重难点+练习40讲 第25讲光的折射(含解析),共11页。
新人教版 八年级物理上学期期末复习重难点+练习40讲 第26讲光的色散(含解析): 这是一份新人教版 八年级物理上学期期末复习重难点+练习40讲 第26讲光的色散(含解析),共10页。

