高中鲁教版 (2019)第三单元 产业区位选择单元活动 学用图层叠加分析法达标测试
展开课时分层作业(十二)
(建议用时:45分钟)
[合格基础练]
1.下图为某地区地理信息系统数据库示意图。进行农业适宜性评价可以利用的图层组合是( )
A.①②④⑤ B.②③④⑤
C.②③④⑥ D.①③⑤⑥
C [进行农业生产活动的自然区位因素多与地形、气候、土壤、水源等相联系,与居民点和岩层联系不大。]
2.地理图层制作步骤中正确的说法是( )
A.用图层对简单的地理信息分类
B.将不同类型的信息按不同比例尺制成一系列专题地图
C.将所绘图层错位叠加
D.不同类型的信息分别描绘在透明背景的图层上
D [自己动手制作地理图层,其基本步骤如下:一是用图层对复杂的地理信息进行分类;二是将不同类型的信息按相同比例尺分别描绘在透明背景的图层上,制成一系列专题地图;三是将所绘图层对位叠加,显示出较完整的地理信息。]
叠加分析就是将同一地区的两层或多层地图要素重叠在一起进行图层和属性运算,产生新的图层和属性的过程。下图中甲、乙分别为同一地区两种要素分布图。读图,完成3~4题。
3.若将甲、乙两图层进行叠加,得到的新图层是( )
4.若甲、乙分别为城市交通网和地租等值线图层,叠加后生成的新图层反映的是( )
A.城市道路网类型
B.交通线与地租等值线分布
C.城市功能分区结构
D.城市商业网点分布
3.A 4.B [第3题,甲、乙两图层进行叠加也就是两种要素的组合,形成的新图层如A图所示。第4题,城市交通网和地租等值线图层叠加应该形成交通线与地租等值线分布图层。]
下图示意某地理专题研究建立的地理信息系统图层。据此完成5~6题。
5.叠加丙与丁图层可以研究( )
A.河流分布 B.地形特征
C.商业布局 D.客货流量
6.为了较合理地得出丙图,需要叠加的图层有( )
A.甲与乙 B.甲与丁
C.乙与丁 D.甲、乙、丁
5.C 6.D [第5题,丙图层是交通分布,丁图层是人口分布,与人口和交通相关的是商业布局。第6题,交通建设首先要考虑尽可能多地连接居民点,以获得经济效益。在具体选线上,要考虑地形和河流等自然条件,以降低建设成本。]
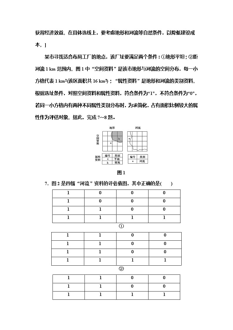
某市寻找适合布局工厂的地点,该厂址要满足两个条件:①地形平坦;②距河流1 km范围内。图1中“空间资料”是该市地形与河流的空间分布,每一小方格代表1 km2(该区面积共16 km2);“属性资料”是地形和河流的类别资料。根据选址条件,对照空间资料和属性资料,符合条件为“1”,不符合条件为“0”,若同一小方格内有两种不同属性类别分布时,为求简化,占有面积比例较大的属性作为评估对象。据此,完成7~8题。
图1
7.图2是四幅“河流”资料的评估值图,其中正确的是( )
1 | 0 | 0 | 0 |
1 | 0 | 0 | 0 |
1 | 1 | 0 | 0 |
1 | 1 | 1 | 1 |
①
1 | 1 | 0 | 0 |
1 | 1 | 0 | 0 |
1 | 1 | 0 | 0 |
1 | 1 | 1 | 1 |
②
1 | 1 | 0 | 0 |
1 | 1 | 0 | 0 |
1 | 1 | 1 | 1 |
0 | 1 | 1 | 1 |
③
1 | 1 | 0 | 0 |
1 | 1 | 0 | 0 |
1 | 1 | 1 | 0 |
0 | 1 | 1 | 1 |
④
图2
A.① B.② C.③ D.④
8.根据地形、河流两项资料的综合评估,图3中适合布局工厂的地点是( )
1 | 乙 | 0 | 0 |
1 | 1 | 丙 | 0 |
甲 | 1 | 丁 | 0 |
1 | 1 | 1 | 1 |
图3
A.甲、乙 B.乙、丙
C.乙、丁 D.甲、丙
7.B 8.A [第7题,根据条件“距河流1 km范围内”及图中河流的空间分布,可判断图中每一小方格的属性。河流位于平坦地区,所以河流流经的方格都为1。在河流流经某些方格的交点处以1 cm为半径画圆,圆内的小方格也为1,故选B。第8题,结合第7题答案,再考虑地形平坦的条件,可知图3中适合布局工厂的地点是甲、乙。]
[等级过关练]
9.同学们拟分析家乡人口分布与自然条件的关系,在GIS数据库中,须调用的专题图层有下列中的( )
①地形图层 ②土壤图层 ③气候图层 ④人口图层 ⑤商业网点图层 ⑥农业图层 ⑦工业图层 ⑧城市图层 ⑨交通图层
A.①②③④ B.③④⑤⑥
C.⑥⑦⑧⑨ D.⑤⑥⑦⑧
A [分析家乡人口分布与自然条件的关系,在GIS数据库中,须调用的专题图层有地形图层(用于了解地形与人口分布的关系)、土壤图层(用于了解土壤与人口分布的关系)、气候图层(用于了解气候与人口分布的关系)和人口图层,而商业网点图层、农业图层、工业图层、城市图层、交通图层等属于人文地理范畴。]
叠图分析是GIS中的一项非常重要的空间分析功能,也是科学选址最常用的方法。结合下图,完成10~11题。
10.叠图分析已被政府部门广泛应用,下列业务最适合用叠图分析处理的是( )
A.分析家乡人口分布与自然条件的关系
B.界定某工地噪声影响范围
C.分析某景点游客观赏景观的最佳位置
D.规划交通高峰时段避开堵车的替代道路
11.上图中选定的区域适合建设( )
A.大型垃圾处理场 B.大型仓储式超市
C.汽车加油站 D.水源保护区
10.A 11.D [第10题,叠图分析是指将一个地区两个或两个以上的图层进行叠合,以建立地理对象之间的空间对应关系或产生空间区域的多重属性特征。分析家乡人口分布与自然条件的关系,在GIS数据库中,需调用的专题图层有地形图层、土壤图层、气候图层和人口图层,这是叠图分析的典型应用。其他三个选项所述内容非叠图分析所能办到。第11题,由图中“远离主要道路,植被保护好”等要求并结合四个选项可判断出,该区域适宜建设水源保护区。大型仓储式超市和汽车加油站都需要接近主要道路;大型垃圾处理场一般不会建在植被条件好的区域。]
12.下面的图1为我国山东某区域的地理信息空间数据图,每个小方格的实际长宽各10米,图中r表示河流,s表示林地,h表示住房,f表示耕地。图2中数据表示相应区域的平均海拔(单位:米)。据此回答下列问题。
图1 图2
(1)该区域河流的流向是________。
(2)该区域的森林覆盖率为________。
(3)从地形方面看,图1中的住房容易遭受________灾害的威胁。
(4)为配合区域荒山绿化,该地区准备栽培一批果木。请列举比较适合的果木品种(至少两种)。
[解析] 根据图1中r为河流,将r按顺序连线可知河流流向为东北—西南,根据图2中河流两端的海拔高度可知该河流是由东北流向西南。根据图1中s为林木,可计算出其所占该区域的面积比例。由图1可知房屋处在河边,根据图2可知该房屋地势很低,故可判断易受洪水威胁。该区域位于山东省,属于温带季风气候,适合暖温带果树的种植。
[答案] (1)东北-西南 (2)18% (3)洪水 (4)苹果树、梨树、枣树
高中鲁教版 (2019)第三单元 产业区位选择单元活动 学用图层叠加分析法课时训练: 这是一份高中鲁教版 (2019)第三单元 产业区位选择单元活动 学用图层叠加分析法课时训练,共5页。
高中地理鲁教版 (2019)必修 第二册单元活动 学用图层叠加分析法同步训练题: 这是一份高中地理鲁教版 (2019)必修 第二册单元活动 学用图层叠加分析法同步训练题,共7页。试卷主要包含了上图中选定的区域适合建设等内容,欢迎下载使用。
地理单元活动 学用图层叠加分析法达标测试: 这是一份地理单元活动 学用图层叠加分析法达标测试,共6页。试卷主要包含了该专题研究可能是,上图中选定的区域适合建设等内容,欢迎下载使用。

