还剩25页未读,
继续阅读
所属成套资源:2019届高考物理一轮复习讲义 (含答案
成套系列资料,整套一键下载
2019届高考物理一轮复习讲义:第3章 第3讲 牛顿运动定律的综合应用(含答案)
展开
第3讲 牛顿运动定律的综合应用
板块一 主干梳理·夯实基础
【知识点1】 超重和失重 Ⅰ
1.实重与视重
(1)实重:物体实际所受的重力,与物体的运动状态无关。
(2)视重:①当物体挂在弹簧测力计下或放在水平台秤上时,弹簧测力计或台秤的示数称为视重。
②视重大小等于弹簧测力计所受物体的拉力或台秤所受物体的压力。
2.超重、失重和完全失重的比较
【知识点2】 牛顿定律的应用 Ⅱ
整体法和隔离法
(1)整体法
当连接体内(即系统内)各物体的加速度相同时,可以把系统内的所有物体看成一个整体,分析其受力和运动情况,运用牛顿第二定律对整体列方程求解的方法。
(2)隔离法
当求系统内物体间相互作用的内力时,常把某个物体从系统中隔离出来,分析其受力和运动情况,再用牛顿第二定律对隔离出来的物体列方程求解的方法。
板块二 考点细研·悟法培优
考点1 对超重和失重的理解 [深化理解]
1.判断方法
不管物体的加速度是不是竖直方向,只要其加速度在竖直方向上有分量,物体就会处于超重或失重状态。
2.易错易混点拨
(1)超重并不是重力增加了,失重并不是重力减小了,完全失重也不是重力完全消失了。在发生这些现象时,物体的重力依然存在,且不发生变化,只是物体对支持物的压力(或对悬挂物的拉力)发生变化。
(2)在完全失重的状态下,平常一切由重力产生的物理现象都会完全消失,如天平失效、浸在水中的物体不再受浮力、液体柱不再产生压强等。
例1 [2014·北京高考]应用物理知识分析生活中的常见现象,可以使物理学习更加有趣和深入。例如平伸手掌托起物体,由静止开始竖直向上运动,直至将物体抛出。对此现象分析正确的是( )
A.手托物体向上运动的过程中,物体始终处于超重状态
B.手托物体向上运动的过程中,物体始终处于失重状态
C.在物体离开手的瞬间,物体的加速度大于重力加速度
D.在物体离开手的瞬间,手的加速度大于重力加速度
(1)手托物体向上运动的过程,始终加速吗?
提示:不是,可以减速。
(2)物体离开手的瞬间,受什么力的作用?
提示:只受重力作用。
尝试解答 选D。
手托物体抛出的过程,必有一段加速过程,其后可以减速,可以匀速,当手和物体匀速运动时,物体既不超重也不失重;当手和物体减速运动时,物体处于失重状态,选项A错误;物体从静止到运动,必有一段加速过程,此过程物体处于超重状态,选项B错误;当物体离开手的瞬间,物体只受重力,此时物体的加速度等于重力加速度,选项C错误;手和物体分离之前速度相同,分离之后手速度的变化率比物体速度的变化率大,物体离开手的瞬间,手的加速度大于重力加速度,故D正确。
总结升华
判断超重和失重现象的技巧
首先对物体的运动状态进行分析,其次判断加速度的方向。当物体具有向上的加速度(或具有向上的加速度分量)时处于超重状态,具有向下的加速度(或具有向下的加速度分量)时处于失重状态,向下的加速度为重力加速度时处于完全失重状态。如手托物体竖直向上抛出必有一段加速过程,且加速度向上,物体处于超重状态。
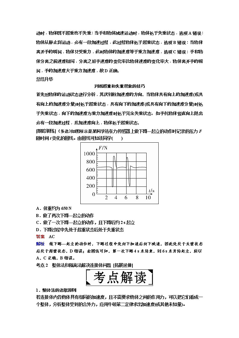
(多选)如图所示是某同学站在力传感器上做下蹲—起立的动作时记录的压力F随时间t变化的图线。由图线可知该同学( )
A.体重约为650 N
B.做了两次下蹲—起立的动作
C.做了一次下蹲—起立的动作,且下蹲后约2 s起立
D.下蹲过程中先处于超重状态后处于失重状态
答案 AC
解析 做下蹲—起立的动作时,下蹲过程中先向下加速后向下减速,因此先处于失重状态后处于超重状态,D错误;由图线可知,第一次下蹲4 s末结束,到6 s末开始起立,所以A、C正确,B错误。
考点2 整体法和隔离法解决连接体问题 [拓展延伸]
1.整体法的选取原则
若连接体内各物体具有相同的加速度,且不需要求物体之间的作用力,可以把它们看成一个整体,分析整体受到的合外力,应用牛顿第二定律求出加速度(或其他未知量)。
2.隔离法的选取原则
若连接体内各物体的加速度不相同,或者要求出系统内各物体之间的作用力时,就需要把物体从系统中隔离出来,应用牛顿第二定律列方程求解。
3.整体法、隔离法的交替运用
若连接体内各物体具有相同的加速度,且要求物体之间的作用力时,可以先用整体法求出加速度,然后再用隔离法选取合适的研究对象,应用牛顿第二定律求作用力。即“先整体求加速度,后隔离求内力”。若已知物体之间的作用力,则“先隔离求加速度,后整体求外力”。
例2 [2018·甘肃五市一模]如图所示,在水平面上,有两个质量分别为m1和m2的物体A、B与水平面的动摩擦因数均为μ,m1>m2,A、B间水平连接着一轻质弹簧测力计。若用大小为F的水平力向右拉B,稳定后B的加速度大小为a1,弹簧测力计示数为F1;如果改用大小为F的水平力向左拉A,稳定后A的加速度大小为a2,弹簧测力计示数为F2。则以下关系式正确的是( )
A.a1=a2,F1>F2 B.a1=a2,F1<F2
C.a1=a2,F1=F2 D.a1>a2,F1>F2
(1)两种情况下整体受的合外力大小是否相同?
提示:相同。
(2)F1、F2的大小与μ有关吗?
提示:无关。
尝试解答 选A。
以整体为研究对象,根据牛顿第二定律得
F-μ(m1+m2)g=(m1+m2)a1
F-μ(m1+m2)g=(m1+m2)a2
得到a1=a2
当F拉B时,以A为研究对象,则有F1-μm1g=m1a1
得到F1=F
同理,当F拉A时,以B为研究对象
得到F1=F
由于m1>m2,则F1>F2
所以A正确,B、C、D错误。
总结升华
涉及整体法和隔离法的具体类型
(1)通过滑轮和绳的连接体问题:若要求绳的拉力,一般都必须采用隔离法。绳跨过定滑轮,连接的两物体虽然加速度大小相同但方向不同,故采用隔离法。
(2)水平面上的连接体问题:这类问题一般多是连接体(系统)中各物体保持相对静止,即具有相同的加速度。解题时,一般整体法、隔离法交替应用。
(3)斜面体与上面物体组成的系统的问题:当物体具有沿斜面方向的加速度,而斜面体相对于地面静止时,解题时一般采用隔离法分析。
1.如图所示,一夹子夹住木块,在力F作用下向上提升。夹子和木块的质量分别为m1、m2,夹子与木块两侧间的最大静摩擦力均为Ff。若木块不滑动,力F的最大值是( )
A.
B.
C.-(m1+m2)g
D.+(m1+m2)g
答案 A
解析 设夹子与木块两侧间的最大静摩擦力均为Ff,木块向上运动的最大加速度为a,对木块受力分析,满足2Ff-m2g=m2a,得a=,对整体受力分析可知,力F的最大值由F-(m1+m2)g=(m1+m2)a求得,整理可得F=,故A正确。
2.[2018·哈尔滨三中模拟](多选)如图所示,光滑水平面上放置着四个相同的木块,其中木块B与C之间用一轻弹簧相连,轻弹簧始终在弹性限度内。现用水平拉力F拉B木块,使四个木块以相同的加速度一起加速运动,则以下说法正确的是( )
A.一起加速过程中,C木块受到四个力的作用
B.一起加速过程中,D所受到的静摩擦力大小为
C.一起加速过程中,A、D木块所受摩擦力大小和方向相同
D.当F撤去瞬间,A、D木块所受静摩擦力的大小和方向都不变
答案 BC
解析 在水平拉力F的作用下,四个木块以相同的加速度一起加速运动,则由牛顿第二定律可知,对整体有F=4ma,对A、D木块有fA=fD=ma,解得A、D木块所受摩擦力大小fA=fD=,方向均水平向右,故B、C正确;一起加速过程中,C木块受到重力、D木块对它的压力和静摩擦力、地面支持力及弹簧的弹力,共五个力的作用,故A错误;当F撤去瞬间,D木块所受静摩擦力的大小和方向均不变,而A木块所受静摩擦力的大小不变但反向,故D错误。
考点3 动力学中的临界、极值问题 [解题技巧]
1.动力学中的临界极值问题
在应用牛顿运动定律解决动力学问题中,当物体运动的加速度不同时,物体有可能处于不同的状态,特别是题目中出现“最大”“最小”“刚好”等词语时,往往会有临界值出现。
2.产生临界问题的条件
(1)接触与脱离的临界条件:两物体相接触或脱离,临界条件是:弹力FN=0。
(2)相对滑动的临界条件:两物体相接触且处于相对静止时,常存在着静摩擦力,则相对滑动的临界条件是:静摩擦力达到最大值。
(3)绳子断裂与松弛的临界条件:绳子所能承受的张力是有限的,绳子断与不断的临界条件是绳中张力等于它所能承受的最大张力,绳子松弛的临界条件是FT=0。
(4)加速度最大与速度最大的临界条件:当物体在受到变化的外力作用下运动时,其加速度和速度都会不断变化,当所受合外力最大时,具有最大加速度;合外力最小时,具有最小加速度。当加速度等于零时,速度最大。
例3 [2018·淮安质检]将质量为m的圆环套在固定的水平直杆上,环的直径略大于杆的截面直径,环与杆间的动摩擦因数为μ,对环施加一位于竖直平面内斜向上且与杆夹角为θ的拉力F,使圆环以加速度a沿杆运动,则F的大小不可能是( )
A. B.
C. D.
(1)圆环向右加速,摩擦力的有无及大小确定吗?弹力的大小、方向确定吗?
提示:摩擦力可能有,也可能无。弹力可能无,存在弹力时,其方向有两种可能。
(2)本题临界点是什么?
提示:环与杆间刚好无弹力、无摩擦力。
尝试解答 选C。
对环受力分析,受重力、拉力、弹力和摩擦力。其中弹力可能向上,也可能向下,也可能等于0。
(1)若环受到的弹力为0,则:
Fcosθ=ma,Fsinθ=mg
解得:F=或F=。
(2)若环受到的弹力的方向向上,则:
Fcosθ-μ(mg-Fsinθ)=ma
所以:F=。
(3)若环受到的弹力的方向向下,则:
Fcosθ-μ(Fsinθ-mg)=ma
所以:F=。
所以A、B、D可能,C不可能,选C。
总结升华
叠加体系统临界问题的求解思路
如图所示,质量均为m的A、B两物体叠放在竖直弹簧上并保持静止,用大小等于mg的恒力F向上拉B,运动距离h时,B与A分离,下列说法正确的是( )
A.B和A刚分离时,弹簧长度等于原长
B.B和A刚分离时,它们的加速度为g
C.弹簧的劲度系数等于
D.在B和A分离前,它们做匀加速直线运动
答案 C
解析 B和A刚分离时,恒力F=mg,B的加速度为零,弹簧对A向上的弹力等于重力,A的加速度也为零,弹簧处于压缩状态,A、B错误。B和A刚分离时,弹簧弹力大小为mg,开始静止时弹簧弹力大小为2mg,则弹力减少量ΔF=mg,两物体向上运动的距离为h,则弹簧压缩量减少Δx=h,所以弹簧的劲度系数k=,C正确;在B和A分离之前对AB整体为研究对象,重力2mg不变,弹力在减小,合力减小,整体加速度在减小,AB做变加速运动,D错误。
考点4 应用牛顿运动定律解决多过程问题 [拓展延伸]
1.多过程问题
很多动力学问题中涉及物体有两个或多个连续的运动过程,在物体不同的运动阶段,物体的运动情况和受力情况都发生了变化,这类问题称为牛顿运动定律中的多过程问题。
2.类型
多过程问题可根据涉及物体的多少分为单体多过程问题和多体多过程问题。
例4 如图甲所示,为一倾角θ=37°的足够长斜面,将一质量为m=1 kg的物体无初速度在斜面上释放,同时施加一沿斜面向上的拉力,拉力随时间变化的关系图象如图乙所示,物体与斜面间的动摩擦因数μ=0.25,取g=10 m/s2, sin37°=0.6,cos37°=0.8,求:
(1)2 s末物体的速度;
(2)前16 s内物体发生的位移。
(1)物体在0~16 s间共参与了几种运动?
提示:3种。
(2)物体速度减小为零以后会做反方向的匀加速直线运动吗?
提示:不会。
尝试解答 (1)5_m/s,方向沿斜面向下__(2)30_m,方向沿斜面向下。
(1)由分析可知物体在前2 s内沿斜面向下做初速度为零的匀加速直线运动,由牛顿第二定律可得
mgsinθ-F1-μmgcosθ=ma1
v1=a1t1
代入数据可得
a1=2.5 m/s2,方向沿斜面向下
v1=5 m/s,方向沿斜面向下。
(2)物体在前2 s内发生的位移为x1,则
x1=a1t=5 m,方向沿斜面向下
当拉力为F2=4.5 N时,由牛顿第二定律可得
F2+μmgcosθ-mgsinθ=ma2
代入数据可得a2=0.5 m/s2,方向沿斜面向上
物体经过t2时间速度减为0,则v1=a2t2
得t2=10 s
t2时间内发生的位移为x2,则
x2=a2t=25 m,方向沿斜面向下
由于mgsinθ-μmgcosθ
故物体在前16 s内发生的位移x=x1+x2=30 m,方向沿斜面向下。
总结升华
应用牛顿运动定律解决多过程问题的策略
(1)任何多过程的复杂物理问题都是由很多简单的小过程构成,有些是承上启下,上一过程的结果是下一过程的已知,这种情况,一步一步完成即可。
(2)有些是树枝型,告诉的只是旁支,要求的是主干(或另一旁支),这就要求仔细审题,找出各过程的关联,按顺序逐个分析;对于每一个研究过程,选择什么规律,应用哪一个运动学公式要明确。
(3)注意两个过程的连接处,加速度可能突变,但速度不会突变,速度是联系前后两个阶段的桥梁。
1. (多选)如图所示,一个厚度不计的圆环A,紧套在长度为L的圆柱体B的上端,A、B两者的质量均为m。A与B之间的最大静摩擦力与滑动摩擦力相同,其大小为kmg(k>1)。A、B一起由离地H高处由静止开始落下,触地后能竖直向上弹起,触地时间极短,且无能量损失。A环运动过程中未落地。则下列说法正确的是( )
A.B与地第一次碰撞后,B上升的最大高度是
B.B与地第一次碰撞后,B上升的最大高度是
C.B与地第一次碰撞后,当A与B刚相对静止时,B下端离地面的高度是
D.B与地第一次碰撞后,当A与B刚相对静止时,B下端离地面的高度是
答案 AC
解析 刚开始A、B一起做自由落体运动可算出B与地面碰撞前的速度为v=,对B来说碰撞后以速度v向上做匀减速运动,其加速度为aB,由mg+kmg=maB得aB=(k+1)g,B上升的最大高度为H1==,A正确,B错误;对A来说碰撞后的加速度为aA,由kmg-mg=maA得aA=(k-1)g,方向竖直向上。当A、B速度相等时,两者相对静止。设经时间t后,两者速度相等,有v-aAt=-(v-aBt),t= ,所以B与地第一次碰撞后,当A与B刚相对静止时,B下端离地面的高度为H1′=vt-aBt2=,C正确,D错误。
2.[2018·福州一模]如图甲所示,质量m=1 kg的物块在平行斜面向上的拉力F作用下从静止开始沿斜面向上运动,t=0.5 s时撤去拉力,利用速度传感器得到其速度随时间的变化关系图象(vt图象)如图乙所示,g取10 m/s2,求:
(1)2 s内物块的位移大小x和通过的路程L;
(2)沿斜面向上运动两个阶段加速度大小a1、a2和拉力大小F。
答案 (1)0.5 m 1.5 m (2)4 m/s2 4 m/s2 8 N
解析 (1)由题图乙易得,物块上升的位移:
x1=×2×1 m=1 m;
物块下滑的距离:
x2=×1×1 m=0.5 m
位移x=x1-x2=1 m-0.5 m=0.5 m
路程L=x1+x2=1 m+0.5 m=1.5 m
(2)由题图乙知,各阶段加速度
a1= m/s2=4 m/s2
a2= m/s2=-4 m/s2,|a2|=4 m/s2
设斜面倾角为θ,斜面对物块的摩擦力为Ff,根据牛顿第二定律0~0.5 s内F-Ff-mgsinθ=ma1;
0.5~1 s内-Ff-mgsinθ=ma2;
联立解得:F=8 N。
考点5 加速度不同时整体法的应用 [解题技巧]
大多数情况下,当两物体加速度相同时才考虑整体法,加速度不同时,考虑隔离法。实际上加速度不同时,也可以用整体法,只是此时整体法的含义有所改变。
当两个或两个以上物体以不同形式连接,构成一个系统,且系统内各物体加速度不相同时,牛顿第二定律照样能应用于整体。若质量为m1,m2,…,mn的物体组成系统,它们的加速度分别为a1,a2,…,an,牛顿第二定律可写为:
F=m1a1+m2a2+…+mnan
或Fx=m1a1x+m2a2x+…+mnanx
Fy=m1a1y+m2a2y+…+mnany
其意义为系统受的合外力等于系统内的每一个物体受的合外力的矢量和,或某个方向上,系统受的合外力等于系统内的每一个物体在这个方向上受的合外力的矢量和。
例5 如图所示,一质量为M的楔形木块A放在水平桌面上,它的顶角为90°,两底角分别为α和β; a、b为两个位于斜面上质量均为m的小木块,已知所有接触面都光滑的,现发现a、b沿斜面下滑,而楔形木块静止不动,这时楔形木块对水平桌面的压力等于( )
A.Mg+mg B.Mg+2mg
C.Mg+mg(sinα+sinβ) D.Mg+mg(cosα+cosβ)
求解A对桌面的压力,需在哪个方向上对物体进行受力分析?
提示:竖直方向。
尝试解答 选A。
取a、b、A整体为研究对象,其竖直方向受力情况及系统内各物体运动状态如图所示。
以竖直向上为正方向,在竖直方向上由牛顿第二定律得:
FN-(M+2m)g=M·0+ma1y+ma2y
其中,a1y=-gsin2α,a2y=-gsin2β
得水平桌面对楔形木块的支持力FN=Mg+mg,
由牛顿第三定律得A正确。
[2018·河南洛阳模拟]如图所示的装置中,重为4 N的物块用一平行于斜面的细线拴在斜面上端的小柱上,整个装置被固定在测力计上并保持静止,斜面的倾角为30°。如果物块与斜面间无摩擦,装置稳定以后,在烧断细线物块下滑时测力计的读数与稳定时比较( )
A.增大4 N B.增大3 N
C.减少1 N D.不变
答案 C
解析 设物块的质量为m,斜面质量为m1,整个装置静止时,测力计读数为m1g+mg=m1g+4 N。物块下滑的加速度a1=gsinθ=g,方向沿斜面向下,其竖直分量a1=asinθ=g,所以物块处于失重状态,其视重为mg=3 N,测力计的读数为m1g+3 N,所以测力计的示数减小1 N,故选C。
考点6 传送带模型 [解题技巧]
1.水平传送带模型
项目
图示
滑块可能的运动情况
情景1
(1)可能一直加速
(2)可能先加速后匀速
情景2
(1)v0>v时,可能一直减速,也可能先减速再匀速
(2)v0
情景3
(1)传送带较短时,滑块一直减速达到左端
(2)传送带较长时,滑块还要被传送带传回右端。其中v0>v,返回时速度为v;当v0
2.倾斜传送带模型
项目
图示
滑块可能的运动情况
情景1
(1)可能一直加速
(2)可能先加速后匀速
情景2
(1)可能一直加速
(2)可能先加速后匀速
(3)可能先以a1加速后以a2加速
例6 (多选)如图所示,水平传送带A、B两端点相距x=4 m,以v0=2 m/s 的速度(始终保持不变)顺时针运转。今将一小煤块(可视为质点)无初速度地轻放至A点处,已知小煤块与传送带间的动摩擦因数为0.4, g取 10 m/s2。由于小煤块与传送带之间有相对滑动,会在传送带上留下划痕。则小煤块从A运动到B的过程中( )
A.小煤块从A运动到B的时间是 s
B.小煤块从A运动到B的时间是2.25 s
C.划痕长度是4 m
D.划痕长度是0.5 m
(1)小煤块在传送带上做什么运动?
提示:若加速到v0时的位移小于x,则先加速后匀速。若位移为x,速度未达到v0,则一直加速。
(2)划痕是小煤块以地面为参照物的位移吗?
提示:不是,是以传送带为参照物的位移。
尝试解答 选BD。
小煤块刚放上传送带后,加速度a=μg=4 m/s2,由v0=at1可知,小煤块加速到与传送带同速的时间为t1==0.5 s,此时小煤块运动的位移x1=t1=0.5 m,而传送带的位移为x2=v0t1=1 m,故小煤块在传送带上的划痕长度为l=x2-x1=0.5 m,D正确,C错误;之后的x-x1=3.5 m,小煤块匀速运动,故t2==1.75 s,故小煤块从A运动到B的时间t=t1+t2=2.25 s,A错误,B正确。
总结升华
解传送带问题的思维模板
1.如图甲所示,绷紧的水平传送带始终以恒定速度v1运行。初速度大小为v2的小物块从与传送带等高的光滑水平地面上的A处滑上传送带。若从小物块滑上传送带开始计时,小物块在传送带上运动的vt图象(以地面为参考系)如图乙所示。已知v2>v1,则( )
A.t2时刻,小物块离A处的距离达到最大
B.t2时刻,小物块相对传送带滑动的距离达到最大
C.0~t2时间内,小物块受到的摩擦力方向先向右后向左
D.0~t3时间内,小物块始终受到大小不变的摩擦力作用
答案 B
解析 小物块对地速度为零时,即t1时刻,向左离开A处最远,t2时刻,小物块相对传送带静止,此时不再相对传送带滑动,所以从开始到此刻,它相对传送带滑动的距离最大,A错误、B正确。0~t2时间内,小物块受到的摩擦力为滑动摩擦力,方向始终向右,大小不变,t2时刻以后小物块相对传送带静止,与传送带一起以速度v1匀速运动,不再受摩擦力作用,C、D错误。
2.如图所示,倾角为37°,长为l=16 m的传送带,转动速度为v=10 m/s,在传送带顶端A处无初速度的释放一个质量为m=0.5 kg的物体,已知物体与传送带间的动摩擦因数μ=0.5,g取10 m/s2。求:(sin37°=0.6,cos37°=0.8)
(1)传送带顺时针转动时,物体从顶端A滑到底端B的时间;
(2)传送带逆时针转动时,物体从顶端A滑到底端B的时间。
答案 (1)4 s (2)2 s
解析 (1)传送带顺时针转动时,物体相对传送带向下运动,则物体所受滑动摩擦力沿斜面向上,相对传送带向下匀加速运动,根据牛顿第二定律有:
mg(sin37°-μcos37°)=ma
则a=gsin37°-μgcos37°=2 m/s2,
根据l=at2得t=4 s。
(2)传送带逆时针转动,当物体下滑速度小于传送带转动速度时,物体相对传送带向上运动,则物体所受滑动摩擦力沿传送带向下,设物体的加速度大小为a1,由牛顿第二定律得mgsin37°+μmgcos37°=ma1
则有a1==10 m/s2
设当物体运动速度等于传送带转动速度时经历的时间为t1,位移为x1,则有
t1== s=1 s,
x1=a1t=5 m
当物体运动速度等于传送带速度瞬间,有mgsin37°>μmgcos37°,则下一时刻物体相对传送带向下运动,受到传送带向上的滑动摩擦力——摩擦力发生突变。设当物体下滑速度大于传送带转动速度时物体的加速度为a2,则
a2==2 m/s2
x2=l-x1=11 m
又因为x2=vt2+a2t,
则有10t2+t=11
解得:t2=1 s(t2=-11 s舍去)
所以t总=t1+t2=2 s。
1.模型构建
上、下叠放两个物体,并且两物体在摩擦力的相互作用下发生相对滑动。
2.模型条件
上、下叠放的两个物体分别在各自所受力的作用下完成各自的运动,且两者之间还有相对运动。
3.模型特点
(1)该模型存在判断是否存在速度相等的“临界点”,来判定临界速度之后两者的运动形式。
(2)两种位移关系,滑块由滑板的一端运动到另一端的过程中,若滑块和滑板同向运动,位移之差等于板长;反向运动时,位移之和等于板长。
[2018·吉林调研](多选)如图所示,在光滑的水平面上放置质量为m0的木板,在木板的左端有一质量为m的木块,在木块上施加一水平向右的恒力F,木块与木板由静止开始运动,经过时间t分离。下列说法正确的是( )
A.若仅增大木板的质量m0,则时间t增大
B.若仅增大木块的质量m,则时间t增大
C.若仅增大恒力F,则时间t增大
D.若仅增大木块与木板间的动摩擦因数μ,则时间t增大
[答案] BD
[解析] 根据牛顿第二定律得,木块的加速度a1==-μg,木板的加速度a2=,木块与木板分离,则有l=a1t2-a2t2得t= 。若仅增大木板的质量m0,木块的加速度不变,木板的加速度减小,则时间t减小,故A错误;若仅增大木块的质量m,则木块的加速度减小,木板的加速度增大,则t变大,故B正确;若仅增大恒力F,则木块的加速度变大,木板的加速度不变,则t变小,故C错误;若仅增大木块与木板间的动摩擦因数,则木块的加速度减小,木板的加速度增大,则t变大,故D正确。
名师点睛
滑块滑板类模型的思维模板
[2018·黑龙江大庆一模]如图,木板静止于水平地面上,在其最右端放一可视为质点的木块。已知木块的质量m=1 kg,木板的质量m0=4 kg,长l=2.5 m,上表面光滑,下表面与地面之间的动摩擦因数μ=0.2。现用水平恒力F=20 N拉木板,g取10 m/s2,求:
(1)木板的加速度;
(2)要使木块能滑离木板,水平恒力F作用的最短时间。
答案 (1)2.5 m/s2 (2)1 s
解析 (1)木板受到的摩擦力为Ff=μ(m0+m)g=10 N木板的加速度为a==2.5 m/s2。
(2)设拉力F作用t时间后撤去,木板的加速度为
a'=-
木板先做匀加速运动,后做匀减速运动,且有
a=-a'=2.5 m/s2
则有2×at2=l
联立并代入数据解得t=1 s,即F作用的最短时间是1 s。
板块三 限时规范特训
时间:45分钟 满分:100分
一、选择题(本题共10小题,每小题7分,共70分。其中1~6为单选,7~10为多选)
1.探究超重和失重规律时,一位体重为G的同学站在一个压力传感器上完成一次下蹲动作。传感器和计算机相连,经计算机处理后得到压力F随时间t变化的图象,则下列图象中可能正确的是( )
答案 D
解析 人在压力传感器上下蹲时,先加速下降,然后减速下降,即加速度方向先向下后向上,人先失重后超重,故D正确。
2.[2018·湖南株洲模拟]一质量为m的铝球用细线悬挂静止在足够深的油槽中(如图甲),某时刻剪断细线,铝球开始在油槽中下沉,通过传感器得到铝球的加速度随下沉速度变化的图象如图乙所示。下列说法正确的是( )
A.铝球刚开始运动的加速度a0=g
B.铝球下沉的速度将会一直增大
C.铝球下沉过程所受到油的阻力Ff=
D.铝球下沉过程机械能的减少等于克服油阻力所做功
答案 C
解析 刚开始释放时,小球受到竖直向下的重力和竖直向上的浮力作用,即a==g-<g,A错误;从题图乙中可知铝球做加速度减小的加速运动,速度越来越大,到达v0时,加速度为0,速度不再增大,B错误;开始释放时有mg-F浮=ma0,铝球下沉过程中受重力、阻力和浮力作用,由牛顿第二定律得,mg-F浮-Ff=ma,又由题图乙可得a=a0-v,联立以上各式解得,阻力Ff=,C正确;铝球下沉过程机械能的减少量等于克服油的阻力和浮力所做的功,故D错误。
3.[2017·洛阳统考]如图甲所示,一个质量为3 kg的物体放在粗糙水平地面上,从零时刻起,物体在水平力F作用下由静止开始做直线运动。在0~3 s时间内物体的加速度a随时间t的变化规律如图乙所示,则( )
A.F的最大值为12 N
B.0~1 s和2~3 s内物体加速度的方向相反
C.3 s末物体的速度最大,最大速度为8 m/s
D.在0~1 s内物体做匀加速运动,2~3 s内物体做匀减速运动
答案 C
解析 由a-t图象知加速度最大时a=4 m/s2,由牛顿第二定律F-μmg=ma知,F最大值大于12 N,A错误;0~1 s和2~3 s内,加速度均为正方向,B错误;3 s末速度最大,由a-t图面积知Δv=8 m/s,所以vmax=8 m/s,C正确;0~1 s和2~3 s内加速度a与速度v均同向都做加速运动,但a大小变化,所以不是匀加速,D错误。
4.如图所示,水平传送带A、B两端相距s=3.5 m,工件与传送带间的动摩擦因数μ=0.1,取重力加速度大小g=10 m/s2。工件滑上A端瞬时速度vA=4 m/s,达到B端的瞬时速度设为vB,则下列说法不正确的是( )
A.若传送带不动,则vB=3 m/s
B.若传送带以速度v=4 m/s逆时针匀速转动,则vB=3 m/s
C.若传送带以速度v=2 m/s顺时针匀速转动,则vB=3 m/s
D.若传送带以速度v=2 m/s顺时针匀速转动,则vB=2 m/s
答案 D
解析 工件在传送带上滑动时的加速度大小a==1 m/s2。若传送带不动,工件做匀减速运动,由v-v=2(-a)s,则vB=3 m/s,A正确;若传送带做逆时针匀速转动或传送带做顺时针匀速转动的速度不超过3 m/s,则工件在传送带上都是做匀减速运动,vB=3 m/s,B、C均正确,D错误。
5.如图甲所示,一轻质弹簧的下端固定在水平面上,上端叠放两个质量均为M的物体A、B(B物体与弹簧连接),弹簧的劲度系数为k,初始时物体处于静止状态。现用竖直向上的拉力F作用在物体A上,使物体A开始向上做加速度为a的匀加速运动,测得两个物体的vt图象如图乙所示(重力加速度为g),则( )
A.施加外力前,弹簧的形变量为
B.外力施加的瞬间,A、B间的弹力大小为M(g-a)
C.A、B在t1时刻分离,此时弹簧弹力恰好为零
D.弹簧恢复到原长时,物体B的速度达到最大值
答案 B
解析 施加外力F前,物体A、B整体平衡,根据平衡条件有2Mg=kx,解得x=,故A错误;施加外力F的瞬间,对物体B,根据牛顿第二定律有F弹-Mg-FAB=Ma,其中F弹=2Mg,解得FAB=M(g-a),故B正确;由题图乙知,物体A、B在t1时刻分离,此时A、B具有共同的v和a,且FAB=0,对B有F弹′-Mg=Ma,解得F弹′=M(g+a),故C错误;当F弹′=Mg时,B达到最大速度,故D错误。
6.[2017·大同模拟]如图所示,质量为M的长平板车放在光滑的倾角为α的斜面上,车上站着一质量为m的人,若要平板车静止在斜面上,车上的人必须( )
A.匀速向下奔跑
B.以加速度a=gsinα,向下加速奔跑
C.以加速度a=gsinα,向下加速奔跑
D.以加速度a=gsinα,向上加速奔跑
答案 C
解析 作出车的受力图,如图甲所示,求出人对车的摩擦力Ff=Mgsinα,作出人的受力图,如图乙,则mgsinα+Ff′=ma,且Ff′=Ff,解出a=gsinα。故C正确。
7.如图所示,甲、乙两车均在光滑的水平面上,质量都是M,人的质量都是m,甲车上人用力F推车,乙车上的人用等大的力F拉绳子(绳与轮的质量和摩擦均不计);人与车始终保持相对静止。下列说法正确的是( )
A.甲车的加速度大小为
B.甲车的加速度大小为0
C.乙车的加速度大小为
D.乙车的加速度大小为0
答案 BC
解析 对甲图中人和车组成的系统受力分析,在水平方向的合外力为0(人的推力F是内力),故a甲=0,A错误,B正确;在乙图中,人拉轻绳的力为F,则绳拉人和绳拉车的力均为F,对人和车组成的系统受力分析,水平合外力为2F,由牛顿第二定律知:a乙=,则C正确,D错误。
8.质量为m0的物体A放在粗糙水平桌面上,B为砂桶,A、B两物体通过跨接在光滑的定滑轮上的轻质细线连接,如图所示。开始时两物体均静止,砂桶B距地面的高度为h,然后逐渐向砂桶中加砂子,则下面说法正确的是( )
A.砂桶中加的砂子越多,细线上的拉力越大
B.砂桶中加的砂子越多,细线上的拉力可能越小
C.物体A发生滑动后,砂和砂桶的质量越大,细线上拉力越大
D.某次实验时,物体A的质量与砂和砂桶的总质量相等,若物体A沿桌面滑行的最远距离等于2h,则可以求出物体A与桌面的动摩擦因数
答案 ACD
解析 物体A发生滑动之前,细线上的拉力大小等于砂和砂桶的重力之和,物体A发生滑动后,设砂桶和砂子的总质量为m,加速度大小为a,对B有mg-FT=ma,对A有FT-μm0g=m0a,联立两式整理得FT=,m越大,拉力越大,故A、C正确,B错误;分析物体A的整个运动过程,加速阶段和减速阶段的位移大小均为h,知加速与减速过程的加速度大小相等,根据mg-FT=ma,FT-μm0g=m0a和a=μg,可求出动摩擦因数μ,D正确。
9.如图甲所示,水平面上有一倾角为θ的光滑斜面,斜面上用一平行于斜面的轻质细绳系一质量为m的小球。斜面以加速度a水平向右做匀加速直线运动,当系统稳定时,细绳对小球的拉力和斜面对小球的支持力分别为T和FN。若Ta图象如图乙所示,AB是直线,BC为曲线,重力加速度为g=10 m/s2。则( )
A.a= m/s2时,FN=0
B.小球质量m=0.1 kg
C.斜面倾角θ的正切值为
D.小球离开斜面之前,FN=0.8+0.06a(N)
答案 ABC
解析 小球离开斜面之前,以小球为研究对象,进行受力分析,可得Tcosθ-FNsinθ=ma,Tsinθ+FNcosθ=mg,联立解得FN=mgcosθ-masinθ,T=macosθ+mgsinθ,所以小球离开斜面之前,Ta图象呈线性关系,由题图乙可知a= m/s2时,FN=0,A正确;当a=0时,T=0.6 N,此时小球静止在斜面上,其受力如图1所示,所以mgsinθ=T;当a= m/s2时,斜面对小球的支持力恰好为零,其受力如图2所示,所以=ma,联立可得tanθ=,m=0.1 kg,B、C正确;将θ和m的值代入FN=mgcosθ-masinθ,得FN=0.8-0.06a(N),D错误。
10.如图所示,质量均为m的A、B两物块置于光滑水平地面上,A、B接触面光滑,倾角为θ。现分别以水平恒力F作用于A物块上,保持A、B相对静止共同运动,则下列说法正确的是( )
A.采用甲方式比采用乙方式的最大加速度大
B.两种情况下获取的最大加速度相同
C.两种情况下所加的最大推力相同
D.采用乙方式可用的最大推力大于采用甲方式的最大推力
答案 BC
解析 F作用于题图甲中A时,F最大时,A刚要离开地面,A受力如图甲,FN1cosθ=mg,对B:FN1sinθ=ma1;F作用于题图乙中A时,F最大时,B刚要离开地面,B受力如图乙,FN2cosθ=mg,FN2sinθ=ma2,可见FN2=FN1,a2=a1,对整体易知两种情况下所加的最大推力相同,选项B、C正确。
二、非选择题(本题共2小题,共30分)
11.[2018·青海西宁联考](12分)如图所示,有一长度x=1 m、质量m0 =10 kg的平板小车,静止在光滑的水平面上,在小车一端放置一质量m=4 kg的物块,物块与小车间的动摩擦因数μ=0.25,要使物块在2 s内运动到小车的另一端,求作用在物块上的水平力F是多少?(g取10 m/s2)
答案 16 N
解析 小车和物块的运动情况如图所示,在物块运动到小车右端的过程中,小车发生的位移为x1,物块发生的位移为x2,取向右为正,以小车为研究对象,由牛顿第二定律得μmg=m0a1①
由匀变速运动的公式得x1=a1t2②
以物块为研究对象,由牛顿第二定律得
F-μmg=ma2③
由匀变速运动的公式得x2=a2t2④
由题意得x2-x1=x⑤
由①②③④⑤代入数据得F=16 N。
12. [2017·保定一模](18分)一长木板静止在水平地面上,在t=0时刻,一小滑块以某一速度滑到木板上表面,经过2 s滑块和木板同时停下,滑块始终在木板上。木板运动的速度随时间变化的图象如图所示,已知木板和滑块的质量均为0.1 kg,重力加速度g取10 m/s2,最大静摩擦力等于滑动摩擦力,根据图象信息解答下面问题:
(1)求出木板和滑块间的动摩擦因数;
(2)滑块刚滑到木板上时的速度多大?
(3)求整个过程中滑块和木板之间产生的热量。
答案 (1)μ=0.3 (2)v0=4 m/s (3)Q=0.6 J
解析 (1)由图象求得0~1 s木板加速度大小
a1=1 m/s2
1~2 s木板与滑块整体加速度大小a2=1 m/s2
木板与地面间摩擦力大小F=2ma2=0.2 N
设木板和滑块间的动摩擦因数为μ,在0~1 s内
μmg-F=ma1
代入数据解得μ=0.3
(2)滑块在滑上木板0~1 s过程中μmg=ma
v0-at=v
由图象可得v0=4 m/s
(3)由图象可知,从开始到木板与滑块共速过程的位移
s木=0.5 m
s块=×1 m=2.5 m
设滑块和木板之间产生的热量为Q,热量只在0~1 s的过程中产生
Q=μmg(s块-s木)
代入数据解得Q=0.6 J。
板块一 主干梳理·夯实基础
【知识点1】 超重和失重 Ⅰ
1.实重与视重
(1)实重:物体实际所受的重力,与物体的运动状态无关。
(2)视重:①当物体挂在弹簧测力计下或放在水平台秤上时,弹簧测力计或台秤的示数称为视重。
②视重大小等于弹簧测力计所受物体的拉力或台秤所受物体的压力。
2.超重、失重和完全失重的比较
【知识点2】 牛顿定律的应用 Ⅱ
整体法和隔离法
(1)整体法
当连接体内(即系统内)各物体的加速度相同时,可以把系统内的所有物体看成一个整体,分析其受力和运动情况,运用牛顿第二定律对整体列方程求解的方法。
(2)隔离法
当求系统内物体间相互作用的内力时,常把某个物体从系统中隔离出来,分析其受力和运动情况,再用牛顿第二定律对隔离出来的物体列方程求解的方法。
板块二 考点细研·悟法培优
考点1 对超重和失重的理解 [深化理解]
1.判断方法
不管物体的加速度是不是竖直方向,只要其加速度在竖直方向上有分量,物体就会处于超重或失重状态。
2.易错易混点拨
(1)超重并不是重力增加了,失重并不是重力减小了,完全失重也不是重力完全消失了。在发生这些现象时,物体的重力依然存在,且不发生变化,只是物体对支持物的压力(或对悬挂物的拉力)发生变化。
(2)在完全失重的状态下,平常一切由重力产生的物理现象都会完全消失,如天平失效、浸在水中的物体不再受浮力、液体柱不再产生压强等。
例1 [2014·北京高考]应用物理知识分析生活中的常见现象,可以使物理学习更加有趣和深入。例如平伸手掌托起物体,由静止开始竖直向上运动,直至将物体抛出。对此现象分析正确的是( )
A.手托物体向上运动的过程中,物体始终处于超重状态
B.手托物体向上运动的过程中,物体始终处于失重状态
C.在物体离开手的瞬间,物体的加速度大于重力加速度
D.在物体离开手的瞬间,手的加速度大于重力加速度
(1)手托物体向上运动的过程,始终加速吗?
提示:不是,可以减速。
(2)物体离开手的瞬间,受什么力的作用?
提示:只受重力作用。
尝试解答 选D。
手托物体抛出的过程,必有一段加速过程,其后可以减速,可以匀速,当手和物体匀速运动时,物体既不超重也不失重;当手和物体减速运动时,物体处于失重状态,选项A错误;物体从静止到运动,必有一段加速过程,此过程物体处于超重状态,选项B错误;当物体离开手的瞬间,物体只受重力,此时物体的加速度等于重力加速度,选项C错误;手和物体分离之前速度相同,分离之后手速度的变化率比物体速度的变化率大,物体离开手的瞬间,手的加速度大于重力加速度,故D正确。
总结升华
判断超重和失重现象的技巧
首先对物体的运动状态进行分析,其次判断加速度的方向。当物体具有向上的加速度(或具有向上的加速度分量)时处于超重状态,具有向下的加速度(或具有向下的加速度分量)时处于失重状态,向下的加速度为重力加速度时处于完全失重状态。如手托物体竖直向上抛出必有一段加速过程,且加速度向上,物体处于超重状态。
(多选)如图所示是某同学站在力传感器上做下蹲—起立的动作时记录的压力F随时间t变化的图线。由图线可知该同学( )
A.体重约为650 N
B.做了两次下蹲—起立的动作
C.做了一次下蹲—起立的动作,且下蹲后约2 s起立
D.下蹲过程中先处于超重状态后处于失重状态
答案 AC
解析 做下蹲—起立的动作时,下蹲过程中先向下加速后向下减速,因此先处于失重状态后处于超重状态,D错误;由图线可知,第一次下蹲4 s末结束,到6 s末开始起立,所以A、C正确,B错误。
考点2 整体法和隔离法解决连接体问题 [拓展延伸]
1.整体法的选取原则
若连接体内各物体具有相同的加速度,且不需要求物体之间的作用力,可以把它们看成一个整体,分析整体受到的合外力,应用牛顿第二定律求出加速度(或其他未知量)。
2.隔离法的选取原则
若连接体内各物体的加速度不相同,或者要求出系统内各物体之间的作用力时,就需要把物体从系统中隔离出来,应用牛顿第二定律列方程求解。
3.整体法、隔离法的交替运用
若连接体内各物体具有相同的加速度,且要求物体之间的作用力时,可以先用整体法求出加速度,然后再用隔离法选取合适的研究对象,应用牛顿第二定律求作用力。即“先整体求加速度,后隔离求内力”。若已知物体之间的作用力,则“先隔离求加速度,后整体求外力”。
例2 [2018·甘肃五市一模]如图所示,在水平面上,有两个质量分别为m1和m2的物体A、B与水平面的动摩擦因数均为μ,m1>m2,A、B间水平连接着一轻质弹簧测力计。若用大小为F的水平力向右拉B,稳定后B的加速度大小为a1,弹簧测力计示数为F1;如果改用大小为F的水平力向左拉A,稳定后A的加速度大小为a2,弹簧测力计示数为F2。则以下关系式正确的是( )
A.a1=a2,F1>F2 B.a1=a2,F1<F2
C.a1=a2,F1=F2 D.a1>a2,F1>F2
(1)两种情况下整体受的合外力大小是否相同?
提示:相同。
(2)F1、F2的大小与μ有关吗?
提示:无关。
尝试解答 选A。
以整体为研究对象,根据牛顿第二定律得
F-μ(m1+m2)g=(m1+m2)a1
F-μ(m1+m2)g=(m1+m2)a2
得到a1=a2
当F拉B时,以A为研究对象,则有F1-μm1g=m1a1
得到F1=F
同理,当F拉A时,以B为研究对象
得到F1=F
由于m1>m2,则F1>F2
所以A正确,B、C、D错误。
总结升华
涉及整体法和隔离法的具体类型
(1)通过滑轮和绳的连接体问题:若要求绳的拉力,一般都必须采用隔离法。绳跨过定滑轮,连接的两物体虽然加速度大小相同但方向不同,故采用隔离法。
(2)水平面上的连接体问题:这类问题一般多是连接体(系统)中各物体保持相对静止,即具有相同的加速度。解题时,一般整体法、隔离法交替应用。
(3)斜面体与上面物体组成的系统的问题:当物体具有沿斜面方向的加速度,而斜面体相对于地面静止时,解题时一般采用隔离法分析。
1.如图所示,一夹子夹住木块,在力F作用下向上提升。夹子和木块的质量分别为m1、m2,夹子与木块两侧间的最大静摩擦力均为Ff。若木块不滑动,力F的最大值是( )
A.
B.
C.-(m1+m2)g
D.+(m1+m2)g
答案 A
解析 设夹子与木块两侧间的最大静摩擦力均为Ff,木块向上运动的最大加速度为a,对木块受力分析,满足2Ff-m2g=m2a,得a=,对整体受力分析可知,力F的最大值由F-(m1+m2)g=(m1+m2)a求得,整理可得F=,故A正确。
2.[2018·哈尔滨三中模拟](多选)如图所示,光滑水平面上放置着四个相同的木块,其中木块B与C之间用一轻弹簧相连,轻弹簧始终在弹性限度内。现用水平拉力F拉B木块,使四个木块以相同的加速度一起加速运动,则以下说法正确的是( )
A.一起加速过程中,C木块受到四个力的作用
B.一起加速过程中,D所受到的静摩擦力大小为
C.一起加速过程中,A、D木块所受摩擦力大小和方向相同
D.当F撤去瞬间,A、D木块所受静摩擦力的大小和方向都不变
答案 BC
解析 在水平拉力F的作用下,四个木块以相同的加速度一起加速运动,则由牛顿第二定律可知,对整体有F=4ma,对A、D木块有fA=fD=ma,解得A、D木块所受摩擦力大小fA=fD=,方向均水平向右,故B、C正确;一起加速过程中,C木块受到重力、D木块对它的压力和静摩擦力、地面支持力及弹簧的弹力,共五个力的作用,故A错误;当F撤去瞬间,D木块所受静摩擦力的大小和方向均不变,而A木块所受静摩擦力的大小不变但反向,故D错误。
考点3 动力学中的临界、极值问题 [解题技巧]
1.动力学中的临界极值问题
在应用牛顿运动定律解决动力学问题中,当物体运动的加速度不同时,物体有可能处于不同的状态,特别是题目中出现“最大”“最小”“刚好”等词语时,往往会有临界值出现。
2.产生临界问题的条件
(1)接触与脱离的临界条件:两物体相接触或脱离,临界条件是:弹力FN=0。
(2)相对滑动的临界条件:两物体相接触且处于相对静止时,常存在着静摩擦力,则相对滑动的临界条件是:静摩擦力达到最大值。
(3)绳子断裂与松弛的临界条件:绳子所能承受的张力是有限的,绳子断与不断的临界条件是绳中张力等于它所能承受的最大张力,绳子松弛的临界条件是FT=0。
(4)加速度最大与速度最大的临界条件:当物体在受到变化的外力作用下运动时,其加速度和速度都会不断变化,当所受合外力最大时,具有最大加速度;合外力最小时,具有最小加速度。当加速度等于零时,速度最大。
例3 [2018·淮安质检]将质量为m的圆环套在固定的水平直杆上,环的直径略大于杆的截面直径,环与杆间的动摩擦因数为μ,对环施加一位于竖直平面内斜向上且与杆夹角为θ的拉力F,使圆环以加速度a沿杆运动,则F的大小不可能是( )
A. B.
C. D.
(1)圆环向右加速,摩擦力的有无及大小确定吗?弹力的大小、方向确定吗?
提示:摩擦力可能有,也可能无。弹力可能无,存在弹力时,其方向有两种可能。
(2)本题临界点是什么?
提示:环与杆间刚好无弹力、无摩擦力。
尝试解答 选C。
对环受力分析,受重力、拉力、弹力和摩擦力。其中弹力可能向上,也可能向下,也可能等于0。
(1)若环受到的弹力为0,则:
Fcosθ=ma,Fsinθ=mg
解得:F=或F=。
(2)若环受到的弹力的方向向上,则:
Fcosθ-μ(mg-Fsinθ)=ma
所以:F=。
(3)若环受到的弹力的方向向下,则:
Fcosθ-μ(Fsinθ-mg)=ma
所以:F=。
所以A、B、D可能,C不可能,选C。
总结升华
叠加体系统临界问题的求解思路
如图所示,质量均为m的A、B两物体叠放在竖直弹簧上并保持静止,用大小等于mg的恒力F向上拉B,运动距离h时,B与A分离,下列说法正确的是( )
A.B和A刚分离时,弹簧长度等于原长
B.B和A刚分离时,它们的加速度为g
C.弹簧的劲度系数等于
D.在B和A分离前,它们做匀加速直线运动
答案 C
解析 B和A刚分离时,恒力F=mg,B的加速度为零,弹簧对A向上的弹力等于重力,A的加速度也为零,弹簧处于压缩状态,A、B错误。B和A刚分离时,弹簧弹力大小为mg,开始静止时弹簧弹力大小为2mg,则弹力减少量ΔF=mg,两物体向上运动的距离为h,则弹簧压缩量减少Δx=h,所以弹簧的劲度系数k=,C正确;在B和A分离之前对AB整体为研究对象,重力2mg不变,弹力在减小,合力减小,整体加速度在减小,AB做变加速运动,D错误。
考点4 应用牛顿运动定律解决多过程问题 [拓展延伸]
1.多过程问题
很多动力学问题中涉及物体有两个或多个连续的运动过程,在物体不同的运动阶段,物体的运动情况和受力情况都发生了变化,这类问题称为牛顿运动定律中的多过程问题。
2.类型
多过程问题可根据涉及物体的多少分为单体多过程问题和多体多过程问题。
例4 如图甲所示,为一倾角θ=37°的足够长斜面,将一质量为m=1 kg的物体无初速度在斜面上释放,同时施加一沿斜面向上的拉力,拉力随时间变化的关系图象如图乙所示,物体与斜面间的动摩擦因数μ=0.25,取g=10 m/s2, sin37°=0.6,cos37°=0.8,求:
(1)2 s末物体的速度;
(2)前16 s内物体发生的位移。
(1)物体在0~16 s间共参与了几种运动?
提示:3种。
(2)物体速度减小为零以后会做反方向的匀加速直线运动吗?
提示:不会。
尝试解答 (1)5_m/s,方向沿斜面向下__(2)30_m,方向沿斜面向下。
(1)由分析可知物体在前2 s内沿斜面向下做初速度为零的匀加速直线运动,由牛顿第二定律可得
mgsinθ-F1-μmgcosθ=ma1
v1=a1t1
代入数据可得
a1=2.5 m/s2,方向沿斜面向下
v1=5 m/s,方向沿斜面向下。
(2)物体在前2 s内发生的位移为x1,则
x1=a1t=5 m,方向沿斜面向下
当拉力为F2=4.5 N时,由牛顿第二定律可得
F2+μmgcosθ-mgsinθ=ma2
代入数据可得a2=0.5 m/s2,方向沿斜面向上
物体经过t2时间速度减为0,则v1=a2t2
得t2=10 s
t2时间内发生的位移为x2,则
x2=a2t=25 m,方向沿斜面向下
由于mgsinθ-μmgcosθ
总结升华
应用牛顿运动定律解决多过程问题的策略
(1)任何多过程的复杂物理问题都是由很多简单的小过程构成,有些是承上启下,上一过程的结果是下一过程的已知,这种情况,一步一步完成即可。
(2)有些是树枝型,告诉的只是旁支,要求的是主干(或另一旁支),这就要求仔细审题,找出各过程的关联,按顺序逐个分析;对于每一个研究过程,选择什么规律,应用哪一个运动学公式要明确。
(3)注意两个过程的连接处,加速度可能突变,但速度不会突变,速度是联系前后两个阶段的桥梁。
1. (多选)如图所示,一个厚度不计的圆环A,紧套在长度为L的圆柱体B的上端,A、B两者的质量均为m。A与B之间的最大静摩擦力与滑动摩擦力相同,其大小为kmg(k>1)。A、B一起由离地H高处由静止开始落下,触地后能竖直向上弹起,触地时间极短,且无能量损失。A环运动过程中未落地。则下列说法正确的是( )
A.B与地第一次碰撞后,B上升的最大高度是
B.B与地第一次碰撞后,B上升的最大高度是
C.B与地第一次碰撞后,当A与B刚相对静止时,B下端离地面的高度是
D.B与地第一次碰撞后,当A与B刚相对静止时,B下端离地面的高度是
答案 AC
解析 刚开始A、B一起做自由落体运动可算出B与地面碰撞前的速度为v=,对B来说碰撞后以速度v向上做匀减速运动,其加速度为aB,由mg+kmg=maB得aB=(k+1)g,B上升的最大高度为H1==,A正确,B错误;对A来说碰撞后的加速度为aA,由kmg-mg=maA得aA=(k-1)g,方向竖直向上。当A、B速度相等时,两者相对静止。设经时间t后,两者速度相等,有v-aAt=-(v-aBt),t= ,所以B与地第一次碰撞后,当A与B刚相对静止时,B下端离地面的高度为H1′=vt-aBt2=,C正确,D错误。
2.[2018·福州一模]如图甲所示,质量m=1 kg的物块在平行斜面向上的拉力F作用下从静止开始沿斜面向上运动,t=0.5 s时撤去拉力,利用速度传感器得到其速度随时间的变化关系图象(vt图象)如图乙所示,g取10 m/s2,求:
(1)2 s内物块的位移大小x和通过的路程L;
(2)沿斜面向上运动两个阶段加速度大小a1、a2和拉力大小F。
答案 (1)0.5 m 1.5 m (2)4 m/s2 4 m/s2 8 N
解析 (1)由题图乙易得,物块上升的位移:
x1=×2×1 m=1 m;
物块下滑的距离:
x2=×1×1 m=0.5 m
位移x=x1-x2=1 m-0.5 m=0.5 m
路程L=x1+x2=1 m+0.5 m=1.5 m
(2)由题图乙知,各阶段加速度
a1= m/s2=4 m/s2
a2= m/s2=-4 m/s2,|a2|=4 m/s2
设斜面倾角为θ,斜面对物块的摩擦力为Ff,根据牛顿第二定律0~0.5 s内F-Ff-mgsinθ=ma1;
0.5~1 s内-Ff-mgsinθ=ma2;
联立解得:F=8 N。
考点5 加速度不同时整体法的应用 [解题技巧]
大多数情况下,当两物体加速度相同时才考虑整体法,加速度不同时,考虑隔离法。实际上加速度不同时,也可以用整体法,只是此时整体法的含义有所改变。
当两个或两个以上物体以不同形式连接,构成一个系统,且系统内各物体加速度不相同时,牛顿第二定律照样能应用于整体。若质量为m1,m2,…,mn的物体组成系统,它们的加速度分别为a1,a2,…,an,牛顿第二定律可写为:
F=m1a1+m2a2+…+mnan
或Fx=m1a1x+m2a2x+…+mnanx
Fy=m1a1y+m2a2y+…+mnany
其意义为系统受的合外力等于系统内的每一个物体受的合外力的矢量和,或某个方向上,系统受的合外力等于系统内的每一个物体在这个方向上受的合外力的矢量和。
例5 如图所示,一质量为M的楔形木块A放在水平桌面上,它的顶角为90°,两底角分别为α和β; a、b为两个位于斜面上质量均为m的小木块,已知所有接触面都光滑的,现发现a、b沿斜面下滑,而楔形木块静止不动,这时楔形木块对水平桌面的压力等于( )
A.Mg+mg B.Mg+2mg
C.Mg+mg(sinα+sinβ) D.Mg+mg(cosα+cosβ)
求解A对桌面的压力,需在哪个方向上对物体进行受力分析?
提示:竖直方向。
尝试解答 选A。
取a、b、A整体为研究对象,其竖直方向受力情况及系统内各物体运动状态如图所示。
以竖直向上为正方向,在竖直方向上由牛顿第二定律得:
FN-(M+2m)g=M·0+ma1y+ma2y
其中,a1y=-gsin2α,a2y=-gsin2β
得水平桌面对楔形木块的支持力FN=Mg+mg,
由牛顿第三定律得A正确。
[2018·河南洛阳模拟]如图所示的装置中,重为4 N的物块用一平行于斜面的细线拴在斜面上端的小柱上,整个装置被固定在测力计上并保持静止,斜面的倾角为30°。如果物块与斜面间无摩擦,装置稳定以后,在烧断细线物块下滑时测力计的读数与稳定时比较( )
A.增大4 N B.增大3 N
C.减少1 N D.不变
答案 C
解析 设物块的质量为m,斜面质量为m1,整个装置静止时,测力计读数为m1g+mg=m1g+4 N。物块下滑的加速度a1=gsinθ=g,方向沿斜面向下,其竖直分量a1=asinθ=g,所以物块处于失重状态,其视重为mg=3 N,测力计的读数为m1g+3 N,所以测力计的示数减小1 N,故选C。
考点6 传送带模型 [解题技巧]
1.水平传送带模型
项目
图示
滑块可能的运动情况
情景1
(1)可能一直加速
(2)可能先加速后匀速
情景2
(1)v0>v时,可能一直减速,也可能先减速再匀速
(2)v0
(1)传送带较短时,滑块一直减速达到左端
(2)传送带较长时,滑块还要被传送带传回右端。其中v0>v,返回时速度为v;当v0
项目
图示
滑块可能的运动情况
情景1
(1)可能一直加速
(2)可能先加速后匀速
情景2
(1)可能一直加速
(2)可能先加速后匀速
(3)可能先以a1加速后以a2加速
例6 (多选)如图所示,水平传送带A、B两端点相距x=4 m,以v0=2 m/s 的速度(始终保持不变)顺时针运转。今将一小煤块(可视为质点)无初速度地轻放至A点处,已知小煤块与传送带间的动摩擦因数为0.4, g取 10 m/s2。由于小煤块与传送带之间有相对滑动,会在传送带上留下划痕。则小煤块从A运动到B的过程中( )
A.小煤块从A运动到B的时间是 s
B.小煤块从A运动到B的时间是2.25 s
C.划痕长度是4 m
D.划痕长度是0.5 m
(1)小煤块在传送带上做什么运动?
提示:若加速到v0时的位移小于x,则先加速后匀速。若位移为x,速度未达到v0,则一直加速。
(2)划痕是小煤块以地面为参照物的位移吗?
提示:不是,是以传送带为参照物的位移。
尝试解答 选BD。
小煤块刚放上传送带后,加速度a=μg=4 m/s2,由v0=at1可知,小煤块加速到与传送带同速的时间为t1==0.5 s,此时小煤块运动的位移x1=t1=0.5 m,而传送带的位移为x2=v0t1=1 m,故小煤块在传送带上的划痕长度为l=x2-x1=0.5 m,D正确,C错误;之后的x-x1=3.5 m,小煤块匀速运动,故t2==1.75 s,故小煤块从A运动到B的时间t=t1+t2=2.25 s,A错误,B正确。
总结升华
解传送带问题的思维模板
1.如图甲所示,绷紧的水平传送带始终以恒定速度v1运行。初速度大小为v2的小物块从与传送带等高的光滑水平地面上的A处滑上传送带。若从小物块滑上传送带开始计时,小物块在传送带上运动的vt图象(以地面为参考系)如图乙所示。已知v2>v1,则( )
A.t2时刻,小物块离A处的距离达到最大
B.t2时刻,小物块相对传送带滑动的距离达到最大
C.0~t2时间内,小物块受到的摩擦力方向先向右后向左
D.0~t3时间内,小物块始终受到大小不变的摩擦力作用
答案 B
解析 小物块对地速度为零时,即t1时刻,向左离开A处最远,t2时刻,小物块相对传送带静止,此时不再相对传送带滑动,所以从开始到此刻,它相对传送带滑动的距离最大,A错误、B正确。0~t2时间内,小物块受到的摩擦力为滑动摩擦力,方向始终向右,大小不变,t2时刻以后小物块相对传送带静止,与传送带一起以速度v1匀速运动,不再受摩擦力作用,C、D错误。
2.如图所示,倾角为37°,长为l=16 m的传送带,转动速度为v=10 m/s,在传送带顶端A处无初速度的释放一个质量为m=0.5 kg的物体,已知物体与传送带间的动摩擦因数μ=0.5,g取10 m/s2。求:(sin37°=0.6,cos37°=0.8)
(1)传送带顺时针转动时,物体从顶端A滑到底端B的时间;
(2)传送带逆时针转动时,物体从顶端A滑到底端B的时间。
答案 (1)4 s (2)2 s
解析 (1)传送带顺时针转动时,物体相对传送带向下运动,则物体所受滑动摩擦力沿斜面向上,相对传送带向下匀加速运动,根据牛顿第二定律有:
mg(sin37°-μcos37°)=ma
则a=gsin37°-μgcos37°=2 m/s2,
根据l=at2得t=4 s。
(2)传送带逆时针转动,当物体下滑速度小于传送带转动速度时,物体相对传送带向上运动,则物体所受滑动摩擦力沿传送带向下,设物体的加速度大小为a1,由牛顿第二定律得mgsin37°+μmgcos37°=ma1
则有a1==10 m/s2
设当物体运动速度等于传送带转动速度时经历的时间为t1,位移为x1,则有
t1== s=1 s,
x1=a1t=5 m
a2==2 m/s2
x2=l-x1=11 m
又因为x2=vt2+a2t,
则有10t2+t=11
解得:t2=1 s(t2=-11 s舍去)
所以t总=t1+t2=2 s。
1.模型构建
上、下叠放两个物体,并且两物体在摩擦力的相互作用下发生相对滑动。
2.模型条件
上、下叠放的两个物体分别在各自所受力的作用下完成各自的运动,且两者之间还有相对运动。
3.模型特点
(1)该模型存在判断是否存在速度相等的“临界点”,来判定临界速度之后两者的运动形式。
(2)两种位移关系,滑块由滑板的一端运动到另一端的过程中,若滑块和滑板同向运动,位移之差等于板长;反向运动时,位移之和等于板长。
[2018·吉林调研](多选)如图所示,在光滑的水平面上放置质量为m0的木板,在木板的左端有一质量为m的木块,在木块上施加一水平向右的恒力F,木块与木板由静止开始运动,经过时间t分离。下列说法正确的是( )
A.若仅增大木板的质量m0,则时间t增大
B.若仅增大木块的质量m,则时间t增大
C.若仅增大恒力F,则时间t增大
D.若仅增大木块与木板间的动摩擦因数μ,则时间t增大
[答案] BD
[解析] 根据牛顿第二定律得,木块的加速度a1==-μg,木板的加速度a2=,木块与木板分离,则有l=a1t2-a2t2得t= 。若仅增大木板的质量m0,木块的加速度不变,木板的加速度减小,则时间t减小,故A错误;若仅增大木块的质量m,则木块的加速度减小,木板的加速度增大,则t变大,故B正确;若仅增大恒力F,则木块的加速度变大,木板的加速度不变,则t变小,故C错误;若仅增大木块与木板间的动摩擦因数,则木块的加速度减小,木板的加速度增大,则t变大,故D正确。
名师点睛
滑块滑板类模型的思维模板
[2018·黑龙江大庆一模]如图,木板静止于水平地面上,在其最右端放一可视为质点的木块。已知木块的质量m=1 kg,木板的质量m0=4 kg,长l=2.5 m,上表面光滑,下表面与地面之间的动摩擦因数μ=0.2。现用水平恒力F=20 N拉木板,g取10 m/s2,求:
(1)木板的加速度;
(2)要使木块能滑离木板,水平恒力F作用的最短时间。
答案 (1)2.5 m/s2 (2)1 s
解析 (1)木板受到的摩擦力为Ff=μ(m0+m)g=10 N木板的加速度为a==2.5 m/s2。
(2)设拉力F作用t时间后撤去,木板的加速度为
a'=-
木板先做匀加速运动,后做匀减速运动,且有
a=-a'=2.5 m/s2
则有2×at2=l
联立并代入数据解得t=1 s,即F作用的最短时间是1 s。
板块三 限时规范特训
时间:45分钟 满分:100分
一、选择题(本题共10小题,每小题7分,共70分。其中1~6为单选,7~10为多选)
1.探究超重和失重规律时,一位体重为G的同学站在一个压力传感器上完成一次下蹲动作。传感器和计算机相连,经计算机处理后得到压力F随时间t变化的图象,则下列图象中可能正确的是( )
答案 D
解析 人在压力传感器上下蹲时,先加速下降,然后减速下降,即加速度方向先向下后向上,人先失重后超重,故D正确。
2.[2018·湖南株洲模拟]一质量为m的铝球用细线悬挂静止在足够深的油槽中(如图甲),某时刻剪断细线,铝球开始在油槽中下沉,通过传感器得到铝球的加速度随下沉速度变化的图象如图乙所示。下列说法正确的是( )
A.铝球刚开始运动的加速度a0=g
B.铝球下沉的速度将会一直增大
C.铝球下沉过程所受到油的阻力Ff=
D.铝球下沉过程机械能的减少等于克服油阻力所做功
答案 C
解析 刚开始释放时,小球受到竖直向下的重力和竖直向上的浮力作用,即a==g-<g,A错误;从题图乙中可知铝球做加速度减小的加速运动,速度越来越大,到达v0时,加速度为0,速度不再增大,B错误;开始释放时有mg-F浮=ma0,铝球下沉过程中受重力、阻力和浮力作用,由牛顿第二定律得,mg-F浮-Ff=ma,又由题图乙可得a=a0-v,联立以上各式解得,阻力Ff=,C正确;铝球下沉过程机械能的减少量等于克服油的阻力和浮力所做的功,故D错误。
3.[2017·洛阳统考]如图甲所示,一个质量为3 kg的物体放在粗糙水平地面上,从零时刻起,物体在水平力F作用下由静止开始做直线运动。在0~3 s时间内物体的加速度a随时间t的变化规律如图乙所示,则( )
A.F的最大值为12 N
B.0~1 s和2~3 s内物体加速度的方向相反
C.3 s末物体的速度最大,最大速度为8 m/s
D.在0~1 s内物体做匀加速运动,2~3 s内物体做匀减速运动
答案 C
解析 由a-t图象知加速度最大时a=4 m/s2,由牛顿第二定律F-μmg=ma知,F最大值大于12 N,A错误;0~1 s和2~3 s内,加速度均为正方向,B错误;3 s末速度最大,由a-t图面积知Δv=8 m/s,所以vmax=8 m/s,C正确;0~1 s和2~3 s内加速度a与速度v均同向都做加速运动,但a大小变化,所以不是匀加速,D错误。
4.如图所示,水平传送带A、B两端相距s=3.5 m,工件与传送带间的动摩擦因数μ=0.1,取重力加速度大小g=10 m/s2。工件滑上A端瞬时速度vA=4 m/s,达到B端的瞬时速度设为vB,则下列说法不正确的是( )
A.若传送带不动,则vB=3 m/s
B.若传送带以速度v=4 m/s逆时针匀速转动,则vB=3 m/s
C.若传送带以速度v=2 m/s顺时针匀速转动,则vB=3 m/s
D.若传送带以速度v=2 m/s顺时针匀速转动,则vB=2 m/s
答案 D
解析 工件在传送带上滑动时的加速度大小a==1 m/s2。若传送带不动,工件做匀减速运动,由v-v=2(-a)s,则vB=3 m/s,A正确;若传送带做逆时针匀速转动或传送带做顺时针匀速转动的速度不超过3 m/s,则工件在传送带上都是做匀减速运动,vB=3 m/s,B、C均正确,D错误。
5.如图甲所示,一轻质弹簧的下端固定在水平面上,上端叠放两个质量均为M的物体A、B(B物体与弹簧连接),弹簧的劲度系数为k,初始时物体处于静止状态。现用竖直向上的拉力F作用在物体A上,使物体A开始向上做加速度为a的匀加速运动,测得两个物体的vt图象如图乙所示(重力加速度为g),则( )
A.施加外力前,弹簧的形变量为
B.外力施加的瞬间,A、B间的弹力大小为M(g-a)
C.A、B在t1时刻分离,此时弹簧弹力恰好为零
D.弹簧恢复到原长时,物体B的速度达到最大值
答案 B
解析 施加外力F前,物体A、B整体平衡,根据平衡条件有2Mg=kx,解得x=,故A错误;施加外力F的瞬间,对物体B,根据牛顿第二定律有F弹-Mg-FAB=Ma,其中F弹=2Mg,解得FAB=M(g-a),故B正确;由题图乙知,物体A、B在t1时刻分离,此时A、B具有共同的v和a,且FAB=0,对B有F弹′-Mg=Ma,解得F弹′=M(g+a),故C错误;当F弹′=Mg时,B达到最大速度,故D错误。
6.[2017·大同模拟]如图所示,质量为M的长平板车放在光滑的倾角为α的斜面上,车上站着一质量为m的人,若要平板车静止在斜面上,车上的人必须( )
A.匀速向下奔跑
B.以加速度a=gsinα,向下加速奔跑
C.以加速度a=gsinα,向下加速奔跑
D.以加速度a=gsinα,向上加速奔跑
答案 C
解析 作出车的受力图,如图甲所示,求出人对车的摩擦力Ff=Mgsinα,作出人的受力图,如图乙,则mgsinα+Ff′=ma,且Ff′=Ff,解出a=gsinα。故C正确。
7.如图所示,甲、乙两车均在光滑的水平面上,质量都是M,人的质量都是m,甲车上人用力F推车,乙车上的人用等大的力F拉绳子(绳与轮的质量和摩擦均不计);人与车始终保持相对静止。下列说法正确的是( )
A.甲车的加速度大小为
B.甲车的加速度大小为0
C.乙车的加速度大小为
D.乙车的加速度大小为0
答案 BC
解析 对甲图中人和车组成的系统受力分析,在水平方向的合外力为0(人的推力F是内力),故a甲=0,A错误,B正确;在乙图中,人拉轻绳的力为F,则绳拉人和绳拉车的力均为F,对人和车组成的系统受力分析,水平合外力为2F,由牛顿第二定律知:a乙=,则C正确,D错误。
8.质量为m0的物体A放在粗糙水平桌面上,B为砂桶,A、B两物体通过跨接在光滑的定滑轮上的轻质细线连接,如图所示。开始时两物体均静止,砂桶B距地面的高度为h,然后逐渐向砂桶中加砂子,则下面说法正确的是( )
A.砂桶中加的砂子越多,细线上的拉力越大
B.砂桶中加的砂子越多,细线上的拉力可能越小
C.物体A发生滑动后,砂和砂桶的质量越大,细线上拉力越大
D.某次实验时,物体A的质量与砂和砂桶的总质量相等,若物体A沿桌面滑行的最远距离等于2h,则可以求出物体A与桌面的动摩擦因数
答案 ACD
解析 物体A发生滑动之前,细线上的拉力大小等于砂和砂桶的重力之和,物体A发生滑动后,设砂桶和砂子的总质量为m,加速度大小为a,对B有mg-FT=ma,对A有FT-μm0g=m0a,联立两式整理得FT=,m越大,拉力越大,故A、C正确,B错误;分析物体A的整个运动过程,加速阶段和减速阶段的位移大小均为h,知加速与减速过程的加速度大小相等,根据mg-FT=ma,FT-μm0g=m0a和a=μg,可求出动摩擦因数μ,D正确。
9.如图甲所示,水平面上有一倾角为θ的光滑斜面,斜面上用一平行于斜面的轻质细绳系一质量为m的小球。斜面以加速度a水平向右做匀加速直线运动,当系统稳定时,细绳对小球的拉力和斜面对小球的支持力分别为T和FN。若Ta图象如图乙所示,AB是直线,BC为曲线,重力加速度为g=10 m/s2。则( )
A.a= m/s2时,FN=0
B.小球质量m=0.1 kg
C.斜面倾角θ的正切值为
D.小球离开斜面之前,FN=0.8+0.06a(N)
答案 ABC
解析 小球离开斜面之前,以小球为研究对象,进行受力分析,可得Tcosθ-FNsinθ=ma,Tsinθ+FNcosθ=mg,联立解得FN=mgcosθ-masinθ,T=macosθ+mgsinθ,所以小球离开斜面之前,Ta图象呈线性关系,由题图乙可知a= m/s2时,FN=0,A正确;当a=0时,T=0.6 N,此时小球静止在斜面上,其受力如图1所示,所以mgsinθ=T;当a= m/s2时,斜面对小球的支持力恰好为零,其受力如图2所示,所以=ma,联立可得tanθ=,m=0.1 kg,B、C正确;将θ和m的值代入FN=mgcosθ-masinθ,得FN=0.8-0.06a(N),D错误。
10.如图所示,质量均为m的A、B两物块置于光滑水平地面上,A、B接触面光滑,倾角为θ。现分别以水平恒力F作用于A物块上,保持A、B相对静止共同运动,则下列说法正确的是( )
A.采用甲方式比采用乙方式的最大加速度大
B.两种情况下获取的最大加速度相同
C.两种情况下所加的最大推力相同
D.采用乙方式可用的最大推力大于采用甲方式的最大推力
答案 BC
解析 F作用于题图甲中A时,F最大时,A刚要离开地面,A受力如图甲,FN1cosθ=mg,对B:FN1sinθ=ma1;F作用于题图乙中A时,F最大时,B刚要离开地面,B受力如图乙,FN2cosθ=mg,FN2sinθ=ma2,可见FN2=FN1,a2=a1,对整体易知两种情况下所加的最大推力相同,选项B、C正确。
二、非选择题(本题共2小题,共30分)
11.[2018·青海西宁联考](12分)如图所示,有一长度x=1 m、质量m0 =10 kg的平板小车,静止在光滑的水平面上,在小车一端放置一质量m=4 kg的物块,物块与小车间的动摩擦因数μ=0.25,要使物块在2 s内运动到小车的另一端,求作用在物块上的水平力F是多少?(g取10 m/s2)
答案 16 N
解析 小车和物块的运动情况如图所示,在物块运动到小车右端的过程中,小车发生的位移为x1,物块发生的位移为x2,取向右为正,以小车为研究对象,由牛顿第二定律得μmg=m0a1①
由匀变速运动的公式得x1=a1t2②
以物块为研究对象,由牛顿第二定律得
F-μmg=ma2③
由匀变速运动的公式得x2=a2t2④
由题意得x2-x1=x⑤
由①②③④⑤代入数据得F=16 N。
12. [2017·保定一模](18分)一长木板静止在水平地面上,在t=0时刻,一小滑块以某一速度滑到木板上表面,经过2 s滑块和木板同时停下,滑块始终在木板上。木板运动的速度随时间变化的图象如图所示,已知木板和滑块的质量均为0.1 kg,重力加速度g取10 m/s2,最大静摩擦力等于滑动摩擦力,根据图象信息解答下面问题:
(1)求出木板和滑块间的动摩擦因数;
(2)滑块刚滑到木板上时的速度多大?
(3)求整个过程中滑块和木板之间产生的热量。
答案 (1)μ=0.3 (2)v0=4 m/s (3)Q=0.6 J
解析 (1)由图象求得0~1 s木板加速度大小
a1=1 m/s2
1~2 s木板与滑块整体加速度大小a2=1 m/s2
木板与地面间摩擦力大小F=2ma2=0.2 N
设木板和滑块间的动摩擦因数为μ,在0~1 s内
μmg-F=ma1
代入数据解得μ=0.3
(2)滑块在滑上木板0~1 s过程中μmg=ma
v0-at=v
由图象可得v0=4 m/s
(3)由图象可知,从开始到木板与滑块共速过程的位移
s木=0.5 m
s块=×1 m=2.5 m
设滑块和木板之间产生的热量为Q,热量只在0~1 s的过程中产生
Q=μmg(s块-s木)
代入数据解得Q=0.6 J。
相关资料
更多

