2020《导与练》高考人教版地理一轮复习讲义:第十四章第1讲 能源资源的开发——以我国山西省为例讲义
展开第十四章 区域自然资源综合开发利用
第1讲 能源资源的开发——以我国山西省为例
(对应学生用书第158页)
考纲考点 | 考题考情 | 命题规律 |
1.区域能源、矿产资源的开发条件评价 | 2018·海南卷1~3 2016·全国Ⅲ卷,37 2014·浙江卷,36(1) | 多以区域图、能源资源分布图为载体考查能源资源开发的条件。 |
2.区域能源、矿产资源的综合利用与环境保护。 | 2017·全国Ⅱ卷,36 2015·北京卷,36(4) | 多以区域图为载体考查区域能源生产结构的调整和环境保护 |
(对应学生用书第158~159页)
了解能源分类
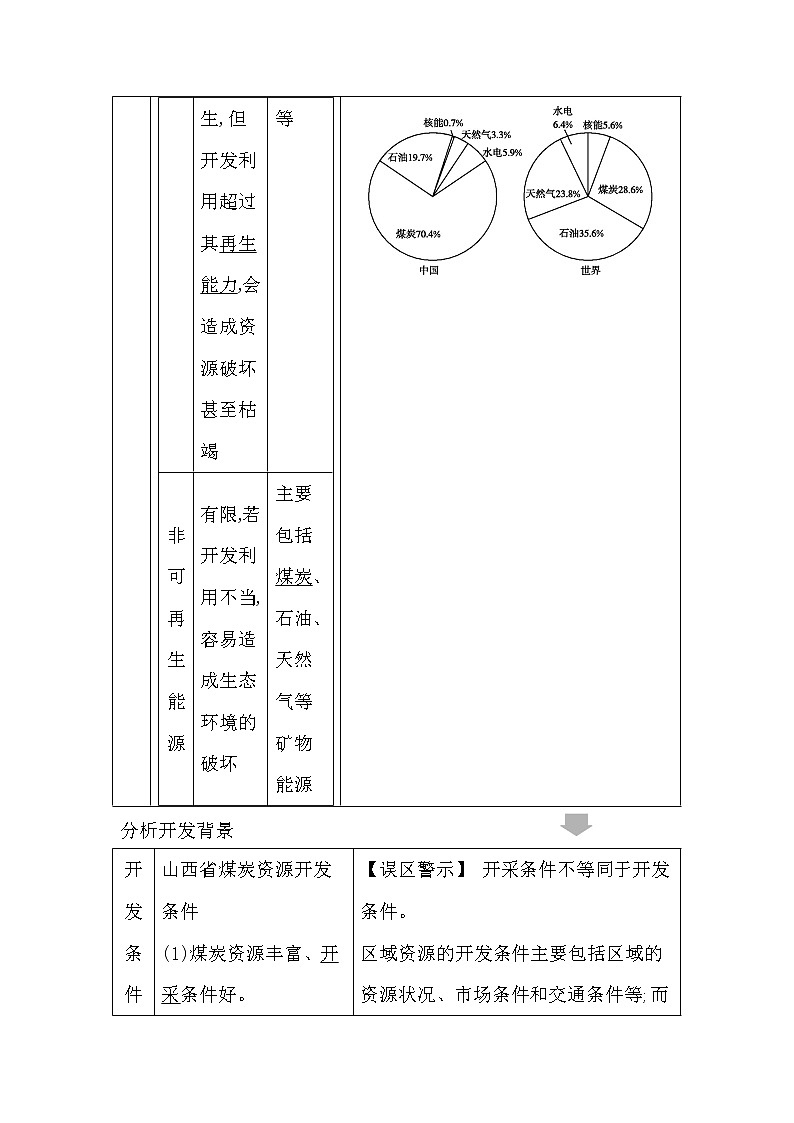
能源资源的分类 |
| 【知识拓展】 能源结构 能源结构指能源总生产量或总消费量中各类能源的构成及其比例关系。我国能源以煤炭、石油为主;世界能源以石油、煤炭、天然气为主。 |
分析开发背景
开发条件 | 山西省煤炭资源开发条件 (1)煤炭资源丰富、开采条件好。 (2)市场广阔。 (3)位置适中,交通比较便利。 | 【误区警示】 开采条件不等同于开发条件。 区域资源的开发条件主要包括区域的资源状况、市场条件和交通条件等;而开采条件主要针对资源状况,包括资源储量、分布、质量、种类等。 |
探究综合利用
基地建设综合利用 | 1.山西省能源基地建设 (1)扩大煤炭开采量:形成大同、平朔、西山、沁水、霍西、河东等大型煤炭生产基地。 (2)提高晋煤外运能力:逐步形成了以铁路运输为主、公路运输为辅的煤炭外运路网体系。 (3)加强煤炭的加工转换 ①建设坑口电站:变输出煤为输出电力。 ②发展炼焦业:为冶金工业发展提供能源,向外输出焦炭。 2.能源的综合利用 | 【归纳】 能源基地建设措施示意图 【提醒】 变输煤为输电的不利影响:一是发电要消耗大量的水资源,加剧水资源紧张;二是加重本地区的环境污染,使生态环境遭到破坏。 |
整合发展策略
保护治理问题 | 1.煤炭开发利用中产生的问题 (1)开挖地表,排弃土石,造成严重的生态问题。 (2)重化工业的发展造成“三废”污染。 2.保护与治理措施 (1)以技术创新为先导,大力推动以煤炭利用技术为代表的清洁能源产业的发展。 (2)调整产业结构。 ①对原有重化工业进行调整,使其产品向深加工、高附加值方向发展。 ②大力发展农业、轻纺工业、高新技术产业等。 (3)治理“三废”,建设生态环境。 | 【成因分析】 (1)生态问题的成因:露天矿表土的剥离;井矿巷道的建设;矿区道路的建设。 (2)“三废”产生的原因:燃煤发电、洗煤、炼焦等重化工业的发展。 【知识拓展】 坑口电站 坑口电站就是在煤的产地,特别是煤矿坑口附近建设大型电站,就地发电,变运送煤炭为输出电力。坑口电站的建设,节约了运输成本,减轻了交通运输的压力,同时对煤炭进行深加工,延长了产业链,提高了附加值,是一种提高经济效益的做法,但会加重煤炭产地的污染。 |
(对应学生用书第159~161页)
考点一 能源矿产资源开发条件评价
(2018·海南卷,1~3)煤炭占我国能源生产和消费的比例长期在60%以上。近年来,为化解煤炭产能过剩和石油主要依赖进口等问题,我国大力发展煤制油技术和产业,成功解决了煤制油过程中高耗水、高污染和转换效率低等问题。目前已在内蒙古、山西、宁夏、陕西、新疆、贵州等地布局了一批煤制油企业,规划2020年之前形成3 000万吨/年的产能。据此回答(1)~(3)题:
(1)我国煤制油企业布局的区位指向是( )
A.市场 B.原料 C.交通 D.劳动力
(2)在地表水匮乏地区,煤制油企业长期用水宜采用的方式是( )
A.循环用水 B.开发地下水
C.远程调水 D.建地下水窖
(3)发展煤制油产业,可以( )
A.解决我国能源不足的问题
B.减少我国对新能源开发的压力
C.促进我国煤炭产业的绿色转型升级
D.增强我国主导国际石油市场的能力
思路点拨:第(1)题,材料显示出我国目前布局的煤制油企业主要位于内蒙古、山西、宁夏、陕西、新疆、贵州等地,这些省区是我国煤炭储量和产量较大的区域,因此煤制油企业布局的区位指向是原料。第(2)题,一般而言,地表水匮乏地区气候干旱,因此水资源成为人类活动的限制性因素。虽然我国解决了煤制油过程中的高耗水问题,但水资源短缺与耗水量大的矛盾依然存在,循环用水可以实现水资源的重复利用,适用于长期用水。开发地下水容易引发生态问题,远程调水成本太高,建地下水窖能够收集的水量有限,故A项正确。第(3)题,煤制油是对煤炭资源的深加工,提高了煤炭资源的利用率,而且煤炭变成油后会减少煤炭直接燃烧产生的粉尘,污染小,因此能够促进煤炭产业的绿色升级,故C项正确。材料中“为化解煤炭产能过剩和石油主要依赖进口等问题”说明我国当前能源问题只是消费结构不合理,而不是能源不足,故A项错误。相对于煤炭、石油、天然气等能源,太阳能、风能、地热能、潮汐能、核能等新能源为清洁能源,是未来能源开发、利用的主要方向,因此煤制油产业可以缓解目前我国石油的压力,但不会减轻对新能源开发的压力,故B项错误。当前我国为石油进口大国,而规划中到2020年前我国煤制油企业的市场能力只有3 000万吨/年,因此我国没有主导国际石油市场的能力,故D项错误。
答案:(1)B (2)A (3)C
1.开发条件评价的内容
区域能源资源的开发利用规模和方向由区域能源资源开发条件所决定,具体如下:
(1)资源(能源)条件评价:可从储量大小、分布范围大小、种类多少、质量高低等方面评价。
(2)开采条件评价:可从资源(能源)埋藏的深浅、矿区的地形、地质条件等方面
评价。
(3)市场条件评价:可从资源(能源)的消费市场情况、市场潜力大小、矿区距市场远近等方面评价。
(4)交通运输条件评价:可从交通运输方式、交通运输便捷程度等方面评价。
在评价时一定要从有利和不利两个方面进行分析。
2.山西省煤炭资源开发条件
(1)优势条件
(2)限制条件
①煤炭外运能力不足
煤炭运输量大 | 全国对能源的需求迅速增长,山西省生产的煤炭大部分输往外省 |
受所处地理 位置的影响 | 山西省地理位置比较封闭,东是太行山,南是黄河,不利于晋煤外运 |
②水资源短缺
山西省地处季风气候区与非季风气候区的过渡地带,降水较少。而随着人口的增加及灌溉农业和耗水工业的快速发展,水资源消耗量日益增加。
③生态环境脆弱,地处黄土高原地区,地表起伏较大,加上降水集中,水土流失严重。大规模的矿产开发会加剧水土流失。
3.可再生能源的开发条件评价
可再生能源的开发条件评价应从社会经济条件和自然条件两方面来分析。社会经济条件一般包括本地市场需求量、距外地市场的远近、经济发展水平、科技水平等;自然条件主要是分析影响储存量的因素。主要可再生能源开发条件如下:
种类 | 影响开发的自然因素 | 我国分布 |
水能 | 河流径流量、河流落差、地质条件、河流含沙量大小 | 西南、中南和西北黄河上游 |
太阳能 | 海拔高低、空气稀薄程度、天气状况、大气的晴朗洁净程度 | 青藏高原、西北内陆 |
风能 | 风源远近及稳定程度、周围地形对其影响程度、风沙灾害天气 | 我国西北内陆和沿海地区 |
地热能 | 板块交界地带、断裂发育地带 | 西藏地区 |
潮汐能 | 海岸线轮廓、日潮汐次数、潮高大小 | 东南沿海 |
沼气 | 生物原料多少、温度高低、发酵时间长短 | 南方地区 |
(2018·山东济宁模拟)阅读图文材料,回答下列问题:
亚马尔半岛(如图)地处极寒的“天边地角”,最低温度达-52℃。冰原下蕴藏的天然气资源储量大、埋藏浅、纯度高,与一些国家开采海上气田相比,成本较低。目前,中俄在此合作兴建了全球最大的LVG项目——把气田开采出来的天然气超低温冷却,当温度达到-161.5℃变成液体后,将其压缩储存在低温储存罐内,即为液化天然气(英文简称LNG)。预计2018年“北极气”将从这里送往中国。
参与亚马尔项目是中国能源公司第一次进入能源勘探、开发、生产、LNG工厂建设和运营的全过程产业链,在此项目中,中方承揽了地质研究、北极钻机制造、相关设备制造、造船、项目海运物流、LNG运输等多方面的工作。
(1)分析亚马尔半岛的地理位置对天然气开采与LNG生产的影响。
(2)分析中国能源公司全产业链参与亚马尔项目对我国的影响。
解析:本题主要考查区域能源资源综合开发及影响。第(1)题,亚马尔半岛地处极寒的“天边地角”,由图文材料可知该地的特殊地理位置造就当地特殊的自然条件和社会经济条件,它对天然气开采与LNG生产会造成有利和不利的影响。第(2)题,中国能源公司全产业链参与亚马尔项目对我国主要是积极的影响。由材料可知,在此项目中,中方承揽了多方面的工作。这一些前所未有的尝试将大大提高我国在寒冷地区天然气开采的技术、设备制造、海洋运输等水平。同时中国和俄方合作,增加了我国天然气进口渠道,缓解了我国能源紧张状况,有利于保障国家能源安全,减少我国煤炭消耗比重,优化我国能源消费结构,从而减轻大气污染等。
答案:(1)不利:纬度高,气温低,存在冻土层,地基不稳,技术要求高,施工难度大;地处偏远地区(“天边地角”),环境恶劣,人口稀少,开发程度低,给工人生活和作业带来很大困难和不便。
有利:地处半岛,与海上气田开采相比成本低;极地低温可有效降低LNG生产及贮存时的冷却能耗,降低生产成本。
(2)拓展并稳定天然气进口渠道,有利于保障国家能源安全;缓解天然气紧张状况;优化能源消费结构,减轻大气污染;提高寒冷地区天然气开采技术水平(或提高设备制造和造船、极地海洋运输业技术水平)。
考点二 能源矿产资源的综合利用与环境保护
(2018·福建厦门模拟)晋、陕、内蒙古三个省级行政区接壤的地区被称为“乌金三角”。结合“乌金三角”地区区位示意图,回答下列问题:
(1)能源资源的开采是该地区重点发展的工业。为加强本地区能源的外运能力,应采取的对策有哪些?
(2)分析“乌金三角”地区在开发建设中引发的主要环境问题。
(3)要促进“乌金三角”地区的可持续发展,应采取哪些措施?
思路点拨: 第(1)题,煤炭的外运有输煤和输电两种形式,因而要加强运输线路和输电线路的建设。第(2)题,主要从生态破坏、环境污染和水资源三方面进行分析。第(3)题,主要从煤炭的综合开发利用,调整产业结构,加强生态建设和污染治理等方面进行分析。
答案:(1)加强铁路、公路等道路建设,增加运煤通道;在水源较丰富的地区建设坑口电站以及输电线路,向外输送电力。
(2)开发煤炭资源,导致植被破坏;加剧土地的荒漠化和水土流失;产业结构中重化工业比重偏大,工业“三废”污染严重;重工业需水量大,加剧水资源短缺。
(3)加强煤炭深加工,延长产业链,提高附加值;优化产业结构,大力发展高新技术产业和轻工业;发展生态农业,搞好矿区复垦,改善生态环境;加强对环境污染的治理。(答出两点即可)
1.山西煤炭资源的综合利用
2.山西煤炭能源基地建设中的环境治理
(1)提高煤炭的利用技术
(2)“三废”的治理
(3)调整产业结构
读“云南省2013~2015年接纳风电规划表(单位:万千瓦)”,回答(1)~(3)题:
年份 | 2013 | 2014 | 2015 |
风电可发电量 | 54.0 | 101.6 | 173.2 |
枯水年接纳 | 46.0 | 100.4 | 168.7 |
平水年接纳 | 41.0 | 89.3 | 155.4 |
丰水年接纳 | 39.3 | 76.4 | 81.6 |
(1)据表,云南省风电可发电量2013~2015年的增长意味着( )
A.气候变化强,风资源增多
B.水电发电量大幅减少
C.水能资源开发达到饱和
D.居民用电量同步增长
(2)从水电、风电最佳搭配来看,接纳风电发电量最多的季节是( )
A.春季 B.夏季 C.秋季 D.冬季
(3)云南省实施风水互补,比之于水火互补,有助于( )
A.提高资源利用效率
B.解决枯水季节水能不足的问题
C.降低成本保护环境
D.解决枯水年份水能不足
解析:(1)B (2)D (3)C 第(1)题,据表,云南风电2013~2015年的增长意味着水电发电量大幅减少,B对。区域气候变化不明显,风资源变化不大,A错。我国水能资源开发利用水平低,C错。发电量增大,与西电东送、工业发展有关,居民用电量增长较慢,不同步,D错。第(2)题,根据图中数据,从水电、风电最佳搭配来看,风电发电量最多的季节是枯水期,即北半球冬季,D对;丰水期表示夏季,发电量小,B错;平水期代表春秋季,发电量较小,A、C两项错。第(3)题,云南省实施风水互补,比之于水火互补,风电没有环境污染,有助于降低成本保护环境 ,C对;提高资源利用效率受技术水平影响,与风水、水火互补类型无关,A错;只能是缓解,不是解决枯水季节、枯水年份水能不足问题,B、D两项错。
(对应学生用书第162页)
资源利用问题及资源安全类问题的建模分析
1.资源利用问题及解决措施类问题的建模
资源 | 问题 | 措施 |
土地 资源 | ①耕地不足:土地承受压力越来越大; ②土地退化污染:化肥、农药使用量过大; ③生态破坏:水土流失、荒漠化 | ①珍惜和合理利用; ②保护耕地; ③因地制宜; ④防治污染和破坏 |
水资源 | ①总量不足; ②时空分布不均; ③污染浪费严重 | ①修建水库等水利设施; ②节约用水; ③防治水污染 |
矿产 资源 | ①总量不足,人均有限; ②利用水平及利用率低; ③浪费严重; ④开采粗放,对环境影响大 | ①开采时注意保护环境; ②充分合理利用、提高利用率;③合理调配 |
能源 资源 | ①总量不足;储量有限; ②利用水平、利用率较低;③勘探跟不上增长; ④结构不合理,过度依赖常规化石能源; ⑤进口依赖度高 | 参见能源安全的措施 |
2.资源安全类问题的建模
资源 | 安全措施 |
粮食 安全 | ①按照比较优势原则,调整粮食生产布局; ②加大农业科研力度,加快科技兴粮步伐; ③保护农业资源,改善生态环境,确保粮食生产的可持续性; ④调整农业保护政策,给予农业以有效保护; ⑤建立粮食安全预警系统 |
水源 安全 | ①保障供应:调水、节水、采水; ②保障水质:治理污染、净化水质 |
能源 安全 | ①转变增长方式,提高能源利用效率; ②发展替代能源,降低依赖石油进口; ③发展可再生能源,优化能源结构; ④开发节约并举,确立节能首要地位; ⑤加快石油储备建设,建立保障体系 |
(2018·江苏卷,28)阅读材料,回答下列问题:
材料一 中国是世界第一大铁矿石进口国和第一大粗钢生产国,2015年粗钢产量约占全球产量的50%,但高端钢材生产不足。图1为“2015年世界铁矿石主要流向及流量略图”。
材料二 有研究显示,一个国家或地区的人均粗钢需求增幅与人均GDP有一定的相关性。2015年、2017年中国人均GDP分别为7 990美元和8 836美元。图2为“人均粗钢需求增幅与人均GDP关系示意图”。
材料三 产能利用率是指行业发挥生产能力的程度,是实际产量与设计产能的比率。一般认为,钢铁行业产能利用率处于78%~83%时较为合理,低于75%则为产能严重过剩。图3为“我国2010年~2015年粗钢产能和产能利用率统计图”。
(1)我国铁矿石进口最主要的源地是 ,从该地进口铁矿石在运输上的优势是 。
(2)推测我国未来粗钢需求量将出现的变化及其根本原因。
(3)我国粗钢生产存在的主要问题有 。
(4)针对上述问题,我国粗钢生产领域的应对策略是 。
解题思路:整体分析:本题以钢铁产业为载体,考查世界地理特点、钢铁生产的区位条件、发展所面临的问题以及解决措施,主要考查考生获取和解读地理信息、调动和运用地理知识、论证和探讨地理问题的能力。第(1)题,根据图1可知,我国铁矿石进口量最多的源地为澳大利亚(65 600.9万吨);与其他几个进口源地相比,澳大利亚距离我国较近,以海洋运输为主,交通运输成本较低。第(2)题,结合图2可知,人均GDP在6 000~7 000美元时,人均粗钢需求增幅最大,而我国在2015年、2017年人均GDP都已经超过7 000美元,之后人均粗钢需求增幅减小但仍为正值,我国粗钢需求量上升;当人均GDP大于12 000美元时,人均粗钢需求增幅为负值,我国粗钢需求量下降。实际上这是经济水平提高、产业升级转型引起的,即改变了高消耗的发展模式。第(3)题,我国粗钢生产存在的问题,主要结合材料三关于我国粗钢产能利用率和粗钢产能的变化,从产能、对原料和市场的依赖性、经济效益、技术水平、能耗及污染等角度进行分析。第(4)题,我国粗钢生产领域的应对策略主要是针对粗钢生产存在的问题逐条进行整治。
答案:(1)澳大利亚 运输成本低(距离相对较近)
(2)先升后降。经济水平提高;产业升级转型。
(3)产能过剩;对原料和市场依赖性强;经济效益低;技术含量低;能耗大、污染重
(4)去产能;多种途径保障原料供给;开拓国际市场;加大科技投入;加大环保力度

