还剩25页未读,
继续阅读
所属成套资源:2020高考化学通用版新创新一轮复习3-12章学案()
成套系列资料,整套一键下载
2020版高考新创新一轮复习化学通用版学案:第十章第一节化学实验基础
展开
第十章 化学实验
1.了解化学实验是科学探究过程中的一种重要方法。
2.了解化学实验室常用仪器的主要用途和使用方法。
3.掌握化学实验的基本操作。能识别化学品标志。了解实验室一般事故的预防和处理方法。
4.掌握常见气体的实验室制法(包括所用试剂、反应原理、仪器和收集方法)。
5.掌握常见物质检验、分离和提纯的方法。
6.根据化学实验的目的和要求,能做到:
①设计实验方案;②正确选用实验装置;③掌握控制实验条件的方法;④预测或描述实验现象、分析或处理实验数据,得出合理结论;⑤评价或改进实验方案。
7.以上各部分知识与技能的综合应用。
第一节化学实验基础
考点(一) 常用的实验仪器
[知能学通]
1.热源仪器
仪器
使用方法和注意事项
①酒精灯所装酒精的量不能超过其容积的,不能少于;
②加热时要用外焰,熄灭时要用灯帽盖灭,不能吹灭;
③绝对禁止向燃着的酒精灯里添加酒精、用燃着的酒精灯引燃另一只酒精灯
需要加强热的实验用酒精喷灯加热
2.可加热仪器
(1)直接加热仪器
仪器
主要用途
使用方法和注意事项
试管
少量物质的反应容器、可收集少量气体等
①液体体积不超过其容积的;
②加热固体时试管口应略向下倾斜
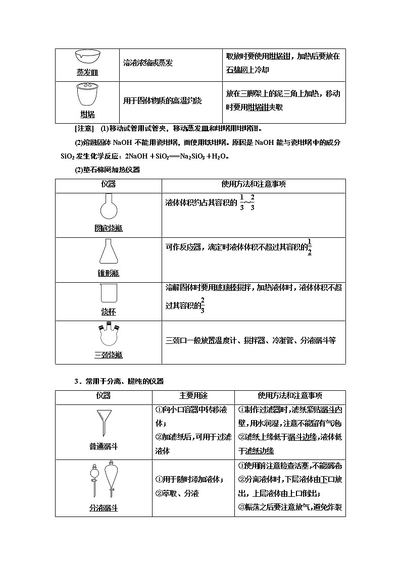
蒸发皿
溶液浓缩或蒸发
取放时要使用坩埚钳,加热后要放在石棉网上冷却
坩埚
用于固体物质的高温灼烧
放在三脚架上的泥三角上加热,移动时要用坩埚钳夹取
[注意] (1)移动试管用试管夹,移动蒸发皿和坩埚用坩埚钳。
(2)熔融固体NaOH不能用瓷坩埚,而使用铁坩埚。原因是NaOH能与瓷坩埚中的成分SiO2发生化学反应:2NaOH+SiO2===Na2SiO3+H2O。
(2)垫石棉网加热仪器
仪器
使用方法和注意事项
圆底烧瓶
液体体积约占其容积的 ~
锥形瓶
可作反应器,滴定时液体体积不超过其容积的
烧杯
溶解固体时要用玻璃棒搅拌,加热液体时,液体体积不超过其容积的
三颈烧瓶
三颈口一般放置温度计、搅拌器、冷凝管、分液漏斗等
3.常用于分离、提纯的仪器
仪器
主要用途
使用方法和注意事项
普通漏斗
①向小口容器中转移液体;
②加滤纸后,可用于过滤液体
①制作过滤器时,滤纸紧贴漏斗内壁,用水润湿,注意不能留有气泡;
②滤纸上缘低于漏斗边缘,液体低于滤纸边缘
分液漏斗
①用于随时添加液体;
②萃取、分液
①使用前注意检查活塞,不能漏液;
②分离液体时,下层液体由下口放出,上层液体由上口倒出;
③振荡之后要注意放气,避免炸裂
蒸发皿
蒸发或浓缩溶液
可直接加热,加热时液体体积不超过其容积的,当有大量晶体析出时即停止加热,利用余热蒸干溶液
蒸馏烧瓶
蒸馏或分馏
①加热时要垫石棉网;
②加热时液体体积不超过其容积的,不少于其容积的;
③应加沸石,防止液体暴沸
洗气瓶
除去气体中的杂质,其中广口瓶可换作大试管或锥形瓶
①一般选择能与杂质气体反应的试剂作吸收剂;
②装入液体体积不宜超过其容积的;
③气体的流向为A进B出
①用于蒸馏或分馏时冷凝易液化的气体;
②有利于液体回流
①直形冷凝管一般用于蒸馏或分馏时冷凝;
②球形冷凝管通常用于回流;
③冷却水下口进上口出
内装固体干燥剂或吸收剂,用于干燥或吸收某些气体
不可装液体干燥剂
用于干燥或吸收某些气体
①气体一般“粗进细出”;
②干燥剂为粒状,常用CaCl2、碱石灰等
用于存放干燥的物质或使潮湿的物质干燥
很热的物质应稍冷后放入
4.计量仪器
仪器
使用方法和注意事项
①读数时视线与凹液面最低处相平;
②无“0”刻度,刻度由下而上逐渐增大;
③精确度为 0.1 mL;
④选取规格要遵循“大而近”的原则,如量取5.6 mL NaOH溶液应选取10 mL量筒,而不能选用50 mL量筒;
⑤不可加热,不可作反应容器,不可用于溶液的稀释
①所测量的温度要在温度计的量程范围内;
②测量液体温度时,温度计的水银球部位应浸在液体内;测量蒸气温度时,应使温度计的水银球置于蒸馏烧瓶支管口处;
③不能用于搅拌,温度计的水银球也不能接触容器壁
容量瓶
①使用前要检查是否漏水;
②加液体用玻璃棒引流,当液面距刻度线1~2 cm时改用胶头滴管,加液体至凹液面最低处与刻度线相切
①使用前要检查是否漏水;
②“0”刻度在上方;
③精确度为 0.01 mL;
④A用于量取酸性溶液和强氧化性溶液,B用于量取碱性溶液;
⑤装液前要先用待装液润洗2~3次
①称量前先要调零;
②左盘放物品,右盘放砝码;
③精确度是 0.1 g;
④药品不能直接放在托盘上,易潮解、具有腐蚀性的药品如NaOH等应放在小烧杯中称量
5.其他常用仪器
仪器
主要用途
使用方法和注意事项
①滴瓶用于盛放少量液体药品;
②胶头滴管用于吸取和滴加液体
①滴瓶上的滴管与滴瓶配套使用;
②胶头滴管使用时不要将液体吸入胶头内,不能平置和倒置;滴液时不可接触器壁
①用于贮存固体药品,瓶口内壁磨砂,并配有磨砂的玻璃塞;
②用于贮存液体药品,有无色和棕色,棕色的常用于存放见光易分解的药品
①不宜盛放易挥发物质,盛放碱性物质时还应改用软木塞或橡胶塞;
②盛放氧化性药品时一定要用玻璃塞
用于收集和贮存少量气体
上口为平面磨砂,内侧不磨砂。如果在其中进行燃烧反应且有固体生成时,应在底部加少量水或细砂
①作烧杯、蒸发皿等容器的盖子;
②用于pH试纸等试纸的变色实验
不能加热
[题点练通]
1.判断下列说法的正误(正确的打“√”,错误的打“×”)。
(1)量筒、容量瓶、锥形瓶都是不能加热的玻璃仪器( )
(2)灼烧固体时,坩埚放在铁圈或三脚架上直接加热( )
(3)高温焙烧时,用于盛放固体的仪器名称是蒸发皿( )
(4)如图A配制250 mL 0.1 mol·L-1的盐酸( )
(5)如图B用稀盐酸滴定NaOH溶液( )
(6)图C中仪器a的名称是蒸馏烧瓶,b的名称是分液漏斗( )
(7)图D记录滴定终点读数为12.20 mL( )
(8)分离Br2和CCl4混合物的主要仪器是分液漏斗、烧杯( )
答案:(1)× (2)× (3)× (4)× (5)× (6)×
(7)× (8)×
2.实验室用酒精灯加热时必须使用石棉网的仪器是( )
A.烧杯 B.蒸发皿 C.试管 D.坩埚
解析:选A 直接加热的仪器有试管、蒸发皿、坩埚等;垫石棉网加热的仪器有烧杯、锥形瓶、圆底烧瓶、三颈烧瓶等。
3.下列选用的相关仪器符合实验要求的是( )
解析:选B 浓硝酸具有强氧化性,不能用橡胶塞,一般用玻璃塞保存在棕色细口瓶中,A项错误;水和乙酸乙酯互不相溶,用分液漏斗分离,B项正确;用量筒量取液体只能精确到0.1 mL,C项错误;向试管中放入块状固体时,应遵循“一平二放三滑入”的原则,D项错误。
4.下列仪器对应的名称正确的是( )
解析:选B A项为泥三角;C项为球形分液漏斗;D项为坩埚,但不能确定其是否为瓷坩埚。
5.下列操作中,仪器使用不正确的是( )
A.用碱式滴定管盛装高锰酸钾溶液
B.用铁坩埚灼烧烧碱
C.用铁坩埚除去纯碱晶体中的结晶水
D.加热蒸发皿时不用石棉网
解析:选A 高锰酸钾溶液具有强氧化性,能腐蚀碱式滴定管下端的橡胶管。
6.利用实验器材(规格和数量不限)能完成相应实验的一项是( )
选项
实验器材(省略夹持装置)
相应实验
A
烧杯、玻璃棒、蒸发皿
CuSO4溶液的浓缩结晶
B
烧杯、玻璃棒、胶头滴管、滤纸
用盐酸除去BaSO4中少量BaCO3
C
烧杯、玻璃棒、胶头滴管、容量瓶
用固体NaCl配制0.5 mol·L-1的溶液
D
烧杯、玻璃棒、胶头滴管、分液漏斗
用溴水和CCl4除去NaBr溶液中少量NaI
解析:选D 蒸发浓缩需要酒精灯,A项错误;过滤需要漏斗,B项错误;称量NaCl固体需要托盘天平,C项错误。
7.茶叶中铁元素的检验可经过以下四个步骤完成:将茶叶灼烧灰化→用浓硝酸溶解茶叶灰→过滤得到滤液→检验滤液中的Fe3+。如图是可能用到的实验用品。
有关该实验的说法中正确的是( )
A.第一步只需选用仪器①、②和⑨,①的名称叫坩埚
B.第二步用浓硝酸溶解茶叶灰并加蒸馏水稀释,选用④、⑥和⑦
C.要完成第三步,需选用④、⑤和⑦,除夹持仪器外还缺滤纸
D.第四步,若滤液中含有Fe3+,直接加入⑧中的溶液后滤液会显红色
解析:选C 第一步除需要①②⑨外还需要坩埚钳和铁架台,A项错误;⑥不能用于溶液的稀释,B项错误;不能向滤液中直接加入⑧中的溶液,而应取适量滤液于试管中,用滴管滴入少量KSCN溶液,D项错误。
8.实验室加热约150 mL液体时,可以使用的仪器组合是________(填标号)。
①
②
③
④
⑤
⑥
答案:①③④⑥
9.用常见化学仪器填写下面空白。
在上述仪器中:
(1)写出下列标号的仪器名称:①________,③________,⑤____________,⑧____________,⑮________。
(2)可用酒精灯直接加热的仪器是____________(填标号,下同),需要垫石棉网加热的是____________,存在0刻度的是____________。
(3)在使用前需检查仪器是否漏液的是____________,其中可用于物质分离的是____________,可用于一定物质的量浓度溶液配制的是______________。
(4)⑧不能用于组装蒸馏装置的原因是____________________________________。
(5)量取10.00 mL 0.1 mol·L-1的NaOH溶液应选用的仪器是________;用仪器⑪称量药品时其精确度为________。
(6)将海带灼烧灰化,选用________。
(7)过滤得到滤液,选用________。
答案:(1)分液漏斗 容量瓶 酸式滴定管 球形冷凝管 泥三角
(2)⑫⑬ ⑥⑦⑰ ④⑤⑩⑪ (3)①③④⑤ ① ③
(4)冷凝后的液体容易残留在球形区域内 (5)④ 0.1 g
(6)⑫⑭⑮ (7)②⑯⑰
归纳拓展
1.实验仪器的选择
量器
①粗略量取液体的体积用量筒;
②精确量取液体的体积用滴定管
容器
①少量液体的实验用试管,较大量液体的实验用烧瓶(或锥形瓶);
②蒸发结晶用蒸发皿;
③对固体高温灼烧时用坩埚
漏斗
①进行过滤操作时用普通漏斗;
②组装简易气体发生装置用长颈漏斗;
③组装要求控制反应速率的气体发生装置用分液漏斗
除杂
仪器
①所用除杂试剂是固体时选用干燥管;
②所用除杂试剂是液体时选用洗气瓶
2.化学仪器中的几个“0”和精确度
(1)托盘天平的精确度为0.1 g。
(2)量筒的精确度为0.1 mL,无“0”刻度,小刻度在下方。
(3)滴定管的精确度为0.01 mL,“0”刻度在上方。
(4)容量瓶只有一条刻度线,只能读取一个值,该数值为容量瓶的容量值。
(5)pH试纸的读数只能取整数。
3.规范书写仪器的名称
(1)易写错的仪器名称:坩埚、坩埚钳、砝码。
(2)易写混的仪器名称:三脚架与泥三角、长颈漏斗与分液漏斗、圆底烧瓶与蒸馏烧瓶。
4.实验仪器使用注意事项
(1)酸式滴定管不能装碱性溶液,碱式滴定管不能装酸性及氧化性溶液。
(2)容量瓶不能长期存放溶液,更不能作为反应容器,也不可加热,瓶塞不可互用。
(3)烧瓶、烧杯、锥形瓶不可直接加热。
(4)pH试纸不能直接蘸取待测液,不能用蒸馏水润湿。
(5)药品不能入口和用手直接接触,实验剩余药品不能放回原处(K、Na等除外),不能随意丢弃,要放入指定容器中。
(6)中和滴定实验中锥形瓶不能用待测液润洗。
(7)量筒不能用来配制溶液或进行化学反应,更不能用来加热或量取热的溶液。
(8)试纸不能直接用手拿,要用镊子夹取。
考点(二) 化学仪器的常规使用与创新使用
[知能学通]
1.装置连接时注意操作的先与后
(1)装配仪器时:先下后上,先左后右。
(2)加入试剂时:先固后液。
(3)实验开始时:先检查仪器的气密性,再加入药品,后点燃酒精灯。
(4)有些实验为防倒吸,往往最后停止加热或最后停止通气。
(5)有些实验为防氧化往往最后停止通气。
(6)仪器拆卸的一般过程:从右到左,自上而下,先拆主体,后拆部件。
(7)净化气体时,一般先除去有毒、有刺激性气味的气体,后除去无毒、无气味的气体,最后除去水蒸气。
2.仪器的创新应用
(1)广口瓶的创新应用
装置图
解读
集气装置
收集密度比空气大的气体,如二氧化碳、氯气、氯化氢等,操作要点是_a__进_b__出
收集密度比空气小的气体,如氢气、氨气等,操作要点是_b__进_a__出
盛满水,“_b__进_a__出”可收集不溶于水且不与水反应的气体,如CO、NO等
量气装置
气体从短口端进入广口瓶,将液体压入量筒中,则量筒中水的体积即为所测气体的体积。读数时先要调整量筒高度使广口瓶和量筒内液面相平,然后视线要与量筒内液面最低点相切
洗气装置
用于除去气体中的杂质气体或用于干燥气体,操作要点是长管进气,短管出气
储气装置
瓶内注入一定量的液体,用于暂时贮存反应中产生的气体,操作要求是短管进气,长管出液体,如用饱和食盐水可以储存少量Cl2
安全瓶装置
左右导管均短且等长或进气管短,出气管长。用于防止液体倒吸或减小气体的压强,防止出现安全事故
(2)球形干燥管的创新应用
装置图
解读
尾气吸收装置
①可用于一般尾气的吸收,如内盛碱石灰,可吸收HCl、Cl2、SO2等,如图a;
②可用于防倒吸装置,如极易溶于水的HCl、NH3等,如图b
气体检验装置
如干燥管中内盛无水CuSO4时,可用于水蒸气的检验,如图c
辅助测定气体,防止外界因素干扰;定量测定气体时,有时需要考虑空气中的成分对测定产生的影响,所以在测定装置后,需接一个干燥管,目的是防止空气中的CO2、水蒸气对定量测定产生干扰,如图d
简易的发生装置
类似启普发生器原理,通过调节活塞,进而使产生的气体调控液面高度而决定反应是否继续,如图e
过滤装置
可用于水的净化等较简单的过滤,如图f
(3)其他仪器的创新应用
[题点练通]
化学仪器的常规使用
1.仅用表中提供的玻璃仪器(非玻璃仪器任选)就能实现相应实验目的的是( )
选项
实验目的
玻璃仪器
A
分离水和食用油
分液漏斗、烧杯
B
配制100 mL 0.2 mol·L-1的NaOH溶液
100 mL容量瓶、烧杯、玻璃棒
C
从食盐水中提取NaCl
酒精灯、表面皿、玻璃棒
D
分离水与泥沙
分液漏斗、烧杯
解析:选A A项,要采用分液的方法,要用到分液漏斗、烧杯;B项,缺胶头滴管;C项,不用表面皿,应用蒸发皿;D项,要用过滤的方法分离,要用到普通漏斗、烧杯、玻璃棒。
2.(2019·武汉模拟)用灼烧法证明海带中含有碘元素,各步骤选用的实验用品不必都用到的是( )
选项
实验步骤
实验用品
A
步骤1:将海带灼烧灰化
B
步骤2:将海带灰溶解、过滤
C
步骤3:氧化滤液中的I-
D
步骤4:检验碘元素
解析:选C 灼烧海带,需要用到的仪器有酒精灯、坩埚、泥三角、三脚架,A项不符合题意;海带灰溶解、过滤,需要用到烧杯、漏斗、玻璃棒,B项不符合题意;氧化滤液中的I-,不需要用到容量瓶,C项符合题意;检验碘元素,是检验生成的碘单质,需要用到试管、胶头滴管、淀粉溶液,D项不符合题意。
3.完成下列实验所选择的装置或仪器(夹持装置已略去)不正确的是( )
选项
A
B
C
D
实验
灼烧纯碱观察焰色反应
用CCl4提取溴水中的Br2
从KI和I2的固体混合物中回收I2
除去氯气中的氯化氢
装置或仪器
解析:选C 灼烧固体应该用坩埚,且需要在坩埚上面放置一个表面皿来回收升华出的I2,C项错误。
4.用下列实验装置进行有关实验,能达到实验目的的是( )
A.用装置甲制取少量SO2
B.用装置乙蒸发FeCl3溶液制取FeCl3晶体
C.用装置丙分离CH3COOH和CH3COOCH2CH3的混合液
D.用装置丁制取干燥NH3
解析:选D A项,Cu与浓H2SO4反应需要加热,错误;B项,Fe3+会水解,不可以直接蒸发FeCl3溶液制取FeCl3晶体,应在HCl的氛围中加热蒸发,错误;C项,CH3COOH和CH3COOCH2CH3互溶,不可以用分液法分离,应用蒸馏法,错误;D项,浓氨水遇生石灰放出氨气,碱石灰可以干燥氨气,正确。
5.看图填空:
(1)(2017·全国卷Ⅰ)图1中仪器f的名称是____________________________________。
(2)(2016·浙江高考)图2中仪器A的名称是_________________________________。
(3)(2015·重庆高考)图3中仪器D的名称是___________________________________。
(4)(2015·四川高考)图4中仪器X的名称是__________________________________。
(5)(2014·全国卷Ⅰ)图5中仪器B的名称是_____________________________________。
(6)(2015·浙江高考)图6中的仪器名称:仪器A______,仪器B________。
答案:(1)直形冷凝管 (2)干燥管 (3)锥形瓶 (4)圆底烧瓶 (5)球形冷凝管 (6)坩埚 500 mL容量瓶
仪器的组合与创新使用
6.用如图所示装置进行选项中的实验,能达到实验目的的是( )
A.瓶中盛满水,b口进气,用排水法收集NO2
B.瓶中盛适量浓硫酸,a口进气干燥NH3
C.b口进气,用排空气法收集CO2
D.瓶中装满水,b口进气,通过排水量可测量所制备H2的体积
解析:选D NO2溶于水且与水反应,不能用排水法收集,A项错误;浓H2SO4与NH3反应,故不能用浓H2SO4干燥NH3,B项错误;CO2的密度比空气大,应由a口进气收集CO2,C项错误。
7.下列有关实验装置进行的相应实验,能达到实验目的的是( )
解析:选B 制取少量CO2气体时应用稀盐酸和CaCO3,A项错误;可以通过U形管左右两端的液面差验证镁和稀盐酸反应的热效应,B项正确;氨气的密度比空气小,应用向下排空气法收集,C项错误;酒精与水互溶,不能将FeSO4溶液与空气隔绝,D项错误。
8.如图为常用玻璃仪器组成的六种实验装置,均可根据不同的实验需要在其中加入不同的液体或固体试剂。请用适宜装置的标号完成下列填空:
(1)既能用于收集Cl2,又能用于收集NO的装置是________。
(2)能用于干燥CO2气流的装置是________。
(3)在实验室制取Cl2并检验Cl2部分性质的实验中,用于除去Cl2中HCl杂质的最佳装置是________。
(4)用于尾气吸收并能防止液体倒吸到反应装置中的是________。
(5)接在气体制备的连续实验装置中间,用于控制气流平稳的装置是________。
解析:(1)Cl2与水反应,NO与空气中的O2反应,只能用排液法收集,Cl2用排饱和食盐水法,NO用排水法,选A。(2)装置A中装浓H2SO4长进短出或装置F中加无水CaCl2均可以干燥CO2。(3)除去Cl2中HCl杂质的最佳装置是洗气瓶A。(4)装置C左边安全瓶防倒吸,右边烧杯可吸收尾气,装置E干燥管可防倒吸,试管吸收尾气。(5)装置D可以控制气流平稳。
答案:(1)A (2)AF (3)A (4)CE (5)D
9.化学实验装置的正确连接是实验成功的关键,如图是中学化学中常见的实验装置。
(1)用上述装置制备气体:
①若B中盛放浓硫酸,则A、B、C组合后能制取并收集的气体是________。
a.H2 b.H2S
c.CO2 d.C2H4
②要快速制取并得到干燥的NH3,正确的仪器组合是____________(按制气装置顺序填仪器的字母编号),制气所选用的固体药品是____________。
③若用H2O2和MnO2来制取和收集干燥的O2,则应选择的正确仪器组合是________(按制气装置顺序填仪器的字母编号),检验气体收集满的方法是_________________________。
(2)甲同学用A、B组合来验证盐酸、碳酸、次氯酸的酸性强弱时,盐酸应装入________(填仪器名称)中,B装置中发生反应的离子方程式为_______________________________。
解析:(1)①B中的浓硫酸可以和H2S反应,C装置只能收集密度比空气大的气体,H2、乙烯不符合,所以只能选c。②利用固体NaOH(或生石灰)和浓氨水可以快速制取NH3;NH3密度比空气小,所以采用向下排空气法收集。③O2的密度比空气大,所以采用向上排空气法收集,正确的组合为ABC,检验O2收集满的方法是将带火星的木条靠近集气瓶口,若木条复燃,则说明O2收集满了。(2)在利用A、B组合验证盐酸、碳酸、次氯酸的酸性强弱时,可以采用强酸制弱酸的方法,A中利用盐酸和Na2CO3反应制取CO2,将CO2通入B中的Ca(ClO)2溶液中,可反应生成HClO和CaCO3沉淀。
答案:(1)①c ②AFE 氢氧化钠(或生石灰) ③ABC 将带火星的木条靠近集气瓶口,若木条复燃,则说明氧气已收集满 (2)分液漏斗 Ca2++2ClO-+CO2+H2O===CaCO3↓+2HClO
考点(三) 试剂的存放及实验安全
[知能学通]
1.化学试剂的保存
(1)试剂保存三原则
①方便取用原则。块状固体与粉末试剂一般存放于广口瓶中,便于用镊子或药匙取用;液体试剂一般存放于细口瓶中,便于倾倒或用滴管取用。
②防变质原则。防腐蚀(橡胶塞)、防黏(玻璃塞)、防氧化、防分解等。
③安全性原则。分析药品的性质,确定放置的环境条件,如强氧化性试剂与强还原性试剂不能放在同一药品柜中,以防发生剧烈反应,引起爆炸。
(2)常用试剂瓶及试剂存放方法
①常见的试剂瓶
②常见试剂的存放
保存依据
保存方法
典型实例
防氧化
①密封或用后立即盖好;
②加入还原剂;
③隔绝空气
①Na2SO3、Na2S、KI溶液等用后立即盖好;
②FeSO4溶液中加少量铁屑;
③K、Na保存在煤油里,Li保存在石蜡里,白磷保存在水里
防潮解(或与水反应)
密闭保存
NaOH、CaCl2、CuSO4、P2O5固体、浓硫酸等
防止与CO2反应
密封保存,减少暴露时间
NaOH、Na2CO3溶液、石灰水、Na2O2固体等密封保存
防挥发
①密封,置于阴凉处;②液封
①浓盐酸、浓氨水等密封置于阴凉处;
②液溴用水封
防燃烧
置于冷暗处,不与氧化剂混合贮存,严禁火种
苯、汽油、酒精等
防分解
保存在棕色瓶中,并置于冷暗处
浓HNO3、KMnO4 溶液、
AgNO3溶液、氯水等
防水解
加入酸(碱)抑制水解
FeCl3溶液中加稀盐酸;Na2S溶液中加NaOH溶液
防腐蚀
①腐蚀橡胶的物质用玻璃塞或塑料盖;
②腐蚀玻璃的物质用塑料容器
①浓HNO3、酸性KMnO4溶液、氯水、溴水等腐蚀橡胶;
②氢氟酸保存在塑料瓶中
防黏结
碱性溶液用橡胶塞
NaOH、Na2CO3、
Na2SiO3溶液等
2.化学实验安全操作
(1)认识常用危险化学药品的标志
(2)常见意外事故的处理
意外事故
处理方法
金属钠、钾起火
用沙土盖灭
酒精灯不慎碰倒起火
用湿抹布盖灭
浓碱液溅到皮肤上
用较多水冲洗,然后涂上稀硼酸溶液
浓硫酸溅到皮肤上
用大量水冲洗,然后涂上3%~5% NaHCO3 溶液
不慎将酸溅到眼中
用大量水冲洗,边洗边眨眼睛,切不可用手揉眼睛
温度计水银球不慎碰破
用硫粉覆盖
液溴沾到皮肤上
用酒精擦洗
重金属盐中毒
喝大量豆浆、牛奶,并及时送医院
(3)实验安全装置
(ⅰ)防堵塞安全装置
(ⅱ)防污染安全装置
①实验室制取Cl2时,尾气的处理可采用 _b__装置。
②制取CO时,尾气处理可采用 a、c装置。
③制取H2时是否需要尾气处理?需要。若需要可采用a、c装置。
[题点练通]
试剂的保存
1.下列试剂的保存方法正确的是( )
A.碘通常密封保存于无色广口瓶中
B.白磷常保存于无色广口瓶中,并加适量水液封
C.HF溶液通常密封于细口玻璃瓶中
D.Na2CO3溶液通常密封于带玻璃塞的细口瓶中
解析:选B 碘易升华,应密封保存于棕色广口瓶中,A项错误;白磷易自燃,应加水液封于广口瓶中,B项正确;HF能与玻璃中的SiO2反应,应密封于塑料瓶中,C项错误;Na2CO3溶液中的CO易水解而使溶液显碱性,可与玻璃中的SiO2反应生成Na2SiO3,使瓶塞和瓶颈粘在一起,故Na2CO3溶液应保存于带橡胶塞的试剂瓶中,D项错误。
2.读下列药品标签,有关分析不正确的是( )
选项
A
B
C
D
物品标签
饱和氯水1.01×105Pa,20 ℃
药品:×××
碳酸氢钠NaHCO3俗名小苏打(84 g·mol-1)
浓硫酸H2SO4密度1.84 g·mL-1浓度98.0%
分析
该试剂应装在带橡胶塞的细口瓶中
该药品不能与皮肤直接接触
该物质受热易分解
该药品标签上还标有
解析:选A 氯水具有强氧化性,不能使用橡胶塞,A项错误;腐蚀品会腐蚀皮肤,故不能直接接触皮肤,B项正确;碳酸氢钠受热易分解:2NaHCO3Na2CO3+CO2↑+H2O,C项正确;浓硫酸具有腐蚀性,D项正确。
3.下列保存物质的方法正确的是( )
A.保存液溴时向其中加入少量酒精,减少挥发
B.氢氟酸保存在带塑料塞的玻璃瓶中,防止瓶口和塞子粘住
C.氨水易挥发,应密封且在低温处保存
D.金属锂应保存在煤油中,防止被氧化
解析:选C 溴易溶于酒精,且酒精易挥发,起不到液封的作用,A错误;氢氟酸能与玻璃反应,应保存在塑料瓶中,B错误;金属锂的密度比煤油小,会漂浮在煤油上面,锂和空气中的氧气、水蒸气等均能发生反应,金属锂应保存在固体石蜡中,D错误。
4.请完成下列空白:
(1)存放AlCl3溶液时,通常加入适量的________,其目的是__________________________。
(2)Ca(OH)2溶液通常存放于带________塞的细口瓶中,原因是________________________________________________________________________。
(3)工业上浓硫酸可存放于铁罐中,其原因是______________________________。
(4)Na2O2在空气中放置一段时间后,变成白色物质,发生反应的化学方程式为____________________________________________。
解析:(1)因为AlCl3易发生水解反应:AlCl3+3H2OAl(OH)3+3HCl,通常需要加入适量的稀盐酸抑制AlCl3水解。(2)Ca(OH)2溶液可与玻璃中的SiO2反应生成硅酸盐,故常将Ca(OH)2溶液存放于带橡胶塞的细口瓶中。(3)常温下,铁遇浓硫酸会发生钝化,故可将浓硫酸存放于铁罐中。(4)Na2O2与空气中的CO2、H2O均可发生反应,发生反应的化学方程式分别为2Na2O2+2CO2===2Na2CO3+O2,2Na2O2+2H2O===4NaOH+O2↑,生成的NaOH还会与空气中的CO2反应,发生反应的化学方程式为2NaOH+CO2===Na2CO3+H2O。
答案:(1)稀盐酸 抑制AlCl3水解
(2)橡胶 Ca(OH)2溶液与玻璃中的SiO2反应生成硅酸盐
(3)常温下,铁遇浓硫酸发生钝化
(4)2Na2O2+2CO2===2Na2CO3+O2,2Na2O2+2H2O===4NaOH+O2↑,2NaOH+CO2===Na2CO3+H2O
化学实验安全及意外事故的处理
5.(2017·海南高考)下列危险化学品标志中表示腐蚀品的是( )
解析:选A A为腐蚀品标志;B为易燃固体标志;C为辐射标志;D为氧化剂标志。
6.(2015·山东高考)进行化学实验时应强化安全意识。下列做法正确的是( )
A.金属钠着火时使用泡沫灭火器灭火
B.用试管加热碳酸氢钠固体时使试管口竖直向上
C.浓硫酸溅到皮肤上时立即用稀氢氧化钠溶液冲洗
D.制备乙烯时向乙醇和浓硫酸的混合液中加入碎瓷片
解析:选D A项,钠着火时应该用沙土盖灭,不能用泡沫灭火器,主要是因为钠燃烧生成Na2O2,Na2O2与CO2、H2O反应生成的O2有助燃作用,错误;B项,用试管加热NaHCO3固体时,试管口应略向下倾斜,否则会使生成的水倒流,炸裂试管,错误;C项,浓硫酸溅到皮肤上,应迅速用大量水冲洗,不能用NaOH溶液冲洗,因为NaOH溶液具有腐蚀性,错误;D项,制备乙烯时向乙醇和浓硫酸的混合液中加入碎瓷片,可防止液体暴沸,正确。
7.用下列实验装置完成对应的实验(部分仪器已省略),能达到实验目的的是( )
解析:选D A项中导气管应长进短出;B项中导管插入液面以下易引起倒吸;C项中温度计水银球应处于蒸馏烧瓶支管口处。
8.下列实验操作与安全事故处理错误的是( )
A.用试管夹从试管底由下往上夹住距离管口约三分之一处,手持试管夹长柄末端进行加热
B.制备乙酸乙酯时,将乙醇和乙酸依次加入到浓硫酸中
C.把玻璃管插入橡胶塞孔时,用厚布护手,紧握用水湿润的玻璃管插入端,缓慢旋进塞孔中
D.实验时不慎打破温度计水银球,用滴管将水银吸出放入水封的小瓶中,残存的温度计插入装有硫粉的广口瓶中
解析:选B 制备乙酸乙酯时,向试管中加入试剂的顺序:乙醇→浓硫酸→乙酸。
考点(四) 实验基本操作
[知能学通]
1.药品的取用
(1)根据药品的状态和用量选择取用方法
取用药品
固体药品
液体药品
粉末
块状
一定量
少量
较多量
一定量
使用
仪器
药匙(或纸槽)
镊子
托盘天平
胶头滴管
用试剂瓶倾倒
量筒、滴定管
(2)向仪器内加入药品的操作方法
①向容器内加固体药品
②向容器内加液体药品
2.常见试纸的使用
(1)试纸的种类及用途
(2)试纸的使用方法
①检验溶液:取一小块试纸放在玻璃片或表面皿上,用玻璃棒蘸取液体,点在试纸中部,观察试纸的颜色变化 ,若用pH试纸测溶液的pH时,等pH试纸变色后,与标准比色卡对照。
②检验气体:先用蒸馏水把试纸润湿,用镊子夹取或粘在玻璃棒的一端,然后再放在集气瓶口或导管口处,观察试纸的颜色变化。
3.物质的溶解或稀释
(1)固体的溶解
一般在烧杯或试管里进行,为了加速溶解,常采用搅拌、粉碎、振荡或加热等措施,但FeCl3、AlCl3等易水解的固体溶解时不能加热。
(2)液体的稀释
用量筒分别量取一定体积被溶解的液体和溶剂,然后加入烧杯中搅拌稀释。但对于稀释放热较多的液体,往往先加入密度较小的液体,再沿烧杯内壁缓缓加入密度较大的液体,边加边搅拌。如稀释浓H2SO4时是把浓H2SO4慢慢加入到水中,并用玻璃棒不断搅拌。
(3)气体的溶解
①对溶解度较小的气体(如Cl2、CO2、H2S等),为了增大气体分子与水分子的接触机会,应将气体导管插入水中(如图A)。
②对极易溶于水的气体(如NH3、HCl等),气体导管口只能靠近液面,最好在导管口连接一倒置的漏斗(漏斗边缘刚好与液面相切)或干燥管,这样可以增大气体的吸收率,减少气体的逸出,同时也避免出现液体倒吸的现象(如图B、C和D)。
4.仪器的洗涤
(1)方法:使用毛刷,用去污剂和水冲洗。
(2)洗净的标准:玻璃仪器内壁附着均匀的水膜,既不聚成滴,也不成股流下。
(3)常见残留物的洗涤
残留物
洗涤剂
容器里附有的油污
NaOH溶液或热的纯碱溶液
容器壁上附着的硫
CS2或热的NaOH溶液
试管上的银镜
稀HNO3
AgCl
氨水
容器内残留的MnO2
热的浓盐酸
烧杯内残留的碘
酒精或NaOH溶液
长期存放FeCl3溶液的试剂瓶上附着的Fe(OH)3
稀盐酸
长期存放澄清石灰水的试剂瓶上附着的CaCO3
稀盐酸
5.装置的气密性检查
检查装置气密性的基本思路是使装置内外压强不等,观察气泡或液面变化。
(1)微热法:如图a。用酒精灯微热或用手捂热容器,导管口产生气泡,停止加热或松开手后导管内形成一段水柱,证明装置不漏气。
(2)液差法:如图b、c。连接好仪器,b中的弹簧夹夹紧,从长颈漏斗中注入适量水,使b中长颈漏斗中的液面高于锥形瓶中的液面,静置,若液面位置保持不变,证明装置不漏气。c中,从乙管加入适量水,使乙管液面高于甲管液面,静置,若液面位置保持不变,证明装置不漏气。
(3)滴液法:如图d。向分液漏斗中注入适量水,关闭弹簧夹,打开分液漏斗活塞,如果滴入少量水后很快停止流下,则装置气密性良好。
(4)抽气(吹气)法:如图e、f。e中关闭分液漏斗的活塞,轻轻向外拉动或向里推动注射器的活塞,一段时间后,活塞能回到原来的位置,表明装置的气密性良好。f中打开弹簧夹,向导管口吹气,如果长颈漏斗中的液面上升,且停止吹气后,夹上弹簧夹,长颈漏斗液面保持稳定,则表明装置的气密性良好。
6.物质的加热
(1)固体的加热
①试管口要略向下倾斜,防止生成的水倒流,引起试管炸裂。
②先给试管均匀加热,受热均匀后再固定在药品部位加热。
(2)液体的加热
①加热前,先把玻璃容器外壁的水擦干,以免炸裂试管;用试管夹夹住试管中上部,管口向上倾斜,不得对人,以防液体沸腾时溅出烫伤人。
②试管内液体的体积不超过试管容积的 。
(3)加热的方式
加热方式
适用范围
直接加热
瓷质、金属质或小而薄的玻璃仪器(如试管)等
隔石棉网加热
较大的玻璃反应器(如烧杯、烧瓶等)
浴热(水浴、油浴、砂浴等)
①需严格控制温度(如硝基苯的制备);
②需反应混合液静止(如银镜反应);
③蒸馏沸点差较小的混合液
[题点练通]
1.下列实验或操作正确的是( )
解析:选A B项,结晶应在蒸发皿中进行;C项,稀释浓硫酸应在烧杯中进行;D项,酸性KMnO4溶液应盛放在酸式滴定管中。
2.下列实验操作中完全正确的是( )
①将试管平放,用纸槽往试管里送入固体粉末,然后直立试管
②用坩埚钳夹取加热后的蒸发皿
③蒸馏石油时,温度计水银球插入液面以下
④酒精灯用完后,用嘴吹灭
⑤用分液漏斗分离四氯化碳和水的混合液时,四氯化碳层和水层依次从漏斗下口放出,用不同的容器盛接
⑥往试管中倾倒液体时,试剂瓶标签向着手心
A.①⑤⑥ B.①②⑥
C.②③⑤ D.①②③⑤⑥
解析:选B ③蒸馏时,温度计水银球应置于烧瓶的支管口处;④酒精灯用完后,用灯帽盖灭;⑤分液时,下层液体从下口放出,上层液体从上口倒出。
3.下列关于实验中的“先与后”的说法中正确的是( )
①加热试管时,先均匀加热,后局部加热
②用排水法收集气体时,先移出导管,后熄灭酒精灯
③制取某气体时,先检查装置的气密性,后加药品
④使用容量瓶、分液漏斗、滴定管前先检查是否漏液,后洗涤
⑤使用滴定管前,先用标准液润洗,后盛装标准液
A.除②外 B.除④外
C.除⑤外 D.全部正确
解析:选D ①可防止试管因局部过热而炸裂,正确;②可防止液体倒流,防止仪器炸裂,正确;③实验前应先检查装置的气密性,正确;④漏液的容量瓶、分液漏斗、滴定管不能使用,正确;⑤如果不用标准液润洗,会造成误差,正确。
4.下列实验操作正确且能达到相应实验目的的是( )
选项
实验目的
实验操作
A
称取2.0 g NaOH固体
先在托盘上各放1张滤纸,然后在右盘上添加2 g砝码,左盘上添加NaOH固体
B
配制FeCl3溶液
将FeCl3固体溶于适量蒸馏水
C
检验溶液中是否含NH
取少量试液于试管中,加入NaOH溶液并加热,用湿润的红色石蕊试纸检验产生的气体
D
验证铁的吸氧腐蚀
将铁钉放入试管中,用盐酸浸没
解析:选C NaOH易潮解且有腐蚀性,不能放在滤纸上称量,A项错误;FeCl3易水解,配制FeCl3溶液时,将FeCl3固体溶于浓盐酸中,再加蒸馏水稀释到所需浓度,B项错误;检验NH时,加入NaOH溶液并加热,用湿润的红色石蕊试纸检验生成的氨气,C项正确;验证铁的吸氧腐蚀,应将铁钉放在试管中,用NaCl溶液浸没,若用盐酸浸没,则发生析氢腐蚀,D项错误。
5.(2018·全国卷Ⅲ)下列实验操作不当的是( )
A.用稀硫酸和锌粒制取H2时,加几滴CuSO4溶液以加快反应速率
B.用标准HCl溶液滴定NaHCO3溶液来测定其浓度,选择酚酞为指示剂
C.用铂丝蘸取某碱金属的盐溶液灼烧,火焰呈黄色,证明其中含有Na+
D.常压蒸馏时,加入液体的体积不超过圆底烧瓶容积的三分之二
解析:选B 加几滴CuSO4溶液发生反应:Zn+Cu2+===Zn2++Cu,Zn与置换出来的Cu及稀H2SO4构成CuZn原电池,加快了放出H2的速率,A项正确;用标准盐酸滴定NaHCO3溶液,滴定至终点时溶液呈弱酸性,应选用甲基橙作指示剂,B项错误;黄色是Na+的焰色,C项正确;常压蒸馏时,加入液体的体积既不能太少,也不能超过圆底烧瓶容积的三分之二,D项正确。
6.(2017·全国卷Ⅲ)下列实验操作规范且能达到目的的是( )
选项
目的
操作
A
取20.00 mL盐酸
在50 mL酸式滴定管中装入盐酸,调整初始读数为30.00 mL后,将剩余盐酸放入锥形瓶
B
清洗碘升华实验所用试管
先用酒精清洗,再用水清洗
C
测定醋酸钠溶液pH
用玻璃棒蘸取溶液,点在湿润的pH试纸上
D
配制浓度为0.010 mol·L-1的KMnO4溶液
称取KMnO4固体0.158 g,放入100 mL容量瓶中,加水溶解并稀释至刻度
解析:选B 50 mL酸式滴定管的50.00 mL刻度下方没有刻度,但仍有盐酸,所以调整初始读数为30.00 mL后,放入锥形瓶中盐酸的体积大于20.00 mL,A项错误;碘易溶于酒精,清洗试管中附着的碘可以先用酒精清洗,再用水清洗,B项正确;醋酸钠溶液呈碱性,测定醋酸钠溶液的pH时,pH试纸不能预先润湿(润湿相当于将溶液稀释),否则测定的pH会偏低,应用玻璃棒蘸取溶液点在干燥的pH试纸上,C项错误;配制一定物质的量浓度的溶液,应在烧杯中溶解固体,冷却至室温后再转移到容量瓶中定容,不能在容量瓶中直接配制溶液,D项错误。
7.(2016·全国卷Ⅲ)下列有关实验的操作正确的是( )
实验
操作
A
配制稀硫酸
先将浓硫酸加入烧杯中,后倒入蒸馏水
B
排水法收集KMnO4分解产生的O2
先熄灭酒精灯,后移出导管
C
浓盐酸与MnO2反应制备纯净Cl2
气体产物先通过浓硫酸,后通过饱和食盐水
D
CCl4萃取碘水中的I2
先从分液漏斗下口放出有机层,后从上口倒出水层
解析:选D A项,稀释浓H2SO4时,应将浓H2SO4沿器壁慢慢注入水中,并且用玻璃棒不断搅拌,切不可将水倒入浓H2SO4中,以免发生液滴飞溅;B项,加热 KMnO4制取O2,实验结束时应先撤导管,后熄灭酒精灯,否则水会倒吸,炸裂试管;C项,制备纯净Cl2时,应先通过饱和食盐水除去HCl气体,再通过浓H2SO4干燥气体;D项,萃取操作时,先从下口放出有机层,再从上口倒出水层,操作正确。
8.(2016·海南高考)下列有关实验操作的叙述错误的是( )
A.过滤操作中,漏斗的尖端应接触烧杯内壁
B.从滴瓶中取用试剂时,滴管的尖嘴可以接触试管内壁
C.滴定接近终点时,滴定管的尖嘴可以接触锥形瓶内壁
D.向容量瓶转移液体时,导流用玻璃棒可以接触容量瓶内壁
解析:选B A项,过滤操作中,漏斗的尖端应接触烧杯内壁,使液体顺利流下,正确;B项,从滴瓶中取用试剂时,滴管的尖嘴接触试管内壁,容易造成试剂污染,错误;C项,滴定接近终点时,滴定管的尖嘴可以接触锥形瓶内壁,可以使残余在滴定管尖嘴的液体进入到锥形瓶中,正确;D项,向容量瓶中转移液体时,引流用的玻璃棒可以接触容量瓶内壁,使液体顺利流下,正确。
9.(2014·全国卷Ⅰ)下列有关仪器的使用方法或实验操作正确的是( )
A.洗净的锥形瓶和容量瓶可以放进烘箱中烘干
B.酸式滴定管装标准溶液前,必须先用该溶液润洗
C.酸碱滴定实验中,用待滴定溶液润洗锥形瓶以减小实验误差
D.用容量瓶配溶液时,若加水超过刻度线,立即用滴管吸出多余液体
解析:选B 容量瓶不能用烘箱烘干,否则会变形,定容不准确,A错误;滴定管装标准液前,需先用标准溶液润洗,B正确;酸碱滴定实验中,不能用待测液润洗锥形瓶,否则会导致锥形瓶中待测液的量增多,使实验误差增大,C错误;配制溶液时,若加水超过容量瓶的刻度线,则需重新配制,D错误。
10.根据图示及描述回答下列问题。
(1)检验装置A气密性的方法是______________________________________________。
(2)关闭图B装置中的止水夹a后,从长颈漏斗向试管中注入一定量的水,静置后如图所示。试判断:B装置是否漏气?__________(填“漏气”“不漏气”或“无法确定”),判断理由是____________________________________________________________________。
(3)关闭图C装置中的止水夹a后,开启活塞b,水不断往下滴,直至全部流入烧瓶。试判断:C装置是否漏气?______(填“漏气”“不漏气”或“无法确定”),判断理由是________________________________________________________________。
答案:(1)关闭分液漏斗上的活塞,塞紧瓶塞,把导气管的一端浸入水中,用双手紧握锥形瓶底部,如果观察到导气管口有气泡冒出,而且在松开手后,导管中形成一段水柱,则证明装置气密性好(即手捂法)[或关闭止水夹a,打开分液漏斗的活塞,从分液漏斗中加入足量的水,使分液漏斗中出现水柱,水柱高度在一段时间内保持不变,则说明装置不漏气(即注水法)]
(2)不漏气 由于不漏气,加水后试管内气体体积减小,导致压强增大,使长颈漏斗内的水面高于试管内的水面
(3)无法确定 由于分液漏斗和烧瓶间有橡皮管相连,使分液漏斗中液面上方和烧瓶中液面上方的压强相同,无论装置是否漏气,都不影响分液漏斗中的液体滴入烧瓶
归纳拓展
1.熟记化学实验的规范操作要求
(1)化学实验中的6个“上、下”
①收集气体时,相对分子质量大于29的用向上排空气法收集,小于29的用向下排空气法收集。
②分液操作时,下层液体应打开旋塞从下口放出,上层液体要从分液漏斗的上口倒出。
③配制一定物质的量浓度溶液,在引流时,玻璃棒的上面不能靠在容量瓶口,而下端则应靠在容量瓶刻度线下的内壁上(即下靠上不靠,下端靠线下)。
④用水冷凝气体时,冷凝管中水从下端口流入上端口流出(逆流原理)。
⑤温度计测液体温度时,水银球应在液面下,而测蒸气温度时,应在液面上。
⑥制气体实验中,长颈漏斗的末端应插入液面下,而用分液漏斗加液时,漏斗下端不能插入液面下。
(2)化学实验中的9个“先与后”
①加热试管时,先均匀加热,后局部加热。
②使用容量瓶、分液漏斗、滴定管前,先检查是否漏水,后洗涤干净。
③制取气体时,先检查装置的气密性,后装药品。
④用排液法收集气体时,先移导管后撤酒精灯。
⑤用石蕊试纸、淀粉碘化钾试纸检验气体性质时,要先用蒸馏水将试纸润湿,再将试纸靠近气体检验。
⑥中和滴定实验,用蒸馏水洗净的滴定管、移液管要先用待盛液洗涤2~3次后,再盛装试液。注入滴定管中的液体液面开始在“0”刻度以上,当赶走滴定管尖嘴部分的空气后,溶液液面应在“0”刻度或“0”刻度以下。
⑦点燃可燃性气体时,应先验纯后点燃(比如H2的爆炸极限是在与氧气混合4%到74.2%时,如果不验纯,就不知道集气瓶内有没有掺杂的氧气,点燃时就容易爆炸);净化气体时,应先净化后干燥。
⑧配制一定物质的量浓度溶液时,溶解或稀释后的溶液应先冷却再移入容量瓶。
⑨检验蔗糖、淀粉水解程度时,先在水解后的溶液中加NaOH溶液中和H2SO4,再加银氨溶液或新制Cu(OH)2悬浊液。
2.常见错误操作
(1)倾倒液体药品时,试剂瓶口未紧挨仪器致使药品外流,标签没向着手心,造成标签被腐蚀。
(2)使用托盘天平时将被称量物质直接放在托盘上或放错托盘。
(3)使用胶头滴管滴加液体将滴管尖嘴伸入接受器口内或接触接受器壁[除制取Fe(OH)2外]。
(4)不能依据需量取的液体体积选择合适量程的量筒。
(5)在量筒或容量瓶内进行溶解、稀释或混合等操作。
(6)检查装置气密性没有形成封闭系统(如未关闭活塞、未将导管末端浸入水下等)。
(7)向容量瓶中转移液体没有用玻璃棒引流。
(8)配制溶液定容时没有用胶头滴管或加水过多再用胶头滴管吸出。
(9)酸式滴定管和碱式滴定管盛装溶液错误,中和滴定实验中锥形瓶用待测液润洗错误。
(10)吸收极易溶于水的气体,忘记防倒吸。
(11)对坩埚中的固体加热时,误用玻璃棒搅拌。
(12)用pH试纸定量测定溶液的pH时,不能用润湿的pH试纸测量溶液的pH;若用润湿的pH试纸测定溶液的pH,不一定会产生误差。润湿pH试纸相当于测定稀释后的待测溶液的pH:测定酸性溶液的pH时,测得值偏大;测定碱性溶液的pH时,测得值偏小;测定中性溶液的pH时,则无影响。
1.了解化学实验是科学探究过程中的一种重要方法。
2.了解化学实验室常用仪器的主要用途和使用方法。
3.掌握化学实验的基本操作。能识别化学品标志。了解实验室一般事故的预防和处理方法。
4.掌握常见气体的实验室制法(包括所用试剂、反应原理、仪器和收集方法)。
5.掌握常见物质检验、分离和提纯的方法。
6.根据化学实验的目的和要求,能做到:
①设计实验方案;②正确选用实验装置;③掌握控制实验条件的方法;④预测或描述实验现象、分析或处理实验数据,得出合理结论;⑤评价或改进实验方案。
7.以上各部分知识与技能的综合应用。
第一节化学实验基础
考点(一) 常用的实验仪器
[知能学通]
1.热源仪器
仪器
使用方法和注意事项
①酒精灯所装酒精的量不能超过其容积的,不能少于;
②加热时要用外焰,熄灭时要用灯帽盖灭,不能吹灭;
③绝对禁止向燃着的酒精灯里添加酒精、用燃着的酒精灯引燃另一只酒精灯
需要加强热的实验用酒精喷灯加热
2.可加热仪器
(1)直接加热仪器
仪器
主要用途
使用方法和注意事项
试管
少量物质的反应容器、可收集少量气体等
①液体体积不超过其容积的;
②加热固体时试管口应略向下倾斜
蒸发皿
溶液浓缩或蒸发
取放时要使用坩埚钳,加热后要放在石棉网上冷却
坩埚
用于固体物质的高温灼烧
放在三脚架上的泥三角上加热,移动时要用坩埚钳夹取
[注意] (1)移动试管用试管夹,移动蒸发皿和坩埚用坩埚钳。
(2)熔融固体NaOH不能用瓷坩埚,而使用铁坩埚。原因是NaOH能与瓷坩埚中的成分SiO2发生化学反应:2NaOH+SiO2===Na2SiO3+H2O。
(2)垫石棉网加热仪器
仪器
使用方法和注意事项
圆底烧瓶
液体体积约占其容积的 ~
锥形瓶
可作反应器,滴定时液体体积不超过其容积的
烧杯
溶解固体时要用玻璃棒搅拌,加热液体时,液体体积不超过其容积的
三颈烧瓶
三颈口一般放置温度计、搅拌器、冷凝管、分液漏斗等
3.常用于分离、提纯的仪器
仪器
主要用途
使用方法和注意事项
普通漏斗
①向小口容器中转移液体;
②加滤纸后,可用于过滤液体
①制作过滤器时,滤纸紧贴漏斗内壁,用水润湿,注意不能留有气泡;
②滤纸上缘低于漏斗边缘,液体低于滤纸边缘
分液漏斗
①用于随时添加液体;
②萃取、分液
①使用前注意检查活塞,不能漏液;
②分离液体时,下层液体由下口放出,上层液体由上口倒出;
③振荡之后要注意放气,避免炸裂
蒸发皿
蒸发或浓缩溶液
可直接加热,加热时液体体积不超过其容积的,当有大量晶体析出时即停止加热,利用余热蒸干溶液
蒸馏烧瓶
蒸馏或分馏
①加热时要垫石棉网;
②加热时液体体积不超过其容积的,不少于其容积的;
③应加沸石,防止液体暴沸
洗气瓶
除去气体中的杂质,其中广口瓶可换作大试管或锥形瓶
①一般选择能与杂质气体反应的试剂作吸收剂;
②装入液体体积不宜超过其容积的;
③气体的流向为A进B出
①用于蒸馏或分馏时冷凝易液化的气体;
②有利于液体回流
①直形冷凝管一般用于蒸馏或分馏时冷凝;
②球形冷凝管通常用于回流;
③冷却水下口进上口出
内装固体干燥剂或吸收剂,用于干燥或吸收某些气体
不可装液体干燥剂
用于干燥或吸收某些气体
①气体一般“粗进细出”;
②干燥剂为粒状,常用CaCl2、碱石灰等
用于存放干燥的物质或使潮湿的物质干燥
很热的物质应稍冷后放入
4.计量仪器
仪器
使用方法和注意事项
①读数时视线与凹液面最低处相平;
②无“0”刻度,刻度由下而上逐渐增大;
③精确度为 0.1 mL;
④选取规格要遵循“大而近”的原则,如量取5.6 mL NaOH溶液应选取10 mL量筒,而不能选用50 mL量筒;
⑤不可加热,不可作反应容器,不可用于溶液的稀释
①所测量的温度要在温度计的量程范围内;
②测量液体温度时,温度计的水银球部位应浸在液体内;测量蒸气温度时,应使温度计的水银球置于蒸馏烧瓶支管口处;
③不能用于搅拌,温度计的水银球也不能接触容器壁
容量瓶
①使用前要检查是否漏水;
②加液体用玻璃棒引流,当液面距刻度线1~2 cm时改用胶头滴管,加液体至凹液面最低处与刻度线相切
①使用前要检查是否漏水;
②“0”刻度在上方;
③精确度为 0.01 mL;
④A用于量取酸性溶液和强氧化性溶液,B用于量取碱性溶液;
⑤装液前要先用待装液润洗2~3次
①称量前先要调零;
②左盘放物品,右盘放砝码;
③精确度是 0.1 g;
④药品不能直接放在托盘上,易潮解、具有腐蚀性的药品如NaOH等应放在小烧杯中称量
5.其他常用仪器
仪器
主要用途
使用方法和注意事项
①滴瓶用于盛放少量液体药品;
②胶头滴管用于吸取和滴加液体
①滴瓶上的滴管与滴瓶配套使用;
②胶头滴管使用时不要将液体吸入胶头内,不能平置和倒置;滴液时不可接触器壁
①用于贮存固体药品,瓶口内壁磨砂,并配有磨砂的玻璃塞;
②用于贮存液体药品,有无色和棕色,棕色的常用于存放见光易分解的药品
①不宜盛放易挥发物质,盛放碱性物质时还应改用软木塞或橡胶塞;
②盛放氧化性药品时一定要用玻璃塞
用于收集和贮存少量气体
上口为平面磨砂,内侧不磨砂。如果在其中进行燃烧反应且有固体生成时,应在底部加少量水或细砂
①作烧杯、蒸发皿等容器的盖子;
②用于pH试纸等试纸的变色实验
不能加热
[题点练通]
1.判断下列说法的正误(正确的打“√”,错误的打“×”)。
(1)量筒、容量瓶、锥形瓶都是不能加热的玻璃仪器( )
(2)灼烧固体时,坩埚放在铁圈或三脚架上直接加热( )
(3)高温焙烧时,用于盛放固体的仪器名称是蒸发皿( )
(4)如图A配制250 mL 0.1 mol·L-1的盐酸( )
(5)如图B用稀盐酸滴定NaOH溶液( )
(6)图C中仪器a的名称是蒸馏烧瓶,b的名称是分液漏斗( )
(7)图D记录滴定终点读数为12.20 mL( )
(8)分离Br2和CCl4混合物的主要仪器是分液漏斗、烧杯( )
答案:(1)× (2)× (3)× (4)× (5)× (6)×
(7)× (8)×
2.实验室用酒精灯加热时必须使用石棉网的仪器是( )
A.烧杯 B.蒸发皿 C.试管 D.坩埚
解析:选A 直接加热的仪器有试管、蒸发皿、坩埚等;垫石棉网加热的仪器有烧杯、锥形瓶、圆底烧瓶、三颈烧瓶等。
3.下列选用的相关仪器符合实验要求的是( )
解析:选B 浓硝酸具有强氧化性,不能用橡胶塞,一般用玻璃塞保存在棕色细口瓶中,A项错误;水和乙酸乙酯互不相溶,用分液漏斗分离,B项正确;用量筒量取液体只能精确到0.1 mL,C项错误;向试管中放入块状固体时,应遵循“一平二放三滑入”的原则,D项错误。
4.下列仪器对应的名称正确的是( )
解析:选B A项为泥三角;C项为球形分液漏斗;D项为坩埚,但不能确定其是否为瓷坩埚。
5.下列操作中,仪器使用不正确的是( )
A.用碱式滴定管盛装高锰酸钾溶液
B.用铁坩埚灼烧烧碱
C.用铁坩埚除去纯碱晶体中的结晶水
D.加热蒸发皿时不用石棉网
解析:选A 高锰酸钾溶液具有强氧化性,能腐蚀碱式滴定管下端的橡胶管。
6.利用实验器材(规格和数量不限)能完成相应实验的一项是( )
选项
实验器材(省略夹持装置)
相应实验
A
烧杯、玻璃棒、蒸发皿
CuSO4溶液的浓缩结晶
B
烧杯、玻璃棒、胶头滴管、滤纸
用盐酸除去BaSO4中少量BaCO3
C
烧杯、玻璃棒、胶头滴管、容量瓶
用固体NaCl配制0.5 mol·L-1的溶液
D
烧杯、玻璃棒、胶头滴管、分液漏斗
用溴水和CCl4除去NaBr溶液中少量NaI
解析:选D 蒸发浓缩需要酒精灯,A项错误;过滤需要漏斗,B项错误;称量NaCl固体需要托盘天平,C项错误。
7.茶叶中铁元素的检验可经过以下四个步骤完成:将茶叶灼烧灰化→用浓硝酸溶解茶叶灰→过滤得到滤液→检验滤液中的Fe3+。如图是可能用到的实验用品。
有关该实验的说法中正确的是( )
A.第一步只需选用仪器①、②和⑨,①的名称叫坩埚
B.第二步用浓硝酸溶解茶叶灰并加蒸馏水稀释,选用④、⑥和⑦
C.要完成第三步,需选用④、⑤和⑦,除夹持仪器外还缺滤纸
D.第四步,若滤液中含有Fe3+,直接加入⑧中的溶液后滤液会显红色
解析:选C 第一步除需要①②⑨外还需要坩埚钳和铁架台,A项错误;⑥不能用于溶液的稀释,B项错误;不能向滤液中直接加入⑧中的溶液,而应取适量滤液于试管中,用滴管滴入少量KSCN溶液,D项错误。
8.实验室加热约150 mL液体时,可以使用的仪器组合是________(填标号)。
①
②
③
④
⑤
⑥
答案:①③④⑥
9.用常见化学仪器填写下面空白。
在上述仪器中:
(1)写出下列标号的仪器名称:①________,③________,⑤____________,⑧____________,⑮________。
(2)可用酒精灯直接加热的仪器是____________(填标号,下同),需要垫石棉网加热的是____________,存在0刻度的是____________。
(3)在使用前需检查仪器是否漏液的是____________,其中可用于物质分离的是____________,可用于一定物质的量浓度溶液配制的是______________。
(4)⑧不能用于组装蒸馏装置的原因是____________________________________。
(5)量取10.00 mL 0.1 mol·L-1的NaOH溶液应选用的仪器是________;用仪器⑪称量药品时其精确度为________。
(6)将海带灼烧灰化,选用________。
(7)过滤得到滤液,选用________。
答案:(1)分液漏斗 容量瓶 酸式滴定管 球形冷凝管 泥三角
(2)⑫⑬ ⑥⑦⑰ ④⑤⑩⑪ (3)①③④⑤ ① ③
(4)冷凝后的液体容易残留在球形区域内 (5)④ 0.1 g
(6)⑫⑭⑮ (7)②⑯⑰
归纳拓展
1.实验仪器的选择
量器
①粗略量取液体的体积用量筒;
②精确量取液体的体积用滴定管
容器
①少量液体的实验用试管,较大量液体的实验用烧瓶(或锥形瓶);
②蒸发结晶用蒸发皿;
③对固体高温灼烧时用坩埚
漏斗
①进行过滤操作时用普通漏斗;
②组装简易气体发生装置用长颈漏斗;
③组装要求控制反应速率的气体发生装置用分液漏斗
除杂
仪器
①所用除杂试剂是固体时选用干燥管;
②所用除杂试剂是液体时选用洗气瓶
2.化学仪器中的几个“0”和精确度
(1)托盘天平的精确度为0.1 g。
(2)量筒的精确度为0.1 mL,无“0”刻度,小刻度在下方。
(3)滴定管的精确度为0.01 mL,“0”刻度在上方。
(4)容量瓶只有一条刻度线,只能读取一个值,该数值为容量瓶的容量值。
(5)pH试纸的读数只能取整数。
3.规范书写仪器的名称
(1)易写错的仪器名称:坩埚、坩埚钳、砝码。
(2)易写混的仪器名称:三脚架与泥三角、长颈漏斗与分液漏斗、圆底烧瓶与蒸馏烧瓶。
4.实验仪器使用注意事项
(1)酸式滴定管不能装碱性溶液,碱式滴定管不能装酸性及氧化性溶液。
(2)容量瓶不能长期存放溶液,更不能作为反应容器,也不可加热,瓶塞不可互用。
(3)烧瓶、烧杯、锥形瓶不可直接加热。
(4)pH试纸不能直接蘸取待测液,不能用蒸馏水润湿。
(5)药品不能入口和用手直接接触,实验剩余药品不能放回原处(K、Na等除外),不能随意丢弃,要放入指定容器中。
(6)中和滴定实验中锥形瓶不能用待测液润洗。
(7)量筒不能用来配制溶液或进行化学反应,更不能用来加热或量取热的溶液。
(8)试纸不能直接用手拿,要用镊子夹取。
考点(二) 化学仪器的常规使用与创新使用
[知能学通]
1.装置连接时注意操作的先与后
(1)装配仪器时:先下后上,先左后右。
(2)加入试剂时:先固后液。
(3)实验开始时:先检查仪器的气密性,再加入药品,后点燃酒精灯。
(4)有些实验为防倒吸,往往最后停止加热或最后停止通气。
(5)有些实验为防氧化往往最后停止通气。
(6)仪器拆卸的一般过程:从右到左,自上而下,先拆主体,后拆部件。
(7)净化气体时,一般先除去有毒、有刺激性气味的气体,后除去无毒、无气味的气体,最后除去水蒸气。
2.仪器的创新应用
(1)广口瓶的创新应用
装置图
解读
集气装置
收集密度比空气大的气体,如二氧化碳、氯气、氯化氢等,操作要点是_a__进_b__出
收集密度比空气小的气体,如氢气、氨气等,操作要点是_b__进_a__出
盛满水,“_b__进_a__出”可收集不溶于水且不与水反应的气体,如CO、NO等
量气装置
气体从短口端进入广口瓶,将液体压入量筒中,则量筒中水的体积即为所测气体的体积。读数时先要调整量筒高度使广口瓶和量筒内液面相平,然后视线要与量筒内液面最低点相切
洗气装置
用于除去气体中的杂质气体或用于干燥气体,操作要点是长管进气,短管出气
储气装置
瓶内注入一定量的液体,用于暂时贮存反应中产生的气体,操作要求是短管进气,长管出液体,如用饱和食盐水可以储存少量Cl2
安全瓶装置
左右导管均短且等长或进气管短,出气管长。用于防止液体倒吸或减小气体的压强,防止出现安全事故
(2)球形干燥管的创新应用
装置图
解读
尾气吸收装置
①可用于一般尾气的吸收,如内盛碱石灰,可吸收HCl、Cl2、SO2等,如图a;
②可用于防倒吸装置,如极易溶于水的HCl、NH3等,如图b
气体检验装置
如干燥管中内盛无水CuSO4时,可用于水蒸气的检验,如图c
辅助测定气体,防止外界因素干扰;定量测定气体时,有时需要考虑空气中的成分对测定产生的影响,所以在测定装置后,需接一个干燥管,目的是防止空气中的CO2、水蒸气对定量测定产生干扰,如图d
简易的发生装置
类似启普发生器原理,通过调节活塞,进而使产生的气体调控液面高度而决定反应是否继续,如图e
过滤装置
可用于水的净化等较简单的过滤,如图f
(3)其他仪器的创新应用
[题点练通]
化学仪器的常规使用
1.仅用表中提供的玻璃仪器(非玻璃仪器任选)就能实现相应实验目的的是( )
选项
实验目的
玻璃仪器
A
分离水和食用油
分液漏斗、烧杯
B
配制100 mL 0.2 mol·L-1的NaOH溶液
100 mL容量瓶、烧杯、玻璃棒
C
从食盐水中提取NaCl
酒精灯、表面皿、玻璃棒
D
分离水与泥沙
分液漏斗、烧杯
解析:选A A项,要采用分液的方法,要用到分液漏斗、烧杯;B项,缺胶头滴管;C项,不用表面皿,应用蒸发皿;D项,要用过滤的方法分离,要用到普通漏斗、烧杯、玻璃棒。
2.(2019·武汉模拟)用灼烧法证明海带中含有碘元素,各步骤选用的实验用品不必都用到的是( )
选项
实验步骤
实验用品
A
步骤1:将海带灼烧灰化
B
步骤2:将海带灰溶解、过滤
C
步骤3:氧化滤液中的I-
D
步骤4:检验碘元素
解析:选C 灼烧海带,需要用到的仪器有酒精灯、坩埚、泥三角、三脚架,A项不符合题意;海带灰溶解、过滤,需要用到烧杯、漏斗、玻璃棒,B项不符合题意;氧化滤液中的I-,不需要用到容量瓶,C项符合题意;检验碘元素,是检验生成的碘单质,需要用到试管、胶头滴管、淀粉溶液,D项不符合题意。
3.完成下列实验所选择的装置或仪器(夹持装置已略去)不正确的是( )
选项
A
B
C
D
实验
灼烧纯碱观察焰色反应
用CCl4提取溴水中的Br2
从KI和I2的固体混合物中回收I2
除去氯气中的氯化氢
装置或仪器
解析:选C 灼烧固体应该用坩埚,且需要在坩埚上面放置一个表面皿来回收升华出的I2,C项错误。
4.用下列实验装置进行有关实验,能达到实验目的的是( )
A.用装置甲制取少量SO2
B.用装置乙蒸发FeCl3溶液制取FeCl3晶体
C.用装置丙分离CH3COOH和CH3COOCH2CH3的混合液
D.用装置丁制取干燥NH3
解析:选D A项,Cu与浓H2SO4反应需要加热,错误;B项,Fe3+会水解,不可以直接蒸发FeCl3溶液制取FeCl3晶体,应在HCl的氛围中加热蒸发,错误;C项,CH3COOH和CH3COOCH2CH3互溶,不可以用分液法分离,应用蒸馏法,错误;D项,浓氨水遇生石灰放出氨气,碱石灰可以干燥氨气,正确。
5.看图填空:
(1)(2017·全国卷Ⅰ)图1中仪器f的名称是____________________________________。
(2)(2016·浙江高考)图2中仪器A的名称是_________________________________。
(3)(2015·重庆高考)图3中仪器D的名称是___________________________________。
(4)(2015·四川高考)图4中仪器X的名称是__________________________________。
(5)(2014·全国卷Ⅰ)图5中仪器B的名称是_____________________________________。
(6)(2015·浙江高考)图6中的仪器名称:仪器A______,仪器B________。
答案:(1)直形冷凝管 (2)干燥管 (3)锥形瓶 (4)圆底烧瓶 (5)球形冷凝管 (6)坩埚 500 mL容量瓶
仪器的组合与创新使用
6.用如图所示装置进行选项中的实验,能达到实验目的的是( )
A.瓶中盛满水,b口进气,用排水法收集NO2
B.瓶中盛适量浓硫酸,a口进气干燥NH3
C.b口进气,用排空气法收集CO2
D.瓶中装满水,b口进气,通过排水量可测量所制备H2的体积
解析:选D NO2溶于水且与水反应,不能用排水法收集,A项错误;浓H2SO4与NH3反应,故不能用浓H2SO4干燥NH3,B项错误;CO2的密度比空气大,应由a口进气收集CO2,C项错误。
7.下列有关实验装置进行的相应实验,能达到实验目的的是( )
解析:选B 制取少量CO2气体时应用稀盐酸和CaCO3,A项错误;可以通过U形管左右两端的液面差验证镁和稀盐酸反应的热效应,B项正确;氨气的密度比空气小,应用向下排空气法收集,C项错误;酒精与水互溶,不能将FeSO4溶液与空气隔绝,D项错误。
8.如图为常用玻璃仪器组成的六种实验装置,均可根据不同的实验需要在其中加入不同的液体或固体试剂。请用适宜装置的标号完成下列填空:
(1)既能用于收集Cl2,又能用于收集NO的装置是________。
(2)能用于干燥CO2气流的装置是________。
(3)在实验室制取Cl2并检验Cl2部分性质的实验中,用于除去Cl2中HCl杂质的最佳装置是________。
(4)用于尾气吸收并能防止液体倒吸到反应装置中的是________。
(5)接在气体制备的连续实验装置中间,用于控制气流平稳的装置是________。
解析:(1)Cl2与水反应,NO与空气中的O2反应,只能用排液法收集,Cl2用排饱和食盐水法,NO用排水法,选A。(2)装置A中装浓H2SO4长进短出或装置F中加无水CaCl2均可以干燥CO2。(3)除去Cl2中HCl杂质的最佳装置是洗气瓶A。(4)装置C左边安全瓶防倒吸,右边烧杯可吸收尾气,装置E干燥管可防倒吸,试管吸收尾气。(5)装置D可以控制气流平稳。
答案:(1)A (2)AF (3)A (4)CE (5)D
9.化学实验装置的正确连接是实验成功的关键,如图是中学化学中常见的实验装置。
(1)用上述装置制备气体:
①若B中盛放浓硫酸,则A、B、C组合后能制取并收集的气体是________。
a.H2 b.H2S
c.CO2 d.C2H4
②要快速制取并得到干燥的NH3,正确的仪器组合是____________(按制气装置顺序填仪器的字母编号),制气所选用的固体药品是____________。
③若用H2O2和MnO2来制取和收集干燥的O2,则应选择的正确仪器组合是________(按制气装置顺序填仪器的字母编号),检验气体收集满的方法是_________________________。
(2)甲同学用A、B组合来验证盐酸、碳酸、次氯酸的酸性强弱时,盐酸应装入________(填仪器名称)中,B装置中发生反应的离子方程式为_______________________________。
解析:(1)①B中的浓硫酸可以和H2S反应,C装置只能收集密度比空气大的气体,H2、乙烯不符合,所以只能选c。②利用固体NaOH(或生石灰)和浓氨水可以快速制取NH3;NH3密度比空气小,所以采用向下排空气法收集。③O2的密度比空气大,所以采用向上排空气法收集,正确的组合为ABC,检验O2收集满的方法是将带火星的木条靠近集气瓶口,若木条复燃,则说明O2收集满了。(2)在利用A、B组合验证盐酸、碳酸、次氯酸的酸性强弱时,可以采用强酸制弱酸的方法,A中利用盐酸和Na2CO3反应制取CO2,将CO2通入B中的Ca(ClO)2溶液中,可反应生成HClO和CaCO3沉淀。
答案:(1)①c ②AFE 氢氧化钠(或生石灰) ③ABC 将带火星的木条靠近集气瓶口,若木条复燃,则说明氧气已收集满 (2)分液漏斗 Ca2++2ClO-+CO2+H2O===CaCO3↓+2HClO
考点(三) 试剂的存放及实验安全
[知能学通]
1.化学试剂的保存
(1)试剂保存三原则
①方便取用原则。块状固体与粉末试剂一般存放于广口瓶中,便于用镊子或药匙取用;液体试剂一般存放于细口瓶中,便于倾倒或用滴管取用。
②防变质原则。防腐蚀(橡胶塞)、防黏(玻璃塞)、防氧化、防分解等。
③安全性原则。分析药品的性质,确定放置的环境条件,如强氧化性试剂与强还原性试剂不能放在同一药品柜中,以防发生剧烈反应,引起爆炸。
(2)常用试剂瓶及试剂存放方法
①常见的试剂瓶
②常见试剂的存放
保存依据
保存方法
典型实例
防氧化
①密封或用后立即盖好;
②加入还原剂;
③隔绝空气
①Na2SO3、Na2S、KI溶液等用后立即盖好;
②FeSO4溶液中加少量铁屑;
③K、Na保存在煤油里,Li保存在石蜡里,白磷保存在水里
防潮解(或与水反应)
密闭保存
NaOH、CaCl2、CuSO4、P2O5固体、浓硫酸等
防止与CO2反应
密封保存,减少暴露时间
NaOH、Na2CO3溶液、石灰水、Na2O2固体等密封保存
防挥发
①密封,置于阴凉处;②液封
①浓盐酸、浓氨水等密封置于阴凉处;
②液溴用水封
防燃烧
置于冷暗处,不与氧化剂混合贮存,严禁火种
苯、汽油、酒精等
防分解
保存在棕色瓶中,并置于冷暗处
浓HNO3、KMnO4 溶液、
AgNO3溶液、氯水等
防水解
加入酸(碱)抑制水解
FeCl3溶液中加稀盐酸;Na2S溶液中加NaOH溶液
防腐蚀
①腐蚀橡胶的物质用玻璃塞或塑料盖;
②腐蚀玻璃的物质用塑料容器
①浓HNO3、酸性KMnO4溶液、氯水、溴水等腐蚀橡胶;
②氢氟酸保存在塑料瓶中
防黏结
碱性溶液用橡胶塞
NaOH、Na2CO3、
Na2SiO3溶液等
2.化学实验安全操作
(1)认识常用危险化学药品的标志
(2)常见意外事故的处理
意外事故
处理方法
金属钠、钾起火
用沙土盖灭
酒精灯不慎碰倒起火
用湿抹布盖灭
浓碱液溅到皮肤上
用较多水冲洗,然后涂上稀硼酸溶液
浓硫酸溅到皮肤上
用大量水冲洗,然后涂上3%~5% NaHCO3 溶液
不慎将酸溅到眼中
用大量水冲洗,边洗边眨眼睛,切不可用手揉眼睛
温度计水银球不慎碰破
用硫粉覆盖
液溴沾到皮肤上
用酒精擦洗
重金属盐中毒
喝大量豆浆、牛奶,并及时送医院
(3)实验安全装置
(ⅰ)防堵塞安全装置
(ⅱ)防污染安全装置
①实验室制取Cl2时,尾气的处理可采用 _b__装置。
②制取CO时,尾气处理可采用 a、c装置。
③制取H2时是否需要尾气处理?需要。若需要可采用a、c装置。
[题点练通]
试剂的保存
1.下列试剂的保存方法正确的是( )
A.碘通常密封保存于无色广口瓶中
B.白磷常保存于无色广口瓶中,并加适量水液封
C.HF溶液通常密封于细口玻璃瓶中
D.Na2CO3溶液通常密封于带玻璃塞的细口瓶中
解析:选B 碘易升华,应密封保存于棕色广口瓶中,A项错误;白磷易自燃,应加水液封于广口瓶中,B项正确;HF能与玻璃中的SiO2反应,应密封于塑料瓶中,C项错误;Na2CO3溶液中的CO易水解而使溶液显碱性,可与玻璃中的SiO2反应生成Na2SiO3,使瓶塞和瓶颈粘在一起,故Na2CO3溶液应保存于带橡胶塞的试剂瓶中,D项错误。
2.读下列药品标签,有关分析不正确的是( )
选项
A
B
C
D
物品标签
饱和氯水1.01×105Pa,20 ℃
药品:×××
碳酸氢钠NaHCO3俗名小苏打(84 g·mol-1)
浓硫酸H2SO4密度1.84 g·mL-1浓度98.0%
分析
该试剂应装在带橡胶塞的细口瓶中
该药品不能与皮肤直接接触
该物质受热易分解
该药品标签上还标有
解析:选A 氯水具有强氧化性,不能使用橡胶塞,A项错误;腐蚀品会腐蚀皮肤,故不能直接接触皮肤,B项正确;碳酸氢钠受热易分解:2NaHCO3Na2CO3+CO2↑+H2O,C项正确;浓硫酸具有腐蚀性,D项正确。
3.下列保存物质的方法正确的是( )
A.保存液溴时向其中加入少量酒精,减少挥发
B.氢氟酸保存在带塑料塞的玻璃瓶中,防止瓶口和塞子粘住
C.氨水易挥发,应密封且在低温处保存
D.金属锂应保存在煤油中,防止被氧化
解析:选C 溴易溶于酒精,且酒精易挥发,起不到液封的作用,A错误;氢氟酸能与玻璃反应,应保存在塑料瓶中,B错误;金属锂的密度比煤油小,会漂浮在煤油上面,锂和空气中的氧气、水蒸气等均能发生反应,金属锂应保存在固体石蜡中,D错误。
4.请完成下列空白:
(1)存放AlCl3溶液时,通常加入适量的________,其目的是__________________________。
(2)Ca(OH)2溶液通常存放于带________塞的细口瓶中,原因是________________________________________________________________________。
(3)工业上浓硫酸可存放于铁罐中,其原因是______________________________。
(4)Na2O2在空气中放置一段时间后,变成白色物质,发生反应的化学方程式为____________________________________________。
解析:(1)因为AlCl3易发生水解反应:AlCl3+3H2OAl(OH)3+3HCl,通常需要加入适量的稀盐酸抑制AlCl3水解。(2)Ca(OH)2溶液可与玻璃中的SiO2反应生成硅酸盐,故常将Ca(OH)2溶液存放于带橡胶塞的细口瓶中。(3)常温下,铁遇浓硫酸会发生钝化,故可将浓硫酸存放于铁罐中。(4)Na2O2与空气中的CO2、H2O均可发生反应,发生反应的化学方程式分别为2Na2O2+2CO2===2Na2CO3+O2,2Na2O2+2H2O===4NaOH+O2↑,生成的NaOH还会与空气中的CO2反应,发生反应的化学方程式为2NaOH+CO2===Na2CO3+H2O。
答案:(1)稀盐酸 抑制AlCl3水解
(2)橡胶 Ca(OH)2溶液与玻璃中的SiO2反应生成硅酸盐
(3)常温下,铁遇浓硫酸发生钝化
(4)2Na2O2+2CO2===2Na2CO3+O2,2Na2O2+2H2O===4NaOH+O2↑,2NaOH+CO2===Na2CO3+H2O
化学实验安全及意外事故的处理
5.(2017·海南高考)下列危险化学品标志中表示腐蚀品的是( )
解析:选A A为腐蚀品标志;B为易燃固体标志;C为辐射标志;D为氧化剂标志。
6.(2015·山东高考)进行化学实验时应强化安全意识。下列做法正确的是( )
A.金属钠着火时使用泡沫灭火器灭火
B.用试管加热碳酸氢钠固体时使试管口竖直向上
C.浓硫酸溅到皮肤上时立即用稀氢氧化钠溶液冲洗
D.制备乙烯时向乙醇和浓硫酸的混合液中加入碎瓷片
解析:选D A项,钠着火时应该用沙土盖灭,不能用泡沫灭火器,主要是因为钠燃烧生成Na2O2,Na2O2与CO2、H2O反应生成的O2有助燃作用,错误;B项,用试管加热NaHCO3固体时,试管口应略向下倾斜,否则会使生成的水倒流,炸裂试管,错误;C项,浓硫酸溅到皮肤上,应迅速用大量水冲洗,不能用NaOH溶液冲洗,因为NaOH溶液具有腐蚀性,错误;D项,制备乙烯时向乙醇和浓硫酸的混合液中加入碎瓷片,可防止液体暴沸,正确。
7.用下列实验装置完成对应的实验(部分仪器已省略),能达到实验目的的是( )
解析:选D A项中导气管应长进短出;B项中导管插入液面以下易引起倒吸;C项中温度计水银球应处于蒸馏烧瓶支管口处。
8.下列实验操作与安全事故处理错误的是( )
A.用试管夹从试管底由下往上夹住距离管口约三分之一处,手持试管夹长柄末端进行加热
B.制备乙酸乙酯时,将乙醇和乙酸依次加入到浓硫酸中
C.把玻璃管插入橡胶塞孔时,用厚布护手,紧握用水湿润的玻璃管插入端,缓慢旋进塞孔中
D.实验时不慎打破温度计水银球,用滴管将水银吸出放入水封的小瓶中,残存的温度计插入装有硫粉的广口瓶中
解析:选B 制备乙酸乙酯时,向试管中加入试剂的顺序:乙醇→浓硫酸→乙酸。
考点(四) 实验基本操作
[知能学通]
1.药品的取用
(1)根据药品的状态和用量选择取用方法
取用药品
固体药品
液体药品
粉末
块状
一定量
少量
较多量
一定量
使用
仪器
药匙(或纸槽)
镊子
托盘天平
胶头滴管
用试剂瓶倾倒
量筒、滴定管
(2)向仪器内加入药品的操作方法
①向容器内加固体药品
②向容器内加液体药品
2.常见试纸的使用
(1)试纸的种类及用途
(2)试纸的使用方法
①检验溶液:取一小块试纸放在玻璃片或表面皿上,用玻璃棒蘸取液体,点在试纸中部,观察试纸的颜色变化 ,若用pH试纸测溶液的pH时,等pH试纸变色后,与标准比色卡对照。
②检验气体:先用蒸馏水把试纸润湿,用镊子夹取或粘在玻璃棒的一端,然后再放在集气瓶口或导管口处,观察试纸的颜色变化。
3.物质的溶解或稀释
(1)固体的溶解
一般在烧杯或试管里进行,为了加速溶解,常采用搅拌、粉碎、振荡或加热等措施,但FeCl3、AlCl3等易水解的固体溶解时不能加热。
(2)液体的稀释
用量筒分别量取一定体积被溶解的液体和溶剂,然后加入烧杯中搅拌稀释。但对于稀释放热较多的液体,往往先加入密度较小的液体,再沿烧杯内壁缓缓加入密度较大的液体,边加边搅拌。如稀释浓H2SO4时是把浓H2SO4慢慢加入到水中,并用玻璃棒不断搅拌。
(3)气体的溶解
①对溶解度较小的气体(如Cl2、CO2、H2S等),为了增大气体分子与水分子的接触机会,应将气体导管插入水中(如图A)。
②对极易溶于水的气体(如NH3、HCl等),气体导管口只能靠近液面,最好在导管口连接一倒置的漏斗(漏斗边缘刚好与液面相切)或干燥管,这样可以增大气体的吸收率,减少气体的逸出,同时也避免出现液体倒吸的现象(如图B、C和D)。
4.仪器的洗涤
(1)方法:使用毛刷,用去污剂和水冲洗。
(2)洗净的标准:玻璃仪器内壁附着均匀的水膜,既不聚成滴,也不成股流下。
(3)常见残留物的洗涤
残留物
洗涤剂
容器里附有的油污
NaOH溶液或热的纯碱溶液
容器壁上附着的硫
CS2或热的NaOH溶液
试管上的银镜
稀HNO3
AgCl
氨水
容器内残留的MnO2
热的浓盐酸
烧杯内残留的碘
酒精或NaOH溶液
长期存放FeCl3溶液的试剂瓶上附着的Fe(OH)3
稀盐酸
长期存放澄清石灰水的试剂瓶上附着的CaCO3
稀盐酸
5.装置的气密性检查
检查装置气密性的基本思路是使装置内外压强不等,观察气泡或液面变化。
(1)微热法:如图a。用酒精灯微热或用手捂热容器,导管口产生气泡,停止加热或松开手后导管内形成一段水柱,证明装置不漏气。
(2)液差法:如图b、c。连接好仪器,b中的弹簧夹夹紧,从长颈漏斗中注入适量水,使b中长颈漏斗中的液面高于锥形瓶中的液面,静置,若液面位置保持不变,证明装置不漏气。c中,从乙管加入适量水,使乙管液面高于甲管液面,静置,若液面位置保持不变,证明装置不漏气。
(3)滴液法:如图d。向分液漏斗中注入适量水,关闭弹簧夹,打开分液漏斗活塞,如果滴入少量水后很快停止流下,则装置气密性良好。
(4)抽气(吹气)法:如图e、f。e中关闭分液漏斗的活塞,轻轻向外拉动或向里推动注射器的活塞,一段时间后,活塞能回到原来的位置,表明装置的气密性良好。f中打开弹簧夹,向导管口吹气,如果长颈漏斗中的液面上升,且停止吹气后,夹上弹簧夹,长颈漏斗液面保持稳定,则表明装置的气密性良好。
6.物质的加热
(1)固体的加热
①试管口要略向下倾斜,防止生成的水倒流,引起试管炸裂。
②先给试管均匀加热,受热均匀后再固定在药品部位加热。
(2)液体的加热
①加热前,先把玻璃容器外壁的水擦干,以免炸裂试管;用试管夹夹住试管中上部,管口向上倾斜,不得对人,以防液体沸腾时溅出烫伤人。
②试管内液体的体积不超过试管容积的 。
(3)加热的方式
加热方式
适用范围
直接加热
瓷质、金属质或小而薄的玻璃仪器(如试管)等
隔石棉网加热
较大的玻璃反应器(如烧杯、烧瓶等)
浴热(水浴、油浴、砂浴等)
①需严格控制温度(如硝基苯的制备);
②需反应混合液静止(如银镜反应);
③蒸馏沸点差较小的混合液
[题点练通]
1.下列实验或操作正确的是( )
解析:选A B项,结晶应在蒸发皿中进行;C项,稀释浓硫酸应在烧杯中进行;D项,酸性KMnO4溶液应盛放在酸式滴定管中。
2.下列实验操作中完全正确的是( )
①将试管平放,用纸槽往试管里送入固体粉末,然后直立试管
②用坩埚钳夹取加热后的蒸发皿
③蒸馏石油时,温度计水银球插入液面以下
④酒精灯用完后,用嘴吹灭
⑤用分液漏斗分离四氯化碳和水的混合液时,四氯化碳层和水层依次从漏斗下口放出,用不同的容器盛接
⑥往试管中倾倒液体时,试剂瓶标签向着手心
A.①⑤⑥ B.①②⑥
C.②③⑤ D.①②③⑤⑥
解析:选B ③蒸馏时,温度计水银球应置于烧瓶的支管口处;④酒精灯用完后,用灯帽盖灭;⑤分液时,下层液体从下口放出,上层液体从上口倒出。
3.下列关于实验中的“先与后”的说法中正确的是( )
①加热试管时,先均匀加热,后局部加热
②用排水法收集气体时,先移出导管,后熄灭酒精灯
③制取某气体时,先检查装置的气密性,后加药品
④使用容量瓶、分液漏斗、滴定管前先检查是否漏液,后洗涤
⑤使用滴定管前,先用标准液润洗,后盛装标准液
A.除②外 B.除④外
C.除⑤外 D.全部正确
解析:选D ①可防止试管因局部过热而炸裂,正确;②可防止液体倒流,防止仪器炸裂,正确;③实验前应先检查装置的气密性,正确;④漏液的容量瓶、分液漏斗、滴定管不能使用,正确;⑤如果不用标准液润洗,会造成误差,正确。
4.下列实验操作正确且能达到相应实验目的的是( )
选项
实验目的
实验操作
A
称取2.0 g NaOH固体
先在托盘上各放1张滤纸,然后在右盘上添加2 g砝码,左盘上添加NaOH固体
B
配制FeCl3溶液
将FeCl3固体溶于适量蒸馏水
C
检验溶液中是否含NH
取少量试液于试管中,加入NaOH溶液并加热,用湿润的红色石蕊试纸检验产生的气体
D
验证铁的吸氧腐蚀
将铁钉放入试管中,用盐酸浸没
解析:选C NaOH易潮解且有腐蚀性,不能放在滤纸上称量,A项错误;FeCl3易水解,配制FeCl3溶液时,将FeCl3固体溶于浓盐酸中,再加蒸馏水稀释到所需浓度,B项错误;检验NH时,加入NaOH溶液并加热,用湿润的红色石蕊试纸检验生成的氨气,C项正确;验证铁的吸氧腐蚀,应将铁钉放在试管中,用NaCl溶液浸没,若用盐酸浸没,则发生析氢腐蚀,D项错误。
5.(2018·全国卷Ⅲ)下列实验操作不当的是( )
A.用稀硫酸和锌粒制取H2时,加几滴CuSO4溶液以加快反应速率
B.用标准HCl溶液滴定NaHCO3溶液来测定其浓度,选择酚酞为指示剂
C.用铂丝蘸取某碱金属的盐溶液灼烧,火焰呈黄色,证明其中含有Na+
D.常压蒸馏时,加入液体的体积不超过圆底烧瓶容积的三分之二
解析:选B 加几滴CuSO4溶液发生反应:Zn+Cu2+===Zn2++Cu,Zn与置换出来的Cu及稀H2SO4构成CuZn原电池,加快了放出H2的速率,A项正确;用标准盐酸滴定NaHCO3溶液,滴定至终点时溶液呈弱酸性,应选用甲基橙作指示剂,B项错误;黄色是Na+的焰色,C项正确;常压蒸馏时,加入液体的体积既不能太少,也不能超过圆底烧瓶容积的三分之二,D项正确。
6.(2017·全国卷Ⅲ)下列实验操作规范且能达到目的的是( )
选项
目的
操作
A
取20.00 mL盐酸
在50 mL酸式滴定管中装入盐酸,调整初始读数为30.00 mL后,将剩余盐酸放入锥形瓶
B
清洗碘升华实验所用试管
先用酒精清洗,再用水清洗
C
测定醋酸钠溶液pH
用玻璃棒蘸取溶液,点在湿润的pH试纸上
D
配制浓度为0.010 mol·L-1的KMnO4溶液
称取KMnO4固体0.158 g,放入100 mL容量瓶中,加水溶解并稀释至刻度
解析:选B 50 mL酸式滴定管的50.00 mL刻度下方没有刻度,但仍有盐酸,所以调整初始读数为30.00 mL后,放入锥形瓶中盐酸的体积大于20.00 mL,A项错误;碘易溶于酒精,清洗试管中附着的碘可以先用酒精清洗,再用水清洗,B项正确;醋酸钠溶液呈碱性,测定醋酸钠溶液的pH时,pH试纸不能预先润湿(润湿相当于将溶液稀释),否则测定的pH会偏低,应用玻璃棒蘸取溶液点在干燥的pH试纸上,C项错误;配制一定物质的量浓度的溶液,应在烧杯中溶解固体,冷却至室温后再转移到容量瓶中定容,不能在容量瓶中直接配制溶液,D项错误。
7.(2016·全国卷Ⅲ)下列有关实验的操作正确的是( )
实验
操作
A
配制稀硫酸
先将浓硫酸加入烧杯中,后倒入蒸馏水
B
排水法收集KMnO4分解产生的O2
先熄灭酒精灯,后移出导管
C
浓盐酸与MnO2反应制备纯净Cl2
气体产物先通过浓硫酸,后通过饱和食盐水
D
CCl4萃取碘水中的I2
先从分液漏斗下口放出有机层,后从上口倒出水层
解析:选D A项,稀释浓H2SO4时,应将浓H2SO4沿器壁慢慢注入水中,并且用玻璃棒不断搅拌,切不可将水倒入浓H2SO4中,以免发生液滴飞溅;B项,加热 KMnO4制取O2,实验结束时应先撤导管,后熄灭酒精灯,否则水会倒吸,炸裂试管;C项,制备纯净Cl2时,应先通过饱和食盐水除去HCl气体,再通过浓H2SO4干燥气体;D项,萃取操作时,先从下口放出有机层,再从上口倒出水层,操作正确。
8.(2016·海南高考)下列有关实验操作的叙述错误的是( )
A.过滤操作中,漏斗的尖端应接触烧杯内壁
B.从滴瓶中取用试剂时,滴管的尖嘴可以接触试管内壁
C.滴定接近终点时,滴定管的尖嘴可以接触锥形瓶内壁
D.向容量瓶转移液体时,导流用玻璃棒可以接触容量瓶内壁
解析:选B A项,过滤操作中,漏斗的尖端应接触烧杯内壁,使液体顺利流下,正确;B项,从滴瓶中取用试剂时,滴管的尖嘴接触试管内壁,容易造成试剂污染,错误;C项,滴定接近终点时,滴定管的尖嘴可以接触锥形瓶内壁,可以使残余在滴定管尖嘴的液体进入到锥形瓶中,正确;D项,向容量瓶中转移液体时,引流用的玻璃棒可以接触容量瓶内壁,使液体顺利流下,正确。
9.(2014·全国卷Ⅰ)下列有关仪器的使用方法或实验操作正确的是( )
A.洗净的锥形瓶和容量瓶可以放进烘箱中烘干
B.酸式滴定管装标准溶液前,必须先用该溶液润洗
C.酸碱滴定实验中,用待滴定溶液润洗锥形瓶以减小实验误差
D.用容量瓶配溶液时,若加水超过刻度线,立即用滴管吸出多余液体
解析:选B 容量瓶不能用烘箱烘干,否则会变形,定容不准确,A错误;滴定管装标准液前,需先用标准溶液润洗,B正确;酸碱滴定实验中,不能用待测液润洗锥形瓶,否则会导致锥形瓶中待测液的量增多,使实验误差增大,C错误;配制溶液时,若加水超过容量瓶的刻度线,则需重新配制,D错误。
10.根据图示及描述回答下列问题。
(1)检验装置A气密性的方法是______________________________________________。
(2)关闭图B装置中的止水夹a后,从长颈漏斗向试管中注入一定量的水,静置后如图所示。试判断:B装置是否漏气?__________(填“漏气”“不漏气”或“无法确定”),判断理由是____________________________________________________________________。
(3)关闭图C装置中的止水夹a后,开启活塞b,水不断往下滴,直至全部流入烧瓶。试判断:C装置是否漏气?______(填“漏气”“不漏气”或“无法确定”),判断理由是________________________________________________________________。
答案:(1)关闭分液漏斗上的活塞,塞紧瓶塞,把导气管的一端浸入水中,用双手紧握锥形瓶底部,如果观察到导气管口有气泡冒出,而且在松开手后,导管中形成一段水柱,则证明装置气密性好(即手捂法)[或关闭止水夹a,打开分液漏斗的活塞,从分液漏斗中加入足量的水,使分液漏斗中出现水柱,水柱高度在一段时间内保持不变,则说明装置不漏气(即注水法)]
(2)不漏气 由于不漏气,加水后试管内气体体积减小,导致压强增大,使长颈漏斗内的水面高于试管内的水面
(3)无法确定 由于分液漏斗和烧瓶间有橡皮管相连,使分液漏斗中液面上方和烧瓶中液面上方的压强相同,无论装置是否漏气,都不影响分液漏斗中的液体滴入烧瓶
归纳拓展
1.熟记化学实验的规范操作要求
(1)化学实验中的6个“上、下”
①收集气体时,相对分子质量大于29的用向上排空气法收集,小于29的用向下排空气法收集。
②分液操作时,下层液体应打开旋塞从下口放出,上层液体要从分液漏斗的上口倒出。
③配制一定物质的量浓度溶液,在引流时,玻璃棒的上面不能靠在容量瓶口,而下端则应靠在容量瓶刻度线下的内壁上(即下靠上不靠,下端靠线下)。
④用水冷凝气体时,冷凝管中水从下端口流入上端口流出(逆流原理)。
⑤温度计测液体温度时,水银球应在液面下,而测蒸气温度时,应在液面上。
⑥制气体实验中,长颈漏斗的末端应插入液面下,而用分液漏斗加液时,漏斗下端不能插入液面下。
(2)化学实验中的9个“先与后”
①加热试管时,先均匀加热,后局部加热。
②使用容量瓶、分液漏斗、滴定管前,先检查是否漏水,后洗涤干净。
③制取气体时,先检查装置的气密性,后装药品。
④用排液法收集气体时,先移导管后撤酒精灯。
⑤用石蕊试纸、淀粉碘化钾试纸检验气体性质时,要先用蒸馏水将试纸润湿,再将试纸靠近气体检验。
⑥中和滴定实验,用蒸馏水洗净的滴定管、移液管要先用待盛液洗涤2~3次后,再盛装试液。注入滴定管中的液体液面开始在“0”刻度以上,当赶走滴定管尖嘴部分的空气后,溶液液面应在“0”刻度或“0”刻度以下。
⑦点燃可燃性气体时,应先验纯后点燃(比如H2的爆炸极限是在与氧气混合4%到74.2%时,如果不验纯,就不知道集气瓶内有没有掺杂的氧气,点燃时就容易爆炸);净化气体时,应先净化后干燥。
⑧配制一定物质的量浓度溶液时,溶解或稀释后的溶液应先冷却再移入容量瓶。
⑨检验蔗糖、淀粉水解程度时,先在水解后的溶液中加NaOH溶液中和H2SO4,再加银氨溶液或新制Cu(OH)2悬浊液。
2.常见错误操作
(1)倾倒液体药品时,试剂瓶口未紧挨仪器致使药品外流,标签没向着手心,造成标签被腐蚀。
(2)使用托盘天平时将被称量物质直接放在托盘上或放错托盘。
(3)使用胶头滴管滴加液体将滴管尖嘴伸入接受器口内或接触接受器壁[除制取Fe(OH)2外]。
(4)不能依据需量取的液体体积选择合适量程的量筒。
(5)在量筒或容量瓶内进行溶解、稀释或混合等操作。
(6)检查装置气密性没有形成封闭系统(如未关闭活塞、未将导管末端浸入水下等)。
(7)向容量瓶中转移液体没有用玻璃棒引流。
(8)配制溶液定容时没有用胶头滴管或加水过多再用胶头滴管吸出。
(9)酸式滴定管和碱式滴定管盛装溶液错误,中和滴定实验中锥形瓶用待测液润洗错误。
(10)吸收极易溶于水的气体,忘记防倒吸。
(11)对坩埚中的固体加热时,误用玻璃棒搅拌。
(12)用pH试纸定量测定溶液的pH时,不能用润湿的pH试纸测量溶液的pH;若用润湿的pH试纸测定溶液的pH,不一定会产生误差。润湿pH试纸相当于测定稀释后的待测溶液的pH:测定酸性溶液的pH时,测得值偏大;测定碱性溶液的pH时,测得值偏小;测定中性溶液的pH时,则无影响。
相关资料
更多

