2021高考物理鲁科版一轮复习教师用书:第十一章实验十二 传感器的简单使用
展开实验十二 传感器的简单使用
一、研究热敏电阻的热敏特性
二、研究光敏电阻的光敏特性
常规实验
[例1] 某实验小组探究一种热敏电阻的温度特性.现有器材:直流恒流电源(在正常工作状态下输出的电流恒定)、电压表、待测热敏电阻、保温容器、温度计、开关和导线等.
(1)若用上述器材测量热敏电阻的阻值随温度变化的特性,请你在如图(甲)所示的实物图上连线.
(2)实验的主要步骤:
①正确连接电路,在保温容器中注入适量冷水,接通电源,调节并记录电源输出的电流值;
②在保温容器中添加少量热水,待温度稳定后,闭合开关, , ,断开开关;
③重复第②步操作若干次,测得多组数据.
(3)实验小组算得该热敏电阻在不同温度下的阻值,并据此绘出如图(乙)所示的Rt关系图线,请根据图线写出该热敏电阻的Rt关系式R= + t(Ω).(保留三位有效数字)
解析:(1)直流恒流电源在正常工作状态下输出的电流恒定,故只需要将电压表与电阻并联测量出电压即可,实物图连线如图.
(2)本实验要测量电阻值和温度值的关系.电阻要用欧姆定律计算,由于电流恒定且已知,故需测量电压和温度.
(3)从图中取相距较远的两个特殊点,代入R=R0+kt计算,有120=R0+50k
104=R0+10k
解得R0=100 Ω,k=0.400
故该热敏电阻的Rt关系式为
R=100+0.400t(Ω).
答案:(1)见解析 (2)记录电压表电压值 温度计示数
(3)100 0.400
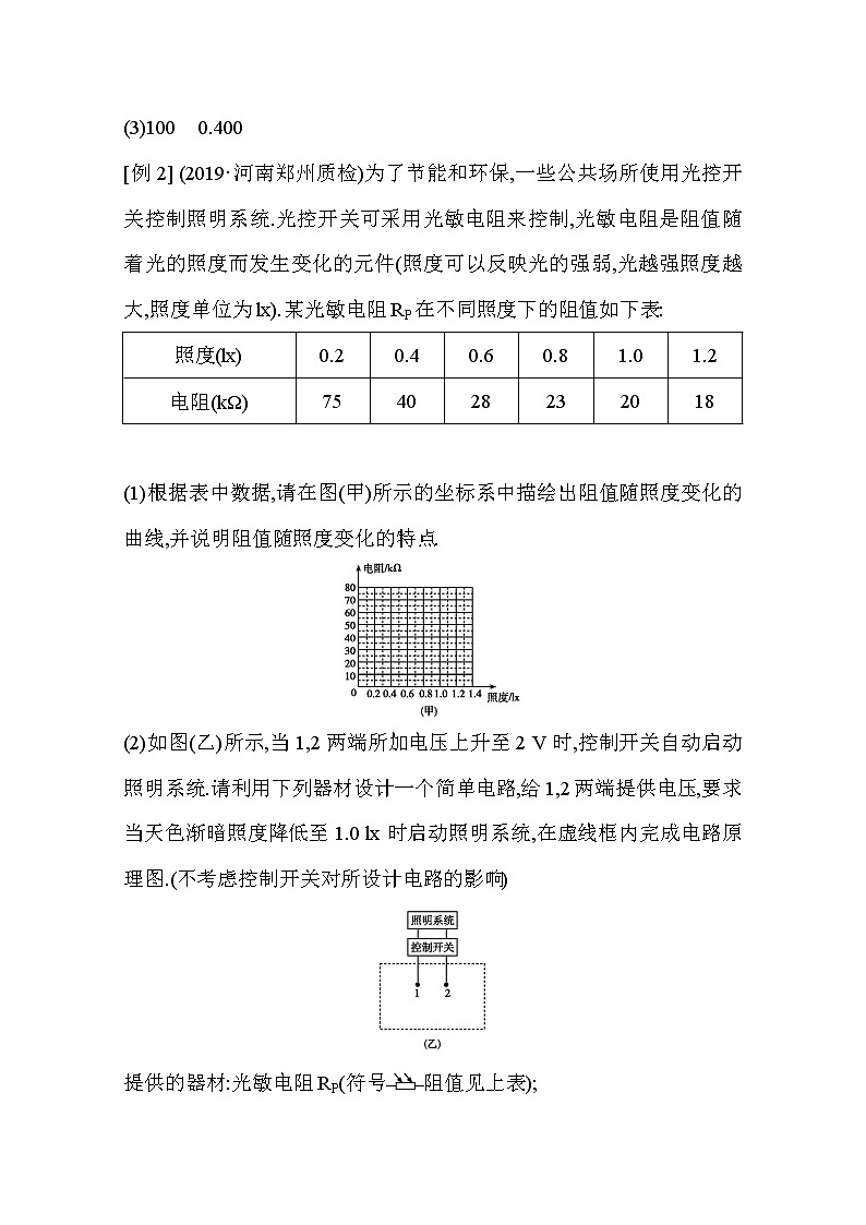
[例2] (2019·河南郑州质检)为了节能和环保,一些公共场所使用光控开关控制照明系统.光控开关可采用光敏电阻来控制,光敏电阻是阻值随着光的照度而发生变化的元件(照度可以反映光的强弱,光越强照度越大,照度单位为lx).某光敏电阻RP在不同照度下的阻值如下表:
照度(lx) | 0.2 | 0.4 | 0.6 | 0.8 | 1.0 | 1.2 |
电阻(kΩ) | 75 | 40 | 28 | 23 | 20 | 18 |
(1)根据表中数据,请在图(甲)所示的坐标系中描绘出阻值随照度变化的曲线,并说明阻值随照度变化的特点.
(2)如图(乙)所示,当1,2两端所加电压上升至2 V时,控制开关自动启动照明系统.请利用下列器材设计一个简单电路,给1,2两端提供电压,要求当天色渐暗照度降低至1.0 lx时启动照明系统,在虚线框内完成电路原理图.(不考虑控制开关对所设计电路的影响)
提供的器材:光敏电阻RP(符号阻值见上表);
直流电源E(电动势3 V,内阻不计);
定值电阻:R1=10 kΩ,R2=20 kΩ,R3=40 kΩ(限选其中之一并在图中标出);
开关S及导线若干.
解析:(1)根据表中的数据,在坐标系中描点连线,得到如图所示的变化曲线.
由图可知光敏电阻阻值随照度变化的特点是光敏电阻的阻值随光照强度的增大非线性减小.
(2)因天色渐暗、照度降低至1.0 lx时启动照明系统,此时光敏电阻阻值为20 kΩ,两端电压为2 V,电源电动势为3 V,故应加上一个分压电阻,分压电阻阻值为10 kΩ,即选用R1.此电路的原理图如图所示.
答案:见解析
解答敏感电阻与电学实验的综合问题要把握以下三点
(1)明确各敏感电阻的特性.明确这些敏感电阻随所处环境的温度、光照、磁场、压力等的变化而变化的情况,能从各自的特性曲线上了解或求得所需要的信息.
(2)明确所考查电学实验的原理及方法,这是解题的关键.
(3)将敏感电阻的特性与电学实验的原理方法相结合,运用所学的电学规律(如欧姆定律等)或力学规律(如牛顿运动定律等)解题.
1.温度传感器广泛应用于家用电器中,它是利用热敏电阻的阻值随温度变化的特性来工作的.图(甲)为某装置中的传感器工作原理图,已知电源的电动势E=9.0 V,内阻不计; 为灵敏电流表,其内阻Rg保持不变;R为热敏电阻,其阻值随温度的变化关系如图(乙)所示,闭合开关S,当R的温度等于20 ℃时,电流表示数I1=2 mA;当电流表的示数I2=3.6 mA时,热敏电阻的温度是( D )
A.60 ℃ B.80 ℃
C.100 ℃ D.120 ℃
解析:由图(乙)知,温度为20 ℃时,R的阻值R1=4 kΩ,由欧姆定律知E=I1(R1+Rg),E=I2(R2+Rg),联立解得R2=2 kΩ,由图(乙)中查得此时温度为120 ℃,D项正确.
2.为了研究光敏电阻在室内正常光照射和室外强光照射时电阻的大小关系,某同学用如图(甲)所示的电路进行实验,得出两种UI图线,如图(乙)所示.
(1)根据UI图线可知正常光照射时光敏电阻的阻值为 Ω,强光照射时电阻为 Ω.
(2)若实验中所用电压表的内阻约为5 kΩ,毫安表的内阻约为100 Ω,考虑到电表内阻对实验结果的影响,此实验中 (选填“正常光照射时”或“强光照射时”)测得的电阻误差较大.若测量这种光照下的电阻,则需将实物图中毫安表的连接方式采用 (选填“内接”或“外接”)法进行实验,实验结果较为准确.
解析:(1)光敏电阻的阻值随光照的增强而减小,结合图(乙)知正常光照射时R1== Ω=3 000 Ω,强光照射时R2== Ω=200 Ω;(2)实验电路采用的是毫安表内接法,测得的结果比真实值偏大,当待测电阻远大于毫安表电阻时实验误差较小,所以强光照射时误差较大;强光照射时采用毫安表外接法实验结果较为准确.
答案:(1)3 000 200 (2)强光照射时 外接
创新实验
[例3] (2018·全国Ⅰ卷,23)
某实验小组利用如图(a)所示的电路探究在25 ℃~80 ℃范围内某热敏电阻的温度特性.所用器材有:置于温控室(图中虚线区域)中的热敏电阻RT,其标称值(25 ℃时的阻值)为900.0 Ω;电源E(6 V,内阻可忽略);电压表V(量程150 mV);定值电阻R0(阻值20.0 Ω),滑动变阻器R1(最大阻值为1 000 Ω);电阻箱R2(阻值范围0~999.9 Ω);单刀开关S1,单刀双掷开关S2.实验时,先按图(a)连接好电路,再将温控室的温度t升至 80.0 ℃.将S2与1端接通,闭合S1,调节R1的滑片位置,使电压表读数为某一值U0;保持R1的滑片位置不变,将R2置于最大值,将S2与2端接通,调节R2,使电压表读数仍为U0;断开S1,记下此时R2的读数.逐步降低温控室的温度t,得到相应温度下R2的阻值,直至温度降到25.0 ℃.实验得到的R2t数据见下表.
t/℃ | 25.0 | 30.0 | 40.0 | 50.0 | 60.0 | 70.0 | 80.0 |
R2/Ω | 900.0 | 680.0 | 500.0 | 390.0 | 320.0 | 270.0 | 240.0 |
回答下列问题:
(1)在闭合S1前,图(a)中R1的滑片应移动到 (填“a”或“b”)端;
(2)在图(b)的坐标纸上补齐数据表中所给数据点,并作出R2t曲线;
(3)由图(b)可得到RT在25 ℃~80 ℃范围内的温度特性.当t=44.0 ℃时,可得RT= Ω;
(4)将RT握于手心,手心温度下R2的相应读数如图(c)所示,该读数为 Ω,则手心温度为 ℃.
解析:(1)闭合开关S1前,应让滑片移动到b端,使滑动变阻器连入电路的阻值最大.
(3)由图象可知t=44.0 ℃时,电阻的阻值为450 Ω.
(4)由图(c)可得电阻箱阻值为620.0 Ω,由图象可得温度约为33.0 ℃.
答案:(1)b
(2)如图所示
(3)450 (4)620.0 33.0
1.(2019·湖南湘潭二模)某同学通过实验制作一个简易的温控装置,实验原理电路图如图(甲)所示,继电器与热敏电阻Rt、滑动变阻器R串联接在电源E两端,当继电器的电流超过15 mA时,衔铁被吸合,加热器停止加热,实现温控.继电器的电阻约20 Ω,热敏电阻的阻值Rt与温度t的关系如表所示.
t/℃ | 30.0 | 40.0 | 50.0 | 60.0 | 70.0 | 80.0 |
Rt/Ω | 199.5 | 145.4 | 108.1 | 81.8 | 62.9 | 49.1 |
(1)提供的实验器材有:电源E1(3 V,内阻不计)、电源E2(6 V,内阻不计)、滑动变阻器R1(0~200 Ω)、滑动变阻器R2(0~500 Ω)、热敏电阻Rt、继电器、电阻箱(0~999.9 Ω)、开关S、导线若干.
为使该装置实现对30~80 ℃之间任一温度的控制,电源E应选用 (选填“E1”或“E2”),滑动变阻器R应选用 (选填“R1”或“R2”).
(2)实验发现电路不工作.某同学为排查电路故障,用多用电表测量各接点间的电压,则应将如图(乙)所示的选择开关旋至 (选填“A”“B”“C”或“D”).
(3)合上开关S,用调节好的多用电表进行排查.在图(甲)中,若只有b,c间断路,则应发现表笔接入a,b时指针 (选填“偏转”或“不偏转”),接入a,c时指针 (选填“偏转”或“不偏转”).
(4)排除故障后,欲使衔铁在热敏电阻为50 ℃时被吸合,下列操作步骤的正确顺序是 .(填写各步骤前的序号)
①将热敏电阻接入电路
②观察到继电器的衔铁被吸合
③断开开关,将电阻箱从电路中移除
④合上开关,调节滑动变阻器的阻值
⑤断开开关,用电阻箱替换热敏电阻,将阻值调至 108.1 Ω
解析:(1)若实现对30 ℃温度的控制,继电器和Rt的电压
U=0.015×(20+199.5)V≈3.29 V
因此符合要求的电源应选E2.
若实现对80 ℃温度的控制,对全电路有U=I(R继+Rt+R)
即6 V=0.015 A×(20 Ω+49.1 Ω+R)
解得R=330.9 Ω.
因此滑动变阻器应选R2.
(2)用多用电表测量直流电压时,选择开关应旋至C(直流电压挡).
(3)a,b间电压为0,指针不偏转.接入a,c时,多用电表与电源等构成回路,指针偏转.
(4)连接电路时,先用电阻箱代替热敏电阻,调节滑动变阻器阻值,衔铁被吸合时,调节完毕,移除电阻箱换为热敏电阻即可,正确的顺序为⑤④②③①.
答案:(1)E2 R2 (2)C (3)不偏转 偏转
(4)⑤④②③①
2.(2019·广东广州一模)材料的电阻随压力的变化而变化的现象称为“压阻效应”,利用这种效应可以测量压力大小.若图(甲)为某压敏电阻在室温下的电阻—压力特性曲线,其中RF,R0分别表示有、无压力时压敏电阻的阻值.为了测量压力F,需先测量压敏电阻处于压力中的电阻值RF.请按要求完成下列实验.
(1)设计一个可以测量处于压力中的该压敏电阻阻值的电路,在图(乙)的虚线框中画出实验电路原理图(压敏电阻及所给压力已给出,待测压力大小约为0.4×102~0.8×102 N,不考虑压力对电路其他部分的影响),要求误差较小,提供的器材如下:
A.压敏电阻,无压力时阻值R0=6 000 Ω
B.滑动变阻器R,全电阻阻值约200 Ω
C.电流表A,量程2.5 mA,内阻约30 Ω
D.电压表V,量程3 V,内阻约3 kΩ
E.直流电源E,电动势3 V,内阻很小
F.开关S,导线若干
(2)正确接线后,将压敏电阻置于待测压力下,通过压敏电阻的电流是1.33 mA,电压表的示数如图(丙)所示,则电压表的读数为 V.
(3)此时压敏电阻的阻值为 Ω;结合图(甲)可知待测压力的大小F= N.(计算结果均保留两位有效数字)
解析:(1)根据题述对实验电路的要求,应该采用分压式接法、电流表内接的电路,原理图如图所示.
(2)根据电压表读数规则,电压表读数为2.00 V.
(3)由欧姆定律,此时压敏电阻的阻值为RF==1.5×103 Ω,=4,由题图(甲)可知,对应的待测压力F=60 N.
答案:(1)见解析图 (2)2.00 (3)1.5×103 60
[创新分析]
(2018·全国Ⅰ卷,23) (1)利用电阻箱根据等效法测量热敏电阻的阻值 (2)描点连线画图象,利用图象数据根据欧姆定律求解 (3)读出电阻箱阻值,根据图象得出手心温度 | |
(2019·湖南湘潭二模) (1)通过继电器和热敏电阻组成回路进行温度控制(2)通过电阻箱替代热敏电阻进行调节 | |
(2019·广东广州一模) (1)把传感器与闭合电路结合 (2)用欧姆定律计算电阻 |

