2020版高考一轮复习物理通用版讲义:第五章实验五探究动能定理
展开实验五 探究动能定理
一、实验目的
1.通过实验探究外力做功与物体速度变化的关系。
2.通过实验数据分析,总结出外力做功与物体速度平方的正比关系。
二、实验原理
1.改变功的大小:采用如图所示的实验装置,用1条、2条、3条、…规格同样的橡皮筋将小车拉到同一位置由静止释放,橡皮筋拉力对小车所做的功依次为W、2W、3W、…。
2.确定速度的大小:小车获得的速度v可以由纸带和打点计时器测出,也可以用其他方法测出。
3.寻找功与速度变化的关系:以橡皮筋拉力所做的功W为纵坐标,小车获得的速度v为横坐标,作出Wv或Wv2图像。分析图像,得出橡皮筋拉力对小车所做的功与小车获得的速度的定量关系。
三、实验器材
小车(前面带小钩)、长木板(两侧适当的对称位置钉两个铁钉)、打点计时器及纸带、学生电源及导线(若使用电火花计时器则不用学生电源)、若干条等长的橡皮筋、毫米刻度尺。
部分器材用途
长木板 | 宽些的长木板,能对称挂橡皮筋 |
橡皮筋 | 相同规格,相同伸长对应相同弹性势能 |
四、实验步骤
1.仪器安装
(1)按实验原理图将仪器安装好。
(2)平衡摩擦力:在长木板的有打点计时器的一端下面垫一块小木块,反复移动小木块的位置,直至小车上不挂橡皮筋时,轻推小车,纸带打出的点间距均匀,即小车能匀速运动为止。
2.测量与记录
(1)先用1条橡皮筋做实验,用打点计时器和纸带测出小车获得的速度v1,设此时橡皮筋对小车做的功为W,将这一组数据记入表格。
(2)用2条橡皮筋做实验,实验中橡皮筋拉伸的长度与第一次相同,这时橡皮筋对小车做的功为2W,测出小车获得的速度v2,将数据记入表格。
(3)用3条、4条、…橡皮筋做实验,用同样的方法测出功和速度,记入表格。
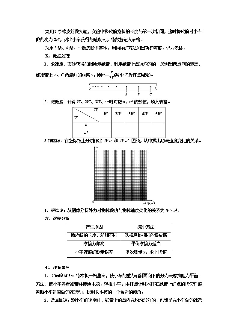
五、数据处理
1.求速度:实验获得如图所示纸带,利用纸带上点迹均匀的一段测出两点间的距离,如纸带上A、C两点间的距离x,则v=(其中T为打点周期)。
2.记数据:计算W、2W、3W、…时对应v、v2的数值,填入表格。
W vn | W | 2W | 3W | 4W | 5W |
v |
|
|
|
|
|
v2 |
|
|
|
|
|
3.作图像:在坐标纸上分别作出 Wv 和 Wv2 图线,从中找出功与速度变化的关系。
4.得结论:从图像分析外力对物体做功与物体速度变化的关系为W∝v2。
六、误差分析
产生原因 | 减小方法 |
橡皮筋的长度、粗细不同 | 选择规格相同的橡皮筋 |
摩擦力做功 | 平衡摩擦力适当 |
小车速度的测量误差 | 多次测量x,求平均值 |
七、注意事项
1.平衡摩擦力:将木板一端垫高,使小车的重力沿斜面向下的分力与摩擦阻力平衡。方法:使小车连着纸带并接通电源,轻推小车,由打点计时器打在纸带上的点的均匀程度判断小车是否做匀速运动,找到长木板的一个合适的倾角。
2.选点测速:测小车的速度时,纸带上的点应选均匀部分的,也就是选小车做匀速运动时的部分。
3.橡皮筋的选择:橡皮筋应选规格一样的。力对小车做的功以一条橡皮筋做的功为单位即可,不必计算出具体数值。
4.先后顺序:开始实验时,小车应靠近打点计时器,并且要先接通电源再释放小车。
5.小车的选择:小车质量应适当大一些,使纸带上打的点多一些。
[基础考法]
考法(一) 实验原理与操作
1.某学习小组做“探究功与速度变化的关系”的实验,实验装置如图所示,图中小车是在一条橡皮筋作用下弹出的,沿木板滑行,橡皮筋对小车做的功记为W。当用2条、3条、…完全相同的橡皮筋并在一起进行第2次、第3次、…实验时(每次实验中橡皮筋伸长的长度都保持一致),每次实验中小车获得的速度根据打点计时器打在纸带上的点进行计算。
(1)除了上图中已有的实验器材外,还需要导线、开关、刻度尺和________(选填“交流”或“直流”)电源。
(2)实验中,小车会受到摩擦力的作用,可以使木板适当倾斜来平衡摩擦力,则下面操作正确的是________。
A.放开小车,能够自由下滑即可
B.放开小车,能够匀速下滑即可
C.放开拖着纸带的小车,能够自由下滑即可
D.放开拖着纸带的小车,能够匀速下滑即可
(3)若木板水平放置,小车在两条橡皮筋作用下运动,当小车速度最大时,关于橡皮筋所处的状态,下列说法正确的是________。
A.橡皮筋处于原长状态 B.橡皮筋仍处于伸长状态
解析:(1)打点计时器使用的是交流电源。
(2)平衡摩擦力时,应将纸带穿过打点计时器,放开拖着纸带的小车,小车能够匀速下滑即可,D正确。
(3)水平放置木板,放开小车后,小车做加速运动,当橡皮筋的拉力大小等于摩擦力大小时,小车的速度最大,此时橡皮筋仍处于伸长状态,B正确。
答案:(1)交流 (2)D (3)B
2.利用如图甲所示的实验装置探究合力做功与动能变化的关系。
(1)为了消除打点计时器和木板对小车阻力的影响,需要平衡阻力。关于该操作环节,下列四种装置图中正确的是________。
(2)甲组同学正确平衡了阻力,选取的砝码和盘的总质量m远小于小车的质量M,取砝码和盘所受的总重力值作为绳子的拉力值,按正确操作得到如图乙所示的一条纸带。在纸带上选取三个连续计时点A、B、C,测得它们到静止释放的起始点O的距离分别为sA、sB、sC,打点计时器的工作周期为T,已知当地重力加速度为g,从O到B的运动过程中,拉力对小车做功W=________,小车动能变化量ΔEk=________。
解析:(1)依据平衡阻力的原理:依靠重力的分力来平衡,同时阻力包含纸带与打点计时器直接的摩擦,故操作为:需要挂上纸带,但是不能挂重物,把打点计时器所在的一端垫高,故C正确,A、B、D错误。
(2)选取的砝码和盘的总质量m远小于小车的质量M,
所以拉力FT=mg,
从O到B的运动过程中,拉力对小车做功W=Fs=mgsB;
运动到B点速度vB=,
小车动能变化量ΔEk=MvB2-0=。
答案:(1)C (2)mgsB
考法(二) 数据处理与误差分析
3.为了探究动能定理,某同学在实验室组装了如图甲所示的装置:
(1)该同学想用钩码的重力表示小车受到的合外力,为了减小这种做法带来的实验误差,你认为在实验中应该采取的必要措施是________。
A.平衡摩擦力
B.先接通电源后释放小车
C.钩码的质量远小于小车的总质量
D.钩码的质量远大于小车的总质量
(2)如图乙所示是某次实验中得到的一条纸带,其中A、B、C、D、E、F是计数点,相邻计数点间的时间间隔为T,距离如图所示,则打B点时的速度vB=________。
(3)该同学经过认真操作后,发现小车动能的变化量总是略小于拉力做的功,他猜想是由于小车所受拉力小于钩码重力造成的,若钩码质量为m,小车质量为M,重力加速度为g,则小车受到的实际拉力为F=________。
解析:(1)要使小车受到的合力等于钩码的重力,实验前要平衡摩擦力,实验过程中还要控制钩码质量远小于小车的质量,故必要的措施是A、C项。
(2)小车做匀变速直线运动,由匀变速直线运动的推论可以知道,打B点时的速度:vB=。
(3)由牛顿第二定律得,对系统:mg=(M+m)a,
对小车:F=Ma,解得:F=g。
答案:(1)AC (2) (3)g
4.某同学用如图甲所示装置来探究“动能定理”,得到一条如图乙所示的纸带,O点为第一个点,并在纸带清晰段依次标记了A、B、C三个连续的计时点,用毫米刻度尺测得各点到O点的距离如图,重物质量m=1.00 kg。
(1)电火花计时器应选择以下哪种电源______。
A.4~6 V、50 Hz交流电源
B.220 V、50 Hz交流电源
(2)从O点到B点,重物的重力做功WG=______J,动能的增加量ΔEk=______J。(g取10 m/s2,以上计算结果均保留三位有效数字)
解析:(1)电火花计时器使用220 V、50 Hz的交流电源,所以选项B正确。
(2)从O点到B点,重物的重力做功
WG=mgh=1.00×10×0.777 6 J≈7.78 J
B点的速度vB== m/s
=3.895 m/s,
B点的动能EkB=mvB2≈7.59 J
动能的增加量ΔEk=EkB-0=7.59 J。
答案:(1)B (2)7.78 7.59
5.(2017·江苏高考)利用如图1所示的实验装置探究恒力做功与物体动能变化的关系。小车的质量为M=200.0 g,钩码的质量为m=10.0 g,打点计时器的电源为50 Hz的交流电。
(1)挂钩码前,为了消除摩擦力的影响,应调节木板右侧的高度,直至向左轻推小车观察到________________。
(2)挂上钩码,按实验要求打出的一条纸带如图2所示。选择某一点为O,依次每隔4个计时点取一个计数点。用刻度尺量出相邻计数点间的距离Δx,记录在纸带上。计算打出各计数点时小车的速度v,其中打出计数点“1”时小车的速度v1=________m/s。
(3)将钩码的重力视为小车受到的拉力,取g=9.80 m/s2,利用W=mgΔx算出拉力对小车做的功W。利用Ek=Mv2算出小车动能,并求出动能的变化量ΔEk。计算结果见下表。
W/×10-3J | 2.45 | 2.92 | 3.35 | 3.81 | 4.26 |
ΔEk/×10-3 J | 2.31 | 2.73 | 3.12 | 3.61 | 4.00 |
请根据表中的数据,在方格纸上作出ΔEkW图像。
(4)实验结果表明,ΔEk总是略小于W。某同学猜想是由于小车所受拉力小于钩码重力造成的。用题中小车和钩码质量的数据可算出小车受到的实际拉力F=________N。
解析:(1)挂钩码前,调节木板右侧的高度,直至向左轻推小车,小车做匀速直线运动,表明此时已消除了摩擦力的影响。
(2)打出计数点“1”时小车的速度
v1= m/s=0.228 m/s。
(3)根据题表格中的数据,描点作图,如图所示:
(4)由于W=mgΔx,ΔEk=FΔx,
则有F=mg=×0.01×9.8 N≈0.093 N。
答案:(1)小车做匀速运动 (2)0.228 (3)见解析图
(4)0.093
[例1] (2016·全国卷Ⅱ)某物理小组对轻弹簧的弹性势能进行探究,实验装置如图(a)所示:轻弹簧放置在光滑水平桌面上,弹簧左端固定,右端与一物块接触而不连接,纸带穿过打点计时器并与物块连接。向左推物块使弹簧压缩一段距离,由静止释放物块,通过测量和计算,可求得弹簧被压缩后的弹性势能。
(1)实验中涉及下列操作步骤:
①把纸带向左拉直 ②松手释放物块
③接通打点计时器电源 ④向左推物块使弹簧压缩,并测量弹簧压缩量
上述步骤正确的操作顺序是________(填入代表步骤的序号)。
(2)图(b)中M和L纸带是分别把弹簧压缩到不同位置后所得到的实际打点结果。打点计时器所用交流电的频率为50 Hz。由M纸带所给的数据,可求出在该纸带对应的实验中物块脱离弹簧时的速度为________m/s。比较两纸带可知,________(填“M”或“L”)纸带对应的实验中弹簧被压缩后的弹性势能大。
[三步稳解题]
1.分析实验目的:探究轻弹簧的弹性势能。
2.确定实验原理:根据功能原理,弹簧的弹性势能转化为物块脱离弹簧时的动能。
3.制定数据处理方案:物块脱离弹簧后做匀速直线运动,故物块脱离弹簧后的速度由纸带M中的后两段位移计算。再由弹性势能Ep=mv2可知脱离弹簧时的速度越大,对应弹簧被压缩后的弹性势能越大。
[解析] (1)实验时首先向左推物块使弹簧压缩,测量出弹簧压缩量,然后把纸带向左拉直,先接通打点计时器电源,待打点稳定后,再松手释放物块,故正确的操作顺序是④①③②。
(2)物块脱离弹簧后将在光滑水平桌面上做匀速直线运动,由M纸带可知物块脱离弹簧时的速度v== m/s≈1.29 m/s。比较M、L两纸带,物块脱离弹簧后在相同时间内的位移M的比L的大,则M纸带对应的实验中物块在脱离弹簧后的速度大,即M纸带对应的实验中弹簧被压缩后的弹性势能大。
[答案] (1)④①③② (2)1.29 M
[例2] 某学习小组利用如图所示的装置验证动能定理。
(1)将气垫导轨调至水平,安装好实验器材,从图中读出两光电门中心之间的距离s=________cm。
(2)测量挡光条的宽度d,记录挡光条通过光电门1和2所用的时间Δt1和Δt2,并从拉力传感器中读出滑块受到的拉力F,为了完成实验,还需要直接测量的一个物理量是________________________________________________________________________
________________________________________________________________________。
(3)该实验是否需要满足砝码盘和砝码总质量远小于滑块、挡光条和拉力传感器的总质量?________。(选填“是”或“否”)
[三步稳解题]
1.分析实验目的: 验证动能定理。
2.确定实验原理:细绳拉力对滑块所做的功等于滑块动能的改变量。
3.制定数据处理方案:细绳的拉力F可从拉力传感器上测出,滑块经过两光电门的速度可由v1=,v2=求得。测出滑块、挡光条和拉力传感器的总质量M及两光电门中心间距s,即可由Fs=Mv22-Mv12验证动能定理。
[解析] (1)光电门1处刻度尺读数为20.0 cm,光电门2处刻度尺读数为70.0 cm,故两光电门中心之间的距离s=70.0 cm-20.0 cm=50.0 cm。
(2)由于挡光条的宽度d很小,所以用很短时间内的平均速度代替瞬时速度,则滑块通过光电门1的速度为v1=,滑块通过光电门2的速度为v2=,由功能关系需要验证的关系式为Fs=Mv22-Mv12=M2-M2,可见还需要测量出M,即滑块、挡光条和拉力传感器的总质量。
(3)该实验中由于已经用传感器测出绳子拉力大小,不是将砝码和砝码盘的重力作为小车的拉力,故不需要满足砝码和砝码盘的总质量远小于滑块、挡光条和拉力传感器的总质量。
[答案] (1)50.0 (2)滑块、挡光条和拉力传感器的总质量M (3)否
[创新领悟]
实验原理的创新 | 1.运用平抛运动规律确定小物块离开C点时的速度并计算动能。 2.利用动能定理确定摩擦力做功及动摩擦因数。 |
实验器材的创新 | 1.利用光电门和遮光片的宽度确定小车经过光电门A、B的速度。 2.小车匀速运动时,砝码盘和砝码的重力即为不挂砝码盘时小车所受的合外力。 |
实验过程的创新 | 1.小球由O点平抛的初速度由下落高度y和水平位移x通过计算得到。 2.小球由不同高度下滑,平抛的水平位移不同,作出对应关系图线(直线)。 |
[创新考法]
1.气垫导轨是研究与运动有关的实验装置,也可以用来研究功能关系。如图甲所示,在气垫导轨的左端固定一轻质弹簧,轨道上有一滑块A紧靠弹簧但不连接,滑块的质量为m。
(1)用游标卡尺测出滑块A上的挡光片的宽度,读数如图乙所示,则宽度d=________cm。
(2)利用该装置研究弹簧对滑块做功的大小:某同学打开气源,调节装置,使滑块可以静止悬浮在导轨上,然后用力将滑块A压紧弹簧到P点,释放后,滑块A上的挡光片通过光电门的时间为Δt,则弹簧对滑块所做的功为________。(用题中所给字母表示)
解析:(1)游标卡尺的读数为d=9 mm+12× mm=9.60 mm=0.960 cm。
(2)由于光电门非常窄,所以挡光片(即滑块)通过光电门的平均速度近似等于瞬时速度,故通过光电门的速度为v=,故根据动能定理可得弹簧对滑块所做的功为W=mv2-0=m2。
答案:(1)0.960 (2)m2
2.某实验小组的同学欲“探究小车动能变化与合外力对它所做功的关系”,在实验室设计了一套如图甲所示的装置,图中A为小车,B为打点计时器,C为弹簧测力计,P为小桶(内有砂子),一端带有定滑轮的足够长的木板水平放置,不计绳与滑轮的摩擦。实验时,先接通电源再松开小车,打点计时器在纸带上打下一系列点。
(1)该同学在一条比较理想的纸带上,将点迹清楚的某点记为零点,顺次选取一系列点,分别测量这些点到零点之间的距离s,计算出它们与零点的速度平方差Δv2=v2-v02,弹簧测力计的读数为F,小车的质量为m,然后建立Δv2x坐标系,通过描点法得到的图像是一条过原点的直线,如图乙所示,则这条直线的斜率的意义为________________。(填写表达式)
(2)若测出小车质量为0.4 kg,结合图像可求得小车所受合外力的大小为________N。
解析:(1)根据动能定理可知Fx=mΔv2,所以理论上Δv2=x∝x,Δv2x图像为过原点的直线,直线的斜率k=。
(2)结合图像可知k==5 N/kg,所以F=1 N。
答案:(1) (2)1
3.某同学利用如图甲所示的装置探究动能定理。固定并调整斜槽,使它的末端O点的切线水平,在水平地面上依次铺放好木板、白纸、复写纸。将小球从不同的标记点由静止释放,记录小球到达斜槽底端时下落的高度H,并根据落点位置测量出小球平抛的水平位移x。
改变小球在斜槽上的释放位置,进行多次测量,记录数据如下:
高度H(h为单位长度) | h | 2h | 3h | 4h | 5h | 6h | 7h | 8h | 9h |
水平位移x(cm) | 5.5 | 9.1 | 11.7 | 14.2 | 15.9 | 17.6 | 19.0 | 20.6 | 21.7 |
(1)斜槽倾角为θ,小球与斜槽之间的动摩擦因数为μ,斜槽底端离地面的高度为y,不计小球与水平槽之间的摩擦,小球从斜槽上滑下的过程中,动能定理若成立应满足的关系式是____________________。
(2)以H为横坐标,以______为纵坐标,在坐标纸上描点作图,如图乙所示。
(3)由第(1)(2)问,可以得出结论_________________________________________。
解析:(1)设小球离开斜槽时的速度为v,根据平抛运动的规律得:x=vt,y=gt2
联立解得:v=x
小球在斜槽上滑下的过程中,重力和摩擦力做功,则合力做的功为:
W=mgH-μmgcos θ·=mgH
小球动能的变化量ΔEk=mv2=x2
则小球从斜槽上滑下的过程中,动能定理若成立应满足的关系式是mgH=x2。
(2)根据以上分析可知,以H为横坐标,以x2为纵坐标,在坐标纸上描点作图,如题图乙所示。
(3)由第(1)(2)问,结合图像可得:在实验误差允许的范围内,小球运动到斜槽底端的过程中,合外力对小球所做的功等于动能的增量。
答案:(1)mgH=x2 (2)x2 (3)在实验误差允许的范围内,小球运动到斜槽底端的过程中,合外力对小球所做的功等于小球动能的增量
4.用如图甲所示的实验装置完成“探究动能定理”实验。请补充完整下列实验步骤的相关内容。
(1)用天平测量小车和遮光片的总质量M、砝码盘的质量m0;用游标卡尺测量遮光片的宽度d,游标卡尺的示数如图乙所示,其读数为________cm;按图甲所示安装好实验装置,用米尺测量两光电门之间的距离s。
(2)在砝码盘中放入适量砝码;适当调节长木板的倾角,直到轻推小车,遮光片先后经过光电门A和光电门B的时间相等。
(3)取下细线和砝码盘,记下________________________(填写相应物理量及其符号)。
(4)让小车从靠近滑轮处由静止释放,用数字毫秒计时器分别测出遮光片经过光电门A和光电门B所用的时间ΔtA和ΔtB。
(5)在步骤(4)中,小车从光电门A下滑至光电门B过程合外力做的总功W合=__________,小车动能变化量ΔEk=______________________(用上述步骤中的物理量表示,重力加速度为g),比较W合和ΔEk的值,找出两者之间的关系。
(6)重新挂上细线和砝码盘,改变砝码盘中砝码质量,重复(2)~(5)步骤。
(7)本实验中,以下操作或要求是为了减小实验误差的是________。
A.尽量减小两光电门间的距离s
B.调整滑轮,使细线与长木板平行
C.砝码和砝码盘的总质量远小于小车的质量
解析:(1)由于游标卡尺是20分度,所测遮光片的宽度应是主尺读数与游标尺两读数之和,即5 mm+4×0.05 mm=5.20 mm=0.520 cm。
(3)在砝码盘中放入适量砝码,适当调节长木板的倾角,直到轻推小车,遮光片先后经过光电门A和光电门B的时间相等,这一步目的是使取下细线和砝码盘后小车运动所受合外力等于砝码和砝码盘的重力(m+m0)g,所以当取下细线和砝码盘时,记下砝码盘中砝码的质量m。
(5)小车从光电门A下滑至光电门B过程中合外力做的总功W合=(m+m0)gs,小车动能变化量ΔEk=M2-M2,比较W合和ΔEk的值,找出两者之间的关系。
(7)尽量减小两光电门间的距离s,会增大误差,选项A错误;调整滑轮,使细线与长木板平行,这样细线拉力等于小车做加速运动时受到的合外力,有利于减小误差,选项B正确;本实验没有用砝码和砝码盘的重力代替细线的拉力对小车做功,故不需要满足砝码和砝码盘的总质量远小于小车的质量,选项C错误。
答案:(1)0.520 (3)砝码盘中砝码的质量m
(5)(m+m0)gs M2-M2 (7)B

