苏教版必修二第三单元 化学能与电能的转化教案设计
展开年级 组别 | 高一化学 | 审阅 (备课组长) |
| 审阅 (学科校长) |
| |||||||||||||||||||||||||||||||
主备人 |
| 使用人 |
| 授课时间 |
| |||||||||||||||||||||||||||||||
课 题 | 电能转化成化学能 | 课 型 | 新授课 | |||||||||||||||||||||||||||||||||
课标 要求 | 复习原电池知识,学习电解池原理。 | |||||||||||||||||||||||||||||||||||
教 学 目 标 | 知识与能力 | 了解电解池的工作原理。 | ||||||||||||||||||||||||||||||||||
过程与方法 | 通过原电池的学习能够分析电解池的相关工作原理和构成条件 | |||||||||||||||||||||||||||||||||||
情感、态度与价值观 | 了解电解池在实际生活中的应用 | |||||||||||||||||||||||||||||||||||
教学 重点 | 电解定义以及电解原理 | |||||||||||||||||||||||||||||||||||
教学 难点 | 电解原理 | |||||||||||||||||||||||||||||||||||
教学 方法 | 三学一教 | |||||||||||||||||||||||||||||||||||
教学程序设计 | ||||||||||||||||||||||||||||||||||||
教 学 过 程 及 方 法 | 环节一 明标自学 | |||||||||||||||||||||||||||||||||||
过程设计 | 二次备课 | |||||||||||||||||||||||||||||||||||
1复习原电池知识 2学习电解原理 |
| |||||||||||||||||||||||||||||||||||
教 学 过 程 及 方 法 | 环节二 合作释疑 环节三 点拨拓展 (备注:合作释疑和点拨拓展可以按照顺序先后进行,也可以根据教学设计交叉进行设计) | |||||||||||||||||||||||||||||||||||
过程设计 | 二次备课 | |||||||||||||||||||||||||||||||||||
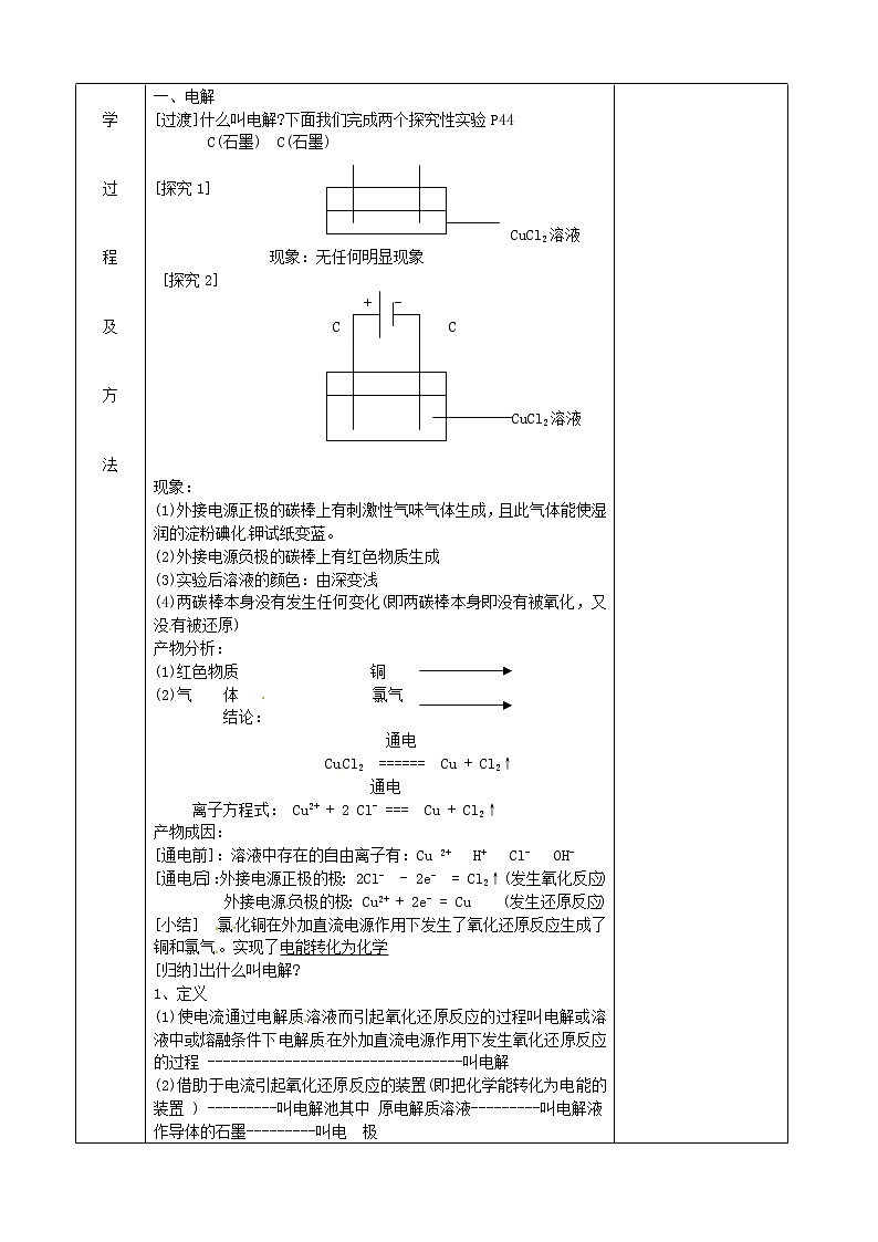
一、电解 [过渡]什么叫电解?下面我们完成两个探究性实验P44 C(石墨) C(石墨)
[探究1]
CuCl2溶液 现象:无任何明显现象 [探究2] + - C C
CuCl2溶液
现象: (1)外接电源正极的碳棒上有刺激性气味气体生成,且此气体能使湿润的淀粉碘化钾试纸变蓝。 (2)外接电源负极的碳棒上有红色物质生成 (3)实验后溶液的颜色:由深变浅 (4)两碳棒本身没有发生任何变化(即两碳棒本身即没有被氧化,又没有被还原) 产物分析: (1)红色物质 铜 (2)气 体 氯气 结论: 通电 CuCl2 ====== Cu + Cl2↑ 通电 离子方程式: Cu2+ + 2 Cl- === Cu + Cl2↑ 产物成因: [通电前]:溶液中存在的自由离子有:Cu 2+ H+ Cl- OH- [通电后]:外接电源正极的极: 2Cl- - 2e- = Cl2↑(发生氧化反应) 外接电源负极的极: Cu2+ + 2e- = Cu (发生还原反应) [小结] 氯化铜在外加直流电源作用下发生了氧化还原反应生成了铜和氯气。实现了电能转化为化学 [归纳]出什么叫电解? 1、定义 (1)使电流通过电解质溶液而引起氧化还原反应的过程叫电解或溶液中或熔融条件下电解质在外加直流电源作用下发生氧化还原反应的过程 ---------------------------------叫电解 (2)借助于电流引起氧化还原反应的装置(即把化学能转化为电能的装置 ) ---------叫电解池其中 原电解质溶液---------叫电解液 作导体的石墨---------叫电 极 强调:电解质溶液导电过程就是电解质溶液内发生氧化还原反应的过程。 2、电解池的构成条件 (1) 条件有三:电解质溶液 ;外接直流电源;有两电极 (2)电极命名: 外接电源正极的极 ---------------------叫阳极 发生氧化反应 外接电源负极的极 ---------------------叫阴极 发生还原反应 (3) 其中电极材料:按作阳极考虑分为: 惰性电极:石墨、铂、钛(此类电极仅起导 体作用)(上述实验便是) 活泼电极:除上述材料之外如 铁、铜等 (此类电极作阳极,电极本身参与反应失电子被氧化而溶解 ) 3、电解池工作化学原理(以电解氯化铜溶液为例) (1)电解前: 溶液中存在自由移动的离子:Cu2+ H+ Cl- OH- (2)通电后: 阳极: 带正电荷; 阴极: 带负电荷 (3)溶液中离子移动方向 阳离子(如Cu2+ H+)带正电荷向阴极移动 阴离子(如Cl- OH-)带负电荷向阳极移动 (4)电极反应 阳极 2Cl- - 2e- = Cl2↑(此条件下 氯离子放电 失电子) 阴极 Cu2+ + 2e-= Cu ( 铜离子氧化性强于氢离子放电而得电子) |
| |||||||||||||||||||||||||||||||||||
教 学 过 程 及 方 法 | 环节四 当堂检测 | 二次备课 | ||||||||||||||||||||||||||||||||||
分析下图,哪个是原电池,哪个是电解池。研究两池的关系(结构、原理)。 (1)原电池由__________ _______组成。较活泼的金属是_____极,较不活泼的金属(或能导电的非金属)是_______极。 (2)电解池由 组成,其中与外电源的正极相连的极板叫____极,与外电源的负极相连的极板叫_____极。 (3)原电池是把______能转化为________能的装置。电解池是把______能转化为________能的装置。在能量转化过程中,都发生了__________反应。
3、下列说法或实验现象的描述不正确的是-------------------( )。 A.把铜片和铁片紧靠在一起浸入稀硫酸中,铜片表面出现气泡 B.把铜片插入氯化铁溶液中,在铜片表面出现一层铁 C.把锌粒放入盛有盐酸的试管中,加入几滴氯化铜溶液,气泡放出速度加快 D.与电源负极相连的是电解槽的阴极 |
| |||||||||||||||||||||||||||||||||||
课 堂 小 结 | 1、什么叫电解 扩展:(1)熔融状态下氯化钠通入直流电而发生的反应过程也叫电解 2、电离与电解比较
3、原电池与电解池比较
| |||||||||||||||||||||||||||||||||||
课后 作业 | 课本P46第3题
| |||||||||||||||||||||||||||||||||||
板 书 设 计 | 一、电解池 1、定义 2、阴阳极 3、构成条件 | |||||||||||||||||||||||||||||||||||
课 后 反 思 |
| |||||||||||||||||||||||||||||||||||
鲁科版2019 高中化学 选修一1.3 电能转化为化学能——电解 教案(2课时): 这是一份鲁科版2019 高中化学 选修一1.3 电能转化为化学能——电解 教案(2课时),文件包含电能转化为化学能1-教学设计docx、电能转化为化学能2-教学设计docx等2份教案配套教学资源,其中教案共4页, 欢迎下载使用。
高三化学 电能转化为化学能 电解复习教案2: 这是一份高三化学 电能转化为化学能 电解复习教案2,共18页。教案主要包含了联想•质疑,阅读交流,板书设计,复习提问,预习提示,讲解并板书,指导学生阅读资料在线,课堂练习等内容,欢迎下载使用。
高三化学 电能转化为化学能 电解复习教案1: 这是一份高三化学 电能转化为化学能 电解复习教案1,共3页。教案主要包含了电解饱和食盐水的原理,电解氯化铜溶液等内容,欢迎下载使用。

