中学生标准学术能力诊断性测试2020年1月试题 化学
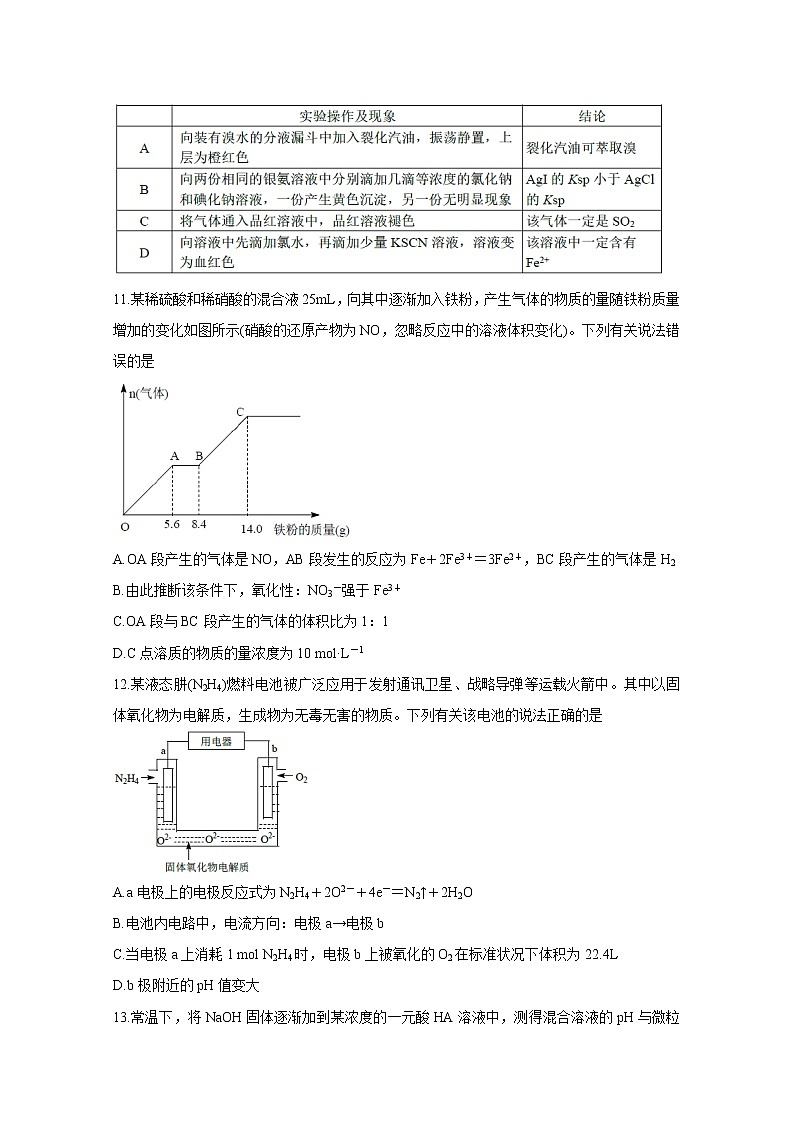
展开中学生标准学术能力诊断性测试2020年1月测试化学试卷(一卷)本试卷共300分,考试时间150分钟。可能用到的相对原子质量:H1 C12 O16 K3 9Fe56一、选择题:本题共13小题,每小题6分,共78分。在每小题给出的四个选项中,只有一项是符合题目要求的。7.化学可以让人类生活更美好,下列有关化学知识的说法不正确的是A.热的纯碱溶液可以代替餐洗净作厨房“洗涤剂”B.铁粉可做食品袋中的“抗氧剂”C.CuSO4因具有氧化性,故用其制成的波尔多液可作“杀菌剂”D.亚硝酸钠具有致癌性,但火腿肠加工中可加少量作“防腐剂”、“发色剂”8.某化合物M的结构简式如图所示,下列说法错误的是A.M可以发生取代、加成、加聚、缩聚反应B.核磁共振氢谱共有9个吸收峰C.1 mol M与足量溴水反应最多消耗4 mol Br2D.1 mol M与足量的NaOH溶液反应最多消耗3 mol NaOH9.X、Y、Z、W四种短周期元素,原子的核电荷数依次增多,X的一种原子无中子,Y、Z形成的化合物具有漂白性,其中的原子个数比为1:1,W的单质常用于自来水的杀菌消毒,下列说法正确的是A.X与Y、Z、W形成的化合物既有共价化合物也有离子化合物B.X、Y、W三元素形成的酸都是弱酸C.上述元素的简单离子的半径大小顺序为:r(X)<r(Y)<r(Z)<r(W)D.Z、X形成的化合物与含酚酞的水反应后呈红色,生成的气体能使带火星的木条复燃10.下列实验操作及现象和结论均正确的是11.某稀硫酸和稀硝酸的混合液25mL,向其中逐渐加入铁粉,产生气体的物质的量随铁粉质量增加的变化如图所示(硝酸的还原产物为NO,忽略反应中的溶液体积变化)。下列有关说法错误的是A.OA段产生的气体是NO,AB段发生的反应为Fe+2Fe3+=3Fe2+,BC段产生的气体是H2B.由此推断该条件下,氧化性:NO3-强于Fe3+C.OA段与BC段产生的气体的体积比为1:1D.C点溶质的物质的量浓度为10 mol·L-112.某液态肼(N2H4)燃料电池被广泛应用于发射通讯卫星、战略导弹等运载火箭中。其中以固体氧化物为电解质,生成物为无毒无害的物质。下列有关该电池的说法正确的是A.a电极上的电极反应式为N2H4+2O2-+4e-=N2↑+2H2OB.电池内电路中,电流方向:电极a→电极bC.当电极a上消耗1 mol N2H4时,电极b上被氧化的O2在标准状况下体积为22.4LD.b极附近的pH值变大13.常温下,将NaOH固体逐渐加到某浓度的一元酸HA溶液中,测得混合溶液的pH与微粒浓度的变化关系如图所示。下列叙述不正确的是A.Ka(HA)的数量级为10-5B.A点所表示的溶液中:c(HA)>c(A-)>c(Na+)>c(OH-)+-+C.B点所表示的溶液中:c(H+)=c(HA)+c(OH-)-c(Na+)D.从A点到C点,水的电离程度先增大后减小三、非选择题:共174分。第22~32题为必考题,每个试题考生都必须作答。第33~38题为选考题,考生根据要求作答。(一)必考题:共129分。26.(14分)某实验小组探究过量氨气和氯气的反应,推测其产物中可能含有NH4Cl。设计实验装置如下:(1)实验室用A装置制取氨气,其中发生反应的化学方程式为 。(2)实验室用B装置制备Cl2的离子方程式是 ,装置D中的试剂为 ,其作用为 。(3)为了让氨气和氯气混合充分,合理的装置连接顺序是(用小写字母填写): 接 接 接c接d接 接 接 接 接。(4)在实验过程中,甲同学在装置C中间导气管的上方观察到有白雾出现,原因是 ,乙同学在装置C内观察到有白烟生成,原因是 (请用化学方程式表达)。(5)如图,该装置存在明显的不足,请指出 。(6)为了进一步验证装置C中产生的固体中是否含有NH4Cl,所用试剂除AgNO3溶液外,还需 ,试剂的正确滴加顺序是 。27.(14分)2019年诺贝尔化学奖授予英、美、日籍的三位科学家,以表彰他们在锂离子电池研发领域做出的贡献。锂离子电池广泛应用于手机、笔记本、电动汽车、智能机器人等产品中。已知钴酸锂(LiCoO2)电池中还含有铝箔、石墨、塑料等,利用以下工艺流程回收废旧电池中的金属资源。已知:LiCoO2在酸性溶液中有强氧化性。(1)粉碎废旧电池后热处理可以除去 (填物质的名称)。(2)写出由滤液I得到Al(OH)3的离子方程式 。(3)用硫酸酸浸时要控制温度为80℃,原因是 ,写出酸浸时发生的主要氧化还原反应的化学方程式 。(4)在空气中煅烧二水合草酸钴一定用不到的仪器是 (填字母)。A.蒸发皿 B.玻璃棒 C.烧杯 D.瓷坩埚(5)已知Li2CO3微溶于水,其饱和溶液的浓度与温度关系见下表。为了减少碳酸锂的损失,图中“操作”应为 ,90℃时Ksp(Li2CO3)的值为 。28.(15分)煤燃烧产生的烟气中含有SO2和NOx,用NaOH、NaClO、Ca(ClO)2等溶液作为吸收剂可同时对烟气进行脱硫、脱硝。(1)下列关于吸收SO2过程发生的有关反应,用下列方程式表示:①SO2(g)+2OH-(aq)=SO32-(aq)+H2O(l) k1②ClO-(aq)+SO32-(aq)=SO42-(aq)+Cl-(aq) k2③CaSO4(s)Ca2+(aq)+SO42-(aq) k3k1、k2、k3分别表示反应①、②、③的化学平衡常数,则反应:SO2(g)+Ca2+(aq)+ClO-(aq)+2OH-(aq)=CaSO4(s)+H2O(l)+Cl-(aq)的化学平衡常数K= (用k1、k2、k3表示)。(2)标准状况下,把SO2通入11.2 mL水中制得饱和溶液,测得其pH=0.74。已知:标准状况下SO2在水中的溶解度按体积比为1:67.2(即V(H2O):V(SO2)=1:67.2)。①写出该溶液中存在的电离平衡 。②已知饱和溶液中的SO2有与水反应生成H2SO3,求H2SO3的第一步电离Ka1= (已知lg1.8≈0.26,忽略第二步电离和溶液体积的变化,结果用科学计数法表示,保留2位有效数字)。(3)SO2的水溶液中存在歧化反应:3SO2+2H2O2H2SO4+S↓,I-可作为该反应的催化剂,催化过程如下:a:SO2+4I-+4H+=S↓+2I2+2H2O b:I2+2H2O+SO2=SO42-+2I-+4H+欲探究反应a和b的反应速率与歧化反应的速率的关系,设计实验如下:将18 mLSO2的水溶液分别加入2mL下列试剂中,密闭放置,观察现象。(已知I2易溶于KI溶液,溶液呈棕褐色)完成下列问题:①由实验现象可得出反应a与反应b的速率:v(a) v(b)(填“>”“﹤”或“=”)。②测得反应3SO2+2H2O2H2SO4+S↓在实验Ⅰ中,部分物质的物质的量的变化如右图所示(设混合溶液的体积为两溶液的体积之和):则曲线N表示 (填物质的名称)的变化。该反应在实验Ⅰ条件下进行,15min时达到化学平衡状态,用SO2表示该反应前15min内的平均反应速率为 mol·L-1·min-1。③下列叙述能说明3SO2(aq)+2H2O(l)2H2SO4(aq)+S(s)反应已达到平衡状态的是 (填字母)。A.生成1.5 mol SO2的同时消耗1 mol H2SO4B.反应过程中,溶液中的分子总数不再变化C.恒温恒容时,混合溶液中硫酸的密度保持不变D.绝热恒容时,反应的化学平衡常数不再变化(4)若把NaOH吸收SO2后的碱溶液进行电解,装置如右图所示。其中SO2的碱吸收液中含有NaHSO3和Na2SO3的浓度均为0.05 mol·L-1。当电路中通过0.05 mol电子时,阳极生成的气体在标准状况下的体积为 L,b室中c(SO32-) (填“增大”“减小”或“不变”),溶液中:c(Na+)- =0.05 mol·L-1(用微粒浓度的关系式表示)。(二)选考题:共45分。请考生从2道物理题、2道化学题、2道生物题中每科任选一题作答。如果多做,则每科按所做的第一题计分。35.[化学-选修3:物质结构与性质](15分)A、B、C、D为原子序数依次增大的四种元素,简单离子A2-和D+相差一个电子层,B、C为同周期元素,B原子核外电子总数是最外层电子数的3倍,C元素的原子最外层有一个未成对电子。请回答下列问题:(1)基态B原子的核外电子排布式为 。(2)A有两种同素异形体,其中沸点最高的是 ,原因是 。(3)B、C可组成原子个数比为1:3的化合物E,其电子式为 ,E溶于水有白雾生成,写出它与水反应的化学方程式 。(4)化合物C2A的立体构型为 ,中心原子的价电子对数为 ,用单质C与湿润的Na2CO3溶液反应可制得C2A,其反应方程式为 。(5)A和D能够形成化合物F,其晶胞结构如图所示,晶胞参数a=0.60nm,F的化学式为 ,晶胞中A原子的配位数为 ,列式计算晶体F的密度 (g·cm)。36.[化学-选修5:有机化学基础](15分)酸酐是由一个或两个分子的酸去掉一分子水而形成的化合物,一种新药物M由芳香族化合物A合成,其路线图如下:已知下列信息:①A、B、C、D均为芳香化合物且都含两个取代基,其中D既能发生银镜反应又能与FeCl3溶液发生显色反应。②③(1)A的名称是 ,C中所含的官能团的名称是 ,D、E的结构简式分别为 、 。(2)E→F与G→H的反应类型分别是 、 。(3)A生成B的化学方程式为 。(4)合成路线中设计A→B,再从C→D的目的是 。(5)D的同分异构体中含有苯环的还有 种。(不考虑立体异构)(6)利用上述信息,以对苯二甲醇为原料,制备化合物:请写出相应的转化流程图(无机试剂任选,请用下列方法表示)。

