- 重难点02 氮及其化合物之间的转化-2019-2020学年高一化学重难点探究(人教版2019必修第二册) 试卷 试卷 2 次下载
- 重难点03 常见气体的实验室制取-2019-2020学年高一化学重难点探究(人教版2019必修第二册) 试卷 试卷 2 次下载
- 重难点04 浓硫酸、浓硝酸的性质与反应计算-2019-2020学年高一化学重难点探究(人教版2019必修第二册) 试卷 试卷 2 次下载
- 重难点05 化学反应中热量的变化情况判断-2019-2020学年高一化学重难点探究(人教版2019必修第二册) 试卷 试卷 3 次下载
- 重难点06 原电池正、负极的判断与电极反应式的书写-2019-2020学年高一化学重难点探究(人教版2019必修第二册) 试卷 试卷 3 次下载
重难点01 硫及其化合物之间的转化-2019-2020学年高一化学重难点探究(人教版2019必修第二册) 试卷
展开2019-2020学年高一化学重难点探究(人教版2019必修第二册)
重难点01 硫及其化合物之间的转化
方法探究
一、硫的转化关系
1.自然界中不同意价态硫元素间的转化
2.常见含硫的物质的转化
3.硫的化合价与性质的关系
二、不同价态硫的化合物的转化
(1)价态与性质①- 2价硫处于最低价态,只有还原性,可被O、Cl2等氧化剂氧化为S;
②0价、+4价硫处于中间价态,既有氧化性又有还原性;
③+6价硫处于最高价态,只有氧化性。
(2)价态变化规律
当硫元素的化合价升高或降低时,一般升高或降低到其相邻的价态,即台阶式升降,如:
(3)含硫物质的连续氧化
注:请完成下列关系图中序号对应的化学方程式(注明反应条件)
典例剖析
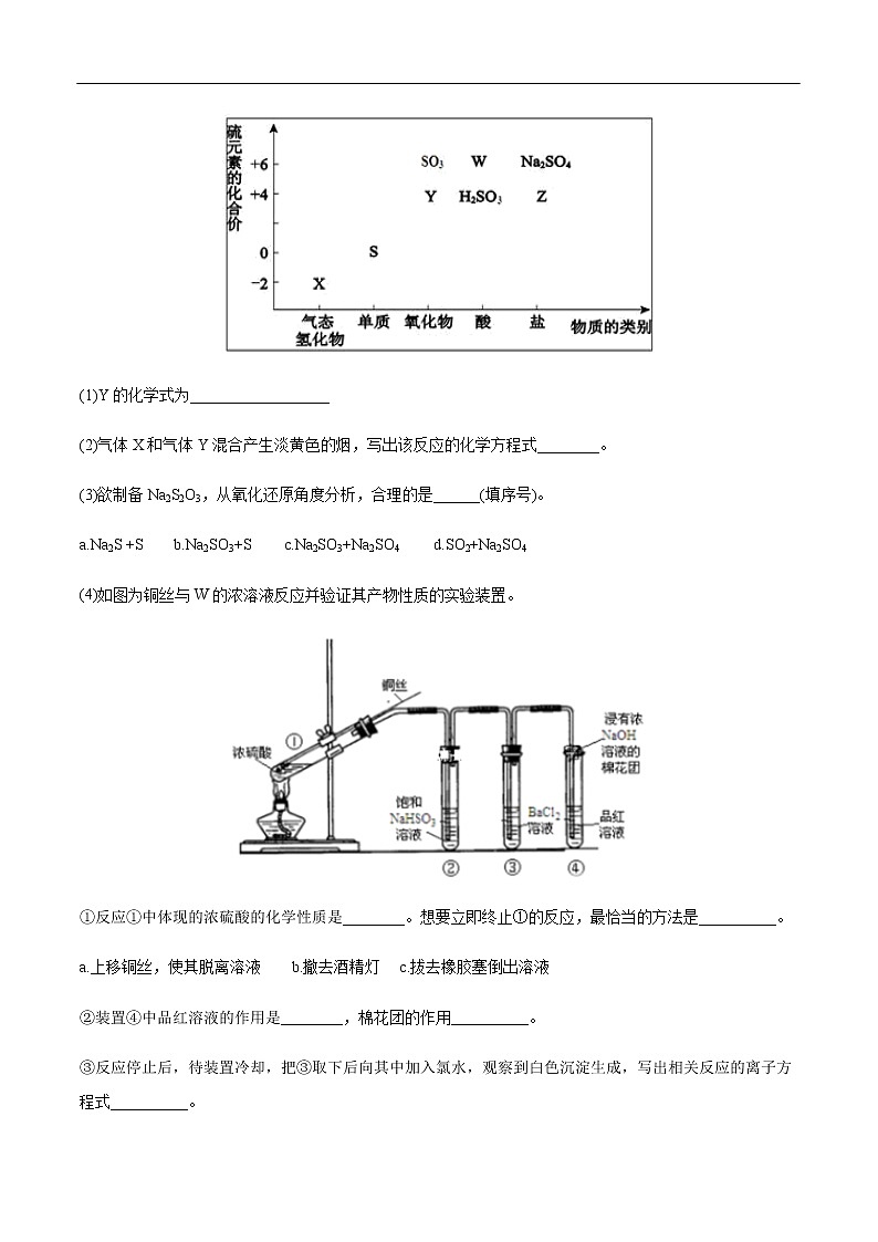
(2020·安徽省明光中学高一月考)物质的类别和核心元素的化合价是研究物质性质的两个重要角度。请根据如图所示,回答下列问题:
(1)Y的化学式为__________________
(2)气体X和气体Y混合产生淡黄色的烟,写出该反应的化学方程式________。
(3)欲制备Na2S2O3,从氧化还原角度分析,合理的是______(填序号)。
a.Na2S +S b.Na2SO3+S c.Na2SO3+Na2SO4 d.SO2+Na2SO4
(4)如图为铜丝与W的浓溶液反应并验证其产物性质的实验装置。
①反应①中体现的浓硫酸的化学性质是________。想要立即终止①的反应,最恰当的方法是__________。
a.上移铜丝,使其脱离溶液 b.撤去酒精灯 c.拔去橡胶塞倒出溶液
②装置④中品红溶液的作用是________,棉花团的作用__________。
③反应停止后,待装置冷却,把③取下后向其中加入氯水,观察到白色沉淀生成,写出相关反应的离子方程式__________。
【答案】(1)SO2
(2)SO2+2H2S=3S+2H2O
(3)b
(4)强氧化性、酸性 a 验证SO2具有漂白性 吸收SO2尾气 SO2+Cl2+2H2O=4H++2Cl-+SO42-、Ba2++SO42-=BaSO4↓
【解析】【分析】根据图示中硫元素的化合价和物质类别,可判断出X为H2S,Y为SO2,W为H2SO4,Z为Na2SO3。
(4)铜丝和浓硫酸反应,生成的二氧化硫进入饱和亚硫酸氢钠溶液中,除去可能挥发的硫酸蒸气,然后进入BaCl2溶液,SO2和BaCl2溶液不发生反应,但SO2易溶于水,所以在BaCl2溶液中会有一定量的SO2以及SO2和水反应生成的H2SO3。SO2进入品红溶液,可以使品红褪色。SO2有毒,不能随意排放,所以最后用浸有NaOH溶液的棉花团吸收多余的SO2。
【详解】(1)Y是硫的氧化物,其中硫是+4价,所以Y是SO2。
(2)气体X是H2S,和气体Y(SO2)混合产生淡黄色的烟,两者发生反应生成了淡黄色的单质硫,该反应的化学方程式为SO2+2H2S=3S+2H2O。
(3)欲制备Na2S2O3,从氧化还原角度分析,Na2S2O3中硫是+3价。
a.Na2S中硫是-2价,S单质中硫是0价,都低于+3价,所以不能生成Na2S2O3;
b.Na2SO3中硫是+4价,S单质中硫是0价,可以归中生成Na2S2O3;
c.Na2SO3中硫是+4价,Na2SO4中硫是+6价,都高于+3价,所以不能生成Na2S2O3;
d.SO2中硫是+4价,Na2SO4中硫是+6价,都高于+3价,所以不能生成Na2S2O3;
故选b。
(4) ①反应①是铜和浓硫酸的反应:Cu+2H2SO4(浓)CuSO4+SO2↑+2H2O,在反应中浓硫酸里的+6价的硫部分变成了+4价,体现了强氧化性,另一部分化合价没有改变,仍为+6价,生成了硫酸盐,体现了酸性,所以反应①中浓硫酸既体现了强氧化性,又体现了酸性。想要立即终止①的反应,最恰当的方法是上移铜丝,使其脱离溶液,故选a。
②SO2有漂白性,可以使品红褪色,所以装置④中品红溶液的作用是验证SO2具有漂白性。SO2有毒,不能随意排放,SO2是酸性氧化物,可以跟NaOH溶液反应,所以浸有NaOH溶液的棉花团的作用吸收SO2尾气。
③反应停止后,待装置冷却,把③取下后向其中加入氯水,氯水能氧化溶液中的SO2以及SO2和水反应生成的H2SO3,生成SO42-,SO42-和Ba2+生成BaSO4白色沉淀,相关反应的离子方程式为:SO2+Cl2+2H2O=4H++2Cl-+SO42-、Ba2++SO42-=BaSO4↓。
精选习题
1.(2020·大庆外国语学校高一月考)下列气体不能用浓硫酸干燥的是( )
A.H2 B.H2S C.SO2 D.Cl2
【答案】B
【解析】A. H2是中性气体,可以用浓硫酸干燥,故A不符合题意;
B. H2S是还原性气体,与浓硫酸反应,不能用浓硫酸干燥,故B符合题意;
C. SO2是酸性气体,可以用浓硫酸干燥,故C不符合题意;
D. Cl2不与浓硫酸反应,可以用浓硫酸干燥,故D不符合题意。
综上所述,答案为B。
【点睛】
不能用浓硫酸干燥的气体主要是碱性气体NH3,还原性气体H2S、HBr、HI。
2.(2020·山东省微山县第二中学高一月考)下列说法正确的是( )
A.单质氧化物酸或碱盐,铁单质可以按上述关系进行转化
B.若a、b、c分别为S、SO3、H2SO4,则可以通过一步反应实现如图所示的转化
C.太阳能电池板中的硅在元素周期表中处于金属与非金属的交界位置
D.单质硅常用于制造光导纤维
【答案】C
【解析】A.Fe与氧气反应生成氧化铁或四氧化三铁,但氧化铁或四氧化三铁与水不反应,所以氧化物−→水酸或碱不能实现,故A错误;
B. 若a、b、c分别为S、SO3、H2SO4,b→c不能一步实现,故B错误;
C.硅元素位于第三周期第ⅣA族元素,位于金属元素与非金属元素的交界处,故C正确;
D.二氧化硅常用来制造光导纤维,故D错误;
故答案选:C。
3.(2020·安徽省屯溪一中高一开学考试)如图所示是一系列含硫化合物的转化关系(反应中生成的水已略去),其中说法正确的是
A.反应①说明SO2具有漂白性,反应②说明SO2具有酸性
B.反应②中生成物n(Na2SO3):n(NaHSO3)=1:1时,则反应物n(SO2):n(NaOH)=1:2
C.反应③④⑤均属于氧化还原反应
D.工业上可利用反应②和反应④回收SO2
【答案】D
【解析】A.反应①中先变蓝后褪色显然是因为KIO3的还原产物先是I2后是I-,体现了SO2具有还原性,反应②属于酸性氧化物和碱的反应,体现了SO2具有酸性,故A错误;
B.根据元素守恒,当n(Na2SO3):n(NaHSO3)=1:1时,n(SO2):n(NaOH)=2:3,故B错误;
C.反应④是非氧化还原反应,故C错误;
D.反应②吸收了二氧化硫,反应④放出了SO2,可以通过2个反应回收二氧化硫,故D正确;
故选D。
4.(2020·甘肃省张掖市第二中学高一开学考试)A、B、C是中学化学常见的三种物质,它们之间的相互转化关系如图(部分反应条件及产物略去)。
(1)若A是一种黄色单质固体,则B→C的化学方程式为____。
(2)若A是一种活泼金属,C是淡黄色固体,则C的名称为____,试用化学方程式表示该物质与水的反应____。将C长期露置于空气中,最后将变成物质D,D的化学式为____。
(3)若C是红棕色气体,A是一种能使湿润的红色石蕊试纸变蓝的气体。请结合所学知识,写出实验室制取A的化学方程式____。
【答案】(1)2SO2+O2 2SO3
(2)过氧化钠 2Na2O2+2H2O=4NaOH+O2 Na2CO3
(3)2NH4Cl+Ca(OH)2CaCl2+2NH3↑+2H2O
【解析】
【分析】 (1)若A是一种黄色单质固体,为S,硫被氧气氧化变为二氧化硫,二氧化硫被氧气氧化生成三氧化硫,则B→C的化学方程式为2SO2+O22SO3;
(2)若A是一种活泼金属,C是淡黄色固体,则C为过氧化钠,A为金属钠,过氧化钠与水反应生成氢氧化钠和氧气,其化学方程式表示该物质与水的反应2Na2O2+2H2O=4NaOH+O2,将过氧化钠长期露置于空气中,过氧化钠和二氧化碳反应生成碳酸钠,则D的化学式为Na2CO3;
(3)若C是红棕色气体,A是一种能使湿润的红色石蕊试纸变蓝的气体,则A为氨气,B为一氧化氮,C为二氧化氮,实验室制取氨气用氯化铵和氢氧化钙加热反应,其化学方程式2NH4Cl+Ca(OH)2CaCl2+2NH3↑+2H2O。
5.(2020·威远县连界一中高一月考)燃煤的烟气中含有 SO2,为了治理雾霾天气,工厂采用多种方法实现烟气脱硫。
Ⅰ.(1)“湿式吸收法”利用吸收剂与 SO2 发生反应从而脱硫。下列试剂中适合用作该法吸收剂的是_____(填字母序号)。
a. 石灰乳 b.CaCl2溶液
(2)某工厂利用含 SO2 的烟气处理含Cr2O72-的酸性废水,吸收塔中反应后的铬元素以Cr3+形式存在,具体流程如下:
①用 SO2 处理含铬废水时,利用了 SO2 的_____性。
②吸收塔中发生反应的离子方程式为_____。
Ⅱ.石灰-石膏法和烧碱法是常用的烟气脱硫法。石灰-石膏法的吸收反应为Ca(OH)2+SO2= CaSO3↓+H2O。吸收产物亚硫酸钙由管道输送至氧化塔氧化,反应为2CaSO3+O2+4H2O =2CaSO4·2H2O。其流程如图:
烧碱法的吸收反应为2NaOH+SO2=Na2SO3+H2O。该法的特点是氢氧化钠碱性强、吸收快、效率高。其流程如图:
已知:
试剂 | Ca(OH)2 | NaOH |
价格(元/kg) | 0.36 | 2.9 |
吸收 SO2 的成本(元/mol) | 0.027 | 0.232 |
(3)石灰-石膏法和烧碱法相比,石灰-石膏法的优点是_______,缺点是_______。
(4)某学习小组在石灰-石膏法和烧碱法的基础上,设计一个改进的、能实现物料循环的烟气脱硫方案,流程图中的甲、乙、丙各是_____、_____、_____(填化学式)
【答案】(1)a
(2)还原 3SO2+Cr2O72-+2H+=2Cr3++3SO42-+H2O
(3)原料便宜,成本低 吸收慢,效率低
(4)NaOH Ca(OH)2 Na2SO3
【解析】Ⅰ(1)二氧化硫与氯化钙不能发生反应,而与氢氧化钙可以反应生成亚硫酸钙,因为氢氧化钙溶解度不大,所以用石灰乳来吸收二氧化硫,故答案为:a;
(2)①重铬酸根具有强氧化性,二氧化硫具有还原性,则可以用 SO2 处理含铬废水,故答案为:还原;
②吸收塔中为二氧化硫与重铬酸根发生氧化还原反应,其发生反应的离子方程式为3SO2+Cr2O72-+2H+=2Cr3++3SO42-+H2O,故答案为:3SO2+Cr2O72-+2H+=2Cr3++3SO42-+H2O;
Ⅱ(3)对比两个流程可知,基本反应原理都为二氧化硫与碱发生反应,氢氧化钙原料廉价易得,成本低,但氢氧化钙溶解度不大,吸收慢,效率低,故答案为:原料便宜,成本低;吸收慢,效率低;
(4)分析流程并对比前两个流程可知,该流程的目的是改进前两个流程的缺点,即氢氧化钙吸收效率低,应用吸收效率较高的氢氧化钠,则甲为氢氧化钠,又氢氧化钠成本高,需要循环利用,则可用氢氧化钙制备氢氧化钠,则乙为氢氧化钙,由此可推知丙为亚硫酸钠,亚硫酸钠与氢氧化钙可以发生复分解反应生成氢氧化钠和亚硫酸钙,实现氢氧化钠的再生,降低成本,故答案为:NaOH;Ca(OH)2;Na2SO3。
链接高考
1.(2018·上海)下列转化不能通过一步反应实现的是( )
A.H2S+O2→SO2
B.SO2+H2O→H2SO3
C.S+O2→SO3
D.SO3+H2O→H2SO4
【答案】C
【解析】A.H2S和O2发生氧化还原反应生成SO2和H2O,能够一步反应实现转化,A选项不满足题意;
B.常温下,SO2与H2O直接反应生成H2SO3,能够一步反应实现转化,B选项不满足题意;
C.S在氧气中燃烧生成SO2,SO2在催化剂存在的条件下进一步氧化生成SO3,所以不能通过一步反应实现转化,C选项满足题意;
D.SO3可与H2O反应直接生成H2SO4,能够一步反应实现转化,D选项不满足题意;
答案选C。
2.(2017·海南)分别将足量下列气体通入稀Na2S溶液中,可以使溶液变浑浊的是
A.CO B.SO2 C.HCl D.CO2
【答案】B
【解析】A、CO不与Na2S发生反应,因此没有沉淀产生,故A错误;B、SO2具有弱氧化性,与Na2S发生氧化还原反应,即SO2+2S2-+4H+=3S↓+2H2O,故B正确;C、利用酸性强的制取酸性弱的,即发生2H++S2-=H2S,没有沉淀产生,故C错误;D、不产生沉淀,故D错误。
3.(2018·浙江)下列反应中能产生二氧化硫的是
A.氧化铜和稀硫酸反应 B.亚硫酸钠和氧气反应
C.三氧化硫和水反应 D.铜和热的浓硫酸反应
【答案】D
【解析】A项,生成物为硫酸铜和水,不产生二氧化硫,故不选A;
B项,亚硫酸钠和氧气反应生成硫酸钠,该反应不产生二氧化硫,故不选B;
C项,三氧化硫和水反应生成硫酸,反应中无法产生二氧化硫,故不选C;
D项,Cu与浓硫酸反应生成二氧化硫、水和硫酸铜,故选D。
综上所述,本题正确选项为D。
4.(2017·北京)根据SO2通入不同溶液中实验现象,所得结论不正确的是
| 实验 | 现象 | 结论 |
A | 含HCl、BaCl2的FeCl3溶液 | 产生白色沉淀 | SO2 有还原性 |
B | H2S 溶液 | 产生黄色沉淀 | SO2 有氧化性 |
C | 酸性KMnO4溶液 | 紫色溶液褪色 | SO2 有漂白性 |
D | Na2SiO3溶液 | 产生胶状沉淀 | 酸性:H2SO3> H2SiO3 |
【答案】C
【解析】A、混合溶液中SO2被FeCl3氧化生成SO42−,再与BaCl2反应产生白色沉淀,体现了SO2的还原性,A正确;
B、SO2与H2S在溶液发生反应SO2+2H2S=3S↓+2H2O,体现了SO2的氧化性,B正确;
C、SO2使酸性KMnO4溶液褪色,这是SO2在酸性溶液中还原KMnO4生成Mn2+,体现了SO2的还原性,C错误;
D、SO2与Na2SiO3溶液产生胶状沉淀,根据较强酸制较弱酸,可得结论酸性:H2SO3>H2SiO3,D正确。
答案选C。
5.(2019·海南)能正确表示下列反应的离子方程式为( )
A.向FeBr2溶液中通入过量Cl2:2Fe2++Cl2=2Fe3++2Cl-
B.向碳酸钠溶液中通入少量CO2:CO32-+CO2+H2O=2HCO3-
C.向碘化钾溶液中加入少量双氧水:3H2O2+I-=IO3-+3H2O
D.向硫化钠溶液中通入过量SO2:2S2-+5SO2+2H2O=3S↓+4HSO3-
【答案】BD
【解析】A.FeBr2电离产生的Fe2+、Br-都具有还原性,向该溶液中通入过量Cl2,Fe2+、Br-都会被氧化,离子方程式为:2Fe2++4Br-+3Cl2=2Fe3++2Br2+6Cl-,A错误;
B.向碳酸钠溶液中通入少量CO2,Na2CO3、CO2、H2O发生反应生成NaHCO3,反应的离子方程式为:CO32-+CO2+H2O=2HCO3-,B正确;
C.H2O2具有氧化性,在酸性条件下,会将I-氧化为I2,反应的离子方程式为:H2O2+2H++2I-=I2+2H2O,C错误;
D.向硫化钠溶液中通入过量SO2,由于酸性H2SO3>H2S,由于SO2过量,发生的反应有:S2-+2SO2+2H2O=H2S+2HSO3-,SO2+ 2H2S=3S↓+2H2O,总反应方程式为2S2-+5SO2+2H2O=3S↓+4HSO3-,D正确;
故合理选项是BD。
6.(2017·浙江)已知固体Na2SO3受热易分解,实验流程和结果如下:
已知:气体Y是一种纯净物,在标准状况下的密度为1.518g·L-1。请回答:
(1)气体Y分子的电子式_________________,白色沉淀的化学式___________________。
(2)该流程中的Na2SO3受热分解的化学方程式_____________________________。
(3)另取固体X试样和Na2SO3混合,加水溶解后与稀盐酸反应,有淡黄色沉淀产生。写出产生淡黄色沉淀的离子方程式________________________(不考虑空气的影响)。
【答案】(1) BaSO4
(2)4Na2SO3Na2S+3Na2SO4
(3)SO32-+2S2-+6H+=3S↓+3H2O
【解析】【分析】气体Y是一种纯净物,在标准状况下的密度为1.518g·L-1,Y的摩尔质量为1.518g/L×22.4L/mol=34g/mol,结合Na2SO3中的元素可知,Y为H2S,固体X与盐酸反应生成硫化氢和溶液,溶液中加入氯化钡反应生成白色沉淀,说明固体X中含有Na2S和硫酸钠,据此分析作答。
【详解】根据上述分析可知,
(1)气体Y为硫化氢,电子式为,白色沉淀为硫酸钡,故答案为;BaSO4;
(2)隔绝上述分析,流程中的Na2SO3受热分解的化学方程式为4Na2SO3Na2S+3Na2SO4,故答案为4Na2SO3Na2S+3Na2SO4;
(3)固体X和Na2SO3混合,加水溶解后与稀盐酸反应,有淡黄色硫沉淀产生,产生淡黄色沉淀的离子方程式为SO32-+2S2-+6H+=3H2O+3S↓,故答案为SO32-+2S2-+6H+=3H2O+3S↓。
【点睛】
隔绝气体的密度确定Y的化学式是解答本题的关键。本题的易错点为硫化氢的电子式的书写,硫化氢属于共价化合物,不存在离子键。

