所属成套资源:2020高考化学真题/答案/解析_2020高考化学模拟卷
- 2020届高考化学模拟竞优卷 第五卷 试卷 0 次下载
- 2020届高考化学模拟竞优卷 第一卷 试卷 0 次下载
- 2020届高考化学模拟竞优卷 第六卷 试卷 0 次下载
- 泄露天机2020高考押题 精粹 化学(教师用卷) 试卷 0 次下载
- 2020回归教材实验--人教版高中化学教材(必修1) 学案 学案 5 次下载
2020届高考化学模拟竞优卷 第四卷
展开
2020届高考化学模拟竞优卷 第四卷
1、化学与社会、生活密切相关。下列说法正确的是( )
A.人造太阳中热核聚变产生的核能不属于新能源
B.光伏高速公路中使太阳能转化为电能的特殊材料为单质硅
C.地沟油和矿物油的主要成分都是不饱和烃
D.铁粉和生石灰均可用作食品中的抗氧化剂
2、下列说法错误的是( )
A.该反应属于取代反应
B. GMA的分子式为
C.与a互为同分异构体的羧酸只有1种
D. GMA能与NaOH溶液、酸性溶液反应
3、NA是阿伏加德罗常数的值。下列说法正确的是( )
A.标准状况下,11.2 L CH3Cl气体含共价键数目为2NA
B.28 g纯铁粉与足量稀硝酸反应生成NO,NO2和N2O,混合物时转移电子数为NA
C.1 mol蔗糖(C12H22O11),完全水解生成的葡萄糖中所含官能团数目为12 NA
D.1 L 0.1 mol•L-1 Na2S和NaHS的混合溶液中含硫原子总数小于0.1 NA
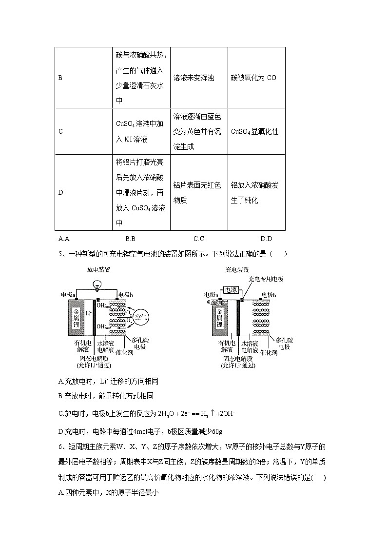
4、由下列实验及现象不能推出相应结论的( )
实验
现象
结论
A
在5 mL 1 mol•L-1盐酸中加入适量Na2SiO4溶液振荡,得透明液体,用激光笔照射
出现光亮的通路
该透明液体属于胶体
B
碳与浓硝酸共热,产生的气体通入少量澄清石灰水中
溶液未变浑浊
碳被氧化为CO
C
CuSO4溶液中加入KI溶液
溶液逐渐由蓝色变为黄色并有沉淀生成
CuSO4显氧化性
D
将铝片打磨光亮后先放入浓硝酸中浸泡片刻,再放入CuSO4溶液中
铝片表面无红色物质
铝放入浓硝酸发生了钝化
A.A B.B C.C D.D
5、一种新型的可充电锂空气电池的装置如图所示。下列说法正确的是( )
A.充放电时,迁移的方向相同
B.充放电时,能量转化方式相同
C.放电时,电极b上发生的反应为
D.充电时,电路中每通过4mol电子,b极区质量减少60g
6、短周期主族元素W、X、Y、Z的原子序数依次增大,W原子的核外电子总数与Y原子的最外层电子数相等;周期表中X与Z同主族,Z的族序数是周期数的2倍;常温下,Y的单质制成的容器可用于贮运乙的最高价氧化物对应的水化物的浓溶液。下列说法错误的是( )
A.四种元素中,X的原子半径最小
B.W的氢化物为共价化合物
C.W的单质与水反应比Y的单质与水反应剧烈
D.W、Z两种元素形成的化合物水溶液呈碱性
7、室温条件下,用0.100 mol/L-1的NaOH溶液分别滴定酸HX、HY、HZ,三种酸的体积均为20.00 mL,浓度均为0.100 mol/L-1,滴定曲线如图所示。下列叙述正确的是( )
A.电离常数Ka(HX)的数量级为10-12
B.HX的电离程度大于X-的水解程度
C.pH=7时,三种溶液中c(X-) =c(Y-)=c(Z-)
D.P点对应的溶液中:c(Y-) >c(Na+) >c(HY)>c(H+)>c(OH-)
8、粉煤灰是燃煤电厂排出的主要固体废物,我国火电厂粉煤灰的主要氧化物组成为SiO2、A12O3、Fe2O3、CaO、MgO等、利用粉煤灰可制备污水处理的混凝剂(PAFC)及其他化工产品,其下艺流在如下:
(1)PAFC名称是聚合氧化铝铁,其化学式为[Al2(0H)nCl6-n][Fe(OH)NCl6-N]M,化学式中n、m、N、M均为整数。已知碱式氯化镁[Mg(OH)2·MgCl2],]可改写为氧化物和氯化物形式2MgO·2HCl,则PAFC改与为氧化物和氯化物形式为__________
(2)“酸浸”操作中加入的酸为__________(填字母)
a.稀硫酸 b.浓硫酸 c.稀盐酸 d.稀硝酸
为了提高“酸浸”速率,可采取的措施为__________。(填两种即可)。
(3)“碱浸"用的是NaOH溶液。该反应的离子方程式为__________
(4)“粗盐溶液”“精制”后的“电解”操作中,阴极反应为__________
(5)常温时,测得流程图中“粗盐溶液”中c(Ca2+)=c(Mg2+)=0.01mol/L,若溶液中阳离子的浓度为1.0×10-5mol/L时可认为该离子除去干净,则Mg2+除干净时的pH=__________,此时Ca2+的浓度__________。{忽略加入碱液所导致的溶液体积变化;Ksp[Ca(OH)2] =6.0×10-6,Ksp[Mg(OH)2]=2.0×10-11,1g2=0.31}
9、硝酸银是中学实验室常用试剂。硝酸银不稳定,易发生如下反应:
①2AgNO3(s)=2Ag(s)+2NO2(g)+O2(g) ΔH1
②2NO2(g) N2O4(g) ΔH2
(1)2AgNO3(s)=2Ag(s)+ N2O4 (g)+O2(g) ΔH=____________(用含ΔH1、ΔH2的式子表示)。
(2)实验室配制硝酸银溶液的操作方法是:将一定量硝酸银固体溶于浓硝酸中,加水稀释至指定体积“硝酸”的作用是___________________。
(3)一定温度下,在5 L的恒容密闭容器中投入34 g AgNO3(s)并完全分解,测得混合气体的总物质的量(n)与时间(t)的关系如图所示。
①下列情况能说明体系达到平衡状态的是____________(字母)
a.Ag粉的质量不再改变
b.O2的浓度不再改变
c.NO2的体积分数不再改变
d.混合气体的密度不再改变
②反应开始到10 min内N2O4的平均反应速率为____________mol•L-1•min-1。
③若达到平衡时,混合气体的总压强p=3.0 MPa。在该温度下2NO2(g) N2O4(g)的平衡常数Kp=_____________(MPa)-1(结果保留2位小数)。[提示:用平衡时各组分分压替代浓度计算的平衡常数叫压强平衡常数(Kp),组分的分压(pi)=平衡时总压(p)×该组分的体积分数(φ)]。
④达到平衡后,再向容器中充入少量的NO2,平衡2NO2(g) N2O(g)(填“向左”“向右”或“不”)移动,NO2的平衡转化率______________________。(填“增大”“减小”或“不变")
(4)已知几种难溶物的溶度积如下表所示:
难溶物
AgI
AgSCN
AgCl
Ag2CrO4
Ag2S
溶度积
8.5×10-17
1.2×10-12
1.8×10-10
1.1×10-12
6.7×10-50
颜色
黄色
白色
白色
红色
黑色
实验室常用AgNO3溶液滴定C1-,宜选择________________作指示剂(填字母)。
A.KI B.NH4SCN C.Na2CrO4 D.K2S
(5)工业上,常用电解法精炼粗银。粗银中含有Cu、Au等杂质,用AgNO3溶液作电解质溶液。若以电流强度a A,通电b min后,制得精银的质量为c kg,则该精炼装置的电流效率为____________(只要求列出计算式即可)。[已知:1 mol电子带96 500 C(库仑)电量,电流效率等于阴极得电子数与通过电子总数之比]
10、为探究氨气的还原性,某同学设计了下列实验装置( 其中夹持装置略去),在实验室中进行实验探究。回答下列问题:
(1)仪器b的名称是__________,试解释该装置中产生NH3的原理:__________。
(2)装置乙中盛有的试剂名称是__________。
(3)装置戊中浓硫酸的作用是__________。
(4)+1价Cu 在酸性环境中不稳定,可发生反应:Cu2O+2H+=Cu2++Cu+H2O。某同学取上述反应后玻璃管内的物质于试管中,加入稀硫酸,振荡后发现溶液为蓝色,且试管底部有红色Cu,他得出结论:NH3还原CuO生成Cu2O。该同学的判断是否正确?__________(填“正确”或“不正确”),理由是__________。
(5)已知装置丙的玻璃管内CuO粉末为mg,实验结束后测得玻璃管内固体粉末为ng,若CuO 完全被还原为Cu,则m:n=__________;写出玻璃管内发生反应的化学方程式:__________。装置丁中的干燥管增重为__________g(用含m 或n 的代数式表示)。
11、锰及其化合物用途非常广泛。回答下列问题:
(1)是一种准晶体(介于晶体和非晶体之间的固体),能准确证明其不是晶体的方法是 .
(2)基态Mn原子的价电子排布式为 ,未成对电子数为 个。
(3)MnS熔点(1610℃)比MnO熔点(1650℃)低,其原因是 .
(4)锰的一种配合物的化学式为。
①配合物中锰元素的价态为 .
②配体与中心原子形成配位键时,提供孤对电子的原子是 ,该分子中碳原子的杂化方式为 ;C、H、N的电负性从大到小的顺序为 .
(5)锰的含氧酸有(高锰酸)、(亚锰酸),高锰酸的酸性比亚锰酸强,理由
是 .
(6)某种含锰特殊材料的晶胞结构如下图所示:
若晶胞参数为a nm,用表示阿伏加德罗常数的值,则该晶胞的密度为 (列出代数式即可)。
12、利用毛茛科植物可提取白头翁素,白头翁素及其衍生物具有抗菌、镇静、镇痛等功效,以卤代烃A为原料制备某白头翁素衍生物K的合成路线如下。回答下列问题:
已知:
(1)白头翁素的结构简式如图所示,下列对该有机物的理解正确的是 (填字母)。
a.白头翁素的分子式为
b.白头翁素结构中有两种官能团
c.白头翁素能使酸性溶液褪色
d.1mol 白头翁素能与4mol NaOH反应
(2)A生成B的反应类型是 。
(3)试剂a的化学名称是 ,试剂b是 。
(4)D的结构简式是 。
(5)由G生成H的化学方程式是 。
(6)J与C互为同分异构体,且J与C具有相同的官能团,均含苯环结构,则符合条件的J的结构
有 种(不包括C),其中核磁共振氢谱中有4组峰,其峰面积之比为2:2:2:1的同分异构体的结构简式为 (写出1种即可)。
(7)根据流程图中的信息,写出用乙烯为原料制备化合物的合成路线: (其他试剂任选)。
答案以及解析
1答案及解析:
答案:B
解析:核能属于新能源,A项错误;地沟油的主要成分是油脂,矿物油的主要成分是饱和烃,C项错误;生石灰是干燥剂而不是抗氧化剂,D项错误。
2答案及解析:
答案:B
解析:a与b发生了酯交换反应,属于取代反应,A项正确;根据 GMA的键线式可知其分子式为项错误;a的分子 式为,只能是丙酸,C项正确;GMA属于酯,能在 NaOH溶液中发生水解,含碳碳双键,能被酸性溶液 氧化,D项正确。
3答案及解析:
答案:A
解析:A标准状况下,一氯甲烷呈气态,1个CH3Cl分子含4 个共价键,n(CH3Cl)=0.5 mol,则含共价键数目为2NA,A项正确;Fe与足量稀硝酸反应生成Fe(NO3)3,n(Fe)=0.5 mol,转移电子为1.5 mol,B项错误;1 mol蔗糖水解生成1 mol葡萄糖和1 mol果糖,C项错误;由S元素守恒知,S2-、HS-和H2S共为0.1 mol,D项错误。
4答案及解析:
答案:B
解析:能发生丁达尔效应的分散系必为胶体,A项正确;C与浓硝酸反应生成的NO2溶于水生成HNO3,HNO3将石灰水中和为Ca(NO3)2,Ca(NO3)2与CO2不反应,B项错误;颜色变化说明发生反应,最终生成I2(2Cu2+ +4I-=2CuI↓+I2),C项正确;常温下铝放入浓硝酸中表面生成了一层致密的氧化膜,氧化膜与Cu2+不反应,D项正确。
5答案及解析:
答案:D
解析:充电时,向电极a迁移,放电时,向电极b迁移,A项错误;放电时是化学能转变为电能,充电时是电能转变为化学能,B项错误,放电时,电极b上发生,C项错误;充电时,阳极区发生的反应为,通过4mol电子时,放出32g,同时有4mol迁移至阴极区,总质量减少32g+4×7g=60g,D项正确。
6答案及解析:
答案:B
解析:符合“X与Z同主族,Z的族序数是周期数的2倍”,则Z只能为硫,X为氧,由“Y的单质制成的容器常温下可贮运Z的最高价氧化物对应的水化物的浓溶液”可确定Y是Al,再结合“W原子的核外电子总数与Y原子的最外层电子数相等”,确定W为锂,故W、X、Y、Z依次为Li,O,Al、S。由于原子半径:Al >S,Li>O,O与S同主族,A项正确;LiH为离子化合物,B项错误;Li能与水剧烈反应,Al与冷水无明显反应,C项正确;Li2S是强碱弱酸盐,D项正确。
7答案及解析:
答案:D
解析:Ka(HX)=,A项错误;V(NaOH)= 10.00 mL时,HX溶液中是等浓度的NaX和HX的溶液,由图像可知pH>7,故HX的电离程度小于X-的水解程度,B项错误;pH=7时,因三种酸的电离常数不同,消耗NaOH的量不同,HX消耗NaOH最少,HZ消耗NaOH最多,而每种溶液中存在c(Na+)=c(酸根离子),但由于三种溶液中c(Na+)不同,故三种溶液中,(X-)c(HY)>(H+)>c(OH-),D项正确。
8答案及解析:
答案:(1)[Al2O3·(n-3)H2O·(6-n)HCl]m·[Fe2O3·(N-3)H2O·(6- N)HCl]M
(2)c; 使用浓度较大的酸、适当提高“酸浸”温度、搅拌
(3)
(4)2H2O+2e-=H2↑+2OH-或2H++2e-=H2↑
(5)11.15, 0.01 mol•L-1
解析:(1)注意:仿写时,先写,且先写根据Al、O原子守恒写出Al、H的氧化物形式,然后根据Cl守恒写出HCl;因与形式完全相同,将Al换为Fe即可,得其氧化物和氯化物形式的化学式为。
(2)后续流程图需要“精制”食盐水,故加入的酸为盐酸,c项正确。提高“酸浸”速率可以从反应物浓度、温度、搅拌等方面分析。
(3)由粉煤灰中主要组成物质可知,其中的不能与酸反应,故在滤渣1中主要是,“碱浸”的离子方程式为。
(4)电解食盐水时阴极生成和NaOH。
(5),故,即,故pH=14-2.85=11.15;
,故溶液中的没有析出,其浓度仍为0.01
9答案及解析:
答案:(1)ΔH1 +ΔH2
(2)抑制Ag+水解
(3)①c
②1.0 ×10-3或0.001
③0.42
④向右;增大
(4)C
(5)
解析:(1)由盖斯定律知,①+②得目标反应式。
(2)硝酸银是强酸弱碱盐,加入硝酸抑制硝酸银水解。
(3)①银粉质量不变,只说明硝酸银完全分解,不能说明反应达到平衡,a项错误;O2的浓度不变,只说明硝酸银完全反应,不能说明反应达到平衡,b项错误;NO2的体积分数与气体的总体积有关,气体的总体积不变,则NO2的体积分数不变,表明反应达到平衡状态,c项正确;只要硝酸银完全分解,气体的总质量保持不变,气体的密度不变,不能说明反应达到平衡,d项错误。②n(AgNO3)==0.2 mol,第一个反应不可逆,第二个反应可逆。设在第二个反应中,NO2消耗的物质的量为2x。
2AgNO3(s)=2Ag(s)+2NO2(g)+O2(g)
0.2 mol 0.2 mol 0.1 mol
2NO2(g)N2O4(g)
起始的物质的量/mol 0.2 0
转化的物质的量/mol 2x x
平衡时的物质的量/mol 0.2-2x x
平衡时混合气体总量:0.2 mol-2x+x+0.1 mol =0.25 mol,解得:x=0.05 mol
v(N2O4)=。
③平衡时,p(NO2)=3.0 MPa × =1.2 MPa;
p(N2O4)=0.6 MPa。Kp=。④平衡后,再充入NO2,相当于加压,平衡向右移动,NO2的平衡转化率增大。
(4)作沉淀反应的指示剂具备两个条件:一是有明显颜色变化;二是与滴定剂反应生成沉淀的溶解度大于氯化银。符合条件的物质只有铬酸钠。
(5)阴极上电极反应式为Ag+ +e-=Ag,制得c kg 银需要的电子n(e-)=1000c/108 mol,由电量计算,通过电路的电子为,精炼池的电流效率(η)为。
10答案及解析:
答案:(1)锥形瓶;NH3+H2O NH3·H2O +OH-,NaOH 在氨水中电离产生OH-,使平衡逆向移动,且NaOH溶解放热
(2)碱石灰;
(3)吸收NH3尾气,防止空气中的水蒸气进入装置丁
(4)不正确; 若反应不完全,则混合物中会混有CuO和Cu,加稀硫酸也会生成铜盐和Cu
(5)5:4 ;3CuO+2NH33Cu+3H2O+N2 ;或或
解析:(1)根据仪器b的结构特点及在实验中的作用可知其为锥形瓶。
(2)NH3为碱性气体,用碱性干燥剂。
(3)浓硫酸的作用是吸收NH3尾气,防止污染空气,同时也防止空气中水蒸气进入装置丁。
(4)Cu2O与酸反应的实验现象与Cu、CuO的混合物与酸反应的现象相同。
(5)反应前后Cu守恒,故=,即m:n=5:4。CuO被还原为Cu,故化学方程式为3CuO +2NH33Cu +3H2O+N2。CuO失去的O生成了H2O,故n(O)=n(H2O),故干燥管增重为g。因为m:n=5:4,则干燥管增重也可表示为或。
11答案及解析:
答案:(1)X射线衍射实验
(2);5
(3)的半径比的大,MnS的晶格能小
(4)①+1(1分)
②N(氮);sp和;N>C>H
(5)高锰酸分子()中含有三个非羟基氧原子,亚锰酸中只有一个非羟基氧原子
(6)(或其他合理形式)
解析:(1)X射线衍射可以观察固体内部微观结构,晶体与非晶体最本质的区别是组成物质的粒子在微观空间是否有序排列。
(2)锰为25号元素,价电子先排4s再排3d,依据洪特规则,3d能级中的5个电子应分占不同的轨道。
(3)它们都是离子晶体,用晶格能解释。
(4)①Br显-1价,CO和都是中性分子,故Mn显+1价。②中只有N有孤对电子;-C=N中甲基碳是sp²杂化,一C=N中的碳为sp杂化。
(6)晶胞中Zn位于顶点,有8×1/8=1个;N位于体心,有1个;Mn位于面心,共有6×1/2=3个,该晶体的化学式为,该晶胞的密度。
12答案及解析:
答案:(1)bc
(2)取代反应(或水解反应)
(3)甲醇;NaOH水溶液(或KOH水溶液)
(4)
(5)
(6)16;
(7)
解析:(1)根据白头翁素的结构简式可知其分子式为C10H8O4,a项错误;白头翁素结构中含碳碳双键和酯基,b项正确;碳碳双键能被酸性KMnO4溶液氧化,c项正确;1个白头翁素分子中含2个酯基,故1mol白头翁素能与2mol NaOH反应,d项错误。
(2)由C的结构简式可知A为,B为,故A生成B为取代反应。
(3)对比C、E结构简式可知C生成D为酯化反应,故试剂a为CH3OH,即甲醇,D为;比较E、F的分子式差异及分析E的结构简式,可知E生成F为酯基的水解反应,故试剂b为NaOH溶液。
(5)对G、K的结构简式及根据反应②,可知H为,故由G生成H的化学方程
式是
(6)符合条件的同分异构体可分苯环上有I个取代基、2个取代基和3个取代基,1个取代基时为一CHBrCOOH;2个取代基时:①-CH2Br、-COOH,② -CH2COOH ,-Br,各有邻、间、对3种,共6种;3个取代基时:-CH3、-COOH、-Br,当其中两个取代基在邻、间、对时,移动另外一个取代
基可知分别有4种、4种、2种,共10种,因此符合条件的J有17-1=16种。其中 核磁共振氢谱中有4组峰,其峰面积之比为2:2:2:1。
(7)根据已知信息②逆推知由CH3CH =CHCH3可得到目标产物,再根据D→E的反应知CH3CHO和CH3CH2Br反应可生成2一丁烯,;乙烯先与水加成再氧化得到CH3CHO,乙烯和HBr加成可得到CH3CH2Br.

