所属成套资源:2020湖北高考模拟卷_模拟题及答案
湖北省七市州教科研协作体2020年5月高三联合考试理科综合试题 Word PDF 答案
展开
2020年5月湖北省七市(州)教科研协作体高三联合考试
理科综合能力测试
可能用到的相对原子质量:H 1 C 12 N 14 O 16 C1 35.5 Zn 65 Ga 70 Pb 207
一、选择题:本题共13小题,每小题6分,共78分。在每小题给出的四个选项中,只有一项符合题目要求。
1.细胞的结构和功能是相适应的。下列相关叙述不正确的是
A.核膜上的核孔,有利于DNA和蛋白质等物质进出细胞核
B.溶酶体能吞噬杀死侵入细胞的病毒或病菌,也能分解衰老损伤的细胞器
C.突触后膜上有受体,有利于接受递质,实现信息传递
D.硝化细菌没有线粒体,能进行有氧呼吸
2.柱花草主要生存在年平均气温19 - 25℃的地区,其对低温胁迫较为敏感,易发生冷害。下表为科研人员在不同温度下测得的柱花草叶片光合作用速率等相关指标。下列分析错误的是
A.本实验中的对照组是乙组,甲组、丙组为实验组
B.对柱花草生长的影响,6℃条件下比36℃条件下要更大
C.在6℃条件下,可通过增加CO,浓度来提高柱花草的总光合速率
D.与光合作用相比,温度胁迫对柱花草的呼吸作用无显著影响
3.下列有关细胞的生长、分化、衰老、凋亡等生命过程的叙述,正确的是
A.AIDS又叫获得性免疫缺陷综合症,主要与B细胞的过度凋亡有关
B.分化后的细胞中,RNA和蛋白质成分往往会发生改变
C.细胞癌变后细胞周期变短,不同时期细胞内酶的种类与活性都不变
D.衰老的肝细胞的细胞膜通透性减弱,糖蛋白减少
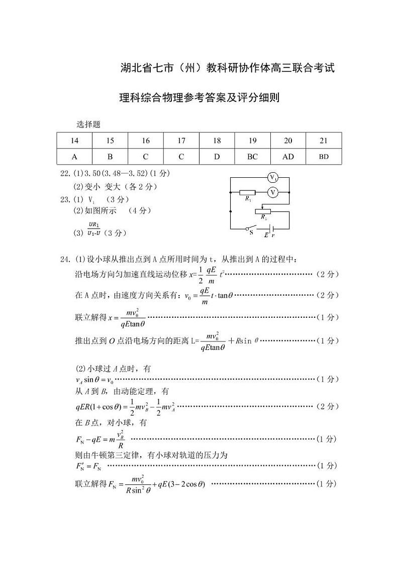
4.遗传和变异是生物的基本特征之一。下面有关遗传和变异的叙述,正确的是
A.生物体产生的变异一定会遗传给后代
B.新物种的出现都是细微变异长期遗传积累的结果
C.基因重组都发生在减数第一次分裂后期
D.复制时的染色体丢失88个碱基对所引起的变异属于基因突变
5.研究发现,降低小鼠血糖浓度能有效抑制某些癌症发生。低糖饮食能够降低小鼠的血糖浓度,药物A可抑制肾小管对原尿中葡萄糖的重吸收。以上两种措施综合实施可更好地治疗小鼠鳞状癌。下列说法错误的是
A.小鼠鳞状癌细胞或许比其它类型的癌细胞更加依赖葡萄糖
B.长期使用药物A会使小鼠多食、多饮、多尿且体重减轻
C.癌细胞的胰岛素受体被自身抗体攻击后,对癌细胞增殖有利
D.药物A与下丘脑分泌的抗利尿激素对水重吸收的效果相反
6.我国海南省的椰子树曾受外来物种红棕象甲(一种昆虫)的肆虐。它将椰子树的树干吃空,椰农们损失惨重。科研人员利用其趋光性和对性引诱剂敏感等特性进行了有效防治。下列说法正确的是
A.红棕象甲与当地的各种甲虫构成了一个群落
B.红棕象甲的进入,可能会降低当地的物种多样性
C.利用趋光性诱杀红棕象甲与使用灯光采集土壤小动物的原理相同
D.利用人工合成的性引诱剂诱杀雄性红棕象甲,属于化学防治方法
7.化学与科技、生活密切相关。下列叙述中正确的是
A.从石墨中剥离出的石墨烯薄片能导电,因此是电解质
B.中国天眼FAST用到的高性能碳化硅是一种新型的有机高分子材料
C.向海水中加入石灰与纯碱可以使海水淡化
D.垃圾分类回收是防止污染及资源化利用的有效方式
8.NA是阿伏加德罗常数的值,下列说法正确的是
A.若1mol FeCl3跟水完全反应转化为氢氧化铁胶体后,其中胶体粒子的数目为NA
B.将一定量的Cl2通人FeBr2溶液中,当有1mol Br-转化为Br2时,转移的电子数为NA
C.44.0 g环氧乙烷中含有6.0 NA个极性键
D.Imol CaO2晶体中含离子总数为3NA
9.萜类化合物广泛存在于动植物体内,下列关于萜类化合物的说法错误的是
A.c和b互为同分异构体
B.c的分子式是C10H16O
C.a、b、c均能发生加成反应
D.a、b、c中共有三种官能团,且都可以使酸性高锰酸钾溶液褪色
10.完成下列实验所选择的装置正确的是
11.右下表是元素周期表短周期的一部分,这四种元素原子的最外层电子数之和为21。下列说法错误的是
A.最简单氢化物沸点:W >Z B.Y的最高价氧化物不能与碱反应
C.简单离子的半径:Y

