搜索
      上传资料 赚现金

      浙江省宁波市2026届高三上学期11月一模考试通用技术试题(Word版附解析)

      • 3.62 MB
      • 2025-11-23 13:38:11
      • 32
      • 0
      • 教习网3275309
      加入资料篮
      立即下载
      查看完整配套(共2份)
      包含资料(2份) 收起列表
      解析
      2026届浙江省宁波市高三上学期选考模拟考试技术试题-高中通用技术 Word版含解析.docx
      预览
      原卷
      2026届浙江省宁波市高三上学期选考模拟考试技术试题-高中通用技术 Word版无答案.docx
      预览
      正在预览:2026届浙江省宁波市高三上学期选考模拟考试技术试题-高中通用技术 Word版含解析.docx
      2026届浙江省宁波市高三上学期选考模拟考试技术试题-高中通用技术  Word版含解析第1页
      1/10
      2026届浙江省宁波市高三上学期选考模拟考试技术试题-高中通用技术  Word版含解析第2页
      2/10
      2026届浙江省宁波市高三上学期选考模拟考试技术试题-高中通用技术  Word版含解析第3页
      3/10
      2026届浙江省宁波市高三上学期选考模拟考试技术试题-高中通用技术  Word版无答案第1页
      1/7
      2026届浙江省宁波市高三上学期选考模拟考试技术试题-高中通用技术  Word版无答案第2页
      2/7
      2026届浙江省宁波市高三上学期选考模拟考试技术试题-高中通用技术  Word版无答案第3页
      3/7
      还剩7页未读, 继续阅读

      浙江省宁波市2026届高三上学期11月一模考试通用技术试题(Word版附解析)

      展开

      这是一份浙江省宁波市2026届高三上学期11月一模考试通用技术试题(Word版附解析),文件包含2026届浙江省宁波市高三上学期选考模拟考试技术试题-高中通用技术Word版含解析docx、2026届浙江省宁波市高三上学期选考模拟考试技术试题-高中通用技术Word版无答案docx等2份试卷配套教学资源,其中试卷共17页, 欢迎下载使用。
      考生须知:
      1.本卷满分100分,考试时间90分钟;
      2.答题前,在答题卷指定区域填写学校、班级、姓名、试场号、座位号及准考证号;
      3.所有答案必须写在答题卷上,写在试卷上无效;
      4.考试结束后,只需上交答题卷。
      第二部分 通用技术(共50分)
      一、选择题(本大题共12小题,每小题2分,共24分。每小题列出的四个备选项中只有一个是符合题目要求的,不选、多选、错选均不得分)
      1. 2025年9月3日阅兵中,空中无人作战方队展示的新型察打一体无人机,其可隐蔽出击、广域覆盖、自主协同的作战能力引发广泛关注。下列关于新型察打一体无人机的说法中,恰当的是( )
      A. 需要在山地、城市等多种环境下作战,体现了技术的复杂性
      B. 可代替人执行作战任务,体现了技术具有发展人的作用
      C. 可挂载多种型号导弹,体现了技术综合性
      D. 应用了多项创新前沿技术,体现了技术的专利性
      2. 如图所示是一款电动载人行李箱,下列对该行李箱的分析与评价中,不恰当的是( )
      A. 一键电动伸缩,模式随心切换,实现了人机关系的高效目标
      B. 可伸缩折叠,节约空间,主要是从“环境”的角度考虑的
      C. 内部装载空间大,规格为20寸的行李箱容量约25升,符合设计的实用原则
      D. 手柄的直径和长度,主要考虑了人的动态尺寸
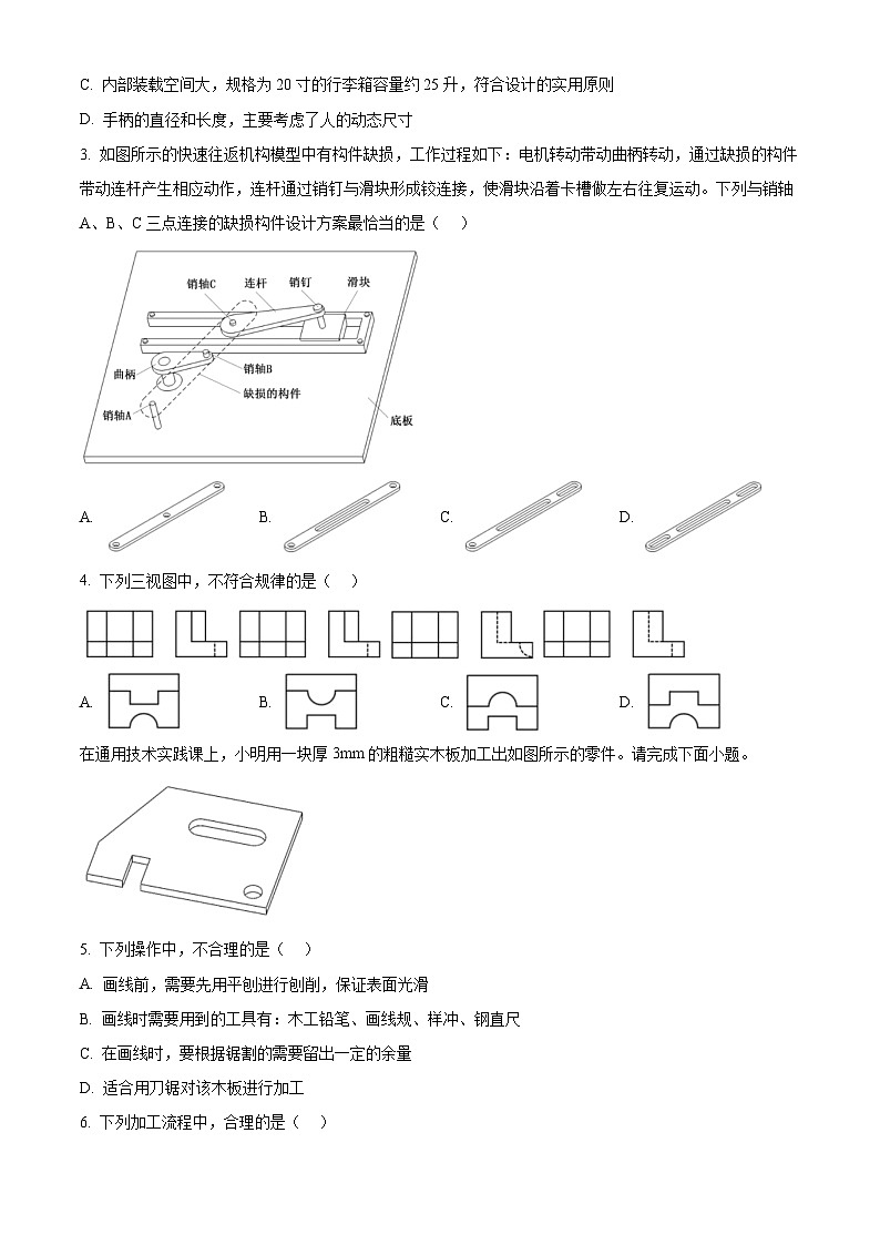
      3. 如图所示的快速往返机构模型中有构件缺损,工作过程如下:电机转动带动曲柄转动,通过缺损的构件带动连杆产生相应动作,连杆通过销钉与滑块形成铰连接,使滑块沿着卡槽做左右往复运动。下列与销轴A、B、C三点连接的缺损构件设计方案最恰当的是( )
      A. B. C. D.
      4. 下列三视图中,不符合规律的是( )
      A. B. C. D.
      在通用技术实践课上,小明用一块厚3mm的粗糙实木板加工出如图所示的零件。请完成下面小题。
      5. 下列操作中,不合理的是( )
      A. 画线前,需要先用平刨进行刨削,保证表面光滑
      B. 画线时需要用到的工具有:木工铅笔、画线规、样冲、钢直尺
      C. 在画线时,要根据锯割的需要留出一定的余量
      D. 适合用刀锯对该木板进行加工
      6. 下列加工流程中,合理的是( )
      A. 画线→锯割→凿削→锉削→表面处理
      B. 画线→钻孔→锯割→锉削→表面处理
      C. 刨削→画线→钻孔→锯割→凿削→锉削→表面处理
      D. 刨削→画线→锯割→锉削→表面处理
      7. 如图所示为一种棘轮棘爪装置。手动驱使旋钮旋转,通过凸轮、滚轮、传动板、销轴、棘爪等构件带动棘轮旋转。下列关于该棘轮棘爪装置的分析,不正确的是( )
      A. 旋钮与凸轮之间的连接属于刚连接B. 在旋钮旋转时,棘轮始终转动
      C. 棘轮旋转期间,棘爪主要受弯曲D. 滚轮的主要作用是减少构件磨损
      如图所示是智能信号灯控制系统示意图,其工作过程是:摄像头和地磁传感器实时监测车流量信息,单片机根据接收到的车流量信息进行分析计算,通过继电器模块动态调整各方向信号灯时长,可以显著提升车辆通行效率。请根据描述完成下面小题。
      8. 下列从系统角度进行的分析中,恰当的是( )
      A. 车流量的情况是该系统优化的影响因素
      B. 该系统由摄像头、电磁传感器、单片机等部分组成,体现了系统的相关性
      C. 设计时经过计算和试验确定继电器的功率,体现了系统分析的科学性原则
      D. 该系统综合运用了物联网、自动化控制等多学科知识,体现了系统的综合性
      9. 下列从控制系统角度进行的分析中,恰当的是( )
      A. 摄像头和地磁传感器是控制器B. 被控对象是车流量
      C. 控制方式属于开环控制D. 汽车的品牌、尺寸和型号属于干扰因素
      10. 如图所示是小明设计加热器电路,其中VT1和VT2均工作在开关状态,Rt为热敏电阻。当温度低于下限时,加热器开始工作;当温度高于上限时,加热器停止工作。下列说法不正确的是( )
      A. Rt为负温度系数的热敏电阻
      B. 二极管作用是为了在继电器停止工作时保护三极管VT1
      C. 调小Rpl可以调高温度上限
      D. 若只想调节温度下限,可以先调节Rp2再调节Rpl
      二、非选择题(本大题共3小题,第28小题8分,第29小题10分,第30小题8分,共26分。在各小题中的“ ”处填写合适选项的字母编号)
      11. 小明设计制作了如图所示的3D打印机,在测试过程中发现,工具头时常会移动到最左侧的吐料组件处吐出废料,而吐出的废料会掉落到桌面上,清理麻烦甚至干扰打印。小明收集了相关的资料,准备解决这一问题。请完成以下任务:
      (1)小明发现问题的途径是
      A. 观察日常生活B. 收集和分析信息C. 技术研究和技术试验
      (2)以下是小明收集到的两款废料收集盒及其评价坐标图,下列说法中不正确的是
      A. 产品乙的容量比产品甲大
      B. 产品乙的成本比产品甲高
      C. 这是对设计成果(最终产品)的评价
      (3)第(2)小题中的产品甲,是模仿鳄鱼的外形设计制作出来的。采用的构思方法属于
      A. 形态分析法B. 仿生法C. 设问法D. 联想法
      (4)小明决定以产品乙为基础设计制作废料收集盒。在3D打印机工作期间,桌面会晃动,废料收集盒有翻倒的风险,现要对产品乙原设计进行改进,下列做法中合理的是
      A. 增大废料收集盒的左右长度B. 增加废料收集盒侧板的厚度
      C. 增加废料收集盒侧板的高度D. 增加废料收集盒底板的配重
      12. 如图1所示是为3D打印机设计制作的一款封箱,通过开关门来维持恒温,以显著提高打印可靠性与成品质量。小明想要改进设计一个电动开门装置,如图2所示,在靠近门的侧板上安装有一个微型电动伸缩杆(仅能做左右水平移动),伸缩杆末端钻有φ5mm的光孔,左右两扇门转轴上端截面为5*5mm的方形,两门轴之间的距离为600mm。请你帮助小明设计该装置的机械部分,设计要求如下:
      (a)两个门轴的旋转运动的速度大小相等、方向相反;
      (b)采用图2中的微型电动伸缩杆驱动,通过往复直线运动实现两扇门的旋转开闭;
      (c)不能对微型电动伸缩杆、门和门轴进行任何的加工;
      (d)在开闭过程中,装置工作平稳可靠。
      (1)请在头脑中构思符合设计要求多个方案,并画出最优方案的设计草图,简要说明方案的工作过程;
      (2)在草图上标注主要尺寸。
      (3)装置完成制作后,小明对该装置的机械部分进行如下试验,合理的是
      A. 用计算机模拟装置开关门过程中的情况,分析结果
      B. 用实物装置进行开关门测试,观察装置机械部分工作是否平稳可靠
      C. 在实物装置开关门过程中,伸手测试装置是否具有防夹手功能
      D. 反复开关箱门,测试微型电动伸缩杆的使用寿命
      13. 小明平时使用3D打印耗材以PLA(聚乳酸)为主,该耗材打印的适宜温度在20℃-30℃之间。因此他在完成3D打印机封箱装置的机械部分后设计了如图所示的电路,并根据该耗材的特性做了如下设定:当箱内温度高于30℃时,电机M正转(电流从“+”流向“-”)实现开箱散热;当箱内温度低于20℃时,电机M反转(电流从“-”流向“+”)实现封箱保温。请完成以下任务:
      (1)Rt是
      A. 正温度系数的热敏电阻B. 负温度系数的热敏电阻C. 固定电阻
      (2)下列关于上述电路说法正确的有
      A. 该电路可以使用图c所示的继电器
      B. 该电路选用的与非门集成电路可以是CT74LS00(TTL)型四2输入与非门
      C. VD3为封箱指示灯,封箱保温时会亮起,提醒操作者防夹手
      D. 耗材PETG打印的适宜温度在20℃-32℃之间,若小明想使用该耗材,则可以把Rp2的滑动端上移
      (3)小明准备搭建测试电路,请帮助小明在虚线框1中完成比较器的连接。
      (4)小明想把VD3改为闪烁指示灯,要求封箱保温时VD3闪烁,开箱散热时VD3常亮,请帮助小明在虚线框2中选择合适的端点连线完成电路设计。

      相关试卷 更多

      资料下载及使用帮助
      版权申诉
      • 1.电子资料成功下载后不支持退换,如发现资料有内容错误问题请联系客服,如若属实,我们会补偿您的损失
      • 2.压缩包下载后请先用软件解压,再使用对应软件打开;软件版本较低时请及时更新
      • 3.资料下载成功后可在60天以内免费重复下载
      版权申诉
      若您为此资料的原创作者,认为该资料内容侵犯了您的知识产权,请扫码添加我们的相关工作人员,我们尽可能的保护您的合法权益。
      入驻教习网,可获得资源免费推广曝光,还可获得多重现金奖励,申请 精品资源制作, 工作室入驻。
      版权申诉二维码
      欢迎来到教习网
      • 900万优选资源,让备课更轻松
      • 600万优选试题,支持自由组卷
      • 高质量可编辑,日均更新2000+
      • 百万教师选择,专业更值得信赖
      微信扫码注册
      手机号注册
      手机号码

      手机号格式错误

      手机验证码 获取验证码 获取验证码

      手机验证码已经成功发送,5分钟内有效

      设置密码

      6-20个字符,数字、字母或符号

      注册即视为同意教习网「注册协议」「隐私条款」
      QQ注册
      手机号注册
      微信注册

      注册成功

      返回
      顶部
      学业水平 高考一轮 高考二轮 高考真题 精选专题 初中月考 教师福利
      添加客服微信 获取1对1服务
      微信扫描添加客服
      Baidu
      map