


2025-2026学年广东省江门市高三上学期调研考试化学试题(无答案)
展开 这是一份2025-2026学年广东省江门市高三上学期调研考试化学试题(无答案),共12页。试卷主要包含了未知等内容,欢迎下载使用。
一、未知
1.“挖掘文物价值,讲好中国故事”。下列文物主材质属于有机物的是
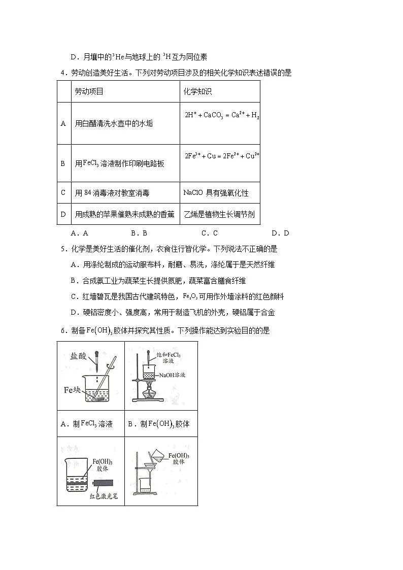
A.AB.BC.CD.D
2.吲哚是一种含有苯环和吡咯环的平面分子,在药物合成中应用广泛。下列说法正确的是
A.分子式为B.属于脂环烃
C.碳和氮原子均采取杂化D.不能发生加成反应
3.腾飞中国离不开化学,长征系列运载火箭使用的燃料有液氢和煤油等。下列有关说法正确的是
A.液氢是将氢气溶于水得到的溶液
B.氡气探测仪器中,的质子数为136
C.煤油是混合物,是不可再生能源
D.月壤中的与地球上的互为同位素
4.劳动创造美好生活。下列对劳动项目涉及的相关化学知识表述错误的是
A.AB.BC.CD.D
5.化学是美好生活的催化剂,衣食住行皆化学。下列说法不正确的是
A.用涤纶制成的运动服布料,耐磨、易洗,涤纶属于是天然纤维
B.合成氨工业为蔬菜生长提供氮肥,蔬菜富含膳食纤维
C.红墙碧瓦是我国古代建筑特色,可用作外墙涂料的红色颜料
D.硬铝密度小、强度高,常用于制造飞机的外壳,硬铝属于合金
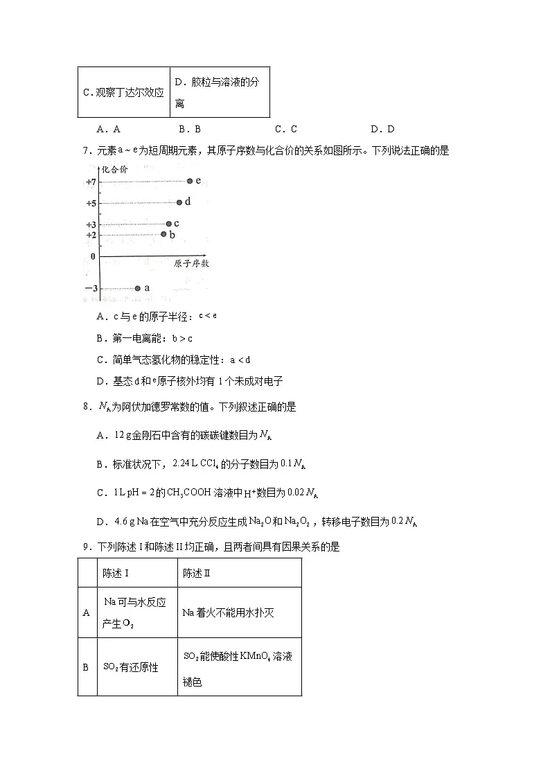
6.制备胶体并探究其性质。下列操作能达到实验目的的是
A.AB.BC.CD.D
7.元素为短周期元素,其原子序数与化合价的关系如图所示。下列说法正确的是
A.c与e的原子半径:
B.第一电离能:
C.简单气态氢化物的稳定性:
D.基态和原子核外均有1个未成对电子
8.为阿伏加德罗常数的值。下列叙述正确的是
A.金刚石中含有的碳碳键数目为
B.标准状况下,的分子数目为
C.的溶液中数目为
D.在空气中充分反应生成和,转移电子数目为
9.下列陈述I和陈述II均正确,且两者间具有因果关系的是
A.AB.BC.CD.D
10.能满足下列物质间直接转化关系,且推理成立的是
单质盐氢氧化物配合物
A.a可为铝,氢氧化物具有两性
B.a可为镁,盐能发生水解反应
C.a可为锅,新制的氢氧化物可用于诊断糖尿病
D.a可为铁,盐中的金属离子可与苯酚作用显紫色
11.难溶于水,但能与氨水形成和而溶解。将适量完全溶于氨水,得到含和的溶液。下列叙述正确的是
A.加水稀释,的浓度一定下降
B.向溶液中通入少量氨气,的浓度一定上升
C.的电离方程式为:
D.体系中,
12.利用如图装置进行实验:打开,点燃酒精灯,待中液体变浑浊后再变澄清时,打开并关闭,待中液体变浑浊后再变澄清时,熄灭酒精灯;打开,滴入乙醛,并水浴加热;打开,滴入乙醇。下列说法错误的是
A.若中有单质生成,则有乙醛分子被氧化
B.b中发生的反应属于熵增过程
C.c中有深蓝色晶体生成,说明此处生成的配合物极性弱
D.尾气可通入饱和食盐水中,再通入,可以制备
13.由结构不能推测出对应性质的是
A.AB.BC.CD.D
14.一种水性电解液离子选择双隔膜电池示意图如图。已知:溶液中,以存在;电极材料每转移电子,对应的理论容量为。电池放电时,下列叙述错误的是
A.该装置能把化学能转化为电能
B.Ⅱ区中的溶液浓度变小,变大
C.Ⅰ区的电极反应:
D.每消耗能提供的理论容量为
15.利用石墨电极电解溶液,进行如图所示实验。闭合,电解至电极表面有固体生成。打开,静置。静置过程中,下列说法错误的是
A.电极表面的固体逐渐溶解
B.装置内气体颜色会发生变化
C.a处酚酞试纸无明显变化
D.b处滤纸变红
16.我国学者设计的一种电解装置,借助电极上的催化剂,能同时电解和,工作原理如图甲所示。不同催化剂条件下,转化为的部分反应历程如图乙所示,其中吸附在催化剂表面上的物种用*标注。下列说法错误的是
A.电解时,A电极与电源的负极连接
B.电解总反应为:
C.由图乙可知,选择Ni-TPP催化时,电解的反应速率更快
D.若有穿过质子交换膜,则理论上有被转化
17.及其盐都是重要的化工原料。
(1)实验室用和制备的化学方程式为 ;其制备的发生、气体收集和尾气处理装置依次为 (填编号)。
(2)将大小相同的两个圆底烧瓶A、B按图装置连接进行性质实验。
①先打开旋塞1,B瓶中的现象是 。
②稳定后,关闭旋塞1,再打开旋塞2,B瓶中的现象是 。
(3)某合作学习小组进行以下实验探究。
①实验任务通过测定溶液,探究温度对溶液中水解程度的影响。
②提出假设升高温度,水解程度增大,减小。
③设计实验、验证假设测定溶液在不同温度下的,记录数据如下表:
时,的水解常数 (列出算式,水的电离可忽略)。
④根据③的实验数据,升高温度减小,甲同学推断假设成立。但乙同学认为该推断依据不足,理由是 。
⑤实验改进加入对照实验,测量纯水的随温度的变化。记录数据如下表:
丙同学分析数据,由升高到,纯水的减小了0.37,而的只减小了0.29,故其推断的水解程度随温度升高而减小,你认同丙同学的推断吗? (填“认同”或“不认同”),为什么? 。
18.金属回收具有重要意义。一种从钴渣中分离回收金属的工艺流程如下:
已知:①酸浸液主要含有等金属阳离子;②常温下,
(1)“酸浸”时,提高浸出速率的措施有 (写一条)。
(2)“沉铁”时,为了使完全沉淀(),加入调节溶液pH不低于 。
(3)“沉钻”时,同时放出气体,该步骤的离子方程式为 。
(4)CS沉淀经处理可获得一种钴的氧化物,其晶胞如图所示,晶胞参数为,阿伏加德罗常数的值为,则晶胞中的配位数为 ,晶胞密度 (只写计算式)。
(5)“沉镍”时,与丁二酮肟(DMG)反应生成鲜红色沉淀,原理如图所示。下列说法正确的有_______(填序号)。
A.镍与N、O形成配位键B.配位时被还原
C.该配合物的配体数目为2D.该配合物内部有氢键
(6)“沉锰”后主要生成沉淀,下通入空气氧化得到产品。“氧化”步骤的化学方程式为 。
(7)工业上用硫酸溶解后,电解制备高纯度金属锰,电解时在 (填“阴极”或“阳极”)析出,阳极室的溶液可返回上述“ ”工序使用。
19.有机酸在多种反应中应用广泛。
(1)有机酸通常都含有羧基而显酸性,羧基中三种元素的电负性由大到小的顺序为 ,羧酸(RCOOH)溶液显酸性的原因是 (用电离方程式表示)。
(2)甲酸是一种重要的有机储氢材料,科学家探索利用二氧化碳和氢气转化为甲酸,实现变废为宝和碳的循环利用。
①基态碳原子的价层电子轨道表示式为 。
②已知:
则反应的 。
③在恒温恒容密闭容器中,有关和催化转化为的说法正确的是 。
A.增大体系的压强,活化分子百分数不变
B.选择高效催化剂,可降低反应的活化能和焓变
C.充入适量的,可加速反应,提高的平衡转化率
D.达到平衡后加入,再次达到平衡后增大
(3)科学家发现一种高效催化剂,可使甲酸在温和条件下释放氢气,反应过程如图。循环箭头上只给出部分反应物和生成物,该反应的催化剂是 。
(4)25℃时,改变相同浓度的甲酸(HCOOH)、乙酸和丙酸溶液的,测得各溶液中与的变化关系如图所示(pX=-lgX;X为酸根离子浓度与酸浓度的比值)。
①图中代表丙酸的曲线是 (填“”“”或“”)。
②当时,该溶液的 。
③计算反应:化学平衡常数 (写出计算过程)。
20.磷酸氯喹用于治疗疟疾、风湿等疾病。化合物IV是合成磷酸氯喹的一种中间14,可用如下路线合成:
(1)化合物Ⅰ的分子式是 ,化合物Ⅰ的官能团名称是 。
(2)下列说法正确的有_______。
A.化合物Ⅰ中所有原子可能共面
B.化合物Ⅰ不是Ⅱ的同系物,化合物Ⅱ中不含大键
C.由Ⅱ到Ⅲ的转化中,σ键和π键均有断裂与生成
D.化合物Ⅳ中不存在手性碳原子,可发生原子利用率100%的还原反应
(3)间氯硝基苯()经还原制得化合物Ⅰ.若用核磁共振氢谱监测该反应,则可推测:与间氯硝基苯相比,化合物Ⅰ的核磁共振氢谱图的变化有 。
(4)化合物Ⅳ中的酯基在酸性条件下水解得到化合物Ⅴ。符合以下条件的的同分异构体共有 种。
a.结构中含萘环() b.萘环上连有基团-ONO2
(5)根据上述信息,分三步合成化合物a()
①第一步:苯胺与反应,生成两种产物,其反应的化学方程式为 。
②第二步:与第一步的含氮产物反应,此步骤生成一种可循环利用的物质,该物质是 。
③第三步:第二步含碳碳双键的产物发生分解反应,得到化合物a。
(6)当的其中一个酯基换成羰基时,也能发生类似化合物Ⅱ到Ⅳ的转化。参考上述反应,合成化合物(),需要以化合物和 (填结构简式)为反应物。
A.红陶兽形壶
B.漆木鸳鸯盒
C.错银铜牛灯
D.兽首玛瑙杯
劳动项目
化学知识
A
用白醋清洗水壶中的水垢
B
用溶液制作印刷电路板
C
用84消毒液对教室消毒
NaClO具有强氧化性
D
用成熟的苹果催熟未成熟的香蕉
乙烯是植物生长调节剂
A.制溶液
B.制胶体
C.观察丁达尔效应
D.胶粒与溶液的分离
陈述Ⅰ
陈述Ⅱ
A
可与水反应产生
Na着火不能用水扑灭
B
有还原性
能使酸性溶液褪色
C
属于酸性氧化物
用于制造通讯光缆
D
溶度积:
工业上用ZnS除去废水中的
结构
性质
A
HF和HCl分子结构相似,但HF分子间存在氢键
HF晶体的熔点高于HCl晶体
B
分子的空间结构与水分子相似
在水中的溶解度低于在中的溶解度
C
石墨层中未参与杂化的轨道中的电子,可在整个碳原子平面中运动
石墨具有类似金属的导电性
D
乙酸中羟基的极性大于苯酚中羟基的极性
乙酸的酸性大于苯酚的酸性
序
号
测定温
度/℃
溶液的
a
25
5.12
b
50
4.83
序
号
测定温
度/℃
纯水
的pH
C
25
7.00
d
50
6.63
相关试卷
这是一份2025-2026学年广东省江门市高三上学期调研考试化学试题(无答案),共12页。试卷主要包含了未知等内容,欢迎下载使用。
这是一份2025-2026学年广东省江门市高三上学期调研考试化学试题(附答案解析),共26页。试卷主要包含了单选题,解答题等内容,欢迎下载使用。
这是一份2026届广东省江门市高三上学期调研测试化学试题(含答案)含答案解析,文件包含江门市2026届高三化学调研考试试卷pdf、江门市2026届高三化学调研考试试卷答案docx等2份试卷配套教学资源,其中试卷共11页, 欢迎下载使用。
相关试卷 更多
- 1.电子资料成功下载后不支持退换,如发现资料有内容错误问题请联系客服,如若属实,我们会补偿您的损失
- 2.压缩包下载后请先用软件解压,再使用对应软件打开;软件版本较低时请及时更新
- 3.资料下载成功后可在60天以内免费重复下载
免费领取教师福利 







