复习第05讲 光合作用及光合呼吸的联系-高一生物寒假衔接预复习讲练(人教版)
展开
这是一份复习第05讲 光合作用及光合呼吸的联系-高一生物寒假衔接预复习讲练(人教版),文件包含第05讲光合作用及光合呼吸的联系原卷版docx、第05讲光合作用及光合呼吸的联系解析版docx等2份试卷配套教学资源,其中试卷共63页, 欢迎下载使用。
绿叶中色素的提取和分离
【基础巩固】
实验原理:
提取:绿叶中的色素能够溶解在有机溶剂 中
分离:不同色素在 中的溶解度不同, 的随层析液在滤纸上扩散的快,反之则慢。分离方法: 。
实验步骤
SiO2作用: ;CaCO3作用: 。
分离结果
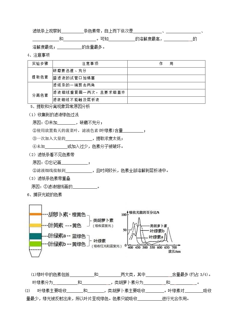
滤纸条上观察到 条色素带,自上而下依次是 、 、
和 。可知 的溶解度最高, 的
溶解度最低; 的含量最多。
注意事项
5、提取和分离现象异常原因分析
(1)收集到的滤液绿色过浅
原因:①未加 ,研磨不充分;
②使用放置数天的菠菜叶,滤液色素(叶绿素)含量 ;
③一次加入大量的 ,提取浓度太低;
④未加 或加入过少,色素分子被破坏。
(2)滤纸条看不见色素带
原因:①忘记画 ;
②滤液细线接触到 ,且时间较长,色素全部溶解到层析液中。
滤纸条色素带重叠
原因:①滤液细线画的 。
6、捕获光能的色素
(1)绿叶中的色素包括 和 两大类,其中 含量最多(约占3/4)。
叶绿素分为 和 ,类胡萝卜素分为 和 。
叶绿素主要吸收 和 ,类胡萝卜素主要吸收 。叶绿素对 吸收量最少,绿光被反射出来,所以叶片呈现绿色。色素只能吸收 进行光合作用。
【考点剖析】
1.为研究光照强度对移栽幼苗光合色素的影响,某同学用乙醇提取叶绿体色素,用石油醚进行纸层析,下图为滤纸层析的结果(Ⅰ、Ⅱ、Ⅲ、Ⅳ为色素条带)。下列叙述不正确的是( )
A.将5克新鲜菠菜叶剪碎后,放入研钵中,加入碳酸钙、二氧化硅和无水乙醇后加以研磨,强光照导致了该植物叶绿素含量降低
B.类胡萝卜素含量增加有利于该植物抵御强光照
C.色素Ⅲ、Ⅳ吸收光谱的吸收峰值的波长不同,滤纸上相邻色素带间距离最小的是叶绿素a与叶绿素b
D.画滤液线时,滤液在点样线上只能画一次,把画好滤液细线的滤纸条插入层析液中,滤液细线不能浸没在层析液中
2.(多选题)下图表示某生物兴趣小组利用韭菜宿根进行的实验流程,相关叙述正确的是( )
A.提取叶绿体中色素的原理是不同色素在层析液中溶解度不同
B.两组实验的结果①中共有色素带的颜色是黄色和橙黄色
C.两组实验的结果②中吸收光谱最明显的差异出现在红光区域
D.在做提取韭黄色素的实验时,不加碳酸钙对滤液颜色的影响很大
3.下面是甲、乙、丙三位同学进行“绿叶中色素的提取和分离”实验的过程,请分析回答下列问题:
(1)甲同学选用新鲜菠菜的绿色叶片进行实验,在滤纸上出现了四条清晰的色素带,甲同学分离色素的方法是___,滤纸条上色素带位置的不同主要取决于___。
(2)乙同学将5g新鲜完整的菠菜叶放在研钵中,加入二氧化硅后,迅速研磨成糊状,发现糊状的研磨液呈现浅绿色,其原因是___(写出2点)。在提取滤液中的色素时,将收集到滤液倒入试管后,为了防止滤液中挥发性物质的大量挥发,应该采取的措施有___。
(3)丙同学想探究蔬菜的不同叶片在叶绿素含量上的区别,分别选择了新鲜菠菜的“绿叶”“嫩黄叶”做“绿叶中色素的提取和分离”实验,色素层析结果如下图所示,请根据实验结果推测:“绿叶”组的滤纸条是___(填字母),判断依据是______。
光合作用
【基础巩固】
1、概念:光合作用是指绿色植物通过 ,利用 ,将 转化成储存着能量的 ,并且释放出 的过程。
2、实质:合成 ,储存
3、反应式:
4、探究历程
(1)恩格尔曼实验证明:O2是 释放出来的, 是绿色植物进行光合作用的场所。
实验设计的妙处:
①实验材料选得妙:实验材料选择水绵和需氧细菌。水绵的叶绿体呈 状,便于观察;用需氧细菌可确定释放 多的部位。
②排除干扰的方法妙:没有空气的黑暗环境,排除了 的干扰。
③实验对照设计得妙:用极细的光束点状投射,叶绿体上可分为有光照和无光照的部位,相当于一组 。
(2)鲁宾和卡门实验证明:光合作用释放的O2全部来自 ,实验方式是 。
(3)卡尔文用 标记的14CO2供小球藻(一种绿藻,真核生物)进行光合作用,然后追踪检测其放射性。实验探明了 在光合作用中转化成 的途径(即卡尔文循环)。
5、过程
(1)[H]和ATP的移动方向 。
(2)光合作用的 反应合成ATP, 反应消耗ATP,且光反应产生的ATP只能用于 。
暗反应生成的(CH2O)中的能量直接来源于 。
6、条件变化对物质含量的影响
【考点剖析】
1、图为某植物光合作用过程示意图。请回答:
(1)该反应生成的(CH2O)中的能量直接来源于____。CO2经过C5固定并被还原形成三碳糖后,其中一部分三碳糖再生成C5的反应称为____循环。
(2)若突然停止光照,则短时间内④的含量将____(填增加、减少或不变)。利用纸层析法提取分离叶绿体中光合色素时,距离划线最近的色素带名称是____;若缺少该色素,则植株对____(颜色)光的吸收能力会减弱。
(3)研究发现,植物的Rubisc酶具有“两面性”,CO2浓度较高时,该酶催化C5与CO2反应,完成光合作用;O2浓度较高时,该酶催化C5与O2反应,产物经一系列变化后到线粒体中会产生CO2,这种现象称为光呼吸。Rubisc酶的存在场所为____,Rubisc酶既可催化C5与CO2反应,也可催化C5与O2反应,这与酶的专一性相矛盾,其“两面性”可能因为在不同环境中酶____发生变化导致其功能变化。在植物长期处于高浓度14CO2环境中时,Rubisc酶所催化反应的产物是____。
2、通过光合作用合成淀粉大约需要50多个步骤。人工合成淀粉的过程大致是先进行化学反应——利用高密度电/氢能(由低密度太阳能转化而来)将二氧化碳还原为一碳化合物,再进行生物反应——将一碳化合物聚合为三碳化合物、六碳化合物(即葡萄糖)直至长链淀粉分子。如图表示甲、乙两种植物在光合作用的最适温度下,不同光照强度时的净光合速率曲线。
回答下列问题。
(1)根据题干信息可知,高密度电/氢能的来源是_____。植物细胞内二氧化碳还原的场所是_____,在此结构内发生的反应包括_____。
(2)有人称光合作用是地球上最重要的化学反应,其原因是_____。
(3)由图可知,在光照较弱时,生长受到显著影响的是_____(填“甲植物”或“乙植物”),原因是_____。若提高环境温度,甲、乙两种植物的光合速率_____(填“下降”“上升”“不变”或“不确定”)。
光合作用的影响因素
【基础巩固】
影响光合作用强度的内因:
影响光合作用强度的外因:
光合速率与光照强度的关系
(1)原理:影响 阶段,制约 的产生,进而制约 阶段。
(2)曲线分析
在一定范围内,光合速率随光照强度的升高而加快,超过这一范围后,光合速率达最大值并保持不变。
①A点: 环境,植物只进行 作用消耗有机物。此时,细胞从外界吸收 ,并放出 。A点后有光照,植物光合作用和呼吸作用都进行,叶肉细胞中合成ATP的场所有 、 、 。
②AB段:弱光,随着光照强度增大,光合作用也逐渐增大,CO2释放量逐渐减少,植物呼吸速率 光合速率,即植物呼吸作用有机物消化量 光合作用有机物制造量,植物体不能积累有机物。
③B点:对应光照强度称为 ,植物光合速率 呼吸速率,即植物光合作用有机物制造量 呼吸作用有机物消化量,此时,细胞呼吸产生的CO2全部用于 作用,光合作用产生的O2全部用于 作用,植物不与外界进行气体交换。
④B点后:强光,光合速率 呼吸速率,即植物光合作用有机物制造量 呼吸作用有机物消化量,植物体能积累有机物。
⑤E点:称为 ,含义是 。
⑥限制光合速率的环境因素(外因):AB段: ;C点后:主要是 。
⑦阴生植物的光补偿点和光饱和点都比阳生植物的 。
总光合速率、净光合速率、呼吸速率
①净光合速率:用 下,单位时间内 、 或 表示。
②呼吸速率:用 环境中,单位时间内 、 或 表示。
③总光合速率:用单位时间内 、 或 表示。
三者关系: = + 。
图中:A表示 ,B表示 ,C表示 。
(5)应用:合理密植、间作套种、
CO2浓度与光照强度的关系
原理:通过影响 影响光合作用,一定范围内,CO2浓度越高,光合作用速率越高。
曲线分析
应用:多施农家肥或有机肥;温室栽培植物时还可使用CO2发生器等;大田中还要注意通风透气。
夏季一天中,绿色植物光合作用强度变化:
【考点剖析】
1.米研究小组为了探究鄂西北的夏日晴天中午时气温和相对湿度对甲品种小麦净光合作用的影响,将生长状态一致的甲品种小麦植株分为五组,第一组在田间生长作为对照组,第二组至第五组在人工气候室中生长作为实验组,并保持其光照和CO2浓度等条件与对照组相同。于中午12:30测定各组叶片的净光合速率,各组实验处理及结果如表所示:
备注:在同一温度下的呼吸速率相等
根据本实验结果,( )A.中午时,相对湿度对甲品种小麦净光合速率影响大于气温的影响
B.与第二组相比,第三组小麦的气孔的开放程度大,吸收CO2速率快
C.与第三组相比,第四组小麦真光合作用酶的活性较高
D.适当提高第五组气候室的环境温度能提高小麦的净光合速率
2.下图是夏季连续两天内,某植物整体光合速率的日变化曲线图,S1-S5表示曲线与横轴围成的面积,由图不能得出的结论是( )
A.分析曲线变化趋势的不同,推测造成S2、S4面积差异的因素最可能是光照强度
B.MN段CO2释放量波动明显,主要原因是夜间温度的变化影响了呼吸酶的活性
C.在B、I点时,该植物叶肉细胞光合作用固定的CO2量大于呼吸作用释放的CO2量
D.若该植物经过这两昼夜仍能生长,则S2+S4d
14.某中学生物兴趣小组的师生利用小青菜绿叶提取出光合色素溶液,然后在30℃的室温条件下进行了如下实验,以此来探究pH对叶绿素稳定性的影响。下列对实验的叙述错误的是( )
A.酸性环境下的叶绿素可能因稳定性较差而被分解
B.该实验结果表明叶绿素在碱性环境中不会被破坏
C.提取色素时加入碳酸钙可防止研磨中色素被破坏
D.纸层析法分离色素后可得出②④两组出现颜色差异的原因
15.卡尔文等人在小球藻培养液中通入14CO2,再给予不同的光照时间后,从小球藻中提取并分析放射性物质。预测实验结果是( )
A.光照时间越长,C3的积累越多
B.光照时间越长,C5的积累越多
C.光照时间越长,带有放射性的物质种类越多
D.无论光照时间长短,放射性物质都会集中分布在类囊体薄膜上
二、多选题
16.光合作用和呼吸作用是细胞中重要的代谢过程,他们之间并不是孤立的,通常是相互联系的,下列有关说法正确的是( )
A.光合作用制造的氧气可以用于有氧呼吸的第二阶段
B.细胞呼吸产生的CO2可以参与暗反应阶段
C.光合作用制造的葡萄糖参与呼吸作用的场所是细胞质基质
D.呼吸作用产生的水中的氧可参与有氧呼吸第二阶段和光反应
17.科学家研究CO2浓度、光照强度和温度对同一植物光合作用强度的影响,得到的实验结果如图所示。请据图判断下列叙述正确的是( )
A.光照强度为a时,造成曲线Ⅱ和Ⅲ光合作用强度差异的原因是CO2浓度不同
B.光照强度为b时,造成曲线Ⅰ和Ⅱ光合作用强度差异的原因是温度不同
C.光照强度为a~b时,曲线I、Ⅱ的光合作用强度随光照强度的升高而升高
D.光照强度为b~c时,曲线Ⅱ、Ⅲ的光合作用强度随光照强度的升高而升高
18.研究人员将某绿色植物放在密闭容器内(如图1所示)。经黑暗处理后置于某一恒定光照下并测量容器内氧气的变化量,测量的结果(如图2所示)。下列说法正确的是( )
A.若利用图1装置研究光照强度对植物光合作用的影响,图中水浴的温度应适宜且恒定
B.图2光照条件下,氧气量增加变慢的原因是植物光合作用接近最大值
C.图2中A点以后的短时间内,植物的叶绿体内ATP的量先增加,而后C3的量将减少
D.图2中5-15min内,该植物叶绿体释放O2的平均速率是4×10-3ml/min
19.如图表示一株生长迅速的植物在夏季24 h内CO2的吸收量和释放量,净光合速率和呼吸速率分别用单位时间内CO2的吸收量和CO2的释放量表示(图中A、B、C表示相应图形的面积,假设该植物在24 h内呼吸速率不变)。下列表述合理的是( )
A.若白天维持6:00时的光照强度,不利于该植物的生长
B.该植物在最大光合速率时,每小时产生57.95 mg的葡萄糖
C.该植物6:00~18:00有机物积累量的代数式可表示为C+A
D.该植物在B对应时段内不能进行光合作用,只能进行细胞呼吸
20.在夏季晴朗无云的白天,10时左右某植物光合作用强度达到峰值,12时左右光合作用强度明显减弱。光合作用强度减弱的原因可能是( )
A.叶片蒸腾作用强,失水过多使气孔部分关闭,进入体内的CO2量减少
B.光合酶活性降低,呼吸酶不受影响,呼吸释放的CO2量大于光合固定的CO2量
C.叶绿体内膜上的部分光合色素被光破坏,吸收和传递光能的效率降低
D.光反应产物积累,产生反馈抑制,叶片转化光能的能力下降
三、综合题
21.气孔是水分和气体进出植物叶片的通道,它由叶片表皮上的保卫细胞环绕而成。保卫细胞失水会导致气孔关闭,吸水会导致气孔开启,如图1所示。调节气孔开闭的机制目前有多种说法,“淀粉—糖转化学说”和“无机离子吸收学说”是其中两种较为经典的假说,分别如图2和图3所示。请据图回答下列问题:
(1)保卫细胞的吸水与失水主要与其细胞内的___结构有关。正常情况下,保卫细胞吸水能力的大小与其细胞内浓度的大小呈__(选填“正相关”或“负相关”或“不确定”)。
(2)若要通过实验观察气孔的开放和关闭状态,必需的器材和试剂有___。
①清水;②光学显微镜;③镊子;④酒精灯;⑤苏丹III染液
(3)根据图2所示学说推测,当植物处于黑暗或光照弱时,保卫细胞光合作用停止或减弱,但呼吸作用仍进行,则细胞中CO2浓度___,pH值___,可溶性糖转化成淀粉,导致保卫细胞的浓度___,细胞失水,气孔关闭。
(4)根据图3所示学说推测,光照能促进细胞中ATP的合成,进而__(选填“促进”或“抑制”)H+的外排,激活___,细胞以___的方式增加K+的吸收量,引起细胞吸水,最终导致气孔的开启。由此可见,细胞膜不仅使细胞具有一个相对稳定的内部环境,同时在细胞与外部环境进行__(至少答出两点)等过程中起着决定性作用。
22.I.下图是某绿色植物的光合作用过程的图 解,图中甲、乙、丙、丁表示能量或物质,①、②表示过程。据图回答:
(1)甲一部分可转变为储存在丙中的_____
(2)过程①称为_____。突然增强 CO2,短时间内叶绿体中 C3 的含量 _____ (填“增加”“不变”或“减少”)。
(3)植物光合作用强度受多种环境因素的影响。冬季蔬菜大棚主要是通过改变_______来提高光合作用强度。为提高蔬菜产量,菜农常向大棚内施加有机肥以增加______________的供应。
Ⅱ.研究小组在O2、CO 2满足需要的条件下,分别于 20℃、30 ℃条件,测定不同光照强度对该绿色植物O2 的总产生速率和CO2 释放速率的影响,结果如下:请分析回答:
(4)该绿色植物在 30°C 下,光照强度为 1 时,[H]的消耗场所是_____(填具体结构)
(5)在 30℃下,当光照强度为 1klx 时,该绿色植物的呼吸作用速率是 nml·h-1。
(6)若该绿色植物长期生活在 30℃、4 klx 条件下,光照和黑暗环境各12 小时,那么该绿色植物_____(填“能”或“不能”)正常生长。
(7)分析数据,可以判定该绿色植物呼吸酶的最适温度应_____(填“大于”“小于”或“等于”)30℃,且该绿色植物呼吸速率与光照强度_____(填“有关”“无关”或“无法确定”)。
23.Ⅰ、如图表示光合作用和有氧呼吸过程中C、H、O三种元素的转移途径以及能量转换过程,图中序号表示相关的生理过程,请据图分析回答:
(1)C元素转移途径中,①过程发生在光合作用的________反应阶段;③过程进行的场所是_____。
(2)在H元素的转移途径中,影响⑤过程的主要环境因素是________。在O元素的转移途径中,影响⑧过程的主要环境因素是光照强度和温度。在植物体内,细胞分裂以及物质吸收等生命活动所消耗的能量直接来源自于②③⑥⑦⑨过程产生的ATP。
Ⅱ、如图所示,图甲为叶绿体结构与功能示意图,图乙表示一株小麦叶片细胞内C3相对含量在一天24小时内的变化,请据图分析:
(3)在a中发生的过程称为光反应 ,在a中含有的参与此过程的物质是______。
(4)在a中发生的能量转变是_______。
(5)图乙中,从B点开始合成有机物,AB段C3含量较高,其主要原因是________;G点C3含量极少,其原因是_________。
24.一栋温室十亩田,一年四季都生钱。”近年来,临夏市折桥镇高度重视设施农业,把发展大棚经济作为引导和带领农民增收致富的重要突破口。为研究大棚作物光合作用强度与光照强度的关系,科研人员利用若干大小一致的密闭透明容器,并给予不同的光照强度进行相关实验,测得容器内CO2浓度的变化情况如图所示。回答下列问题:
(1)B点时,植物叶肉细胞中能产生ATP的场所有_________,C点时,植物光合作用强度_________(填“大于”、“等于”或“小于”)细胞呼吸强度。
(2)D点时,若光照强度不变,增加CO2浓度供应,则短时间内叶绿体中C5含量会_________,原因是_________。
(3)光照强度低于B点所对应的光照强度时,大棚中植物不能正常生长,其原因是__________________。
(4)植物的光合作用与叶绿素密切相关,叶绿素中含有Mg,植物必须吸收足够的Mg2+才能保证光合作用的正常进行。若要探究小麦根部吸收Mg2+的方式是主动运输还是协助扩散,请简要写出实验思路:_________________________________。
25.图1是长势相同、数量相等的甲、乙两品种的大豆幼苗,分别置于两个相同的密闭透明玻璃罩内,在光照、温度等相同且适宜的条件下培养,定时测定玻璃罩内的CO2含量图2表示在不同温度下,测定甲品种大豆叶片1cm2质量(mg)变化情况(均考虑为有机物的质量变化)的操作流程及实验结果,据图分析回答问题:
(1)图1中0~25min期间,影响甲品种大豆幼苗光合作用强度的主要因素是______含量。
(2)若将图1甲、乙两个品种大豆幼苗置于同一密闭的玻璃钟罩中,在光照等其他条件适宜的情况下,一段时间内,生长首先受影响的是______品种,判断依据是______。
(3)分析图2可知,该植物的呼吸速率可表示为______mg·cm-2·h-1(用图中字母表示),实际光合速率可表示为______mg·cm-2·h-1(用图中字母表示)。
(4)从图2分析,恒定在上述14℃下,维持10h光照,14h黑暗,该植物叶片100cm2增重了______mg。实验步骤
注意事项
作 用
提取色素
研磨要迅速、充分
盛滤液的试管口加棉塞
分离色素
滤纸条的一端剪去两角
滤液细线重复画一两次,且要求细直齐
滤液细线不能触及层析液
光反应
暗反应
条件
场所
物质变化
能量变化
联 系
光反应和暗反应紧密联系:
NADPH
C5
C3
ATP
光照减弱,CO2供应不变
光照增强,CO2供应不变
CO2供应减少,光照不变
CO2供应增加,光照不变
第一组
第二组
第三组
第四组
第四组
实验
处理
温度/℃
35
35
35
30
25
相对湿度/%
17
27
52
52
52
实验
净光合速率
11.1
15.1
22.1
23.7
20.7
品种
光照处理
株高(cm)
叶绿素a(mg·cm-2)
叶绿素b(mg·cm-2)
类胡萝卜素(mg·cm-2)
净光合速率(μmlCO2·m-2·s-1)
单株种子产量(g)
南豆
100%
32.78
1.23
0.33
0.71
4.41
18.21
20%
64.67
1.30
0.25
1.09
3.17
15.09
黑豆
100%
41.67
1.39
0.27
0.78
3.97
36.71
20%
99.50
3.80
3.04
0.62
2.97
8.92
光照强度(klx)
1
2
3
4
5
6
O2 的总产生速率(nml·h-1)
20℃
1
3
6
8
8
8
30℃
2
4
7
10
12
12
CO2 释放速率(nml·h-1)
20℃
9
7
4
2
2
2
30℃
2
0
-3
-6
-8
-8
相关试卷
这是一份预习第04讲 DNA是主要的遗传物质-高一生物寒假衔接预复习讲练(人教版),文件包含第04讲DNA是主要的遗传物质原卷版docx、第04讲DNA是主要的遗传物质解析版docx等2份试卷配套教学资源,其中试卷共41页, 欢迎下载使用。
这是一份复习第02讲 细胞膜的成分、结构、功能和物质出入细胞-高一生物寒假衔接预复习讲练(人教版),文件包含第02讲细胞膜的成分结构功能和物质出入细胞原卷版docx、第02讲细胞膜的成分结构功能和物质出入细胞解析版docx等2份试卷配套教学资源,其中试卷共55页, 欢迎下载使用。
这是一份选修三第02讲 微生物的培养技术及应用-高二生物寒假衔接讲练预复习讲练(人教版选择性必修3),文件包含第02讲微生物的培养技术及应用原卷版docx、第02讲微生物的培养技术及应用解析版docx等2份试卷配套教学资源,其中试卷共56页, 欢迎下载使用。

