所属成套资源:2023-2024学年高一上学期期末考试化学试卷
湖南省衡阳市祁东县2023-2024学年高一上学期期末统考化学试卷
展开
这是一份湖南省衡阳市祁东县2023-2024学年高一上学期期末统考化学试卷,共10页。试卷主要包含了本试卷主要考试内容,必修第一册,可能用到的相对原子质量,下列化学用语表示正确的是,下列除杂方法正确的是等内容,欢迎下载使用。
注意事项:
答题前,参生务必将自己的姓名、考生号、考场号、座位号填写在答题卡上。
回答选择题时、选出每小题答案后,用铅笔把答题卡上对应题目的答案标号涂黑。如需改动、用橡皮擦干净后,再选涂其他答案标号。回答非选择题时,将答案写在答题卡上。写在本试卷上无效。
3.考试结束后,将本试卷和答题卡一并交回。
4.本试卷主要考试内容,必修第一册。
5.可能用到的相对原子质量:H1 C12 O16 Na 23 Mg 24 Fe 56
一、选择题:本题共14小题每小题3分,共42分。在每小题给出的四个选项中,只有一项是符合题目要求的。
1.中华文明源远流长,化学与文化传承密不可分。大禾方鼎是商代晚期的铜器,是中国铜器制作史上的杰作之一,代表了商代晚期青铜器的高度艺术水平。下列有关大禾方鼎的说法错误的是
A.大禾方鼎是混合物B.熔点比纯铜低
C.硬度比纯铜大D潮湿空气中易被还原为铜绿
2.下列化学用语表示正确的是
A.消石灰的化学式:Ca(OH)2B. H2O的分子结构模型
C. O2-的结构示意图D.中子数为8的C原子:128C
3.下列对化学概念的理解正确的是
A.只有一种元素也能组成化合物
B.碱性氧化物就是能和碱反应的氧化物
C.质量数相同的微粒属于同一种元素
D.非金属元素的单质在反应中可以作还原剂
4.食盐加碘(KIO3)是纠正人体碘缺乏、消除碘缺乏危害行之有效的公共卫生措施。下列说法错误的是
A. NaCl、KIO3均是电解质
B. NaCl、KIO3固体均能导电
C. NaCl、KIO3含有的化学键类型不完全相同
D.通过焰色试验可鉴别NaCl、KIO3
5.下列转化关系中含有非氧化还原反应的为
A.NaCl Na NaOH
B.Cl2 HCl H2
C.Fe2O3 Fe Fe3O4
D.FeCl2 FeCl3 Fe(OH)3
6.神舟十三号载人飞船所用的燃料为液态的偏二甲肼(C2H8N2,其中 H元素显+1价) 和四氧化二氮(N2O4),反应的化学方程式为 C2H8N2 + 2N2O4===3N2↑ + 2CO2 ↑ +4H2O↑ 下列关于该反应的说法中正确的是
A.C2H8N2是氧化剂
B.属于置换反应
C.N2既是氧化产物,又是还原产物
D.每转移1.6 ml e-,生成11.2 L气体
7.下列各组离子在指定条件下能大量共存的是
A.酸性溶液中:K+、Mg2+、NO3-、Cl-
B.加入铝粉有氢气生成的溶液中: Fe2+、 K+、SO42-、CH3COO-
C.无色溶液中:Na+、Ca2+、MnO4-、SO42-
D.使酚融变红的溶液中;Cu2+、Na+、Cl-、Br-
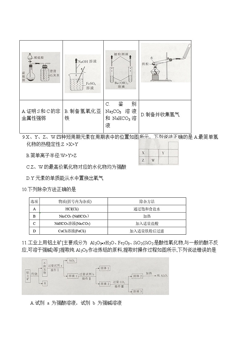
8.下列实验装置正确且能达到相应实验目的的是
9.X、Y、Z、W四种短周期元素在周期表中的位置如图所示,下列说法正确的是A.最简单氢化物的热稳定性:Z >X>Y
B.简单离子半径:W>Y>Z
C.Z、W的最高价氧化物对应的水化物均为强酸
D.Y元素的单质能从水中置换出氧气
10.下列除杂方法正确的是
工业上用铝土矿[主要成分为 Al2O3●xH2O、Fe2O3、SiO2(SiO2是酸性氧化物,与一般的酸不反应,可溶于强碱)等]提取纯Al2O3作冶炼铝的原料,提取时操作过程如图所示,下列说法错误的是
A.试剂 a 为强酸溶液,试剂 b 为强碱溶液
B.溶液2 中含两种金属阳离子
C.操作I、操作II、操作III均为过滤
D溶液3的溶质为 NaHCO3
设 NA为阿伏加德罗常数的值,下列说法中正确的是
78 g Na2O2和足量 CO2反应,转移电子数为 NA
1 ml FeCl3与沸水反应,可生成的氢氧化铁胶粒数为 NA
标准状况下,22.4 L H2O 中含有的极性共价键数目为 2NA
1 ml● L-1的盐酸中含有 Cl-的数目为 NA
13.厦门大学一研究团队报道了分散在丝光沸石分子筛上的金纳米颗粒(直径为几十纳米的金颗粒)在 CO存在的水性介质中有效地催化了O2将CH4 转化为 CH3O H的研究成果。下列说法错误的是
A.金纳米颗粒能产生丁达尔效应
催化剂
B.转化过程中有极性键和非极性键的断裂
C.总反应可能为O2 + 2CH4====2CH3OH
D.H2O2的结构式为 H-O-O-H
14.已知还原性:I- > Fe2+,向 1 L FeI2溶液中通人氯气,溶液中各离子的物质的量随氯气通人量的变化如图所示,下列说法错误的是
A.a点对应的反应为 2I- +Cl2===I2+2Cl-
B.曲线②为 Fe2+的物质的量变化曲线
C.FeI2溶液的物质的量浓度为 1ml·L-1
D.b点对应的总反应为 2Fe2+ +16I- +9Cl2===2Fe3++8I2+18CI-
二、非选择题:本题共4小题,共58 分
15.(14 分)某无色澄清溶液中,含有表中的四种离子:
分别取该溶液 10 mL 进行如下实验:
已知:①该溶液中各离子的物质的量浓度相同;②淀粉溶液遇I2变蓝;③忽略水自身的电离
回答下列问题:
(1)仅通过观察溶液颜色即可判断出溶液中不存在的离子为_______(填离子符号)。
(2)配制90 mL 0.50 ml●L-1 NaOH 溶液需要_______g NaOH 固体,若定容时俯视刻度线,则会导致所配溶液的物质的量浓度________(填“偏大”“偏小”或“不变”)
(3)实验I中溶液变蓝的原因为________(用离子方程式表示);实验II中的白色沉淀为________(填化学式)。
(4)该溶液中存在的阳离子有_______; 各离子的物质的量浓度均为______ml●L-1。
16.(15 分)某化学实验小组同学为探究氯水的漂白性,设计了如图实验装置(夹持装置已略去)。
注:不考虑空气对反应的影响
回答下列问题:
装置I中发生反应的化学方程式为 Na2SO3+H2SO4(浓)===Na2SO4+SO2↑+H2O:
①Na2SO3中 S 元素的化合价为__________价
②SO2属于_______(填“酸”或“碱”)性氧化物
③仪器a 的名称为_______。
从其组成的阳离子来看,Na2SO4属于__________。
(2)在装置V和装置V中:
①装置V 中发生反应的离子方程式为______________________________。
2)装置V中可观察到的现象为______________________________。
(3)实验进行一段时间后,可观察到装置V中的品红液褪色,下列说法正确的
是(填标号)
A.Cl2具有漂白性
B.反应结束后,装置N中溶液的PH小于7
C.装置IV可能观察到 Cl2生成速率的快慢
(3)经检验装置III中有Na2SO4生成,写出生成Na2SO4反应的化学方程式:_____
17.(15 分)铁元素是构成人体必不可少的元素之一,缺铁会造成缺铁性贫血,影响人体的健康和发育。一个体重为 50 kg 的健康人体内约含2g铁元素,这2g 铁元素在人体中以 Fe2+和Fe3+的形式存在。
(1)以下为铁元素形成的几种微粒,其中只有还原性的是_______(填标号)。
A.FeBFe2+C.Fe3+
(2)缺铁性贫血患者应补充亚铁盐。硫酸亚铁是一种常见的补铁药物,某兴趣小组为了检验硫酸亚铁补血剂的成分并测定铁元素的含量,设计如下实验(假设反应过程中无铁元素损耗)。
(I)成分探究:小组成员发现硫酸亚铁(FeSO4●7H2O)补血剂外面的糖衣是红色的,里面是淡蓝绿色固体,甲同学对其组成进行如下探究,请完成下面探究过程:
结合实验,推测糖衣的作用是__________________________________________。
(II)含量测定:
①操作a需要用到的玻璃仪器有玻璃棒、______。
②写出 Fe2O3的一种用途:____________________。
③若实验无损耗,则每片补血剂含铁元素的质量为_________ g.
18.(14 分)甲乙两同学分别取 A、B 两份等物质的量浓度的 NaOH溶液各 10 mL,分别向A、B溶液中通入不等量的 CO2,充分反应后再继续向两溶液中逐滴加人 0.5 ml●L-1盐酸,生气体的物质的量与所加盐酸的体积的关系如图所示,请回答下列问题:
Na2CO3属于__________(填“离子”或“共价”化合物;CO2的电子式为________
(2)a 点对应的溶液中溶质为________(填化学式)。
(3)ab 段反应的离子方程式为________;忽略溶液混合造成的体积变化, b 点Cl 的物质的量浓度为________ml●L-1;d点生成的 CO2的总体积为_______m L(换算成标准状况)。
(4)原 NaOH溶液的物质的量浓度为________ml●L-1。
参考答案
D 2.A 3.D 4.B 5.D 6.C 7.A 8.A 9.D 10.B 11.B 12.A 13.A
14.D
15.(1)Cu2+(2 分)
(2)2.0(2 分);偏大(2 分)
(3)H2O2+2H+ +2I-===2H2O+I2(2分);Mg(OH)2(2分)
(4)Mg2+、K+(2 分);2.5(2 分)
16.(1) ①+4(1分)
②酸(2 分)
③分液漏斗(2分)
④钠(2 分)
①10Cl-+2MnO4- +16H+===2Mn2++5Cl2↑ +8H2O(2 分)
②固体溶解,有气泡产生且有黄绿色气体生成(2 分)
③BC(2 分)
Cl2+SO2十4NaOH===Na2SO4+2NaCl+2H2O(2 分)
17.(1)A(2 分)
(2)(I)滴加盐酸无明显现象,再滴加 BaCl2溶液产生白色沉淀(2 分);
滴加 KSCN 溶液,溶液颜色不变,再滴加氯水,溶液变为红色(或其他合理答
案,2 分);KSCN(2 分);防止 Fe2+被氧化(2 分)
( II)①烧杯、漏斗(2 分)
②作红色颜料(或其他合理答案,1 分)
③(2分)
A.证明S和C的非金属性强弱
B.制备氢氧化亚铁
C.鉴别 Na2CO3 溶液和NaHCO3溶液
D.制备并收集氢气
阳离子
Cu2+ , Mg2+ , Ba2+ , K+
阴离子
CO32-、OH-、SO42-、I-
序号
实验内容
实验结果
I
向该溶液中滴人几滴硫酸酸化的双氧水,然后加人淀粉溶液
溶液变蓝
II
向该溶液中加人 0.10 ml●L-1 NaOH 溶液(NaOH 溶液过量)
产生 1.45 g白色沉淀
实验探究
实验操作及现象
结论分析
探究一
将淡蓝绿色固体溶解于盐酸中,取上层清液 2份
①份液中_________说明含有 SO42-
②另1份溶液中_________说明含有 Fe2+,不含 Fe3+
证明淡蓝绿色固体
为FeSO4●7H2O
探究二
将红色物质研成粉末,滴加盐酸,无明显变化,再滴加______液,无明显现象
证明红色物质
不是 Fe2O3
相关试卷
这是一份2024届湖南省衡阳市祁东县高三下学期三模联考化学试题,文件包含化学试卷pdf、化学答案仿真联考三pdf等2份试卷配套教学资源,其中试卷共11页, 欢迎下载使用。
这是一份101,湖南省衡阳市祁东县成章高级中学2023-2024学年高一下学期入学考试化学试卷,共7页。试卷主要包含了本试卷主要考试内容,必修第一册,可能用到的相对原子质量,下列选项正确的是,用NA表示阿伏加德罗常数的值,5%的浓盐酸配制上述所需稀盐酸等内容,欢迎下载使用。
这是一份湖南省衡阳市祁东县2023-2024学年高一上学期期末统考化学试题(Word版附答案),共7页。试卷主要包含了本试卷主要考试内容,必修第一册,可能用到的相对原子质量,下列化学用语表示正确的是,下列除杂方法正确的是等内容,欢迎下载使用。

