广东省广州市天河区华南师范大学附属中学2022--2023学年九年级上学期期末训练物理试题
展开
这是一份广东省广州市天河区华南师范大学附属中学2022--2023学年九年级上学期期末训练物理试题,共9页。试卷主要包含了5VD,04kW,04等内容,欢迎下载使用。
2022~2023 学年度九年级上学期期末综合训练
第一部分 选择题
GM
GN
F 甲
F 乙
5N
12N
15N
6N
如图所示,小明分别使用甲、乙、丙三种机械匀速提升物体(绳长不变),测得物体 M、N 所受的重力和拉力如表所示,则()
F 乙一定大于 F 丙
乙机械是省力机械
甲的机械效率比乙的大
实验测得数据无法计算出甲、乙的机械效率
如图 1 为注射器,小芳迅速下压活塞,注射器内的封闭气体温度升高,接着松开手, 活塞上升,注射器内的封闭气体温度下降,则()
活塞下压时,是通过热传递改变气体的内能
活塞上升时封闭气体的分子动能减小
活塞上升时的能量转化与题图 2 甲相同
由于活塞和筒壁之间存在摩擦,最终活塞静止时,活塞高度一定低于下压前的高度
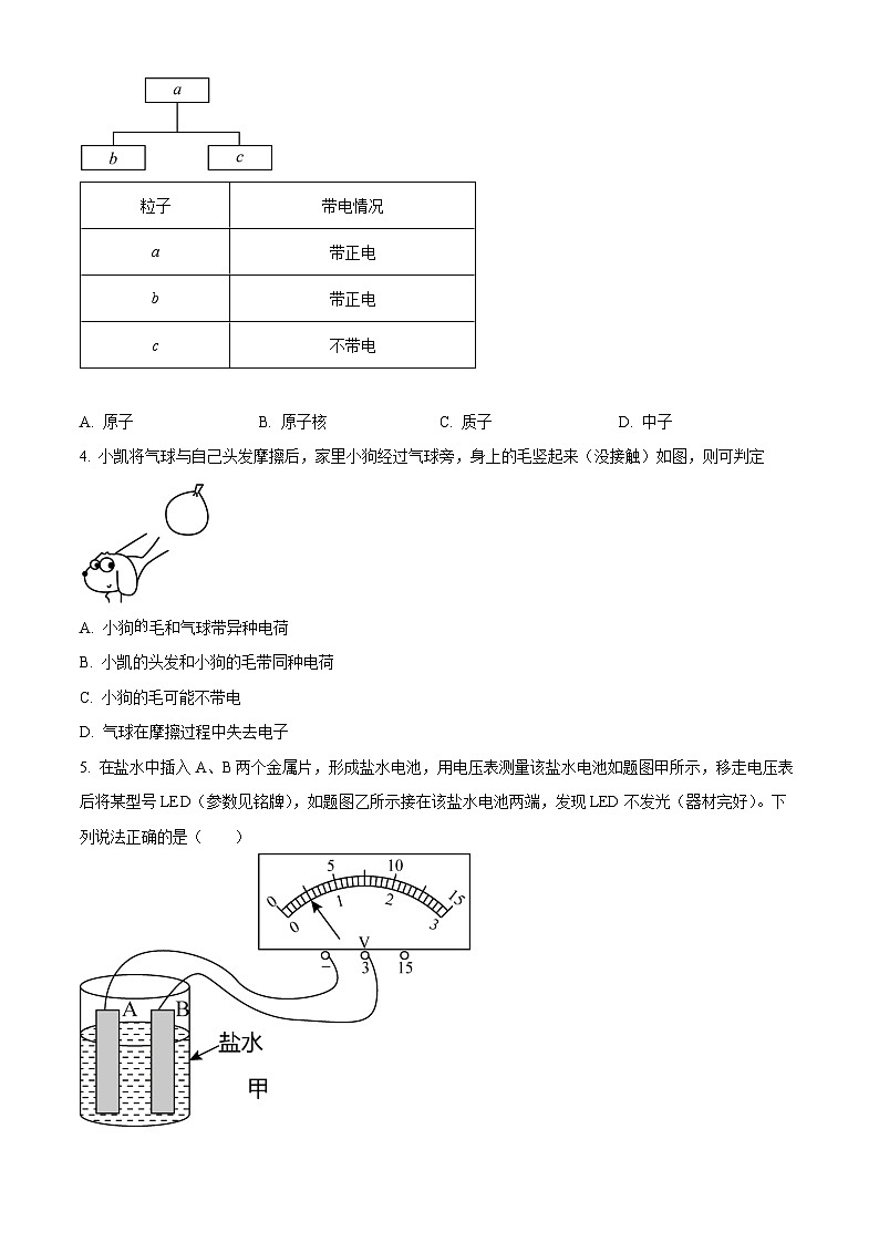
如图,粒子 a 由粒子 b、c 构成,各粒子的带电情况如下表,则 c 是()
原子B. 原子核C. 质子D. 中子
小凯将气球与自己头发摩擦后,家里小狗经过气球旁,身上的毛竖起来(没接触)如图,则可判定
小狗的毛和气球带异种电荷
小凯的头发和小狗的毛带同种电荷
小狗的毛可能不带电
气球在摩擦过程中失去电子
在盐水中插入 A、B 两个金属片,形成盐水电池,用电压表测量该盐水电池如题图甲所示,移走电压表后将某型号 LED(参数见铭牌),如题图乙所示接在该盐水电池两端,发现 LED 不发光(器材完好)。下列说法正确的是()
粒子
带电情况
a
带正电
b
带正电
c
不带电
LED 不发光是因为它的正负极接反了B. 盐水电池工作时把内能转化为电能
C. 电压表示数为 2.5VD. 金属片 B 是盐水电池的正极
如图所示,是一个可提供恒定电压和恒定电流的电源,R1=R2。下列说法正确的是()
当它提供恒定电流时,I1>I2+I3B. 当它提供恒定电流时,I1=I2
C. 当它提供恒定电压时,U1=U2+U3D. 当它提供恒定电压时,U1=U2
用图中的装置进行实验,定值电阻 R1 和 R2 分别加热容器内的同种油(甲瓶中的油比乙瓶中的多)。两电阻工作相同时间,油均未沸腾,观察到甲温度计升温比乙温度计多。该过程电阻产生的热量全部被油吸收,则()
无法比较 R1 和 R2 的大小B. R1 的实际发热功率比 R2 小
C. 甲瓶的油吸收热量可能比乙瓶的油少D. R1 两端电压一定大于 R2 两端电压
小明按图甲所示电路图做实验,闭合开关 S、断开 S1,两表读数如图乙所示。将 L 支路所在开关 S1 闭合后,两表示数如图丙所示,定值电阻两端电压为 U、流经定值电阻的电流为 I。与 S1 闭合前相比,S1 闭
合后()
U 不变,I 变小B. U 不变,I 不变
C. U 变小、I 变小D. U 变小,I 变大
在如图所示的实验电路中,闭合开关,移动滑动变阻器的滑片后,发现电流表、电压表均有示数,小灯泡不亮,则故障原因是()
L 断路B. L 短路C. R 断路D. R 短路
某科技小组为快递公司设计的分拣计数装置简化电路如图所示。R2 为定值电阻,R1 为光敏电阻,当有光照射光敏电阻时其阻值变小。激光被遮挡一次,计数器会自动计数一次(计数器可视为电压表)。闭合开关,激光被遮挡瞬间,下列说法正确的是()
电阻 R1 的阻值变小B. 通过 R2 的电流变大
C. 电阻 R1 两端的电压变大D. 电阻 R2 两端的电压变大
如图是额定电压均为 220V 的灯泡 L1 和 L2 的 U﹣I 图像。下列分析不正确的是()
当 L1 两端的电压为 100V 时,其实际功率为 20W
当通过 L2 的电流为 0.45A 时,其 1min 消耗的电能为 4320J
将 L1、L2 串联,若 L1 两端的电压为 40V,则 L2 的功率为 8W
将 L1、L2 并联,若通过 L2 的电流为 0.5A,则 L1 的功率为 66W
如图所示的电路是家庭电路的一部分,电工师傅按下面的顺序进行检测:①闭合 S1,灯 L1 亮;②再闭合 S2,灯 L1 亮,灯 L2 不亮;③用试电笔测 a、b、c、d 四个接线点,试电笔只在 c 点不发光。若电路中只有一处故障,故障可能是()
灯 L2 短路B. c 点左侧的零线断路
C. 灯 L2 所在支路断路D. c、d 两点间断路
第二部分 非选择题
生产生活中我们经常用到汽油,不靠近时都可以闻汽油的味道,这是现象;汽油易挥发,易燃易爆,运输中汽油和油罐摩擦产生静电,油罐失去电子带上电荷,电荷累积到一定程度极易出现放电现象,引起汽油燃烧爆炸,为防止爆炸事故发生,油罐车通常都在车架加装铁链与大地接触,以中和油罐所带电荷,该过程铁链中自由电子定向移动方向是从 (选填“大地到油罐”或“油罐到大地”)。
如图是今年“3·15”晚会上曝光的劣质导线,不良商家为了降低成本,将多芯铜导线的根数从国家标准的 32 根减为 26 根,导致导线横截面积减小。对于长度相等的标准导线和劣质导线,劣质导线的电阻
(选填“较大”或“较小”),若在通有相同电流的情况下,相同时间内劣质导线产生的热量(选填“较多”或“较少”),你判断的依据是 。
如题图 1 所示,规格相同的两个烧杯中分别装有甲、乙两种液体,m 甲=m 乙=1kg。用两个规格不同的加热器加热,该过程中忽略液体蒸发且加热器产生的热量全部被液体吸收,得到如题图 2 所示的温度与加热时间的图线。
甲液体比热容的大小为 c 甲=J/(kg ∙C);
甲液体在 2min 时的内能 4min 时的内能(选填“>”、“<”或“=”),你判断的依据是
;
) 前 6min 甲乙两杯液体吸收的热量情况如题图 3 , 则两种液体的比热容 c 甲c 乙( 选填
“>”“<”、“ =”或“无法比较” ),你判断的依据是 。
某电动汽车,在它充电的 5h 内,其充电电压为 220V,充电功率为 7.04kW。
) 此过程中电路中的电流 I=A, 消耗的电能 W=J, 蓄电池内储存的能量为 E , 则W E;(选填“>”、“<”、“ =”)
导线规格
导线横截面积 S/mm2
2.5
4
6
10
安全载流量 I/A
28
37
47
68
各种橡胶绝缘铜芯导线在常温下的安全载流量(长时间通电时的最大安全电流) 如表所示,从安全角度考虑,应至少选择横截面积为mm2 的导线作为该电动车充电接入导线。
某同学准备研究电阻一定时电流与电压的关系。
请在图 1 方框中画出该实验的电路图,并在实物图中用笔做导线连接好电路,要求滑片向左滑动时滑动变阻器接入电路阻值变大;
实验中,得到如表的实验数据:
为了分析电流与电压的定量关系,请利用表中的数据在坐标系中描点作图;
描点后发现这些数据中有一组是明显错误的,跟其他数据的规律完全不同,可能是读取数据时粗心所致,分析时需要把它剔除掉再连线,这组错误数据的序号是。
如图所示,用叉车把重为 G=1200N 的物体从 A 点竖直向上举高至 B 点,叉车所用的燃料油的热值 q =
4.0 ×107 J/kg,叉车的综合效率为 10%;叉车发生故障时, 工人用平行于斜面的拉力 F=600N 把物体沿斜面从 C 点匀速拉至与 B 等高的 D 点。相关距离如图,求:
叉车将物体从 A 点竖直向上举高至 B 点做的有用功;
若连续提升 50 个这样的物体,叉车消耗的燃料油质量;
工人用斜面拉物体时的机械效率。
小明探究小灯泡、LED 两端的电压随电流变化的情况,连接了如图的实物图其中电源可以提供不同的电压。
序号
1
2
3
4
5
6
电压 U/V
0.6
0.9
1.2
1.5
1.8
2.4
电流 I/A
0.15
0.22
0.40
0.38
0 45
0.6
测量的数据如下表:
请根据实物图,在图虚线框中画出电路图(用 V1、V2 表示数字电压表 V1 和 V2)
求:电流为 0.10A 时,小灯泡的阻值。
求:电流为 0.30A 时,LED 的功率;LED 在此状态下持续工作 100s 消耗的电能。
小明利用两节干电池(约 3V)和图中的小灯泡检测一批与上述实验规格一样的 LED,为保护被测LED,设计了如图所示的电路,根据表中数据,推断检测时,通过 LED 的电流是否能达到 0.3A?
,理由是。
(1)如题图甲所示,以硬尺上某位置为支点 O,在尺上挂一重 7.5N 的物体 M,给尺施加竖直向上的拉力 F,如图,尺的质量不计。
数据序号
1
2
3
4
5
电流表示数 I/A
0.10
0.15
0.20
0.25
0.30
数字电压表 V1 示数 U1/V
2.88
2.97
3.04
3.10
3.15
数字电压表 V2 示数 U2/V
0.15
0 26
0.72
1.30
1.98
①以dm 刻度线为支点能水平平衡;
②以 6dm 为支点,画出此时 F 的力臂 L。
(2)小明用题图乙中的滑轮组匀速拉动水平地面上的物体 A。小明认为用这个滑轮组拉动物体 A 时是省力的,请你设计实验证明他的观点是否正确:
①需要补充的器材;
②写出实验步骤(可以画图或文字);
③分析论证:。
相关试卷
这是一份广东省广州市天河区华南师范大学附属中学2022--2023学年九年级上学期期末训练物理试题(答案),共18页。
这是一份2024年广东省广州市华南师范大学附属中学中考三模物理试卷,共14页。试卷主要包含了小明用金属管自制乐器,如图所示,如图是某家庭电路的一部分等内容,欢迎下载使用。
这是一份2024年广东省广州市华南师范大学附属中学中考三模物理试卷,共13页。试卷主要包含了小明用金属管自制乐器,如图所示,如图是某家庭电路的一部分等内容,欢迎下载使用。

