所属成套资源:2024-2025学年浙江省中考科学专项练习(化学专题)
第十九讲 化学计算——2024-2025学年浙江省中考科学专项练习(化学专题)
展开
这是一份第十九讲 化学计算——2024-2025学年浙江省中考科学专项练习(化学专题),共11页。试卷主要包含了27克氯化铜样品,把70%的硝酸,经测定KClO3等内容,欢迎下载使用。
基础篇
1、将一严重锈蚀而部分变成铜绿[Cu2(OH)2CO3]的铜块研磨成粉末,在空气中充分灼烧成CuO,固体质量的变化情况可能是( )
A.增重30% B.增重10% C.不变 D.减轻30%
2、27克氯化铜样品(其中混有少量其它盐类),与足量的硝酸银溶液反应生成氯化银沉淀58克,则可能混有的盐是( )
A.FeCl2 B.BaCl2 C.ZnCl2 D.KCl
3、一定量的木炭在盛有氮气和氧气的混合气体的密闭容器中燃烧后生成CO和CO2,且测得反应后所得CO、CO2、N2的混合气体中碳元素的质量分数为24%,则其中氮气的质量分数可能为( )
A.10% B.30% C.50% D.70%
4、把70%的硝酸(密度为1.44g/cm3)与等体积的水混合,所得稀硝酸中溶质的质量分数是( )
A.等于35% B.小于35% C.大于35% D.无法确定
5、经测定KClO3、KCl、MnO2的混合物中钾元素质量分数为39%,某同学把100g该混合物充分加热完全反应后,再将剩余固体完全溶于水经过滤洗涤干燥后称得黑色固体20.7g.请你推算加热该混合物时产生氧气的总质量是( )
A.4.8 g B.9.6 g C.19.2 g D.48 g
6、有一空气中暴露过的NaOH固体,分析测知含水6.62% Na2CO3 2.38% NaOH 91%将此样品1g加到46g质量分数为3.65%的盐酸中,过量的盐酸用质量分数为4.43%的NaOH溶液中和,用去20.59g,蒸干中和后的溶液,可得到固体的质量为( )
A.1.33g B.2.62g C.3.43g D.无法确定
7、天平两边各放质量相等的烧杯,并分别盛有100g 溶质质量分数为7.3%的稀盐酸,此时天平平衡。若向左右两烧杯中分别加入一定质量的下列各组物质,充分反应后,天平仍平衡的是( )
A.锌6.5g,铁6.5g B.锌15g,碳酸钠15g
C.碳酸钠10g,氧化钠5.6g D.碳酸钠4.2g,硝酸银4.2g
8、A、B、C三种物质各15g,它们化合时只能生成30g新物质D。若增加10g A,则反应停止后,原反应物中只余C。根据上述条件推断下列说法中正确的是( )
A.第二次反应后,D的质量为50g B.第一次反应停止后,B剩余9g
C.反应中A和B的质量比是3:2 D.反应中A和C的质量比是2:5
9、将镁和碳酸镁的混合物置于氧气中灼烧,直至质量不再改变为止。将灼烧后的产物冷却,称量,发现其质量与原混合物相同,则原混合物中金属镁的质量分数为( )
A.56% B.44% C.40% D.38%
10、将一定量的碳放在一定质量的氧气中燃烧,实验数据如下表:其中符合质量守恒定律的反应是( )
A.① B.①②③ C.②③ D.①③
11、由BaCO3和CaCO3组成的混合物,经测定其中碳元素的质量分数为10%,则下列各项中:①钡元素的质量分数 ②钙元素的质量分数 ③氧元素的质量分数 ④CaCO3的质量分数 ⑤BaCO3的质量分数 ⑥BaCO3和CaCO3的质量比,其中能确定的是( )
A.都不能确定 B.只有③能确定 C.只有④⑤⑥能确定 D.都能确定
12、已知有机物C2H4O、C3H602和C4H8组成的混合物中,碳元素的质量分数为a,则氧元素的质量分数为( )
A.1-7a/6 B.7a/6 C.a/6 D.无法计算
13、测得某溶液中仅含有Na+、Mg2+、SO42-、Cl-四种离子,其中离子个数比为Na+:Mg2+:Cl-=4:5:8,若设Na+为4n个,则SO42-的离子数为( )
A.2n B.3n C.6n D.8n
14、为探究铁和硫酸铜溶液反应中量的关系。某兴趣小组做了五组实验。实验结果记录如下:
则表格中记录的x和y的数值应分别为( )
A.2.24,4.98 B.2.24,6.40 C.3.36,5.12 D.3.36,4.98
15、某化学兴趣小组的同学对一份固体样品进行了探究。通过实验已确定该样品由氧化铁和铁粉混合而成。他们称取了13.6g固体样品,用图1所示的装置继续实验,测定的部分数据如图2所示。
请计算:(1)固体样品中氧化铁的质量是 克。
(2)在上述反应后的固体中加入100g稀盐酸,恰好完全反应,求反应后所得溶液中溶质的质量分数。(结果精确到0.1%)
16、已知同一状态下,气体分子间的分子个数比等于气体间的体积比。现有CO、O2、CO2混合气体9mL,点火爆炸后恢复到原来状态时,体积减少1mL,通过氢氧化钠溶液后,体积又减少5mL,则原混和气体中CO、O2、CO2的体积比?
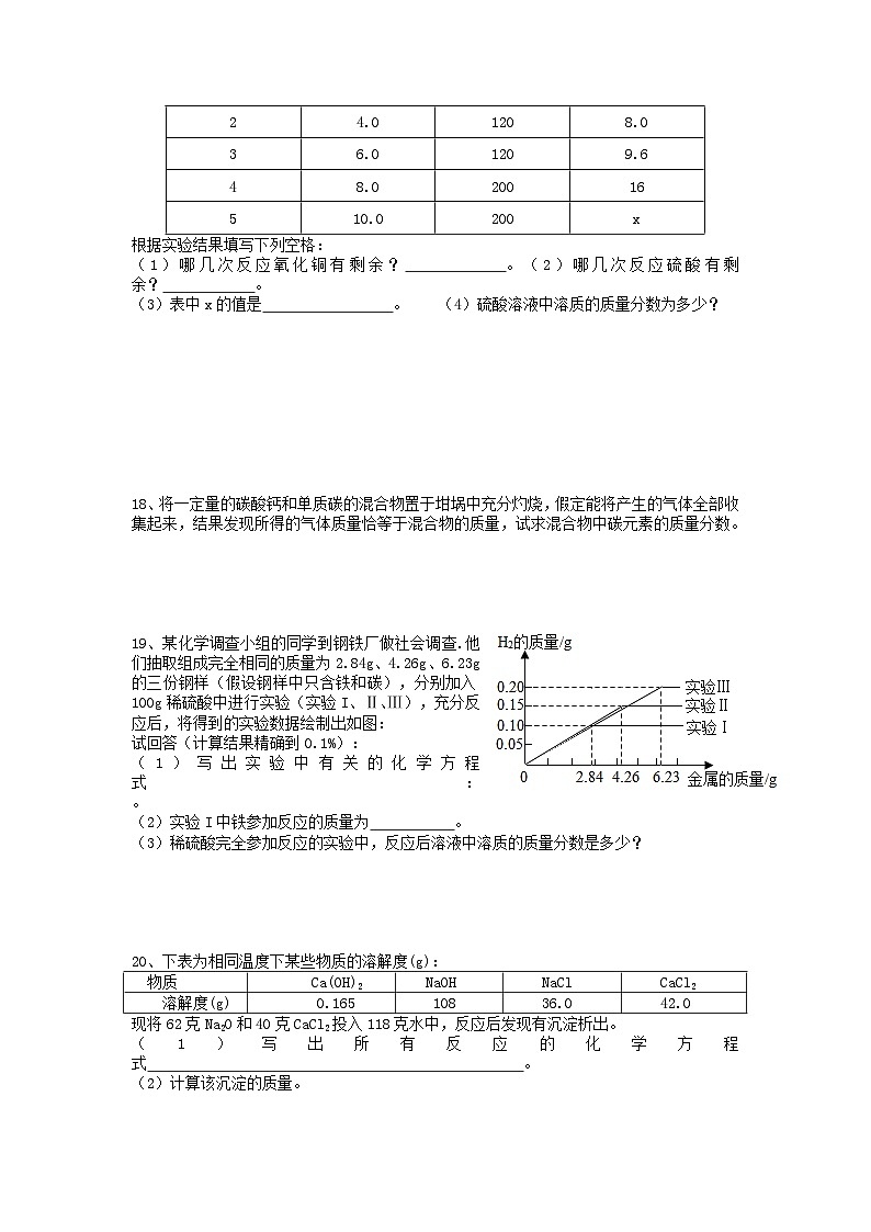
17、某同学用一定溶质质量分数的稀硫酸做“氧化铜+硫酸→硫酸铜+水”的实验,其五次实验结果如下表所示:
根据实验结果填写下列空格:
(1)哪几次反应氧化铜有剩余? 。(2)哪几次反应硫酸有剩余? 。
(3)表中x的值是 。 (4)硫酸溶液中溶质的质量分数为多少?
18、将一定量的碳酸钙和单质碳的混合物置于坩埚中充分灼烧,假定能将产生的气体全部收集起来,结果发现所得的气体质量恰等于混合物的质量,试求混合物中碳元素的质量分数。
19、某化学调查小组的同学到钢铁厂做社会调查.他们抽取组成完全相同的质量为2.84g、4.26g、6.23g的三份钢样(假设钢样中只含铁和碳),分别加入100g稀硫酸中进行实验(实验I、Ⅱ、Ⅲ),充分反应后,将得到的实验数据绘制出如图:
试回答(计算结果精确到0.1%):
(1)写出实验中有关的化学方程式: 。
(2)实验I中铁参加反应的质量为 。
(3)稀硫酸完全参加反应的实验中,反应后溶液中溶质的质量分数是多少?
20、下表为相同温度下某些物质的溶解度(g):
现将62克Na2O和40克CaCl2投入118克水中,反应后发现有沉淀析出。
(1)写出所有反应的化学方程式 。
(2)计算该沉淀的质量。
21、将五份含6g碳粉和40g的氧化铜的混合物,分别放入密闭容器中隔绝空气加强热.在不同的反应时间里收集到如下数据:
①2min收集到气体的质量是 g;10min收集到气体的质量是 g;
加热8min后容器内的气体的化学式为 。
②混合固体在加热过程中发生的反应有 、
。(写两个可能的化学方程式)
③将碳粉和氧化铜按照下列质量比混合后进行上述实验,所得气体为CO和CO2的是 (填序号)
A.3:40 B.3:35 C.3:25 D.3:20
CO
提高篇
1、铁和氧两种元素形成的固体粉末在高温下与足量的一氧化碳充分反应,生成的气体可被足量的石灰水全部吸收,过滤所得沉淀的质量是原固体粉末质量的50/29倍。下列判断中正确的是( )
A.原粉末一定是Fe3O4 B.原粉末一定是FeO和Fe2O3的混合物
C.原粉末一定是纯净物 D.原粉末可能是由一种、两种或三种氧化物组成
2、有一置于水中的用特殊材料制成的密闭容器,气体分子可以通过容器壁,液体固体则不能,其质量为1g,体积为0.04L,内装有32.7g 40%的硫酸溶液,如果向其中加入锌,要保持容器不下沉,锌的质量最多不超过( )
A.6.3g B.6.5g C.7.5g D.13.0g
3、通过电火花,可以使密闭容器中装有H2、O2、Cl2混合气体恰好完全反应,将容器的温度冷却到室温时,可以得到HCl的质量分数为34%的溶液,原容器中H2、O2、Cl2三种气体的体积比为( )
A.2:1:1 B.9:4:3 C.9:4:1 D.4:1:2
4、某固体样品可能含有氧化亚铁、氧化铁、四氧化三铁中的一种或几种,经实验测定该样品中,铁、氧两种元素的质量比为2l:8.则该样品的组成不可能是( )
A.Fe3O4 B.Fe2O3和FeO C.Fe2O3 D.FeO、Fe2O3和Fe3O4
5、今有一混合物的水溶液,只可能含有以下离子中的若干种:Na+,NH4+,Ba2+,Cl-,CO32-,SO42-。现取两份200 mL溶液进行如下实验:①第一份加足量NaOH溶液,加热,收集到气体0.68 g;②第二份加足量BaCl2溶液后,得干燥沉淀6.27 g,经足量盐酸洗涤、干燥后,沉淀质量为2.33 g。根据上述实验,以下推测正确的是( )
A.一定不存在Ba2+,NH4+可能存在 B.CO32-一定存在
C.Na+一定不存在 D.一定不存在Cl-
6、经测定,某含有C、O两种元素的常见气体的混合气体中,C元素的质量分数为30%,则该混合物中( )
A.一定有CO B.一定有CO2 C.一定有O2 D.一定有CO2、CO
7、某氯化钠溶液中含有少量的氯化钡和氢氧化钠溶液杂质,它们的质量比为13:10.欲将两种杂质同时除去,得到纯净的氯化钠溶液,可选用的试剂组合是( )
A.盐酸和硫酸溶液,其溶质的质量比为73:98
B.盐酸和硫酸钠溶液,其溶质的质量比为73:71
C.硫酸和硫酸钠溶液,其溶质的质量比为98:71
D.硫酸和硫酸镁溶液,其溶质的质量比为49:60
8、氢气和氧气的混合气体100mL,通过电火花爆炸后,气体体积分数减少到73mL,若反应前后温度(高于100℃)和压强不变,则原混合气体中氧气的体积分数可能为( )
A.73% B.81% C.46% D.9%
9、某技术员在分析醋酸溶液中溶质的含量时,测得溶液中氧元素的质量分数为80%,则该醋酸溶液中,醋酸的质量分数为( )
A.5% B.14% C.20% D.25%
10、非整数比化合物Fe0.95O具有氯化钠晶体的结构,且n (Fe):n (O)<1,在存在缺陷的该晶体中,Fe有Fe2+ 和Fe3+两种离子,则Fe3+占铁总量的( )
A.10% B.10.5% C.85% D.89.5%
11、已知一个SO2分子质量为n kg,一个SO3,分子质量为m kg,若以硫原子质量的1/32作为原子质量的标准,则SO2的式量为( )
A.32n/(m-n) B.32n/(3m-2n) C.32n/(3n-2m) D.16n/(3m-2n)
12、由某物质R和Na2SO4组成的固体混合物放入足量水中,充分搅拌,过滤后得到白色沉淀11.65g,经试验,该白色沉淀不溶于稀硝酸,滤液呈碱性。加入稀盐酸中和滤液,当加入146g,质量分数为5%的盐酸时溶液恰好呈中性。求物质R的质量。
13、某化学兴趣小组在做Fe和CuSO4溶液反应实验时,发现生成Cu的同时有气泡产生。为了进一步研究做了如下实验:
①取8.5g Fe粉放入一定量的CuSO4中,反应完成后,滤出固体,洗涤、干燥后称量,固体质量为9.2g。
②将9.2g固体与一定质量分数的稀盐酸充分反应,消耗盐酸50.0g,根据实验绘制反应产生氢气的质量与反应时间的关系见图。求:
(1)稀盐酸的质量分数、与稀盐酸反应的Fe的质量。
(2)与CuSO4反应的Fe的质量。
(3)与CuSO4反应的Fe的质量及与盐酸反应的Fe的质量之和 8.5g(选填“>”、“<”或“=”)。对此结果作出你的解释 。
14、现有一种碱性调味液,是碳酸钠和氯化钠组成的溶液。为了测定碱性调味液中碳酸钠和氯化钠的质量分数,设计了如下实验方案。
【实验一】取三份碱性调味液各100g,分别缓慢加入到20g、40g和60g某盐酸中,测得三组实验数据见下表(气体的溶解忽略不计):
根据实验及有关数据进行分析与计算:
(1)100g碱性调味液与盐酸完全反应生成气体的质量为 g。
(2)碱性调味液中碳酸钠的质量分数为多少?(写出计算过程)
(3)100g碱性调味液与该盐酸反应后溶液pH=7时,需要盐酸的质量为 g。
【实验二】在上述第Ⅲ组反应后的溶液中加AgNO3溶液,测得实验数据见下图:
根据实验及有关数据进行分析:
(4)某同学计算出碱性调味液中氯化钠的质量分数为20.5%(保留到小数点后一位)后经检查无数字运算错误。请判断该计算结果是否正确,如不正确要指出错误原因。 。
15、某兴趣小组同学在一份资料中了解到:铜有CuO和Cu2O(红色)两种常见的氧化物.因为Cu和Cu2O均为红色,故他们猜测,在H2还原CuO所得的红色产物中可能含有Cu2O。
(1)该小组同学准确称取了8.0g黑色CuO粉末放入大试管中,不断通入足量的H2,在加热条件下进行还原,如果产物只有Cu,其质量应为 。
(2)该小组在H2还原CuO时,当发现8.0g黑色CuO粉末全部转变成红色时,停止加热,冷却后称得固体质量为6.8g.此红色固体中氧元素的质量为 ,以此推得Cu2O的质量为 。
(3)将(2)中所得的6.8g固体放入烧杯中,加入48.0g过量稀盐酸(Cu2O与稀盐酸的反应为:Cu2O+2HCl=CuCl2+Cu+H2O),充分搅拌,除有红色固体外,还发现溶液变蓝。试计算此蓝色溶液中CuCl2的质量分数。
16、将一定质量的氧化铜粉末加入到100g质量分数为14%的硫酸溶液中,微热至氧化铜全部溶解,再向蓝色溶液中加入W g铁粉,充分反应后,过滤、烘干,得到干燥的固体混合物仍是W g。计算:(1)W的取值范围? (2)加入的氧化铜的质量是多少?
(3)最后得到的溶液中溶质的质量分数为多少?
17、某学习小组对实验室久置的NaOH的变质程度进行探究。先称取13.3g的NaOH样品(杂质为Na2CO3),配成溶液,然后向溶液中逐滴加入质量分数为14.6%的稀盐酸,实验测得加入稀盐酸的质量与产生CO2气体的质量关系如图所示。
(1)该NaOH的变质程度是多少?
(2)求实验过程中与NaOH反应所用的盐酸的质量是多少、(计算结果精确至小数点后一位)。
(3)根据“盐酸与NaOH反应所用的质量”,对照图象,你发现了什么问题?
。
18、将固体FeC2O4•2H2O放在一个可称出质量的容器内加热,FeC2O4•2H2O首先逐步失去结晶水,温度继续升高时,FeC2O4会逐渐转变为铁的各种氧化物.称取1.000g FeC2O4•2H2O,持续加热,剩余固体的质量随温度变化的部分数据如下表:
根据上述数据计算并推断:
(1)300~350℃时,固体质量不变的原因是 ;
(2)350~400℃内发生反应的化学方程式为 ;
(3)500℃剩余固体物质的化学式是 ;
(4)600~800℃内发生反应的化学方程式为 。
19、某同学为了研究生石灰(CaO)露置于空气中变质的情况,设计了如下实验:
请通过计算推断粉末A的成分,并计算粉末A中CaO的质量分数。
20、有一瓶久藏的Na2SO3,欲测定该药品变质程度,进行如下定量分析:将试样烘干后称取mg,用适量的蒸馏水配成溶液,加入足量的BaCl2溶液使沉淀完全。滤出的沉淀经洗涤、干燥后,质量为n g。
(1)若试样部分变质,n/m的范围为 。
(2)若取试样m=10.0 g,其中Na2SO3己有50%变质,则n为 g。
21、金属单质A和非金属单质B可生成化合物A2B,反应的化学方程式为2A+B=A2B。某校一课外小组的甲、乙、丙三个学生分别在实验室内做该实验,充分反应时,所用A和B的质量a和b各不相同,但总质量相等,都是8.0g.有关实验数据记录如下。试求丙学生实验中a:b的值可能是多少?
22、天然碱的组成可以用aNa2CO3·bNaHCO3·cH2O(a、b、c为整数)表示。现有3 种不同的天然碱样品,分别进行如下实验以确定其化学式。
(l)将质量为62.0 g的样品A平均分成两份,一份在300℃下充分灼烧(Na2CO3不分解)。固体质量减轻9.8 g:另一份溶于水后加入足量的Ba(OH)2溶液,得到白色沉淀59.1 g。样品A的化学式可以表示为 。
(2)将质量为4.71g的样品B溶于水,逐滴滴加入一定浓度的稀盐酸,产生气体的质量的质量有下表所示关系:
己知在盐酸不足时会发生反应:Na2CO3 + HCl = NaHCO3 + NaCl + H2O
盐酸的质量分数为 ;样品B的化学式可以表示为 。
23、某兴趣小组的同学对编号为①、②的两种铝镁合金样品进行了如下实验。
已知:镁能与酸反应,但不能与碱溶液反应;铝既能与酸反应,又能与氢氧化钠等碱溶液反应,化学方程式为: 2Al+2NaOH+2H2O = 2NaAlO2+3H2↑,NaAlO2溶液与二氧化碳反应能产生氢氧化铝沉淀,后者经过滤、洗涤、灼烧后生成相应氧化物。
(1)取质量为m1的样品①和过量的氢氧化钠溶液反应,然后过滤;再向滤液中通入过量的二氧化碳气体,将所得沉淀过滤、洗涤、烘干、灼烧,所得固体的质量仍为m1。求样品①中铝的质量分数。
(2)取不同质量的样品②分别和30 g相同浓度的盐酸反应,所取合金质量与产生气体体积(气体的密度为0.089 3 g/L)如下表所示:
求:① 盐酸中溶质的质量分数。②合金中铝镁的质量比。
24、甲、乙、丙三位同学用下列试剂分别进行实验,均恰好完全反应,有关实验数据如下表:
已知:a1+a2+a3=16.5g,b1+b2+b3=146g
现将甲、乙、丙三位同学反应后所得的溶液全部倒入一个容器内,称得此溶液质量为158.1g.试求:(1)参加反应的碳酸钙固体的质量。(写出计算过程)
(2)反应后所得溶液中溶质的质量分数是 %。
(3)反应过程中共生成水的质量是 g。
(4)求a1的值。
25、课外兴趣小组对某钢铁厂的铁矿石样品和钢样进行实验、分析、计算。取该厂的某钢样粉末28.36 g(假设只含Fe和C),在氧气流中充分反应,将产生的气体通入足量的澄清石灰水中,得到3 g白色沉淀。
(1)计算此钢样粉末中铁和碳的质量之比。
(2)再取三份不同质量的钢样粉末分别加到50 g质量分数相同的硫酸中,充分反应后,测得的实验数据如下表所示:(标准状况下,2 g H2的体积为22.4 L)
请根据表中数据计算硫酸中H2SO4的质量分数。
(3)若在实验Ⅱ中继续加入m g钢样粉末,计算反应结束后剩余的固体质量为多少? (用含m的代数式表示)
26、天然碱的组成可以用aNa2CO3·bNaHCO3·cH2O(a、b、c为整数)表示。现有3 种不同的天然碱样品,分别进行如下实验以确定其化学式。
(l)将质量为62.0 g的样品A平均分成两份,一份在300℃下充分灼烧(Na2CO3不分解)。固体质量减轻9.8 g:另一份溶于水后加入足量的Ba(OH)2溶液,得到白色沉淀59.1 g。样品A的化学式可以表示为 。
(2)将质量为4.71g的样品B溶于水,逐滴滴加入一定浓度的稀盐酸,产生气体的质量的质量有下表所示关系:
己知在盐酸不足时会发生反应:Na2CO3 + HCl = NaHCO3 + NaCl + H2O
盐酸的质量分数为 ;样品B的化学式可以表示为 。
27、自然界存在着一种白云石的矿石,其化学式是xCaCO3•yMgCO3(其中x、y为最小正整数比)。以它为原料,可制取耐火材料等。
(1)称取2.76g白云石,加热到质量不再变化,冷却到室温,再称量固体质量为1.44g.试通过计算写出白云石的化学式。
(2)若再称取2.76g白云石,研碎后与过量炭粉混合,放在特定仪器中隔绝空气强热一段时间后,测得白云石分解率为a(设白云石CaCO3、MgCO3同比分解),生成V L一氧化碳(密度为:1.25g/L)。(已知CaO+3C=CaC2+CO;2MgO+5C=Mg2C3+2CO)
①试计算V为多少L?(用a代数式表示)。
②请在右图中画出V和a的关系图。
28、实验室中有一样品,已知是由氧化亚铁和氧化铜组成。小科把样品均分成两份,根据学过的知识进行如下实验:
步骤一:将其中一份样品加入过量盐酸得到溶液A;
甲 乙 丙
步骤二:将另一份样品在加热条件下与过量一氧化碳充分反应得到粉末B;
步骤三:将溶液A、粉末B混合,结果产生无色气体0.5克,并得到不溶物64克和不含Cu2+的强酸性溶液。
(1)溶液A的溶质中,除生成的氯化亚铁和氯化铜外,还含有 ;
(2)计算原样品中氧化铜的质量; (3)计算粉末B中铁的质量;
(4)原样品中氧化亚铁和氧化铜的质量比为多少?序号项目
①
②
③
氧气质量/g
8
16
24
碳质量/g
3
12
6
生成CO2质量/g
11
22
22
编号
加入铁的质量/g
硫酸铜溶液体积/mL
生成铜的质量/g
1
1.12
10.0
1.28
2
x
10.0
2.56
3
3.36
10.0
3.84
4
4.48
10.0
4.98
5
5.60
20.0
y
实验次数
氧化铜/g
硫酸溶液/g
硫酸铜/g
1
2.0
120
4.0
2
4.0
120
8.0
3
6.0
120
9.6
4
8.0
200
16
5
10.0
200
x
物质
Ca(OH)2
NaOH
NaCl
CaCl2
溶解度(g)
0.165
108
36.0
42.0
加热时间/min
2
4
6
8
10
固体质量/g
44
39
35
32
32
气体质量/g
X
7
11
14
14
第Ⅰ组
第Ⅱ组
第Ⅲ组
盐酸的质量/g
20
40
60
生成气体的质量/s
2.2
4.4
5.5
温度/℃
25
150
300
350
400
450
500
600
700
800
固体质量/克
1.000
0.902
0.800
0.800
0.400
0.400
0.444
0.444
0.430
0.430
A的用量
B的用量
A2B的质量
甲
7.0 g
1.0 g
5.0 g
乙
4.0 g
4.0 g
5.0 g
丙
a g
b g
3.0 g
盐酸质量/g
20
40
60
80
气体质量/g
0
0.44
1.32
1.98
实验序号
a
b
c
合金质量/mg
510
765
918
气体体积/mL
560
672
672
所用试剂及质量
反应后所得溶液质量
甲
CaO(固)a1g,10%盐酸b1g
c1g
乙
Ca(OH)2(固)a2g,10%盐酸b2g
c2g
丙
CaCO3(固)a3g,10%盐酸b3g
c3g
实验序号
Ⅰ
Ⅱ
Ⅲ
加入钢样粉末的质量 / g
2.836
5.672
8.508
生成气体的体积(标准状况)/ L
1.12
2.24
2.80
盐酸质量/g
20
40
60
80
气体质量/g
0
0.44
1.32
1.98
相关试卷
这是一份第八讲 有关溶液中溶质质量分数的计算——2024-2025学年浙江省中考科学专项练习(化学专题),共5页。试卷主要包含了某甲醇水溶液中甲醇等内容,欢迎下载使用。
这是一份第七讲 溶解度——2024-2025学年浙江省中考科学专项练习(化学专题),共4页。
这是一份第六讲 碳和碳的氧化物——2024-2025学年浙江省中考科学专项练习(化学专题),共7页。试卷主要包含了1991年碳纳米管被发现,航天探测发现,检验某可燃化合物是否含有碳,现有CO等内容,欢迎下载使用。

