重庆市巴蜀中学校2024-2025学年高二上学期11月期中考试 化学试题
展开注意事项:
1.答题前,考生务必将自己的姓名、准考证号、班级、学校在答题卡上填写清楚。
2.每小题选出答案后,用2B铅笔把答题卡上对应题目的答案标号涂黑,如需改动,用橡皮擦干净后,再选涂其他答案标号。在试卷上作答无效。
3.考试结束后,请将答题卡交回,试卷自行保存。满分100分,考试用时75分钟。
可能用到的相对原子质量:H 1 N 14 O 16 Na 23 Mg 24 S 32 Cl 35.5 Cu 64
一、选择题:本题共14小题,每小题3分,共42分。在每小题给出的四个选项中,只有一项是符合题目要求的。
1.证据推理是化学学科核心素养的重要组成部分。室温下,下列实验事实不能证明CH3COOH是弱电解质的是( )
A.醋酸水溶液能使紫色石蕊溶液变红色
B.测得0.1ml·L-1CH3COOH溶液的pH=2.1
C.等pH等体积的盐酸、CH3COOH溶液和足量锌反应,CH3COOH放出的氢气较多
D.将pH=1的CH3COOH溶液稀释100倍,测得pH<3
2.下列说法不正确的是( )
A.用热的纯碱溶液去除油污
B.FeS溶于稀H2SO4,而CuS不溶于稀H2SO4,则Ksp(FeS)
D.实验室盛放碳酸钠溶液的试剂瓶不能用磨口玻璃塞
3.化学反应在有新物质生成的同时,一定伴随能量的变化。下列说法正确的是( )
A.已知I2(g)+H2(g)⇌2HI(g)ΔH=-11kJ/ml,现将1mlI2(g)和1mlH2(g)充入密闭容器中充分反应后,放出的热量小于11kJ
B.已知H+(aq)+OH-(ag)=H2O(l)ΔH=-57.3kJ/ml,用含0.5mlH2SO4的浓硫酸与足量稀NaOH溶液反应,放出57.3kJ热量
C.H2(g)与O2(g)充分反应生成等量的气态水比液态水放出的热量更多
D.已知H2的燃烧热为285.8kJ/ml,则表示H2燃烧热的热化学方程式为
4.实验是学习化学的重要途径,下列所示装置或操作能达到实验目的的是( )
A.AB.BC.CD.D
5.对于反应2SO2(g)+O2(g)=2SO3(g),下列有关说法正确的是( )
A.该反应的ΔS>0
B.该反应平衡常数的表达式为
C.温度不变,提高c起始(O2)或增大反应压强,均能提高反应速率和SO2的转化率
D.反应中每消耗标准状况下22.4LO2,转移电子数约为2×6.02×1023
6.根据酸碱质子理论,凡能给出质子的分子或离子都是酸,凡能结合质子的分子或离子都是碱,给出质子的能力越强,酸性越强。按照这个理论,下列说法错误的是( )
A.CH3COOH是酸,CH3COO-是碱
B.H2CO3比酸性强
C.能发生,可知酸性:
D. 、H2O均属于两性物质
7.锌-空气电池可用作电动车的动力电源。该电池的电解质溶液为KOH溶液,总反应为:2Zn+O2+4OH-+2H2O=[Zn(OH)4]2-下列有关说法不正确的是( )
A.放电时,电解质溶液中K+向正极移动
B.放电时,电路中通过4ml电子,消耗22.4LO2
C.充电时,通空气一极连接电源正极
D.充电时,阳极反应为4OH--4e-=2H2O+O2↑
8.科学家开发了一种新型中温全瓷铁-空气电池,其结构如下图所示。下列有关该电池放电时的说法正确的是( )
A.a极失去电子发生氧化反应
B.正极的电极反应为FeOx+2xe-=Fe+xO2-
C.铁表面发生的反应为xH2O(g)+Fe=FeOx+xH2
D.若有11.2L(标准状况下)空气参与反应,则电路中有2ml电子转移
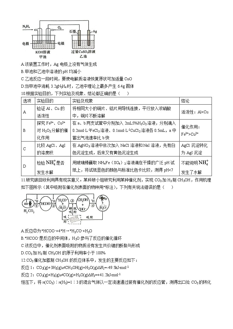
9.如下图所示,甲池的总反应式为N2H4+O2=N2+2H2O,下列关于该装置工作时的说法不正确的是( )
A.该装置工作时,Ag电极上没有气体生成
B.甲池和乙池中溶液的pH均减小
C.乙池反应一段时间,要使电解质溶液恢复原状可加适量CuO
D.当甲池中消耗3.2gN2H4时,乙池中理论上最多产生6.4g固体
10.根据实验目的,下列实验及现象、结论都正确的是( )
11.研究碳回收利用具有现实意义。某科研小组研究利用某种催化剂,实现CO2加H2制CH3OH,作用机理如下图所示(其中吸附在催化剂表面的物种用*标注),下列有关说法错误的是( )
A.反应②为*HCOO-+4*H→*H3CO-+H2O
B.*HCOO-是反应的中间体,H2O参与了反应的催化循环
C.该反应中,催化剂表面吸附的物质没有发生共价键的断裂与形成
D.CO2加H2制CH3OH的原子利用率小于100%
12.CO2催化加氢制CH3OH的反应体系中,发生的主要反应如下:
反应1:CO2(g)+3H2(g)⇌CH3OH(g)+H2O(g)ΔH1=-49.5kJ⋅ml-1
反应2:CO2(g)+H2(g)⇌CO(g)+H2O(g)ΔH2=+41.2kJ⋅ml-1
恒压下,将n(CO2)∶n(H2)=1∶3的混合气体以一定流速通过装有催化剂的反应管,测得出口处CO2的转化率及CH3OH和CO的选择性[]随温度(横坐标)的变化如下图所示。下列说法不正确的是( )
A.曲线③表示CO2的转化率
B.220℃时出口处CO的物质的量大于280℃时
C.一定温度下,增大不能提高CO2平衡转化率
D.研发CO2转化率高和CH3OH选择性高的催化剂可以提高CH3OH生产效率
13.室温下,用pH计测定强碱滴定混酸过程的pH变化如下图所示,所用NaOH、HCl和CH3COOH溶液的浓度均相等,且混酸的体积为20mL,下列说法不正确的是( )
A.M点,c(H+)>c(Cl)>c(CH3COOH)>c(CH3COO-)>c(OH-)
B.N点,c(Na+)=c(Cl-)>c(CH3COOH)>c(H+)>c(CH3COO-)>c(OH-)
C.P点,c(Na+)=c(Cl-)+c(CH3COO-)
D.Q点,c(Na+)+c(H+)=c(CH3COO-)+c(CH3COOH)+c(OH-)
14.一定温度下,M2+在不同pH的Na2A溶液中存在形式不同,Na2A溶液中随pH的变化如图1,Na2A溶液中含A微粒的物质的量分数随pH的变化如图2。
图1 图2
已知:①MA、M(OH)2均为难溶物;②初始c(Na2A)=0.2ml/L。
下列说法不正确的是( )
A.c(A2-)=c(H2A)时,pH=8.5
B.I曲线上的点满足c(M2+)⋅c2(OH-)=Ksp[M(OH)2]
C.初始状态a点发生反应:A2-+M2+=MA↓
D.初始状态的b点,平衡后溶液中存在c(A2-)+c(HA-)+c(H2A))<0.2ml/L
二、非选择题:本题共4个小题,共58分。
15.(15分)研究弱电解质的电离和水溶液酸碱性有重要意义。
I.已知:在25℃,有关弱电解质的电离平衡常数如下表有下表:
(1)写出次氯酸的电离方程式______。
(2)写出少量CO2通入NaClO溶液中发生反应的离子方程式为______。
(3)将SO2通入氨水中,当c(OH-)降至1.0×10-7ml⋅L-1时,溶液中的______。
(4)下列微粒在溶液中不能大量共存的是______。
A.、B.ClO-、C. 、D.HClO、
Ⅱ.已知水在25℃和95℃时,其电离平衡曲线如下图所示。
(5)曲线A所对应的温度下,pH=2的HCl溶液和pH=12的某BOH溶液中,若水的电离程度分别用α1、α2表示,则α1______α2(填“大于”、“小于”、“等于”或“无法确定”,下同),若将二者等体积混合,则混合溶液的pH______7。
(6)在曲线B所对应的温度下,将0.02ml·L-1的Ba(OH)2溶液与等物质的量浓度的NaHSO4溶液等体积混合,所得混合液的pH=______。
(7)若另一温度下测得0.01ml⋅L-1的NaOH溶液的pH为11。在该温度下,将pH=12的NaOH溶液V1L与pH=2的硫酸V2L混合。若所得混合液的pH=10,则V1∶V2=______。
16.(14分)硫代硫酸钠(Na2S2O3⋅5H2O)是重要的硫代硫酸盐,易溶于水,不溶于乙醇,40~45℃熔化,48℃分解,具有较强的还原性,是定量分析中常用的还原剂。
Ⅰ.硫代硫酸钠的制备:
(1)将制得的硫代硫酸钠晶体粗品纯化后,再干燥得到纯净的硫代硫酸钠晶体。简述干燥时温度不能超过40℃的原因______。
Ⅱ.硫代硫酸钠应用之一:
(2)硫代硫酸钠与稀硫酸能反应,实验室通过比较浑浊现象出现所需时间的长短,可以判断该反应进行的快慢。请写出该反应的化学方程式______。
Ⅲ.硫代硫酸钠应用之二:
Na2S2O3是实验室定量分析中的重要还原剂。为测定榨菜中亚硝酸根离子的含量(忽略硝酸根离子的干扰),取2kg榨菜榨汁,收集榨出的液体,加入提取剂,过滤得到无色滤液,将该滤液稀释至体积为1L,取100mL稀释后的滤液与过量的稀硫酸和碘化钾溶液的混合液反应,再滴加几滴淀粉溶液,用0.02ml/L的Na2S2O3溶液进行滴定,共消耗Na2S2O3溶液的体积为20.00mL。
(3)若配制480mL0.02ml/L的Na2S2O3溶液,需要用托盘天平称量______gNa2S2O3·5H2O晶体。
(4)①在碱式滴定管中装入Na2S2O3溶液后,要先排放滴定管尖嘴处的气泡,其正确的图示为______(填字母)。
②滴定终点的现象是______。
③该榨菜榨汁中亚硝酸根离子的含量为______mg·kg-1(已知:,)。下列操作引起测量结果偏高的是______(填字母)。
A.称取Na2S2O3⋅5H2O晶体时药品和砝码位置放反了
B.配制Na2S2O3溶液时俯视容量瓶刻度线
C.碱式滴定管未润洗
D.滴定终点时俯视读数
17.(15分)氨是最重要的化学品之一,广泛应用于化工、轻工、化肥、制药、合成纤维等领域。此外,液氨常用作制冷剂,氨还可以作为生物燃料来提供能源。我国目前氨的生产能力位居世界首位。回答下列问题:
(1)根据图1数据计算反应N2(g)+3H2(g)=2NH3(g)的ΔH=______kJ⋅ml-1。
图1
(2)在不同压强下,以两种不同组成进料,反应达平衡时氨的摩尔分数与温度的计算结果如图2、图3所示。其中一种进料组成为x(H2)=0.75、x(N2)=0.25,另一种为x(H2)=0.675、x(N2)=0.225、x(Ar)=0.10。(物质i的摩尔分数:)
图2图3
①图中压强由大到小的顺序为______,判断的依据是______。
②进料组成中含有惰性气体Ar的是______。(填“图2”或“图3”)
③图2中,当p2=20MPa、x(NH3)=0.20时,氢气的转化率α=______。该温度时,反应的平衡常数Kp=______MPa-1(化为最简式)。
(3)用一种具有“卯榫”结构的双极膜组装电解池(图4),可实现大电流催化电解KNO3溶液制氨。工作时,H2O在双极膜界面处被催化解离成H+和OH+,有利于电解反应顺利进行。
图4
①写出电极a的电极反应式______。
②每生成1mlNH3⋅H2O,双极膜处有______mlH2O解离。
18.(14分)镁在制取高强度轻合金方面占有重要地位。目前,世界生产的镁有60%取自海水,海水中提取镁的工艺流程如图所示:
(1)从MgCl2溶液中得到MgCl2⋅6H2O晶体的主要操作是______、过滤、洗涤、干燥。
(2)MgCl2⋅6H2O脱水得到无水MgCl2的过程中,通入HCl的作用是______。
(3)25℃时,在沉镁的过程中,将MgCl2溶液滴加到Ca(OH)2悬浊液中,当混合液中pH=11.5时,同时存在Mg(OH)2、Ca(OH)2两种沉淀,则此时混合液中c(Mg2+)∶c(Ca2+)=______。判断此时Mg2+是否完全沉淀?(填“是”或“否”,并写出简要计算过程)______。
{,,当某离子浓度降到1.0×10-5ml⋅L-1以下时,认为该离子已经完全沉淀}
(4)某实验小组对MgCl2⋅6H2O进行热重曲线分析,如图所示:
①分析181℃时固体产物的化学式为______。
②写出MgCl2⋅6H2O在300℃C时生成固体产物(一种含镁的碱式盐)的化学方程式:______。
(5)写出工业电冶金制镁单质的化学方程式:______。
高2026届高二(上)期中考试
化学试卷参考答案
1.【解析】醋酸水溶液能使紫色石蕊溶液变红色,说明醋酸溶液显酸性,但不能说明醋酸在溶液中部分电离,所以不能证明醋酸是弱电解质,故A符合题意。
2.【详解】FeS溶于稀H2SO4,而CuS不溶于稀H2SO4,说明二者在硫酸中的溶度积常数,B错误。
3.【解析】氢气与碘蒸气生成碘化氢的反应为可逆反应,可逆反应不可能完全反应,所以1ml氢气与1ml碘蒸气充入密闭容器中充分反应后放出的热量小于11kJ,A正确。B项,浓硫酸稀释时会放出热量,则含49.0g硫酸的浓硫酸与足量稀氢氧化钠溶液反应放出热量大于57.3kJ,B错误;C项,气态水比液态水的能量高,则氢气与氧气充分反应生成等量的液态水比气态水放出的热量更多,C错误;D项,氢气的燃烧热为1ml氢气完全燃烧生成液态水放出的热量,则表示氢气燃烧热的热化学方程式为,D错误。
4.【详解】A.应用碱式滴定管;C.配制0.10ml/LNaOH溶液,溶解过程应在烧杯中进行,待溶液冷却后转移到容量瓶;D.灼烧硫酸铜晶体应在坩埚中进行。
7.【解析】D项,未告诉标准状况,不可算O2的体积,D错误;故选D。
8.【解析】a极通入空气,O2在该电极上发生得电子的还原反应,A项错误;O2在正极发生得电子的还原反应,电极反应为-,B项错误;电路中有2ml电子转移时,正极上消耗0.5mlO2,在标准状况下的体积为11.2L,则通入空气的体积约为11.2L×5=56L,D项错误。
9.【解析】该装置图中,甲池为燃料电池,其中左边电极为负极,右边电极为正极,乙池为电解池,石墨电极为阳极,Ag电极为阴极,阴极上Cu2+得电子生成铜,无气体生成,A正确;根据甲池的总反应式可知有水生成,电解液被稀释,故碱性减弱,pH减小,乙池的总反应式为,电解液酸性增强,pH减小,B正确;乙池电解硫酸铜溶液,生成铜、氧气和硫酸,若要恢复原状可加适量CuO,C正确;3.2gN2H4的物质的量为0.1ml,转移电子的物质的量为0.4ml,产生0.2mlCu,质量为12.8g,D错误。应选D。
10.【解析】
A.铝片会在浓硝酸中钝化,实验现象并不能说明Cu比Al活泼,A错误;
B.两溶液所用Fe3+、Cu2+浓度不同,变量不唯一,结论不确定,B错误;
C.各物质的量不明确,不能说明AgCl沉淀转化为AgI,C错误;
D.铁离子也会水解,从而影响实验结果,D结论正确;
综上所述答案为D。
11.[解析]由题图可知,反应②为,A正确;由题图可知,催化剂的作用是吸附和解吸反应过程中生成的水,说明H2O参与了反应的催化循环,*HCOO-是反应过程中的物质,反应开始和结束时都没有该物质,故*HCOO-是反应的中间体,B正确;由题图可知,催化剂表面不仅是吸附和解吸反应过程中生成的水,前期也有物质吸附,参与了反应,故有发生共价键的断裂与形成,C错误;由题图可知,CO2加H2生成CH3OH和水,故原子利用率小于100%,D正确。
12.【分析】甲醇的选择性和CO的选择性相加等于100%,现已知曲线①为甲醇的选择性,则曲线②为CO的选择性,曲线③为CO2的转化率,据此解答。
【解析】A.根据分析可知,曲线③表示CO2的转化率,A正确;B.根据图示可知,随着温度增大,CO2转化率和CO选择性均增大,,则随温度的升高而增大,故220℃时出口处CO的物质的量小于280℃时;C.一定温度下,增大相当于额外加入了CO2,虽然化学平衡正向移动,但是CO2的平衡转化率减小,C正确;D.的选择性,研发CO2转化率高和CH3OH选择性高的催化剂,提高了CH3OH选择性和,从而使得增大,D正确。
13.【解析】
【分析】由图可知,M点为等浓度的醋酸和盐酸的混合溶液,N点盐酸与氢氧化钠溶液恰好反应得到等浓度的氯化钠和醋酸的混合溶液,溶液呈酸性,P点为氯化钠和醋酸钠的混合溶液,溶液呈中性,Q点盐酸和醋酸与氢氧化钠溶液恰好反应得到等浓度氯化钠和醋酸钠的混合溶液,溶液呈碱性。
【详解】A.由分析可知,M点为等浓度的醋酸和盐酸的混合溶液,盐酸在溶液中完全电离出氢离子和氯离子,醋酸在溶液中部分电离出氢离子和醋酸根离子,盐酸电离出的氢离子抑制醋酸的电离,则溶液中微粒浓度大小顺序为,故A正确;
B.由分析可知,N点为等浓度的氯化钠和醋酸的混合溶液,溶液呈酸性,则溶液中微粒浓度的关系,,故B正确;
C.由分析可知,P点为氯化钠和醋酸钠的混合溶液,溶液呈中性,溶液中氢离子浓度等于氢氧根离子浓度,由电荷守恒关系可知,溶液中离子浓度的关系为,故C正确;
D.由分析可知,Q点盐酸和醋酸与氢氧化钠溶液恰好反应得到等浓度氯化钠和醋酸钠的混合溶液,溶液呈碱性,溶液中存在电荷守恒关系和物料守恒关系,整合可得溶液中,故D错误;故选D
14.【解析】由可得,,为线性关系,故曲线Ⅰ表示的溶解平衡曲线,曲线Ⅱ表示MA的溶解平衡曲线。由图2可得,H2A的电离平衡常数,,,,则当时,,即pH=8.5,A正确;曲线Ⅰ表示的溶解平衡曲线,故Ⅰ曲线上的点满足,B正确;初始状态a点在曲线Ⅱ的上方,曲线Ⅰ的下方,故生成MA,故发生反应:HA-+M2+=MA↓+H+,C错误;初始状态的b点在曲线Ⅱ的上方,曲线Ⅰ的下方,生成MA沉淀,故平衡后溶液中存在
,D正确。
15.【答案】(共计15分,每空2分,标记除外)
(1) (1分)
(2)
(3)1.02 (4)C (5)等于 无法确定 (6)10 (7)1∶9
【解析】
(2)HClO的电离平衡常数大于且小于H2CO3,少量CO2通入NaClO溶液中发生反应的离子方程式为:;
(3)将SO2通入氨水中,当c(OH-)降至时,溶液中的。
(4)A.,则、能大量共存,A不符合题意;
B.,则、能大量共存,B不符合题意;
C.,则、能发生反应,不能大量共存,C符合题意;
D.,则、能大量共存,D不符合题意;
故选C。
16.【答案】(共14分,每空2分)
(1)超过40℃会造成晶体熔化,并且容易失去结晶水,或会分解
(2)
(3)2.5
(4)①B ②当加入最后半滴Na2S2O3溶液,锥形瓶内蓝色褪去,且半分钟内无变化。③92 AC
【解析】(1)超过40℃会造成晶体熔化,并且容易失去结晶水,或会分解,故干燥硫代硫酸钠晶体时温度不能超过40℃;(3),,则需要称量2.5gNa2S2O3·5H2O晶体;(4)①碱式滴定管胶管中藏有气泡,把橡皮管向上弯曲,出口上斜,挤捏玻璃珠,使溶液从尖嘴快速喷出,气泡即可随之排掉;③消耗的Na2S2O3的物质的量为,根据关系,可知100mL亚硝酸根离子的含量为,则原1L溶液中含有亚硝酸根,则该咸菜中亚硝酸盐的含量为;称量固体时,药品和砝码放反了,导致固体质量减小,所配制的标准液浓度偏小,标准液体积偏大,测定结果偏大,A符合题意;配制溶液时俯视容量瓶刻度线,导致所配制的溶液浓度偏大,标准液的体积偏小,测定结果偏小,B不符合题意;滴定管未润洗,导致标准液浓度偏小,标准液体积偏大,结果偏大,C符合题意;滴定终点时俯视读数,读数偏小,标准液体积偏小,测定结果偏小,D不符合题意。
17.【答案】(共计15分,每空2分,标记除外)
(1)-90(1分)
(2) 合成氨的反应为气体分子数减少的反应,压强越大平衡时氨的摩尔分数越大
图3 33.33% 或
(3) 8
【详解】(1)在化学反应中,断开化学键要消耗能量,形成化学键要释放能量,反应的焓变等于反应物的键能总和与生成物的键能总和的差,因此,由图1数据可知,反应的。
(2)①合成氨的反应中,压强越大越有利于氨的合成,因此,压强越大平衡时氨的摩尔分数越大。由图中信息可知,压强由大到小的顺序为。
②对比图2和图3中的信息可知,在相同温度和相同压强下,图3中平衡时氨的摩尔分数较小。在恒压下充入情性气体Ar,反应混合物中各组分的浓度减小,各组分的分压也减小,化学平衡要朝气体分子数增大的方向移动,因此,含有情性气体Ar的图是图3。
③图2中,进料组成为、两者物质的量之比为。假设进料中氢气和氮气的物质的量分别为3ml和1ml,达到平衡时氮气的变化量为xml,则有:
当、时,,解之得,则氢气的转化率。平衡时氨气的摩尔分数为0.20,则氮气和氢气的摩尔分数共为0.80,且物质的量之比为,所以氮气的摩尔分数为0.20,氢气的摩尔分数为0.60。则平衡常数。
(3)①由信息大电流催化电解KNO3溶液制氨可知,在电极a处KNO3放电生成NH3,发生还原反应,故电极a为阴极,电极方程式为,电极b为阳极,电极方程式为,“卯榫”结构的双极膜中的H+移向电极a,OH-移向电极b。
②每生成1mlNH3⋅H2O,阴极得8mle-,同时双极膜处有8mlH+进入阴极室,即有8ml的H2O解离。
18.【答案】(共计14分,每空2分)
(1)蒸发浓缩,冷却结晶
(2)抑制MgCl2与水在加热条件下发生水解反应
(3)
是,则完全沉淀。
(4) ① ②。
(5)
【详解】(3)25℃时,当混合液中pH=11.5时,同时存在、两种沉淀,则此时混合液中
;此时,则完全沉淀。
(4)①203gMgCl2⋅6H2O的物质的量为1ml,1mlMgCl2的质量为95g,181℃时固体产物为131g,则结晶水的质量为131g-95g=36g,含结晶水的物质的量为2ml,则化学式为MgCl2⋅2H2O。
②230℃时固体产物为113.0g,则结晶水的质量为:113.0g-95g=18g,含结晶水的物质的量为1ml,则化学式为MgCl2⋅H2O,在300℃时生成固体产物(一种含镁的碱式盐),其质量为76.5g,从230~300℃,质量减少,则推测少了一个氯原子和一个氢原子,则化学式为,则化学方程式为。
A.准确量取15.00mL稀NaOH溶液
B.中和热的测定
C.配制0.10ml/LNaOH溶液
D.灼烧硫酸铜晶体
选项
实验目的
实验及现象
结论
A
验证Al、Cu的活泼性
将相同大小的铜片、铝片用导线连接,平行放入浓硝酸中,铜片不断溶解
活泼性:Al
探究Fe3+、Cu2+对H2O2分解的催化作用
在a、b两支试管中分别加入2mL5%H2O2溶液,分别滴入0.2ml·L-1FeCl3溶液、0.1ml·L-1CuCl2溶液各0.5mL,a中冒出气泡速率比b快
催化作用:Fe3+>Cu2+
C
比较AgCl、AgI的溶度积
在AgNO3溶液中依次加入NaCl溶液和NaI溶液,先有白色沉淀生成,后来又有黄色沉淀生成
AgCl沉淀转化为AgI沉淀
D
检验是否发生水解
用玻璃棒蘸取NH4Fe(SO4)2溶液滴在干燥的广泛pH试纸上,将试纸显色的颜色与标准比色卡比较,测得pH<7
不能说明发生了水解
弱电解质
H2SO3
H2CO3
HClO
NH3·H2O
电离平衡常数
Ka1=1.54×10-2
Ka2=1.02×10-7
Ka1=4.2×10-7
Ka2=5.6×10-11
Ka=4.7×10-8
Kb=1.8×10-5
题号
1
2
3
4
5
6
7
8
9
10
11
12
13
14
答案
A
B
A
B
C
C
B
C
D
D
C
B
D
C
重庆市巴蜀中学校2024-2025学年高二上学期11月期中考试 化学试题: 这是一份重庆市巴蜀中学校2024-2025学年高二上学期11月期中考试 化学试题,文件包含化学试题pdf、化学答案pdf等2份试卷配套教学资源,其中试卷共16页, 欢迎下载使用。
重庆市巴渝学校2024-2025学年高二上学期期中考试化学试题: 这是一份重庆市巴渝学校2024-2025学年高二上学期期中考试化学试题,文件包含重庆市巴渝学校高二年级2024-2025学年上学期期中测试化学试卷pdf、化学答题卡pdf等2份试卷配套教学资源,其中试卷共10页, 欢迎下载使用。
重庆市鲁能巴蜀中学校2024-2025学年高一上学期半期(期中)考试+化学试题: 这是一份重庆市鲁能巴蜀中学校2024-2025学年高一上学期半期(期中)考试+化学试题,共8页。

