上海外国语大学附属浦东外国语学校2023-2024学年高三上学期期中考试 化学试题
展开这是一份上海外国语大学附属浦东外国语学校2023-2024学年高三上学期期中考试 化学试题,共8页。试卷主要包含了)题等内容,欢迎下载使用。
本卷共( 6 )页( 五 )题 满分: 100 分 考试时间: 60 分钟 (2023.11)
可能用到的原子量:H:1 C:12 K:39 Cl:35.5 Ag:108
一、(共20分)石墨烯是一种由单层碳原子以蜂窝状排列构成的二维碳材料,具有高效防滑、超强耐磨等性能。石墨烯纳米防滑涂层是将石墨烯纳米材料与聚合物基材混合制成的防滑保护膜,能够抵御高强度的摩擦和磨损,在地面表面形成微观的防滑层以减少运动员摔倒的风险。
1. Ⅰ.石墨烯(图甲)是一种由单层碳原子构成的平面结构新型碳材料,石墨烯中部分碳原子被氧化后,其平面结构会发生改变,转化为氧化石墨烯(图乙)。
(1)图甲中, 石墨中C原子的杂化方式为____________。
(2)碳的另一种单质 C60可以与钾形成低温超导化合物,晶体结构如右图(c)
所示。K位于正立方体的棱上和立方体的内部,此化合物的化学式为K3C60。
其晶胞参数a为1.4nm,则晶胞密度为___________g/cm3。(保留NA即可,1nm=10-7cm)
Ⅱ.金刚石和石墨均为碳的同素异形体,它们在氧气不足时燃烧生成一氧化碳,充分燃烧时生成二氧化碳,反应中放出的热量如图所示。
(3)在通常状况下,金刚石和石墨中___________(填“金刚石”或“石墨”)更稳定
(4)已知:N2、O2分子中化学键的键能分别是
N2(g)+O2(g)=2NO(g) ΔH=180.0 kJ·ml-1,NO分子中化学键的键能为 ___________kJ·ml-1。
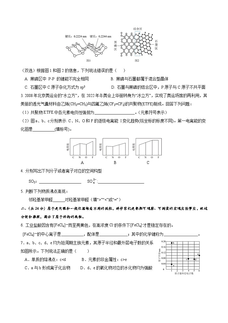
2. 磷及其化合物在电池、催化等领域有重要应用。黑磷与石墨类似,也具有层状结构(如图1)。为大幅度提高锂电池的充电速率,科学家最近研发了黑磷—石墨复合负极材料,其单层结构俯视图如图2所示。
(双选)根据图1和图2的信息,下列说法错误的是( )
A. 黑磷区中 P-P 的键能不完全相同 B. 黑磷与石墨都属于混合型晶体
C. 石墨区中C原子杂化方式为sp3 D. 石墨与黑磷的结合区中,P原子与C原子不共平面
3. 2008年北京奥运会的“水立方”,在2022年冬奥会上华丽转身为“冰立方”,实现了奥运场馆的再利用,其美丽的透光气囊材料由乙烯(CH2=CH2)与四氟乙烯(CF2=CF2)的共聚物(ETFE)制成。回答下列问题:
(1)共聚物ETFE中各元素电负性强弱为____________________。(元素符号表示)
(2)图a、b、c分别表示 C、N、O和F的逐级电离能 I变化趋势(纵坐标的标度不同)。第一电离能的变化图是___________(填标号)。
A B C
4. 分别写出下列分子或者离子对应的空间构型
SO2:_____________________ SO:_______________________
5. 判断下列物质沸点高低:
邻羟基苯甲醛______对羟基苯甲醛(填“>”“<”或“=”)
二、(共24分)原子是肉眼和一般仪器都看不到的微粒,科学家们是根据可观察、可测量的宏观实验事实,经过分析和推理,揭示了原子结构的奥秘。
6. 工业盐酸因含有[FeCl4]—而呈亮黄色,在高浓度Cl-的条件下[FeCl4]-才是稳定存在的。
[FeCl4]—的中心离子是 ,配体是 ;其中的化学键称为 。
7.a、b、c、d、e均为短周期主族元素,其原子半径和最外层电子数的关系如图所示。下列说法正确的是( )
A.单质的熔沸点:c
C.a与b形成离子化合物 D.d、e的氧化物对应的水化物均为强酸
8.下列Li原子电子排布图表示的状态中,能量最低的为( )
A.B. C.D.
9.钠在火焰上灼烧产生的黄光是一种原子_______________光谱(选填“发射”或“吸收”)。
10.第四周期的元素形成的化合物在生产生活中有着重要的用途。
(1)镍铬钢抗腐蚀性能强,基态铬原子的价电子排布式为_____________,按照电子排布式,镍元素在周期表中位于________区。
(2)“玉兔二号”月球车通过砷化镓(GaAs)太阳能电池提供能量进行工作。基态砷原子的电子占据最高能级的电子云轮廓图为________形。
(3)基态Fe3+、Fe2+离子中未成对的电子数之比为__________。
11.随着科技的不断发展,人类对原子结构的认识不断深入,新型材料层出不穷。表中列出了第三周期的几种元素的部分性质:
(1)第三周期中含3个未成对电子的元素,其基态原子价电子的轨道表示式为________。
(2)请举一化学事实说明a元素和b元素的非金属性的相对强弱:______________。(用化学方程式表示)
三、(共20分)杭州亚运会主火炬塔的燃料首次使用甲醇燃料,这是人类历史上第一次废碳再生、零碳甲醇点燃亚运主火炬,也是大型体育赛事首次使用燃烧高效、排放清洁、可再生、运输便捷的甲醇燃料,充分体现杭州亚运会“绿色、智能、节俭、文明”的办赛理念。
Ⅰ.氧化和还原是认识物质性质、分析化学变化的重要视角之一,对生产、生活乃至生命活动中有着十分重要的作用。
12.下列物质间的转化,需要加入氧化剂才能实现的是( )
A.NH3→NO B.Fe2O3→Fe C.KClO3→Cl2D.H2SO4→SO2
13.下列溶液中的离子因发生氧化还原反应而不能大量共存的是( )
A.Fe2+、H+、MnO4-、SO42- B.Cu2+、Al3+、NO3-、Cl-
C.K+、Al3+、OH-、SO42- D.Ba2+、Na+、CO32-、ClO-
14.工业上利用NaIO3和NaHSO3反应来制取单质I2
(1)配平下列离子方程式并利用单线桥法标出电子转移方向和个数。
____IO3-+____HSO3- — ____I2+____SO42-+____H++____H2O
(2)已知:HSO3-、I2、I-、SO42-和一些未知物组成的一个氧化还原反应,其中SO42-是氧化产物,该反应中还原性HSO3-______I-(填“>”或“<”)。
Ⅱ. 本次亚运会火炬燃料甲醇是利用焦炉气中的氢气(H2)与从工业尾气中捕集的二氧化碳(CO2)合成,并由远程甲醇动力重卡提供运输保障。
15. 甲醇可作为燃料使用,也可用CH3OH 和O2组合形成质子交换膜燃料电池(酸性环境),其结构示意图如图所示:
(1)电池总反应为2CH3OH+3O2=2CO2+4H2O,则c电极的反应方程式____________________
(2)下图是一个电化学过程的装置示意图。 已知甲池的总反应式为 2CH3OH+3O2+4KOH=2K2CO3+6H2O
a.甲池是___________(填“原电池”或“电解池”),通入O2的电极作___________极;一段时间后发现丙池___________(填“阴极”或“阳极”)附近有白色浑浊出现。
b. 当乙池中Ag电极的质量增加5.40 g时,乙池回路中转移电子总数为____________。
四、(共16分)电化学方法是化工生产及生活中常用的一种方法。
根据所学知识回答下列问题:
16. I.二氧化氯()为一种黄绿色气体,是国际上公认的高效、快速、安全的杀菌消毒剂。目前已开发出用电解法制取的新工艺如图所示:
(1) 图中用石墨作电极,在一定条件下电解饱和食盐水制取。产生的电极应连接电源的 (填“正极”或“负极”),电解的总反应方程式为 。
(2) a极区溶液的 (填“增大”“减小”或“不变”),图中离子交换膜应使用 (填“阴”或“阳”)离子交换膜。
Ⅱ.在日常生活中,金属腐蚀的现象普遍存在,某化学兴趣小组设计了如图所示的两套实验装置验证的腐蚀与防护:
(3) 图中能保护不被腐蚀的是装置 (填“A”或“B”),其保护方法的名称是 。
(4) 在另一装置中,检验电极附近产物正离子的方法为_______________________________________。
(5) (双选)用如图1所示装置及试剂进行铁的电化学腐蚀实验探究,测定具支锥形瓶中压强(p)随时间变化关系的曲线如图2所示,下列说法错误的是( )
A.pH=2.0时,压强增大是主要因为生成H2 B.pH=4.0时,不发生析氢腐蚀,只发生吸氧腐蚀
C.pH=6.0时,正极主要发生电极反应式为
D.整个过程中,负极电极反应式为
五、杭州亚运会火炬名为“薪火”,握把的材料采用了生物基聚酰胺材料,环保轻盈。生物基聚酰胺来自可持续再生的植物性原料,比传统产品减少50%以上碳排放。(本题共20分)
17. (一)某化合物经李比希法测得其中含C72.0%、H6.67%,其余为氧,质谱法分析得知A的相对分子质量为150。测得A的核磁共振氢谱有5组峰,其面积之比为1:2:2:2:3。该分子的红外光谱如下图:
已知:此分子中只含一个苯环,且苯环上只有一个取代基。试填空:
(1)该有机物的分子式为 ___________
(2)该有机物的结构简式可能为___________(写一种即可)
(3)该有机物芳香族同分异构体有多种,其中分子中不含甲基的芳香酸的结构简式为___________(写一种即可)
(二) 18.芯片制造过程需用到光刻胶,光刻胶的一种合成路线如下(部分试剂、反应条件和产物已略去):
已知:A是苯甲醛()
I.(R1,R2为烃基或氢)
II.(R1,R2为烃基)
(1)B分子中含氧官能团的名称为____________;由C到D的反应类型为___________。
(2)B转化为C的第①步的化学反应方程式为_________________________________;
(3)乙炔和羧酸X发生加成反应生成E,E中不同环境的氢原子个数比为3:2:1,E能发生水解反应,则E加聚后产物F的结构简式为_________________________;
(4)D和G反应生成光刻胶的化学方程式为__________________________。
(5)C的一种同分异构体满足下列条件:
①既能发生银镜反应,又能发生水解反应;
②苯环上的一氯取代产物只有两种。
写出该同分异构体的结构简式:______________________。
(6)根据已有知识并结合本题信息,写出以CH3CHO为原料制备的合成路线流程图(无机试剂任用,合成路线流程图示例见本题题干)。
班级 学号 姓名
2023学年上海外国语大学附属浦东外国语学校第一学期
高三 年级 化学 学科 期中 试卷(答题纸)
本卷共( 6 )页( 五 )题 满分: 100 分 考试时间: 60 分钟 (2023.11)
可能用到的原子量:H:1C:12 Cl:35.5 K:39 Ag:108
(20分)
1.(1)_____sp2_____ (2)____略__________ (3)____石墨______ (4)____631.5______;
2. _____CD_____; 3.(1)_______略_______________ (2)____A______;
4. ______角形______, ___正四面体形_____; 5. ______<______。
二、(24分)
6. ______Fe3+______, _____Cl-_________, ______配位键___________;
7. ______C______; 8. ______D_____; 9. _____发射_____ ;
10.(1)_____3d54s1_________, _____d__________; (2)____哑铃______ (3)____5:4_______;
11.(1)________略_______________ (2)______________略________________________________;
三、(20分)
12. _____A_________; 13. ______A_______;
14.(1)____IO3-+____HSO3- = ____I2+____SO42-+____H++____H2O (2)____>_____(填“>”或“<”)
15. (1)__________________________________;
(2)a.______原电池______, _____正_________, ____阴极_________;
四、(16分)
16.(1)_____正极_________, ________________________________________________;
(2)___增大________, ____阳_______; (3)___A______, _________牺牲阳极的阴极保护法____
(4)______略_____________________________________________________________________;
(5)_____BD_______
五、(20分)
17.(1)______C9H10O2_________; (2)____________________, (3)____________________;元素编号
a
b
c
d
e
电负性
3.0
2.5
2.1
1.5
0.9
主要化合价
-1,+7
-2,+6
-3,+5
+3
+1
相关试卷
这是一份[化学]2023_2024学年5月上海虹口区上海外国语大学附属外国语学校高二下学期月考化学试卷(东校),共6页。
这是一份上海外国语大学附属浦东外国语中学2023-2024学年高一下学期期末考试化学试卷,共6页。
这是一份上海外国语大学附属外国语学校东校2023-2024学年高二下学期期末(等级)考试化学试题,共6页。试卷主要包含了铁及其化合物,合成高分子,制备无水氯化钴,生物大分子与超分子,“一碳”化学等内容,欢迎下载使用。

