天津市南开中学2024-2025学年高三上学期10月月考 化学试题
展开
这是一份天津市南开中学2024-2025学年高三上学期10月月考 化学试题,共7页。试卷主要包含了 下列常见物质及用途,错误的是,下列叙述正确的是, 过量 SO₂与以下 0等内容,欢迎下载使用。
I卷 (共计 36分)
可能用到的相对原子质量: Mg24 Cl35.5 Ca40
一、选择题(每小题只有一个最佳选项,共12小题)
1. 景德镇青花瓷素有“国瓷”的美誉。是以黏土为原料,用含钴、铁的颜料着色,上釉后一次性高温烧制而成的青蓝色彩瓷。下列关于青花瓷说法正确的是
A. 青蓝色是由于生成了单质钴
B. 表面的釉属于有机高分子膜
C. 主要成分为铝硅酸盐
D. 其中铁元素的存在形式只有 Fe₂O₃
2. 下列对所涉及化学知识的叙述错误的是
A.“天宫”空间站新补充了一批氙推进剂,氙是非金属
B.“天舟六号”壳体使用了铝合金,合金是金属材料
C.“长征七号”采用了液氧煤油发动机,煤油是混合物
D.“嫦娥五号”取回的月壤样品中含有天然玻璃,玻璃是无机非金属材料
3. 下列常见物质及用途,错误的是
A. 氢氧化铝可用于治疗胃酸过多
B. 液氨可用作制冷剂
C. FeO是铁红,可以用作染料
D. Na₂O₂能与CO₂反应, 可作供氧剂
4. 下列各组物质的鉴别方法中,不可行的是
A. 过氧化钠和硫黄:加水,振荡
B. 硫化亚铁和硫化铜:加硫酸,振荡
C. 氯化铁溶液和碘水:加KSCN或淀粉
D. 氢氧化镁和氢氧化铝:加氨水,振荡
5. 实验室制备和收集相应气体可使用下图装置的是
A. Fe与稀硝酸反应制NO
B. MnO₂与浓盐酸反应制备 Cl₂
C. CaO与浓氨水反应制备 NH₃
D. Na₂SO₃与浓硫酸反应制备 SO₂
6. 在给定条件下,下列制备过程涉及的物质转化均可实现的是
A. 纯碱工业: NaCl溶液 CO₂ NaHCO₃ △ Na₂CO₃
B. 金属 Mg制备: 溶液 →Mg
C. HCl制备: NaCl溶液 电解 H₂和 Cl2 点燃 HCl
D. 硝酸工业: NH3 O2 高温 NO2 H2O HNO3
7. 下列选项中的物质能按图示路径在自然界中转化,且甲和水可以直接生成乙的是
8.下列叙述正确的是
A. SO₂具有还原性,因此不能用浓硫酸干燥
B. SO₂有毒,不可用于食品添加剂
C. SO₂与氧气混合, 可制得SO₃
D. SO₂通入过量碳酸钠溶液中,生成碳酸氢钠和亚硫酸钠
9. 兴趣小组设计了从AgCl中提取 Ag的实验方案,下列说法正确的是
A. 溶液①中的金属离子是 Fe²⁺
B. 反应①的离子方程式是 NH3+H+=NH4+
C. 前2步反应均利用了平衡移动原理
D. 按上述方案消耗lmlFe可回收1mlAg
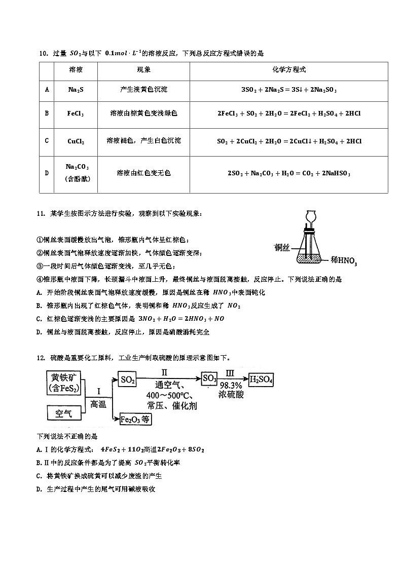
10. 过量 SO₂与以下 0.1ml⋅L⁻¹的溶液反应,下列总反应方程式错误的是
11. 某学生按图示方法进行实验,观察到以下实验现象:
①铜丝表面缓慢放出气泡,锥形瓶内气体呈红棕色;
②铜丝表面气泡释放速度逐渐加快,气体颜色逐渐变深;
③一段时间后气体颜色逐渐变浅,至几乎无色;
④锥形瓶中液面下降,长颈漏斗中液面上升,最终铜丝与液面脱离接触,反应停止。下列说法正确的是
A. 开始阶段铜丝表面气泡释放速度缓慢,原因是铜丝在稀 HNO₃中表面钝化
B. 锥形瓶内出现了红棕色气体,表明铜和稀 HNO₃反应生成了 NO₂
C. 红棕色逐渐变浅的主要原因是 3NO₂+H₂O=2HNO₃+NO
D. 铜丝与液面脱离接触,反应停止,原因是硝酸消耗完全
12. 硫酸是重要化工原料,工业生产制取硫酸的原理示意图如下。
下列说法不正确的是
A.Ⅰ的化学方程式: 4FeS2+11O2高温2Fe2O3+8SO2
B.Ⅱ中的反应条件都是为了提高 SO₂平衡转化率
C. 将黄铁矿换成硫黄可以减少废渣的产生
D. 生产过程中产生的尾气可用碱液吸收选项
甲
乙
丙
A
Cl₂
NaClO
NaCl
B
SO₂
H₂SO₄
CaSO₄
C
Fe₂O₃
Fe(OH)₃
FeCl₃
D
CO₂
H₂CO₃
Ca(HCO₃)₂
溶液
现象
化学方程式
A
Na₂S
产生淡黄色沉淀
3SO₂+2Na₂S=3S↓+2Na₂SO₃
B
FeCl₃
溶液由棕黄色变浅绿色
2FeCl₃+SO₂+2H₂O=2FeCl₂+H₂SO₄+2HCl
C
CuCl₂
溶液褪色,产生白色沉淀
SO₂+2CuCl₂+2H₂O=2CuCl↓+H₂SO₄+2HCl
D
Na₂CO₃
(含酚酞)
溶液由红色变无色
2SO₂+Na₂CO₃+H₂O=CO₂+2NaHSO₃
II卷 (共计64分)
二、填空题
13. (14分)粗盐中含有 SO42-,K+,Ca2+,Mg2+等杂质离子,实验室按下面的流程进行精制:
已知:KCl和 NaCl的溶解度如图所示:
(1) 证明该粗盐中含有 K⁺的方法为 。
(2) 步骤①中 BaCl₂要稍过量。请描述检验) BaCl₂已过量的方法: 。
(3) 若加 BaCl₂后不先过滤就加氢氧化钠和碳酸钠,会导致 。
A.SO42-不能完全去除 B. 消耗更多NaOH
C. Ba²⁺不能完全去除 D. 消耗更多 Na₂CO₃
(4)“一系列操作”是指 。
A. 蒸发至晶膜形成后,趁热过滤 B.蒸发至晶膜形成后,冷却结晶
C. 蒸发至大量晶体析出后,趁热过滤 D. 蒸发至大量晶体析出后,冷却结晶
(5) 用离子方程式表示加入盐酸后发生的反应 。
另有两种方案进行粗盐提纯:
方案2:向粗盐水中加入石灰乳[主要成分为 CaOH₂]除去 Mg²⁺,再通入含 NH₃、CO₂的工业废气除去 Ca²⁺;
方案3:向粗盐水中加入石灰乳除去 Mg²⁺,再加入碳酸钠溶液除去 Ca²⁺。
(6) 相比于方案3,方案2的优点是 。
(7)已知粗盐水中 MgCl₂含量为0.95g/L, CaCl₂含量为1.11g/L, 现用方案3提纯10L该粗盐水,求需要加入碳酸钠的物质的量 。14.(18分)闭环循环有利于提高资源利用率和实现绿色化学的目标。利用氨法浸取可实现废弃物铜包钢的有效分离,同时得到的CuCl可用于催化、医药、冶金等重要领域。工艺流程如下:
已知:室温下的 KspCuCl=10-6.8。
回答下列问题:
(1) 基态 Cu⁺的电子排布式为 。
(2)首次浸取所用深蓝色溶液①由铜毛丝、足量液氨、空气和盐酸反应得到,其主要成分为 (填化学式)。
(3) 滤渣的主要成分为 (填化学式)。
(4)浸取工序的产物为 CuNH₃₂Cl,,该工序发生反应的化学方程式为 。浸取后滤液的一半经氧化工序可得深蓝色溶液①,氧化工序发生反应的离子方程式为 。
(5)浸取工序宜在30~40℃之间进行,当环境温度较低时,浸取液再生后不需额外加热即可进行浸取的原因是 。
(6) 补全中和工序中主反应的离子方程式CuNH3₂⁺+2H⁺+Cl⁻= +
(7) 真空干燥的目的为 。15. (16分) DHTA 是一种重要的化工原料,广泛用于合成高性能有机颜料及光敏聚合物;作为钠离子电池的正、负电极材料也表现出优异的性能。利用生物质资源合成DHTA的路线如下:
回答下列问题:
(1) A→B的反应类型为 。
(2) C的结构简式为 。
(3) D的化学名称为 , DHTA的化学名称为 。
(4) G→H的化学方程式为 。
(5) 写出一种能同时满足下列条件的G的同分异构体的结构简式 。
(a) 核磁共振氢谱有两组峰,且峰面积比为3:2;
(b) 红外光谱中存在C-O吸收峰,但没有O-H吸收峰;
(c) 可与NaOH水溶液反应,反应液酸化后可与 FeCl₃溶液发生显色反应。
阿伏苯宗是防晒霜的添加剂之一。结合题目信息,以对羟基苯乙酮
和对叔丁基甲苯 为原料,设计阿伏苯宗的合成路线 。
(无机试剂和三个碳以下的有机试剂任选)
16. (16分) 学习小组为探究 C²⁺、C³⁺能否催化 H₂O₂的分解及相关性质,室温下进行了实验I~IV。
已知: CH₂O₆²⁺为粉红色、 CH₂O₆³⁺为蓝色、 CCO₃₂2-为红色、 CCO₃₃3-
为墨绿色。回答下列问题:
(1) C在元素周期表中位于 区,位置为 。
(2)实验Ⅰ表明 CH2O62+ (填“能”或“不能”)催化 H₂O₂的分解。实验Ⅱ中 HCO3-大大过量的原因是 。实验Ⅲ初步表明CCO₃₃3-能催化 H₂O₂的分解,写出 H₂O₂在实验Ⅲ中所发生反应的离子方程式 、 。
(3) 实验Ⅰ表明, 反应 2CH₂O₆²⁺+H₂O₂+2H⁺⇌2CH₂O₆³⁺+2H₂O难以正向进行,利用化学平衡移动原理,分析 C³⁺、C²⁺分别与 CO32-配位后,正向反应能够进行的原因 。
(4) 实验IV中,A到B 溶液变为蓝色,并产生气体; B到C溶液变为粉红色,并产生气体。从A到C所产生的气体的分子式分别为 、 。实验Ⅰ
实验Ⅱ
实验Ⅲ
无明显变化
溶液变为红色, 伴有气泡产生
溶液变为墨绿色, 并持续产生能使带火星木条复燃的气体
相关试卷
这是一份2024天津市南开中学高三上学期12月月考化学试题含答案,文件包含天津市南开中学2023-2024学年高三上学期12月月考化学试题docx、天津市南开中学2023-2024学年高三上学期12月月考化学答案pdf等2份试卷配套教学资源,其中试卷共6页, 欢迎下载使用。
这是一份2024天津市南开中学高三上学期第一次月考化学试题含答案,文件包含Unit13WeretryingtosavetheearthSectionB3a-Selfcheckpptx、核心素养目标人教版初中英语九年级全册Unit13WeretryingtosavetheearthSectionB3a-Selfcheck教案docx、核心素养目标人教版初中英语九年级全册Unit13WeretryingtosavetheearthSectionB3a-Selfcheck同步练习docx、HwVideoEditor_2021_04_12_233133681mp4等4份课件配套教学资源,其中PPT共38页, 欢迎下载使用。
这是一份2023届天津市南开中学高三5月月考化学试题,共4页。

