山东省淄博市高青县第一中学(二部)2024-2025学年高二上学期10月份月考 化学试题
展开一、选择题(本题包括10小题,每小题2分,共20分。每小题只有一个选项符合题意)
1.下列措施或现象不能用勒夏特列原理解释的是
A.合成氨工业中需要采用高压的条件
B.红棕色的NO2加压后颜色先变深后变浅
C.向醋酸溶液中加入少许醋酸钠固体,溶液的pH增大
D.H2、I2、HI平衡时的混合气体,缩小容器的体积,颜色变深
2.面对纷繁复杂的物质世界,分类是一种行之有效的方法来认识更多的物质。下列物质分类正确的是
3.下列说法正确的是
A.CaCO3(s)=CaO(s)+CO2(g)室温下不能自发进行,说明该反应的ΔH<0
B.500°C、30 MPa下,0.5 ml N2(g)和1.5ml H2(g)反应生成NH3(g)放热QkJ,其热化学方程式为N2(g)+3 H2(g)2 NH3(g) △H=-2QkJ/ml
已知Ni(CO)4(g)=Ni(s)+4CO(g) △H=QkJ/ml,则Ni(s) +4CO(g)=Ni(CO)4(g)
△H=-QkJ/ml
D.已知两个平衡体系:2NiO(s)2Ni(s)+O2(g)、2CO(g)+O2(g)2CO2(g)的平衡常数分别为K1和K2,可推知平衡NiO(s)+CO(g)Ni(s)+CO2(g)的平衡常数为K1×K2
4.二元弱酸H2X的电离过程是吸热过程,某温度下,其电离常数Ka1=2.5×10-4、
Ka2=2.0×10-8。下列说法错误的是
A.升高温度后,Ka1、Ka2均增大
B.向H2X溶液中加入少量KHX固体,从c(H+)减小
C.该温度下0.1ml/L的H2X溶液中
D.向H2X溶液中加水稀释过程中,减小
5.在密闭容器中发生如下反应:mA(g)+nB(g) pC(g),达到平衡后,保持温度不变,将气体体积缩小到原来的一半,当达到新平衡时,C的浓度为原来1.9倍,下列说法错误的是
A.m+n
C.A的转化率降低 D.C的体积分数增加
6.已知反应N2(g)+3H2(g)2NH3(g) ΔH=-92.3kJ/mL,N2的平衡转化率a(N2)与体系总压强(p)的关系如图所示。下列说法正确的是( )
A. 将1mlN2与3mlH2置于1L密闭容器中充分反应,
放出的热量为92.3kJ
B. T1
7.通过2NO(g)+2CO(g)CO2(g)+N2(g) ΔH=-746.5 kJ·ml-1催化还原的方法,可将汽车尾气中有害气体转化为无害气体。下列说法正确的是
A.该反应在任何条件下都能自发进行
B.反应的平衡常数可表示为K=eq \f(c(CO2)·c(N2),c(NO)·c(CO))
C.其它条件不变,增大eq \f(c(NO),c(CO))的值,NO的转化率下降
D.使用高效的催化剂可以降低反应的焓变
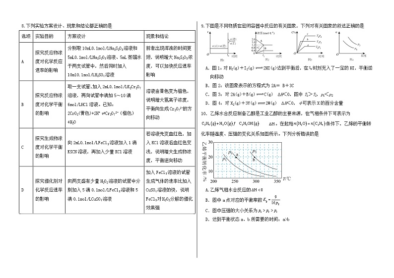
8.下列实验方案设计、现象和结论都正确的是
9.下图是不同物质在密闭容器中反应的有关图象,下列对有关图象的叙述正确的是
A.图1:对H2(g)+I2(g)2HI(g)达到平衡后,在时刻充入了一定的HI,平衡逆向移动
B.图2:该图象表示的方程式为2A=B+3C
C.图3:对2A(g)+B(g)C(g) ∆H<0,图中T1>T2,p1<p2
D.图4:对X2(g)+3Y(g)2W(g) ∆H<0,φ可表示X的百分含量
10.乙烯水合反应制备乙醇是工业乙醇的主要来源,在气相条件下可表示为 。在起始条件下,乙烯的平衡转化率随温度、压强的变化关系如图所示。下列分析错误的是
A.乙烯气相水合反应的
B.图中a点对应的平衡常数
C.图中压强的大小关系为
D.达到平衡状态a、b所需要的时间:a>b
二、选择题(本题包括 5 小题,每题 4 分,共 20分;每小题有一个或者两个选项符合题目要求,全对得4分,漏选得2分,错选不得分。)
11.常温下,下列事实不能说明某一元酸HX是弱酸的是
A.溶液
B.和反应,生成HX
C.溶液比硝酸导电能力弱
D.溶液与溶液恰好中和
12. 在一定温度下,将气体X和气体Y各0.16ml充入10L恒容密闭容器中,发生反应X(g)+Y(g)2Z(g) △H < 0,一段时间后达到平衡,反应过程中测定的数据如下表:
下列说法正确的是( )
A. 反应前2min的平均速率ν(Z)=2.0×10-3ml·L-1·min-1
B. 其他条件不变,降低温度,反应达到新平衡前ν(逆)> ν(正)
C. 该温度下此反应的平衡常数K=1.44
D. 其他条件不变,再充入0.2mlZ,平衡时X的体积分数增大
13. 在恒压、NO和O2的起始浓度一定的条件下,催化反应相同时间,测得不同温度下NO转化为NO2的转化率如图中实线所示(图中虚线表示相同条件下NO的平衡转化率随温度的变化)。下列说法正确的是
A.反应2NO(g)+O2(g)2NO2(g)的ΔH>0
B.图中X点所示条件下,延长反应时间能提高NO的转化率
C.图中Y点所示条件下,增加O2的浓度不能提高NO的转化率
D.380 ℃下,c起始(O2)=5.0×10-4ml/L,NO的平衡转化率为50%,则平衡常数K>2000
14.根据下列溶液中的平衡图像所得出的结论正确的是
A.若图甲表示稀释起始pH相同的NaOH溶液与氨水,则曲线a对应NaOH溶液
B.若图乙表示其他条件相同,H2O2的分解曲线,则说明溶液pH越大,H2O2的分解速率越快
C.若图丙表示室温时,醋酸和醋酸钠的混合溶液中CH3COOH与CH3COO-的浓度与pH的关系,则可知室温下醋酸的电离平衡常数为K=1×10-4.75
D.图丁所对应的可逆反应平衡时升高温度时,v(正)减小,v(逆)增大,平衡向逆反应方向移动
15.二氧化碳加氢制甲烷过程中的主要反应为
①
②
在密闭容器中,、时,平衡转化率、在催化剂作用下反应相同时间所测得的实际转化率随温度的变化如题图所示。的选择性可表示为%。下列说法不正确的是
A.600℃以后,CO2实际转化率随温度升高而降低的原因
是平衡①逆向移动
B.的平衡选择性随着温度的升高而增加
C.用该催化剂催化二氧化碳反应的最佳温度范围约为350~400℃
D.450℃时,提高的值或增大压强,均能使平衡转化率达到X点的值
三、填空题(共60分)
16. 按要求回答下列问题
Ⅰ.以下是生产、生活中常见的物质。①冰醋酸;②;③;④盐酸;⑤;⑥熔融;⑦石墨;⑧酒精;⑨;⑩)
(1)属于强电解质的有 ,属于非电解质的有 ,能导电的物质有 。(用序号填空)
(2)写出溶液的电离方程式: 。
(3)常温下,pH=2的①溶液和pH=2的④溶液,加水稀释100倍,pH较大的是 。(用序号填空)
Ⅱ.已知,常温下几种酸的电离平衡常数如表:
(4)常温下,的溶液中,约为 。
(5)根据电离平衡常数判断,以下反应不能进行的是___________。
A.B.
C.D.
17.N2O是常见的环境污染性气体。在四个不同容积的恒容密闭容器中按图甲充入相应的气体,发生反应:2N2O(g)2N2(g)+O2(g),容器Ⅰ、Ⅱ、Ⅲ中N2O的平衡转化率如图乙所示。
若容器Ⅰ的体积为2 L,反应在370 ℃下进行,20 s后达到平衡,则0~20 s内容器Ⅰ中用O2表示的反应速率为______________。B点对应的平衡常数K=_______
(保留两位有效数字)。
(2)若容器Ⅳ的体积为1 L,反应在370 ℃下进行,则起始时反应________(填“向正反应方向”“向逆反应方向”或“不”)进行。
(3)图中A、C、D三点容器内气体密度由大到小的顺序是________________________。
Ⅱ.工业上可利用CO或CO2来生产燃料甲醇。某研究小组对下列有关甲醇制取的三条化学反应原理进行探究。已知在不同温度下的化学反应平衡常数(K1、K2、K3)如表所示:
(4)反应②是____________(填写“吸热”或“放热”)反应。
(5)根据反应①与②可推导出K1、K2与K3之间的关系,则K3=____________(用K1、K2表示)。据此可判断反应③的∆H3______0(填写“>”、“<”或“=”)。
(6)500℃时,测得反应③在某时刻CO2(g)、H2(g)、CH3OH(g)、H2O(g)的浓度都为
0.2 ml/L。判断此时υ正____υ逆(填写“>”、“<”或“=”),说明理由_______________。
18.(1)一定温度下,将一定质量的冰醋酸加水稀释过程中,溶液的导电能力变化如图所示,请填写空白。
①a、b、c三点对应的溶液中由小到大的顺序为
(用“a,b,c”和“<,>,=”表示)
②a、b、c三点对应的溶液中的电离程度最大的是
(填a或b或c)
③若使b点对应的溶液中增大,减小,可采用的方法是 (填序号)
A.加入水 B.加入少量的溶液(体积变化忽略不计)
C.加入浓硫酸 D.加入碳酸钠固体 E.加热
④在稀释过程中,随着醋酸浓度的减小,下列始终保持增大趋势的是___________。
A.c(H+) B.n(H+) C.CH3COOH分子数 D.
⑤a、b、c三点溶液用溶液中和,消耗溶液体积的大小关系为 。(用a,b,c和<,>,=表示)
(2)工业上采取用氨水除去,已知25℃,的,的,。若氨水的浓度为,溶液中的约为 ;将通入该氨水中,当降至时,溶液中的 。19.CO与反应可合成可再生能源甲醇,反应为
。回答下列问题。
I.已知:反应①
反应②
(1)则的 (用、表示)。
II.在一个容积可变的密闭容器中充有5mlCO和10mlH2,在催化剂作用下发生反应
,CO的平衡转化率(ɑ)与温度(T)、压强(p)的关系如图所示。
(2)图中压强 (填“>”或“<”,下同)。温度为,压强时,D点反应速率: 。
(3)A、B、C三点平衡常数、、的大小关系为 。
(4)A点的正反应速率 (填“>”或“<”)C点的逆反应速率。
(5)恒温恒压条件下,下列能说明反应达到平衡状态的是 (填标号)。
a. b.容器内混合气体的密度不再改变
c.CO和的物质的量之比不再改变 d.混合气体的平均相对分子质量不再改变
(6)若达到平衡状态A时,容器的容积为5L,则在平衡状态B时容器的容积为 L。
(7)C点时,若再充入5ml的,保持恒温恒压再次平衡时CO的物质的量分数
(填“增大”“减小”或“不变”)。
20.丁烯是一种重要的化工原料,可由丁烷催化脱氢制备。回答下列问题:
(1)正丁烷(C4H10)脱氢制1-丁烯(C4H8)的热化学方程式如下:
①C4H10(g)= C4H8(g)+H2(g) ΔH1
已知:②C4H10(g)+ O2(g)= C4H8(g)+H2O(g) ΔH2=-119 kJ·ml-1
③H2(g)+ O2(g)= H2O(g) ΔH3=-242 kJ·ml-1
反应①的ΔH1为______________。图(a)是反应①平衡转化率与反应温度及压强的关系图,x_______0.1(填“大于”或“小于”);欲使丁烯的平衡产率提高,应采取的措施是__________(填标号)。
A.升高温度 B.降低温度 C.增大压强 D.降低压强
(2)丁烷和氢气的混合气体以一定流速通过填充有催化剂的反应器(氢气的作用是活化催化剂),出口气中含有丁烯、丁烷、氢气等。图(b)为丁烯产率与进料气中n(氢气)/n(丁烷)的关系。图中曲线呈现先升高后降低的变化趋势,其降低的原因是___________。
(3)图(c)为反应产率和反应温度的关系曲线,副产物主要是高温裂解生成的短碳链烃类化合物。丁烯产率在590 ℃之前随温度升高而增大的原因可能是___________、____________;590℃之后,丁烯产率快速降低的主要原因可能是_____________。
2023级二部高二10月份月考化学答案
1-5:DCCDD 6-10:BCACC 11-15:D C BD C AB
16.(除标注外没空1分,共12分)
(1) ②③⑥⑩ ⑧⑨ ④⑥⑦
(2)、 (2分)
(3)④ (2分)
(4) (2分) (5)B (2分)
17. (除标注外没空1分,共12分)
(1)0.000 5 ml·L-1·s-1 (2分) 0.004 4 (2分)
(2)向逆反应方向 (3)D>C>A (4)吸热 (5)K1K2 <
(6)< Qc= EQ \f(0.2×0.2,0.2×0.23)=25>2.5,说明此时该反应平衡逆向移动 (2分)
18.(除标注外没空1分,共12分)
(1) ①c(2) 0.006 (2分) 12.4 (2分)
19.(除标注外没空1分,共12分)
(1) (2) < <
(3) (2分) (4)<
(5)bd (2分) (6)1 (2分) (7)不变 (2分)
20、(除标注外没空1分,共12分)
(1)+123kJ·ml-1 小于 AD (2分)
(2)氢气是产物之一,随着n(氢气)/n(丁烷)增大,平衡逆向移动 (2分)
(3)升高温度有利于反应向吸热方向进行 (2分)
温度升高反应速率加快 (2分)
丁烷高温裂解生成短链烃类增多 (2分)选项
电解质
非电解质
强电解质
弱电解质
A.
漂白粉
Cu
CaCO3
生石灰
B.
石灰石
C2H5OH
饱和食盐水
H2O
C.
HCl
CO2
烧碱
H2CO3
D.
CuSO4·5H2O
氨气
HNO3
小苏打
选项
实验目的
方案设计
现象和结论
A
探究反应物浓度对化学反应速率的影响
分别取10mL0.1ml/LNa2S2O3溶液和5mL0.1ml/LNa2S2O3溶液、5mL蒸馏水于两支试管中,然后同时加入10ml0.1ml/LH2SO4溶液
前者出现浑浊的时间更短,说明增大Na2S2O3浓度,可以加快反应速率影响
B
探究反应物浓度对化学平衡的影响
取一支试管,加入2mL0.1ml/LK2Cr2O7溶液,再向试管中滴加5~10滴6ml/LHCl溶液。已知:
2CrO2(黄色)+2H+ ⇌Cr2O72-(橙色)+H2O
溶液由黄色变为橙色,说明增大氢离子浓度,平衡向生成Cr2O72-的方向移动
C
探究生成物浓度对化学平衡的影响
向2mL0.1ml/LFeCl3溶液加入1滴KSCN溶液,再加入少量KCl溶液
若溶液先变血红色,加入KCl溶液后血红色变浅,说明增大生成物浓度,平衡逆向移动
D
探究催化剂对化学反应速率的影响
向两支盛有少量H2O2溶液的试管中分别加入5滴0.1ml/LFeCl3溶液和5滴0.1ml/LCuSO4溶液
加入FeCl3溶液的试管生成气体的速率比加入CuSO4溶液的快,说明FeCl3对H2O2分解的催化效果强
t/min
2
4
7
9
n(Y)/ml
0.12
0.11
0.10
0.10
化学式
电离平衡常数
化学反应
焓变
平衡常数
温度/℃
500
700
800
2H2(g)+CO(g)CH3OH(g)
∆H1
K1
2.5
0.34
0.15
②H2(g)+CO2(g)CO(g)+H2O(g)
∆H2
K2
1.0
1.70
2.52
③3H2(g)+CO2(g)CH3OH(g)+H2O(g)
∆H3
K3
山东省潍坊市青州第一中学2024-2025学年高二上学期9月月考化学试题: 这是一份山东省潍坊市青州第一中学2024-2025学年高二上学期9月月考化学试题,共6页。试卷主要包含了选择题,非选择题等内容,欢迎下载使用。
山东省济宁市实验中学2024-2025学年高二上学期9月份月考 化学试题: 这是一份山东省济宁市实验中学2024-2025学年高二上学期9月份月考 化学试题,共5页。试卷主要包含了选择题,非选择题等内容,欢迎下载使用。
天津市某高级中学2024-2025学年高二上学期第一次月考化学试题: 这是一份天津市某高级中学2024-2025学年高二上学期第一次月考化学试题,文件包含2024-2025学年度高二年级上学期一调考试docx、2024-2025学年度高二年级上学期一调考试答案docx、2024-2025学年度高二年级上学期一调考试答题纸pdf等3份试卷配套教学资源,其中试卷共9页, 欢迎下载使用。

