2024-2025学年广东省肇庆市肇庆院附属中学数学九上开学复习检测模拟试题【含答案】
展开一、选择题(本大题共8个小题,每小题4分,共32分,每小题均有四个选项,其中只有一项符合题目要求)
1、(4分)一次函数的图像如图所示,则的取值范围是( )
A.B.C.D.
2、(4分)要反映台州市某一周每天的最高气温的变化趋势,宜采用( )
A.条形统计图B.扇形统计图
C.折线统计图D.频数分布统计图
3、(4分)已知,则(b+d≠0)的值等于( )
A.B.C.D.
4、(4分)测得某人一根头发的直径约为0.000 071 5米,该数用科学记数法可表示为( )
A.0.715×104B.0.715×10﹣4C.7.15×105D.7.15×10﹣5
5、(4分)如图,平行四边形ABCD中,∠A的平分线AE交CD于E, AB=5,BC=3,则EC的长( )
A.2B.3C.4D.2.5
6、(4分)如图,数轴上表示一个不等式的解集是( )
A.B.C.D.
7、(4分)某人从一鱼摊上买了三条鱼,平均每条元,又从另一个鱼摊上买了两条鱼,平均每条元,后来他又以每条元的价格把鱼全部卖给了乙,结果发现赔了钱,原因是
A.B.C.D.与大小无关
8、(4分)实数在数轴上对应点如图所示,则化简 的结果是( )
A.B.C.D.
二、填空题(本大题共5个小题,每小题4分,共20分)
9、(4分)实数a在数轴上的位置如图示,化简:_____.
10、(4分)如图,⊙O 是△ABC 的外接圆,已知∠ABO=30º,则∠ACB 的为_____º.
11、(4分)如果直线 y=kx+3 与两坐标轴围成三角形的面积为 3,则 k 的值为_____.
12、(4分)若二次根式有意义,则x的取值范围是________.
13、(4分)若二次根式有意义,则x的取值范围是_____.
三、解答题(本大题共5个小题,共48分)
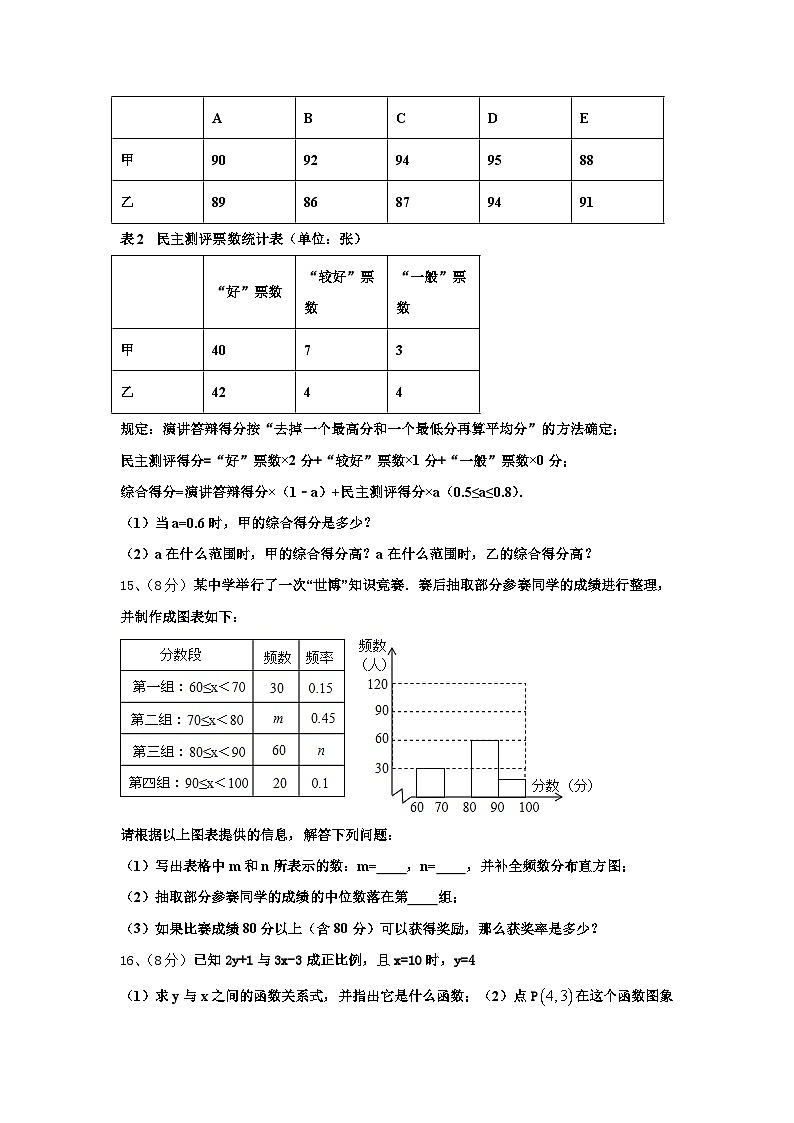
14、(12分)某班为了从甲、乙两同学中选出班长,进行了一次演讲答辩与民主测评.A、B、C、D、E五位老师作为评委,对“演讲答辩”情况进行评价,全班50位同学参与了民主测评.结果如下表所示:
表1 演讲答辩得分表(单位:分)
表2 民主测评票数统计表(单位:张)
规定:演讲答辩得分按“去掉一个最高分和一个最低分再算平均分”的方法确定;
民主测评得分=“好”票数×2分+“较好”票数×1分+“一般”票数×0分;
综合得分=演讲答辩得分×(1﹣a)+民主测评得分×a(0.5≤a≤0.8).
(1)当a=0.6时,甲的综合得分是多少?
(2)a在什么范围时,甲的综合得分高?a在什么范围时,乙的综合得分高?
15、(8分)某中学举行了一次“世博”知识竞赛.赛后抽取部分参赛同学的成绩进行整理,并制作成图表如下:
请根据以上图表提供的信息,解答下列问题:
(1)写出表格中m和n所表示的数:m= ,n= ,并补全频数分布直方图;
(2)抽取部分参赛同学的成绩的中位数落在第 组;
(3)如果比赛成绩80分以上(含80分)可以获得奖励,那么获奖率是多少?
16、(8分)已知2y+1与3x-3成正比例,且x=10时,y=4
(1)求y与x之间的函数关系式,并指出它是什么函数;(2)点P在这个函数图象上吗?
17、(10分)抗震救灾中,某县粮食局为了保证库存粮食的安全,决定将甲、乙两个仓库的粮食,全部转移到具有较强抗震功能的A、B两仓库.已知甲库有粮食100吨,乙库有粮食80吨,而A库的容量为70吨,B库的容量为110吨.从甲、乙两库到A、B两库的路程和运费如下表:(表中“元/吨•千米”表示每吨粮食运送1千米所需人民币)
(1)若甲库运往A库粮食x吨,请写出将粮食运往A、B两库的总运费y(元)与x(吨)的函数关系式;
(2)当甲、乙两库各运往A、B两库多少吨粮食时,总运费最省,最省的总运费是多少?
18、(10分)如图,在平行四边形ABCD中,边AB的垂直平分线交AD于点E,交CB的延长线于点F,连接AF,BE.
(1)求证:△AGE≌△BGF;
(2)试判断四边形AFBE的形状,并说明理由.
B卷(50分)
一、填空题(本大题共5个小题,每小题4分,共20分)
19、(4分)如图,在中,,且把的面积三等分,那么_____.
20、(4分)直角三角形的两条直角边长为6,8,那么斜边上的中线长是____.
21、(4分)如图,在平面直角坐标系中,直线与直线相交于点,则关于的二元一次方程组的解是__________.
22、(4分)如图,已知两正方形的面积分别是25和169,则字母B所代表的正方形的边长是__________。
23、(4分)当时,二次根式的值是 _________.
二、解答题(本大题共3个小题,共30分)
24、(8分)如图,,平分交于点,于点,交于点,连接,求证:四边形是菱形.
25、(10分)小龙在学校组织的社会调查活动中负责了解他所居住的小区450户居民的家庭收入情况、他从中随机调查了40户居民家庭收入情况(收入取整数,单位:元),并绘制了如下的频数分布表和频数分布直方图.
根据以上提供的信息,解答下列问题:
(1)补全频数分布表;
(2)补全频数分布直方图;
(3)请你估计该居民小区家庭属于中等收入(大于1000不足1600元)的大约有多少户?
26、(12分)先化简,再求值:(x+2-)•,其中x=3+.
参考答案与详细解析
一、选择题(本大题共8个小题,每小题4分,共32分,每小题均有四个选项,其中只有一项符合题目要求)
1、D
【解析】
根据一次函数的图象得到关于k的不等式,求出k的取值范围即可.
【详解】
∵一次函数的图象过二、四象限,
∴k−2<0,
解得k<2.
故选:D.
此题考查一次函数图象与系数的关系,解题关键在于判定k的大小.
2、C
【解析】
根据题意,得
要求直观反映长沙市一周内每天的最高气温的变化情况,结合统计图各自的特点,应选择折线统计图.
故选C.
3、B
【解析】
由已知可知:5b=7a,5d=7c,得到(b+d)的值.
【详解】
由,得5b=7a,5d=7c,所以
故选B.
本题考查分式的基本性质,学生们熟练掌握即可.
4、D
【解析】
0.000 071 5= ,故选D.
5、A
【解析】
根据平行四边形的性质可得AB=CD=5,AD=BC=3,AB∥CD,然后根据平行线的性质可得∠EAB=∠AED,然后根据角平分线的定义可得∠EAB=∠EAD,从而得出∠EAD=∠AED,根据等角对等边可得DA=DE=3,即可求出EC的长.
【详解】
解:∵四边形ABCD是平行四边形,AB=5,BC=3,
∴AB=CD=5,AD=BC=3,AB∥CD
∴∠EAB=∠AED
∵AE平分∠DAB
∴∠EAB=∠EAD
∴∠EAD=∠AED
∴DA=DE=3
∴EC=CD-DE=2
故选A.
此题考查的是平行四边形的性质、平行线的性质、角平分线的定义和等腰三角形的判定,掌握平行四边形的性质、平行线的性质、角平分线的定义和等角对等边是解决此题的关键.
6、C
【解析】
根据在数轴上表示不等式解集的方法解答即可.
【详解】
∵-1处是空心圆圈,且折线向右,
∴这个不等式的解集是x>-1.
故选:C.
考查的是在数轴上表示不等式的解集.在数轴上实心圆点包括该点,空心圆圈不包括该点,大于向右小于向左.
7、A
【解析】
本题考查一元一次不等式组的应用,将现实生活中的事件与数学思想联系起来,读懂题列出不等式关系式即可求解.利润=总售价-总成本= ×5-(3a+2b)=0.5b-0.5a,赔钱了说明利润<0.
【详解】
利润=总售价-总成本= ×5-(3a+2b)=0.5b-0.5a,赔钱了说明利润<0
∴0.5b-0.5a<0,
∴a>b.
故选A.
解决本题的关键是读懂题意,找到符合题意的不等关系式.
8、B
【解析】
分析:先根据数轴确定a,b的范围,再根据二次根式的性质进行化简,即可解答.
详解:由数轴可得:a<0<b,a- b<0,
∴=|b|+| a-b|-| a|,
=b-(a-b)+a,
=b-a+b+a,
=2b.
故选B.
点睛:本题考查了实数与数轴,解决本题的关键是根据数轴确定a,b的范围.
二、填空题(本大题共5个小题,每小题4分,共20分)
9、1.
【解析】
由数轴可知,10.a-2<0.再根据绝对值的性质: 和二次根式的性质: 化简即可.
【详解】
解:∵1∴a-1>0.a-2<0.
∴a-1+2-a=1
故答案为:1.
本题考查了绝对值和二次根式的性质,掌握它们的性质是解题的关键.
10、60°
【解析】
首先根据等腰三角形的性质及三角形内角和定理求出∠AOB的度数,再利用圆周角与圆心角的关系求出∠ACB的度数.
【详解】
解:△AOB中,OA=OB,∠ABO=30°;
∴∠AOB=180°-2∠ABO=120°;
∴∠ACB=∠AOB=60°.
故选A.
本题考查圆周角定理的应用,涉及到的知识点还有:等腰三角形的性质以及三角形内角和定理.
11、±
【解析】
找到函数y=kx+3与坐标轴的交点坐标,利用三角形面积公式表示出面积,解方程即可.
【详解】
解:∵直线 y=kx+3 与两坐标轴的交点为(0,3)(,0)
∴与两坐标轴围成三角形的面积=·3·||=3
解得:k=
故答案为
本题考查了一次函数与坐标轴的交点问题,属于简单题,明确函数与x轴的交点有两个是解题关键.
12、
【解析】
根据二次根式有意义的条件可得-x≥0,再解不等式即可.
解答
【详解】
由题意得:-x⩾0,
解得:,
故答案为:.
此题考查二次根式有意义的条件,解题关键在于掌握其定义.
13、x≥
【解析】
根据二次根式中的被开方数是非负数,可得出x的取值范围.
【详解】
∵二次根式有意义,∴2x﹣1≥0,解得:x≥.
故答案为x≥.
本题考查了二次根式有意义的条件,解答本题的关键是掌握:二次根式有意义,被开方数为非负数.
三、解答题(本大题共5个小题,共48分)
14、(1)89分(2)当0.5≤a<0.75时,甲的综合得分高,0.75<a≤0.8时,乙的综合得分高
【解析】
(1)由题意可知:分别计算出甲的演讲答辩得分以及甲的民主测评得分,再将a=0.6代入公式计算可以求得甲的综合得分;
(2)同(1)一样先计算出乙的演讲答辩得分以及乙的民主测评得分,则乙的综合得分=89(1−a)+88a,甲的综合得分=92(1−a)+87a,再分别比较甲、乙的综合得分,甲的综合得分高时即当甲的综合得分>乙的综合得分时,可以求得a的取值范围;同理甲的综合得分高时即当甲的综合得分<乙的综合得分时,可以求得a的取值范围.
【详解】
(1)甲的演讲答辩得分==92(分),
甲的民主测评得分=40×2+7×1+3×0=87(分),
当a=0.6时,甲的综合得分=92×(1−0.6)+87×0.6=36.8+52.2=89(分);
答:当a=0.6时,甲的综合得分是89分;
(2)∵乙的演讲答辩得分==89(分),
乙的民主测评得分=42×2+4×1+4×0=88(分),
∴乙的综合得分为:89(1−a)+88a,甲的综合得分为:92(1−a)+87a,
当92(1−a)+87a>89(1−a)+88a时,即有a<,
又0.5≤a≤0.8,
∴0.5≤a<0.75时,甲的综合得分高;
当92(1−a)+87a<89(1−a)+88a时,即有a>,
又0.5≤a≤0.8,
∴0.75<a≤0.8时,乙的综合得分高.
答:当0.5≤a<0.75时,甲的综合得分高,0.75<a≤0.8时,乙的综合得分高.
本题考查的是平均数的求法.同时还考查了解不等式,本题求a的范围时要注意“0.5≤a≤0.8”这个条件.
15、(1)m=90,n=0.3;(2)二;(3)40%.
【解析】
(1)由总数=某组频数÷频率计算出总人数,则m等于总数减去其它组的频数,再由频率之和为1计算n;
(2)由中位数的概念分析;
(3)由获奖率=莸奖人数÷总数计算.
【详解】
(1)总人数=30÷0.15=200人,
m=200﹣30﹣60﹣20=90,
n=1﹣0.15﹣0.45﹣0.1=0.3,
如图:
(2)由于总数有200人,中位数应为第100、101名的平均数,而第一组有30人,第二组有90人,故中位数落在第二组内;
(3)获奖率==40%,
答:获奖率是40%.
本题考查了利用统计图获取信息的能力.同时考查中位数的求法:给定n个数据,按从小到大排序,如果n为奇数,位于中间的那个数就是中位数;如果n为偶数,位于中间两个数的平均数就是中位数.
16、(1),y是x的一次函数;(2)点不在这个函数的图象上.
【解析】
可设,把已知条件代入可求得k的值,则可求得函数解析式,可求得函数类型;
把P点坐标代入函数解析式进行判断即可.
【详解】
解:设,
时,,
,
,
,即,
故y是x的一次函数;
,
当时,,
点P不在这个函数的图象上.
本题主要考查待定系数法求函数解析式,掌握待定系数法的应用步骤是解题的关键.
17、(1)y=-30x+39200(0≤x≤1);(2) 从甲库运往A库1吨粮食,往B库运送30吨粮食,从乙库运往A库0吨粮食,从乙库运往B库80吨粮食时,总运费最省为37100元
【解析】
试题分析:弄清调动方向,再依据路程和运费列出y(元)与x(吨)的函数关系式,最后可以利用一次函数的增减性确定“最省的总运费”.
试题解析:(1)依题意有:若甲库运往A库粮食x吨,则甲库运到B库(100-x)吨,乙库运往A库(1-x)吨,乙库运到B库(10+x)吨.
则,解得:0≤x≤1.
y=12×20x+10×25(100-x)+12×15(1-x)+8×20×[110-(100-x)]
=-30x+39200
其中0≤x≤1
(2)上述一次函数中k=-30<0
∴y随x的增大而减小
∴当x=1吨时,总运费最省
最省的总运费为:-30×1+39200=37100(元)
答:从甲库运往A库1吨粮食,往B库运送30吨粮食,从乙库运往A库0吨粮食,从乙库运往B库80吨粮食时,总运费最省为37100元.
18、 (1)证明见解析(2)四边形AFBE是菱形
【解析】
试题分析:(1)由平行四边形的性质得出AD∥BC,得出∠AEG=∠BFG,由AAS证明△AGE≌△BGF即可;
(2)由全等三角形的性质得出AE=BF,由AD∥BC,证出四边形AFBE是平行四边形,再根据EF⊥AB,即可得出结论.
试题解析:(1)证明:∵四边形ABCD是平行四边形,∴AD∥BC,∴∠AEG=∠BFG,∵EF垂直平分AB,∴AG=BG,在△AGEH和△BGF中,∵∠AEG=∠BFG,∠AGE=∠BGF,AG=BG,∴△AGE≌△BGF(AAS);
(2)解:四边形AFBE是菱形,理由如下:
∵△AGE≌△BGF,∴AE=BF,∵AD∥BC,∴四边形AFBE是平行四边形,又∵EF⊥AB,∴四边形AFBE是菱形.
考点:平行四边形的性质;全等三角形的判定与性质;线段垂直平分线的性质;探究型.
一、填空题(本大题共5个小题,每小题4分,共20分)
19、
【解析】
根据相似三角形的判定及其性质,求出线段DE,MN,BC之间的数量关系,即可解决问题.
【详解】
将的面积三等分,
设的面积分别为
,
,
,
,
故答案为:.
本题考查相似三角形的性质,熟练掌握相似三角形的面积比等于相似比的平方是解决问题的关键.
20、1.
【解析】
试题分析:∵直角三角形的两条直角边长为6,8,∴由勾股定理得,斜边=10.
∴斜边上的中线长=×10=1.
考点:1.勾股定理;2. 直角三角形斜边上的中线性质.
21、
【解析】
关于x、y的二元一次方程组的解即为直线l1:y=mx-2与直线l2:y=x+n的交点P(1,2)的坐标.
【详解】
解:∵直线l1:y=mx-2与直线l2:y=x+n相交于点P(1,2),
∴关于x、y的二元一次方程组的解是.
故答案为.
本题考查了对一次函数与二元一次方程组的关系的理解和运用,主要考查学生的观察图形的能力和理解能力,题目比较典型,但是一道比较容易出错的题目.
22、12
【解析】
结合勾股定理和正方形的面积公式,得字母B所代表的正方形的面积等于其它两个正方形的面积差,又因为正方形的面积=a2开方即可求边长.
【详解】
字母B所代表的正方形的面积=169−25=144
所以字母B所代表的正方形边长a=.
故选12.
本题考查了勾股定理及学生知识迁移的能力.
23、3
【解析】
根据题意将代入二次根式之中,然后进一步化简即可.
【详解】
将代入二次根式可得:
,
故答案为:3.
本题主要考查了二次根式的化简,熟练掌握相关方法是解题关键.
二、解答题(本大题共3个小题,共30分)
24、见解析
【解析】
根据题意首先利用ASA证明,再得出四边形是平行四边形,再利用四边相等来证明四边形是菱形即可.
【详解】
证明:∵,
∴,
∵平分交于点,
∴,
∴,
∴,
∵,
∴,
在和中
,,,
∴,
∴,
∴四边形是平行四边形,
∵,
∴四边形是菱形
此题考查全等三角形的判定与性质,平行四边形的判定,菱形的判定,解题关键在于利用平行线的性质来求证.
25、(1)1200≤x<1400,1400≤x<1600;18人;5%;7.5%.(2)详见解析;(3)大约有338户.
【解析】
(1)、(2)比较简单,读图表以及频数分布直方图易得出答案.
(3)根据(1)、(2)的答案可以分析求解.求出各个分布段的数据即可.
【详解】
(1)根据题意可得出分布是:1200≤x<1400,1400≤x<1600;
1000≤x<1200中百分比占45%,所以40×0.45=18人;
1600≤x<1800中人数有2人,故占=0.05,故百分比为5%.
故剩下1400≤x<1600中人数有3,占7.5%.
(2)
(3)大于1000而不足1600的占75%,故450×0.75=337.5≈338户.
答:居民小区家庭属于中等收入的大约有338户.
本题的难度一般,主要考查的是频率直方图以及考生探究图表的能力.
26、x-3,
【解析】
原式括号内先通分,再算减法,然后进行分式的乘法运算,再把x的值代入化简后的式子计算即可.
【详解】
解:原式=•=•=•=x-3;
当x=3+时,原式=3+-3=.
本题考查了分式的化简求值,熟练掌握分式的混合运算法则是解题的关键.
题号
一
二
三
四
五
总分
得分
A
B
C
D
E
甲
90
92
94
95
88
乙
89
86
87
94
91
“好”票数
“较好”票数
“一般”票数
甲
40
7
3
乙
42
4
4
路程(千米)
运费(元/吨•千米)
甲库
乙库
甲库
乙库
A库
20
15
12
12
B库
25
20
10
8
分组
频数
百分比
600≤x<800
2
5%
800≤x<1000
6
15%
1000≤x<1200
45%
9
22.5%
1600≤x<1800
2
合计
40
100%
2024-2025学年广东省肇庆市怀集县九上数学开学学业水平测试试题【含答案】: 这是一份2024-2025学年广东省肇庆市怀集县九上数学开学学业水平测试试题【含答案】,共24页。试卷主要包含了选择题,填空题,解答题等内容,欢迎下载使用。
2024-2025学年广东省肇庆市名校数学九年级第一学期开学质量检测试题【含答案】: 这是一份2024-2025学年广东省肇庆市名校数学九年级第一学期开学质量检测试题【含答案】,共26页。试卷主要包含了选择题,填空题,解答题等内容,欢迎下载使用。
2024-2025学年福建师范大第二附属中学数学九上开学复习检测试题【含答案】: 这是一份2024-2025学年福建师范大第二附属中学数学九上开学复习检测试题【含答案】,共20页。试卷主要包含了选择题,填空题,解答题等内容,欢迎下载使用。

