高考物理一轮复习讲义专题14.2 变压器 远距离输电(2份打包,原卷版+解析版)
展开物理观念:变压器、远距离输电。
1.知道变压器的工作原理,掌握变压器的特点,并能分析、解决实际问题.
2.理解远距离输电的原理并会计算线路损失的电压和功率.
科学思维:“动态分析方法” “极值法”。
科学探究:传感器的特性及使用。
科学态度:发电机和电动机、电能的输送、生活中各种变压器的应用、传感器的使用。
【讲考点题型】
【知识点一】理想变压器基本规律的应用
1.构造和原理如图
(1)主要构造:由原线圈、副线圈和闭合铁芯组成。
(2)工作原理:电磁感应的互感现象。
2.理想变压器的基本关系式
(1)功率关系:P入=P出。
(2)电压关系:eq \f(U1,U2)=eq \f(n1,n2),若n1>n2,为降压变压器;
若n1<n2,为升压变压器。
(3)电流关系:只有一个副线圈时,eq \f(I1,I2)=eq \f(n2,n1);
有多个副线圈时仍有P入=P出,据P=UI可推出,U1I1=U2I2+U3I3+…+UnIn。
(4)制约关系
= 1 \* GB3 ①电压:副线圈电压U2由原线圈电压U1和匝数比决定.
= 2 \* GB3 ②功率:原线圈的输入功率P1由副线圈的输出功率P2决定.
= 3 \* GB3 ③电流:原线圈的电流I1由副线圈电流I2和匝数比决定.
3.几种常用的变压器
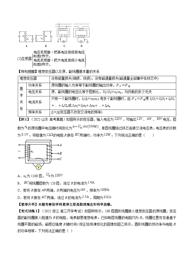
(1)自耦变压器——调压变压器,如图A、B所示。
(2)互感器eq \b\lc\{(\a\vs4\al\c1(电压互感器:把高电压变成低电压, 如图C所示。,电流互感器:把大电流变成小电流, 如图D所示。))
【特别提醒】理想变压器以及原、副线圈基本量的关系
【例1】(2022·山东·高考真题)如图所示的变压器,输入电压为 SKIPIF 1 < 0 ,可输出 SKIPIF 1 < 0 、 SKIPIF 1 < 0 、 SKIPIF 1 < 0 电压,匝数为 SKIPIF 1 < 0 的原线圈中电压随时间变化为 SKIPIF 1 < 0 .单匝线圈绕过铁芯连接交流电压表,电压表的示数为 SKIPIF 1 < 0 。将阻值为 SKIPIF 1 < 0 的电阻R接在 SKIPIF 1 < 0 两端时,功率为 SKIPIF 1 < 0 。下列说法正确的是( )
A.n1为1100匝, SKIPIF 1 < 0 为 SKIPIF 1 < 0
B. SKIPIF 1 < 0 间线圈匝数为120匝,流过R的电流为 SKIPIF 1 < 0
C.若将R接在 SKIPIF 1 < 0 两端,R两端的电压为 SKIPIF 1 < 0 ,频率为 SKIPIF 1 < 0
D.若将R接在 SKIPIF 1 < 0 两端,流过R的电流为 SKIPIF 1 < 0 ,周期为 SKIPIF 1 < 0
【素养升华】本题考察的学科素养主要是物理观念和科学思维。
【变式训练1】(2022·浙江·高三开学考试)如图甲所示,100匝圆形线圈接入理想变压器的原线圈,变压器的副线圈接入阻值为R的电阻,电表都是理想电表。已知每匝线圈的电阻均为R,线圈位置存在垂直于线圈平面的磁场,磁感应强度B随时间t按正弦规律变化的图像如图乙所示,圆形线圈的热功率与电阻R的功率相等。下列说法正确的是( )
A.原、副线圈匝数比 SKIPIF 1 < 0
B. SKIPIF 1 < 0 时刻两电流表示数均为0
C.原副线圈电流周期之比为 SKIPIF 1 < 0
D.对圆形线圈某一小段导线(长度小于周长)而言,当磁感应强度最大时,其受到的安培力最大
【技巧总结】关于理想变压器的四点说明
(1)变压器不能改变直流电压。
(2)变压器只能改变交变电流的电压和电流,不能改变交变电流的频率。
(3)理想变压器本身不消耗能量。
(4)理想变压器基本关系中的U1、U2、I1、I2均为有效值。
【知识点二】理想变压器的动态分析问题
1.理想变压器的制约关系
2.两种情况
【例2】(2022·河北·高三开学考试)如图甲所示的理想变压器,原线圈的输入端所接电压u随时间t的变化关系如图乙所示,副线圈匝数可通过滑片P来调节,原线圈的匝数 SKIPIF 1 < 0 ,当滑片P位于副线圈正中间位置时,额定电压为44V的灯泡正好正常发光,下列说法正确的是( )
A.副线圈的总匝数为8
B.所加的交流电每1s内方向改变50次
C.当滑片P由如图甲所示的位置向上移动,灯泡变暗
D.当滑片P由如图甲所示的位置向下移动,灯泡会烧毁
【素养升华】本题考察的学科素养主要是科学思维。
【变式训练2】(多选)(2022·河南·高三开学考试)如图所示为某水电站输电线路原理图,水电站输出电压稳定的正弦交流电,升至特高压U后向远距离用户供电,总功率为P。用户端理想变压器原、副线圈匝数分别为 SKIPIF 1 < 0 和 SKIPIF 1 < 0 , SKIPIF 1 < 0 为输电线总电阻, SKIPIF 1 < 0 为不断电用户电阻(可视为定值电阻),R为可变用户电阻(可视为可变电阻),电压表和电流表均为理想电表。当可变用户电阻R增大时,下列说法正确的是( )
A.电流表示数将变大
B.电压表示数将变大
C.输电线路上损耗的功率为 SKIPIF 1 < 0
D.对于原线圈回路,虚线框所圈部分的等效电阻为 SKIPIF 1 < 0
【技巧总结】1、分析变压器的动态变化问题的注意事项
(1)要明确变压器的各基本物理量之间的制约关系.
(2)要明确“不变量”和“变化量”,从主动变化量开始,根据制约关系从前到后或从后到前逐一分析各物理量的变化情况.
2、含有变压器的动态电路问题的解题思路
【知识点三】远距离输电
远距离输电问题的“三二二”
1.理清三个回路
2.抓住两个联系
(1)理想的升压变压器联系着回路1和回路2,由变压器原理可得:线圈1(匝数为n1)和线圈2(匝数为n2)中各个量间的关系是eq \f(U1,U2)=eq \f(n1,n2),eq \f(I1,I2)=eq \f(n2,n1),P1=P2.
(2)理想的降压变压器联系着回路2和回路3,由变压器原理可得:线圈3(匝数为n3)和线圈4(匝数为n4)中各个量间的关系是eq \f(U3,U4)=eq \f(n3,n4),eq \f(I3,I4)=eq \f(n4,n3),P3=P4.
3.掌握两种损耗
(1)电压损耗:输电线上的电阻导致的电压损耗,ΔU=U2-U3=I线R线.
(2)功率损耗:输电线上的电阻发热的功率损耗,ΔP=P2-P3=Ieq \\al(2,线)R线.输电线上能量损耗是热损耗,计算功率损耗时用公式ΔP=Ieq \\al(2,线)R线或ΔP=eq \f(ΔU2,R线).
【例3】(多选)(2022·广东·高三开学考试)如图是远距离输电的电路示意图,升压变压器和降压变压器均为理想变压器,升压变压器原副线圈匝数比为 SKIPIF 1 < 0 ,降压变压器原副线圈匝数比为 SKIPIF 1 < 0 ,发电厂输出电压为 SKIPIF 1 < 0 ,输出电功率为P,升压变压器和降压变压器之间输电线总电阻为R,下列说法正确的是( )
A.若用户获得的电压也为 SKIPIF 1 < 0 ,则 SKIPIF 1 < 0 B.用户端并联使用的用电器增多时,输电线上损失的功率增大
C.输电线上损失的电压 SKIPIF 1 < 0 D.降压变压器输出的电功率 SKIPIF 1 < 0
【素养升华】本题考察的学科素养主要是科学思维。
【变式训练3】(2022·安徽·滁州市第四中学高三开学考试)2020年属于不平凡的一年,原本属于全国人民的新春佳节却被一场突如其来的疫情打破了,如今新冠病毒在全国白衣天使和所有工作人员的共同努力下得到了有效的遏制,根据中共中央应对新冠肺炎疫情工作领导小组印发《意见》在有效防控疫情的同时积极有序推进复工复产。为了防止复工复产期间停电事故的发生,某工厂购买了一台应急备用发电机及升压变压器及降压变压器各一台。如图,发电机内阻为1 SKIPIF 1 < 0 ,升压变压器匝数比为1:10,降压变压器匝数比9:1,输电线总电阻R=5 SKIPIF 1 < 0 。工厂共36个车间,每个车间有“220V,22W”灯10盏,若保证全部电灯正常发光,则:
(1)发电机输出功率多大?
(2)发电机电动势多大?
(3)输电的效率是多少?
【规律方法】远距离输电问题的解题技巧
(1)正确画出输电过程示意图,并在图上标出各物理量.
(2)抓住变压器变压前、后各量间的关系,求出输电线上的电流.
(3)计算输电线上的功率损失时常用关系式:ΔP=I2R=(eq \f(P,U))2R.
(4)电网送电遵循“用多少送多少”的原则,说明原线圈电流由副线圈电流决定.理想变压器
没有能量损失(铜损、铁损),没有磁通量损失(磁通量全部集中在铁芯中)
基本关系
功率关系
原线圈的输入功率等于副线圈的输出功率,P入=P出
电压关系
原、副线圈的电压比等于匝数比,U1∶U2=n1∶n2,与负载的多少无关
电流关系
只有一个副线圈时,I1∶I2=n2∶n1;有多个副线圈时,由P入=P出得I1U1=I2U2+I3U3+…+InUn或I1n1=I2n2+I3n3+…+Innn
频率关系
f1=f2(变压器不改变交流电的频率)
制约关系
电压
副线圈电压U2由原线圈电压U1和匝数比决定
功率
原线圈的输入功率P入由副线圈的输出功率P出决定
电流
原线圈电流I1由副线圈电流I2和匝数比决定
匝数比不变的情况
负载电阻不变的情况
(1)U1不变,根据eq \f(U1,U2)=eq \f(n1,n2),输入电压U1决定输出电压U2,可以得出不论负载电阻R如何变化,U2不变
(2)当负载电阻发生变化时,I2变化,根据输出电流I2决定输入电流I1,可以判断I1的变化
(3)I2变化引起P2变化,根据P1=P2,可以判断P1的变化
(1)U1不变,eq \f(n1,n2)发生变化,U2变化
(2)R不变,U2变化,I2发生变化
(3)根据P2=eq \f(U\\al(2,2),R)和P1=P2,可以判断P2变化时,P1发生变化,U1不变时,I1发生变化
新高考物理一轮复习重难点练习专题28 变压器 远距离输电(2份打包,原卷版+解析版): 这是一份新高考物理一轮复习重难点练习专题28 变压器 远距离输电(2份打包,原卷版+解析版),文件包含新高考物理一轮复习重难点练习专题28变压器远距离输电原卷版doc、新高考物理一轮复习重难点练习专题28变压器远距离输电解析版doc等2份试卷配套教学资源,其中试卷共47页, 欢迎下载使用。
新高考物理一轮复习提升练习导学案第43讲 变压器和远距离输电(2份打包,原卷版+解析版): 这是一份新高考物理一轮复习提升练习导学案第43讲 变压器和远距离输电(2份打包,原卷版+解析版),文件包含新高考物理一轮复习提升练习导学案第43讲变压器和远距离输电原卷版doc、新高考物理一轮复习提升练习导学案第43讲变压器和远距离输电解析版doc等2份试卷配套教学资源,其中试卷共35页, 欢迎下载使用。
高考物理一轮复习专题12.2交变电流-变压器和远距离输电(原卷版+解析): 这是一份高考物理一轮复习专题12.2交变电流-变压器和远距离输电(原卷版+解析),共72页。试卷主要包含了理想变压器基本规律的应用,理想变压器的动态分析,两种特殊的变压器模型,远距离输电问题等内容,欢迎下载使用。

