高考物理一轮复习讲义第1章 专题强化二追及相遇问题(含解析)
展开1.追及相遇问题的实质就是分析两物体在相同时间内能否到达相同的空间位置.
2.追及相遇问题的基本物理模型:以甲车追乙车为例.
(1)无论v甲增大、减小或不变,只要v甲
(3)无论v甲增大、减小或不变,只要v甲>v乙,甲、乙的距离不断减小.
3.分析思路
可概括为“一个临界条件”“两个等量关系”.
(1)一个临界条件:速度相等.它往往是物体间能否追上或两者距离最大、最小的临界条件,也是分析、判断问题的切入点;
(2)两个等量关系:时间等量关系和位移等量关系.通过画草图找出两物体的位移关系是解题的突破口.
4.常用分析方法
(1)物理分析法:抓住“两物体能否同时到达空间某位置”这一关键,认真审题,挖掘题目中的隐含条件,建立物体运动关系的情境图.
能否追上的判断方法(临界条件法)
物体B追赶物体A:开始时,两个物体相距x0,当vB=vA时,若xB>xA+x0,则能追上;若xB=xA+x0,则恰好追上;若xB
①若Δ>0,即有两个解,说明可以相遇两次;
②若Δ=0,一个解,说明刚好追上或相遇;
③若Δ<0,无解,说明追不上或不能相遇.
当t=-eq \f(b,2a)时,函数有极值,代表两者距离的最大或最小值.
(3)图像法:在同一坐标系中画出两物体的运动图像.位移-时间图像的交点表示相遇,分析速度-时间图像时,应抓住速度相等时的“面积”关系找位移关系.
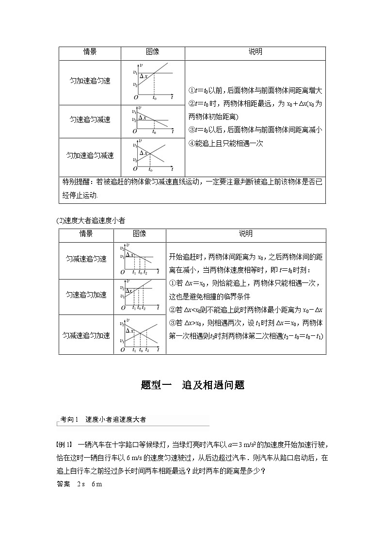
5.常见追及情景
(1)速度小者追速度大者
(2)速度大者追速度小者
题型一 追及相遇问题
考向1 速度小者追速度大者
例1 一辆汽车在十字路口等候绿灯,当绿灯亮时汽车以a=3 m/s2的加速度开始加速行驶,恰在这时一辆自行车以6 m/s的速度匀速驶过,从后边超过汽车.则汽车从路口启动后,在追上自行车之前经过多长时间两车相距最远?此时两车的距离是多少?
答案 2 s 6 m
解析 解法一(分析法):汽车与自行车的速度相等时相距最远,设此时经过的时间为t,两车间的距离为Δx,则有v=at
所以t=eq \f(v,a)=2 s
Δx=vt-eq \f(1,2)at2=6 m.
解法二(极值法):设汽车在追上自行车之前经过时间t两车相距最远,则Δx=vt-eq \f(1,2)at2
代入已知数据得Δx=6t-eq \f(3,2)t2
由二次函数求极值的条件知:t=2 s时,Δx有最大值6 m
所以t=2 s时两车相距最远,为Δx=6 m.
解法三(图像法):自行车和汽车的v-t图像如图所示,由图可以看出,在相遇前,t1时刻两车速度相等,两车相距最远,此时的距离为阴影三角形的面积,
v1=6 m/s
所以有t1=eq \f(v1,a)=eq \f(6,3) s=2 s,
Δx=eq \f(v1t1,2)=eq \f(6×2,2) m=6 m.
例2 汽车A以vA=4 m/s的速度向右做匀速直线运动,发现前方相距x0=7 m处、以vB=10 m/s的速度同向运动的汽车B正开始匀减速刹车直到静止后保持不动,其刹车的加速度大小a=2 m/s2.从刚刹车开始计时.求:
(1)A追上B前,A、B间的最远距离;
(2)经过多长时间A恰好追上B.
答案 (1)16 m (2)8 s
解析 汽车A和B的运动过程如图所示.
(1)当A、B两汽车速度相等时,两车间的距离最远,
即v=vB-at=vA,
触得t=3 s
此时汽车A的位移xA=vAt=12 m
汽车B的位移xB=vBt-eq \f(1,2)at2=21 m
故最远距离Δxmax=xB+x0-xA=16 m.
(2)汽车B从开始减速直到静止经历的时间
t1=eq \f(vB,a)=5 s
运动的位移xB′=eq \f(vB2,2a)=25 m
汽车A在t1时间内运动的位移
xA′=vAt1=20 m
此时相距Δx=xB′+x0-xA′=12 m
汽车A需再运动的时间t2=eq \f(Δx,vA)=3 s
故A追上B所用时间t总=t1+t2=8 s.
[拓展延伸] (1)若某同学应用关系式vBt-eq \f(1,2)at2+x0=vAt,解得经过t=7 s(另解舍去)时A恰好追上B.这个结果合理吗?为什么?
(2)若汽车A以vA=4 m/s的速度向左匀速运动,其后方相距x0=7 m处,以vB=10 m/s的速度同方向运动的汽车B开始匀减速刹车直到静止后保持不动,其刹车的加速度大小为a=2 m/s2,则经过多长时间两车恰好相遇?
答案 见解析
解析 (1)这个结果不合理,因为汽车B运动的时间最长为t=eq \f(vB,a)=5 s<7 s,说明汽车A追上B时汽车B已停止运动.
(2)由位移时间关系公式有:vBt-eq \f(1,2)at2=x0+vAt,解得t1=(3-eq \r(2)) s,t2=(3+eq \r(2)) s.
考向2 速度大者追速度小者
例3 (2022·山东德州市夏津一中开学考试)一汽车在直线公路段上以54 km/h的速度匀速行驶,突然发现在其正前方14 m处有一辆自行车以5 m/s的速度同向匀速行驶.经过0.4 s的反应时间后,司机开始刹车,则:
(1)为了避免相撞,汽车的加速度大小至少为多少?
(2)若汽车刹车时的加速度大小只有4 m/s2,在汽车开始刹车的同时自行车开始以一定的加速度匀加速行驶,则自行车的加速度至少为多大才能保证两车不相撞?
答案 (1)5 m/s2 (2)1 m/s2
解析 (1)设汽车的加速度大小为a,初速度v汽=54 km/h=15 m/s,
初始距离d=14 m
在经过反应时间0.4 s后,汽车与自行车相距d′=d-(v汽-v自)t0=10 m
从汽车刹车开始计时,
自行车的位移为:x自=v自t
汽车的位移为:x汽=v汽t-eq \f(1,2)at2
假设汽车能追上自行车,此时有:
x汽=x自+d′
代入数据整理得:eq \f(1,2)at2-10t+10=0
要保证不相撞,即此方程至多只有一个解,
则:Δ=102-20a≤0,
解得:a≥5 m/s2.
汽车的加速度大小至少为5 m/s2.
(2)设自行车加速度为a′,同理可得:
x汽′=x自′+d′
x自′=v自t+eq \f(a′,2)t2
整理得:(eq \f(1,2)a′+2)t2-10t+10=0
要保证不相撞,即此方程至多只有一个解,
则:Δ′=102-20a′-80≤0
解得:a′≥1 m/s2.
自行车的加速度大小至少为1 m/s2.
考向3 体育赛事中的追及问题
例4 如图所示,在一次接力训练中,已知甲、乙两运动员经短距离加速后都能达到并保持10 m/s的速度跑完全程.设乙从起跑后到接棒前的运动是匀加速运动,加速度大小为3 m/s2.乙在接力区前端
听到口令时起跑,在甲、乙相遇时完成交接棒.在这次练习中,甲以v=10 m/s的速度跑到接力区前端s0=14.0 m处向乙发出起跑口令.已知接力区的长度为L=20 m.
(1)求此次练习中交接棒处离接力区前端(即乙出发的位置)的距离;
(2)为了达到理想成绩,需要乙恰好在速度达到与甲相同时被甲追上,则甲应在接力区前端多远时对乙发出起跑口令?
(3)在(2)中,棒经过接力区的时间是多少?
答案 (1)6 m (2)16.7 m (3)2 s
解析 (1)设乙加速到交接棒处时运动时间为t,
则在甲追及乙过程中有:s0+eq \f(1,2)at2=vt
代入数据得:t1=2 s,t2≈4.67 s(大于乙加速最长时间tm=eq \f(v,a)=eq \f(10,3) s,故舍去)
此次练习中交接棒处离接力区前端的距离为:x=eq \f(1,2)at12=6 m
(2)乙加速时间为:t乙=eq \f(v,a)=eq \f(10,3) s
设甲在距离接力区前端为s时对乙发出起跑口令
则在甲追及乙过程中有:s+eq \f(1,2)vt乙=vt乙
代入数据得:s≈16.7 m
(3)棒在(2)情形下以v=10 m/s的速度运动,
所以有:t′=eq \f(L,v)=2 s.
题型二 图像法在追及相遇问题中的应用
1.x-t图像、v-t图像中的追及相遇问题:
(1)利用图像中斜率、面积、交点的含义进行定性分析或定量计算.
(2)有时将运动图像还原成物体的实际运动情况更便于理解.
2.利用v-t图像分析追及相遇问题:在有些追及相遇情景中可根据两个物体的运动状态作出v-t图像,再通过图像分析计算得出结果,这样更直观、简捷.
3.若为x-t图像,注意交点的意义,图像相交即代表两物体相遇;若为a-t图像,可转化为v-t图像进行分析.
考向1 x-t图像、v-t图像中的追及相遇问题
例5 甲、乙两辆玩具车在同一平直路面上行驶,二者运动的位移-时间图像如图所示,其中乙车的位移-时间图线是关于x轴对称的抛物线的一部分,则下列说法正确的是( )
A.甲车先做匀减速直线运动后做匀速直线运动
B.乙车一定做初速度为零的匀加速直线运动
C.甲车在0~10 s内的平均速度为-1.5 m/s
D.在0~10 s内甲、乙两车相遇两次,且相遇时速度可能相等
答案 B
解析 甲车先做匀速运动后静止不动,选项A错误;乙车的x-t图像为关于x轴对称的抛物线的一部分,由此得位移方程x=-eq \f(1,2)at2,可知乙车做初速度为零的匀加速直线运动,选项B正确;甲车在10 s内的平均速度 v=eq \f(Δx,Δt)=-0.6 m/s,选项C错误;从图像中可知图线相交两次,则两车相遇两次,图线的斜率表示速度,可知两次相遇时甲、乙速度都不同,选项D错误.
例6 (多选)甲、乙两车在平直公路上同向行驶,其v-t图像如图所示.已知两车在t=3 s时并排行驶,则( )
A.在t=1 s时,甲车在乙车后
B.在t=0时,甲车在乙车前7.5 m
C.两车另一次并排行驶的时刻是t=2 s
D.甲、乙车两次并排行驶的位置之间沿公路方向的距离为40 m
答案 BD
解析 根据v-t图像知,甲、乙两车都沿正方向运动.t=3 s时,甲、乙两车并排行驶,此时v甲=30 m/s,v乙=25 m/s,由v-t图线与时间轴所围“面积”对应位移知,0~3 s内甲车位移x甲=eq \f(1,2)×3×30 m=45 m,乙车位移x乙=eq \f(1,2)×3×(10+25) m=52.5 m.故t=0时,甲、乙两车相距Δx1=x乙-x甲=7.5 m,即甲车在乙车前方7.5 m,选项B正确;0~1 s内,x甲′=eq \f(1,2)×1×10 m=5 m,x乙′=eq \f(1,2)×1×(10+15) m=12.5 m,Δx2=x乙′-x甲′=7.5 m=Δx1,说明在t=1 s时甲、乙两车第一次并排行驶,选项A、C错误;甲、乙两车两次并排行驶的位置之间的距离为x=x甲-x甲′=45 m-5 m=40 m,选项D正确.
考向2 利用v-t图像分析追及相遇问题
例7 假设高速公路上甲、乙两车在同一车道上同向行驶.甲车在前,乙车在后,速度均为v0=30 m/s.甲、乙相距x0=100 m,t=0时刻甲车遭遇紧急情况后,甲、乙两车的加速度随时间变化分别如图甲、乙所示.取运动方向为正方向.下列说法正确的是( )
A.t=3 s时两车相距最近
B.t=6 s时两车速度不相等
C.t=6 s时两车距离最近,且最近距离为10 m
D.两车在0~9 s内会相撞
答案 C
解析 由题给图像画出两车的v-t图像如图所示,由图像可知,t=6 s时两车等速,此时距离最近,图中阴影部分面积为0~6 s内两车位移之差,即Δx=x乙-x甲=[eq \f(1,2)×30×3+eq \f(1,2)×30×
(6-3)] m=90 m
1.(多选)如图,直线a和曲线b分别是在平直公路上行驶的汽车a和b的位移-时间(x-t)图线,由图可知( )
A.在时刻t1,a车追上b车
B.在时刻t2,a、b两车运动方向相反
C.在t1到t2这段时间内,b车的速率先减小后增大
D.在t1到t2这段时间内,b车的速率一直比a车大
答案 BC
解析 t1时刻,a、b两车的位置相同,此前a车在前b车在后,此后b车在前a车在后,因此,是b车追上a车.由于x-t图像的斜率表示速度的大小及方向,因此,a车速度不变,做匀速直线运动,b车先做减速运动,速度减至零后又开始反方向做加速运动.t2时刻两图像的斜率一正一负,两车速度方向相反.选项A、D错误,B、C正确.
2.(多选)(2018·全国卷Ⅱ·19)甲、乙两汽车在同一条平直公路上同向运动,其速度—时间图像分别如图中甲、乙两条曲线所示.已知两车在t2时刻并排行驶.下列说法正确的是( )
A.两车在t1时刻也并排行驶
B.在t1时刻甲车在后,乙车在前
C.甲车的加速度大小先增大后减小
D.乙车的加速度大小先减小后增大
答案 BD
解析 t1~t2时间内,甲车位移大于乙车位移,且t2时刻两车并排行驶,则t1时刻甲在乙的后面,A项错误,B项正确;由题图图像的斜率知,甲、乙两车的加速度大小均先减小后增大,C项错误,D项正确.
3.一辆轿车在平直公路的一条车道上以72 km/h的速度匀速行驶,突然发现其正前方120 m处有一辆货车同向匀速前进,于是轿车紧急刹车做匀减速运动,若轿车刹车过程的加速度大小为a=1 m/s2,两车相距最近时,距离为22 m,忽略司机的反应时间,则货车的速度大小为( )
A.21.6 km/h B.18 km/h
C.16 km/h D.12 km/h
答案 A
解析 轿车速度为v轿=72 km/h=20 m/s,设货车速度为v货,当二者速度相等时,距离最近,有t=eq \f(v轿-v货,a);eq \f(v轿+v货,2)t+22 m=v货t+120 m,解得:v货=6 m/s=21.6 km/h,故A正确,B、C、D错误.
4.(多选)两辆汽车在同一直道上以相等的速度v0做同向直线运动,某时刻前车突然熄火做加速度大小为a1的匀减速运动,后车司机经Δt时间后刹车,以大小为a2的加速度做匀减速运动,结果两车同时停下且没有发生碰撞,则在前车熄火前,两车正常行驶时之间距离至少是( )
A.eq \f(v0Δt,2) B.v0Δt
C.eq \f(v02,2)(eq \f(1,a1)+eq \f(1,a2)) D.eq \f(v02,2)(eq \f(1,a1)-eq \f(1,a2))
答案 AD
解析 前车减速到零所需时间为:t1=eq \f(v0,a1),减速通过的位移为:x1=eq \f(v02,2a1),后车在Δt时间内通过的位移为x′=v0Δt,后车减速到零经历的时间为:t2=eq \f(v0,a2),减速通过的位移为:x2=eq \f(v02,2a2),由于两车同时停下且没有发生碰撞,故t1-Δt=t2,x′+x2=x1+s0,联立解得,在前车熄火前,两车正常行驶时之间距离至少是:s0=eq \f(v0Δt,2)或eq \f(v02,2)(eq \f(1,a1)-eq \f(1,a2)),故A、D正确,B、C错误.
5.(多选)甲、乙两物体从同一地点同时开始做直线运动的v-t图像如图所示.根据图像提供的信息可知( )
A.6 s末乙追上甲
B.在乙追上甲之前,甲、乙相距最远为10 m
C.8 s末甲、乙两物体相遇,且离出发点32 m
D.在0~4 s内与4~6 s内甲的平均速度相等
答案 BC
解析 根据题图图像可知,在0~4 s内甲的平均速度eq \x\t(v)1=eq \f(4+8,2) m/s=6 m/s,在4~6 s内甲的平均速度eq \x\t(v)2=eq \f(8+0,2) m/s=4 m/s,D错误;在0~6 s内,甲的位移x甲=eq \x\t(v)1×4 s+eq \x\t(v)2×2 s=32 m,乙的位移x乙=6×4 m=24 m,因此6 s末乙未追上甲,A错误;当两者速度相等时,距离最远,即5 s末距离最远,此时x甲′=eq \f(4+8,2)×4 m+eq \f(4+8,2)×1 m=30 m,x乙′=4×5 m=20 m,最远距离Δx′=x甲′-x乙′=10 m,B正确;6 s以后,甲物体停止运动,因此相遇时,距离出发点32 m,所用时间t=eq \f(x甲,v乙)=eq \f(32,4) s=8 s,C正确.
6.在恶劣天气中,能见度很低,甲、乙两汽车在一条平直的单行道上,甲在前、乙在后同向行驶.某时刻两车司机听到前方有事故发生的警笛提示,同时开始刹车,两车刹车后的v-t图像如图所示,下列说法正确的是( )
A.甲车的加速度大于乙车的加速度
B.若t=24 s时两车未发生碰撞,则此时两车相距最远
C.为避免两车发生碰撞,开始刹车时两车的间距至少为48 m
D.若两车发生碰撞,则可能是在开始刹车24 s以后的某时刻发生的
答案 C
解析 甲车的加速度大小
a1=eq \b\lc\|\rc\|(\a\vs4\al\c1(\f(Δv1,Δt1)))=eq \f(16,48) m/s2=eq \f(1,3) m/s2
乙车的加速度大小a2=eq \b\lc\|\rc\|(\a\vs4\al\c1(\f(Δv2,Δt2)))=eq \f(20,40) m/s2=eq \f(1,2) m/s2
所以甲车的加速度小于乙车的加速度,故A错误;
t=24 s时,两车速度相等,开始时,甲在前、乙在后同向行驶,所以若t=24 s时两车未发生碰撞,则此时两车相距最近,故B错误;
0~24 s内,甲车的位移x1=eq \f(16+8,2)×24 m=288 m
乙车的位移x2=eq \f(20+8,2)×24 m=336 m
两者位移之差Δx=x2-x1=48 m
所以为避免两车发生碰撞,开始刹车时两车的间距至少为48 m,故C正确;
t=24 s时,两车速度相等,若两车速度相等时没有相撞,则速度相等后,甲车的速度比乙车的大,两车不可能相撞,故D错误.
7.台风“烟花”的出现引起多地暴雨,致使高速公路上的司机难以看清前方道路,严重影响道路交通安全.某高速公路同一直线车道上同向匀速行驶的轿车和货车,其速度大小分别为v1=40 m/s、v2=25 m/s,轿车在与货车距离x0=22 m时才发现前方有货车,此时轿车立即刹车,若无其他影响,轿车要经过x=160 m才能停下来.两车均可视为质点.若轿车刹车时货车仍以速度v2匀速行驶,忽略反应时间,通过计算分析两车是否会相撞.
答案 见解析
解析 法1:临界法 对轿车刹车过程有v12=2a1x
解得轿车刹车过程的加速度大小a1=5 m/s2
设从轿车开始刹车经过时间t0两车速度相等,
有v1-a1t0=v2,
解得t0=3 s
此段时间内轿车行驶的距离为x1=v1t0-eq \f(1,2)a1t02
解得x1=97.5 m
货车行驶的距离为x2=v2t0,
解得x2=75 m
因为x1-x2=22.5 m>x0=22 m,
故两车会相撞.
法2:函数法 假设两车在t时刻相撞,由解法1知,两车相撞时,x1′=x2′+x0
即v1t-eq \f(1,2)a1t2=v2t+x0
整理得eq \f(5,2)t2-15t+22=0
这是一个关于时间t的一元二次方程,
Δ=(-15)2-4×eq \f(5,2)×22=5>0,
说明该方程有实数解,即两车会相撞.
法3:图像法 作出两车运动的v-t图像,图中阴影面积Δx表示两车速度相等时的位移差,由图可知Δx=eq \f(1,2)×3×15 m=22.5 m>22 m,说明两车会相撞.
8.一辆值勤的警车停在公路边,当警员发现从他旁边以10 m/s的速度匀速行驶的货车严重超载时,决定前去追赶,经过5.5 s后警车发动起来,并以2.5 m/s2的加速度做匀加速运动,但警车的行驶速度必须控制在90 km/h以内.求:
(1)警车在追赶货车的过程中,两车间的最大距离;
(2)警车发动后要多长时间才能追上货车.
答案 (1)75 m (2)12 s
解析 (1)当两车速度相等时,它们的距离最大,设警车发动后经过t1时间两车的速度相等.
则:t1=eq \f(v1,a)=eq \f(10,2.5) s=4 s
x货=v1eq \b\lc\(\rc\)(\a\vs4\al\c1(t0+t1))=10×(5.5+4) m=95 m
x警=eq \f(1,2)at12=eq \f(1,2)×2.5×42 m=20 m
所以两车间的最大距离
Δx=x货-x警=75 m
(2)警车达到最大速度v=90 km/h=25 m/s所用的时间:
t2=eq \f(v,a)=10 s
此时两车的位移分别为
x警′=eq \f(v2,2a)=eq \f(252,2×2.5) m=125 m
x货′=v1eq \b\lc\(\rc\)(\a\vs4\al\c1(t0+t2))=10×(5.5+10) m=155 m
两车距离
Δx′=x货′-x警′=30 m
警车达到最大速度后做匀速运动,设再经过Δt时间追上货车,
则:Δt=eq \f(Δx′,v-v1)=2 s
所以警车发动后要经过t=t2+Δt=12 s,才能追上货车.
9.(2022·广东汕头市质检)某一长直的赛道上,一辆F1赛车前方200 m处有一安全车正以10 m/s的速度匀速前进,这时赛车从静止出发以2 m/s2的加速度追赶.
(1)求赛车出发3 s末的瞬时速度大小;
(2)求赛车何时追上安全车及追上之前与安全车的最远距离;
(3)当赛车刚追上安全车时,赛车手立即刹车,使赛车以4 m/s2的加速度做匀减速直线运动,则两车再经过多长时间第二次相遇?(设赛车可以从安全车旁经过而不相碰)
答案 (1)6 m/s (2)20 s 225 m (3)20 s
解析 (1)赛车3 s末的速度
v1=a1t1=2×3 m/s=6 m/s.
(2)设经t2时间追上安全车,由位移关系得
v0t2+200 m=eq \f(1,2)a1t22
解得t2=20 s
此时赛车的速度
v=a1t2=2×20 m/s=40 m/s
当两车速度相等时,两车相距最远
由v0=a1t3得两车速度相等时,经过的时间t3=eq \f(v0,a1)=eq \f(10,2) s=5 s
两车最远相距Δs=v0t3+200 m-eq \f(1,2)a1t32
=(10×5+200-eq \f(1,2)×2×52) m=225 m.
(3)假设再经t4时间两车第二次相遇(两车一直在运动)
由位移关系得vt4-eq \f(1,2)a2t42=v0t4
解得t4=15 s
赛车停下来的时间t′=eq \f(v,a2)=eq \f(40,4) s=10 s
所以t4=15 s不合实际,两车第二次相遇时赛车已停止运动.
设再经时间t5两车第二次相遇,应满足eq \f(v2,2a2)=v0t5
解得t5=20 s.情景
图像
说明
匀加速追匀速
①t=t0以前,后面物体与前面物体间距离增大
②t=t0时,两物体相距最远,为x0+Δx(x0为两物体初始距离)
③t=t0以后,后面物体与前面物体间距离减小
④能追上且只能相遇一次
匀速追匀减速
匀加速追匀减速
特别提醒:若被追赶的物体做匀减速直线运动,一定要注意判断被追上前该物体是否已经停止运动.
情景
图像
说明
匀减速追匀速
开始追赶时,两物体间距离为x0,之后两物体间的距离在减小,当两物体速度相等时,即t=t0时刻:
①若Δx=x0,则恰能追上,两物体只能相遇一次,这也是避免相撞的临界条件
②若Δx
匀速追匀加速
匀减速追匀加速
新高考物理一轮复习巩固练习第1章 专题强化练2 追及相遇问题(含详解): 这是一份新高考物理一轮复习巩固练习第1章 专题强化练2 追及相遇问题(含详解),共4页。
新高考物理一轮复习讲义第1章 运动的描述 专题强化一 运动图像 追及相遇问题 (含解析): 这是一份新高考物理一轮复习讲义第1章 运动的描述 专题强化一 运动图像 追及相遇问题 (含解析),文件包含人教版物理九年级全册同步精品讲义153串联和并联原卷版doc、人教版物理九年级全册同步精品讲义153串联和并联教师版doc等2份试卷配套教学资源,其中试卷共35页, 欢迎下载使用。
(新高考)高考物理一轮复习讲义 第1章 专题强化一 运动学图象 追及相遇问题(含解析): 这是一份(新高考)高考物理一轮复习讲义 第1章 专题强化一 运动学图象 追及相遇问题(含解析),共12页。试卷主要包含了三点说明,2 m/s2,0 m/s等内容,欢迎下载使用。

