新高考物理一轮复习分层提升练习专题59 电磁组合场和叠加场中的各类仪器(2份打包,原卷版+解析版)
展开电磁组合场中的各类仪器
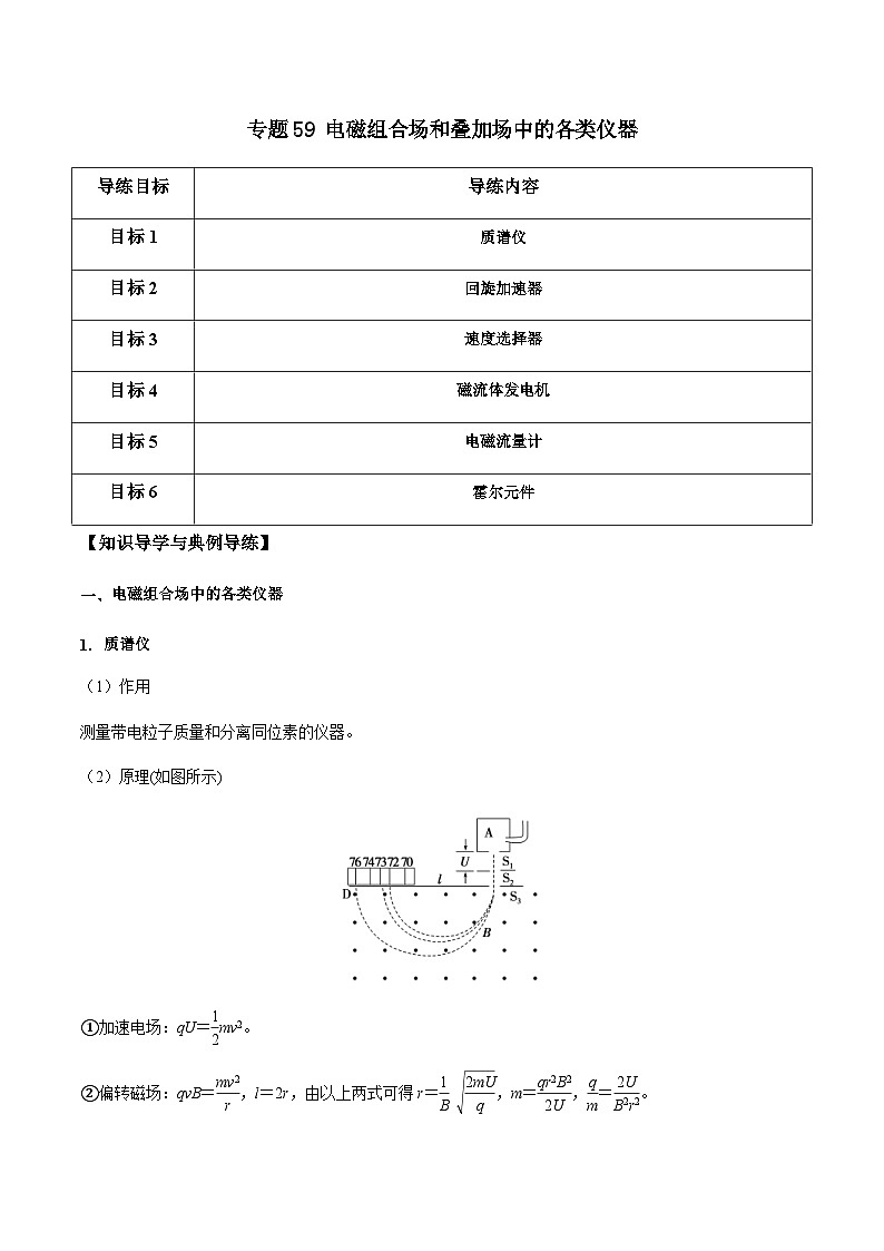
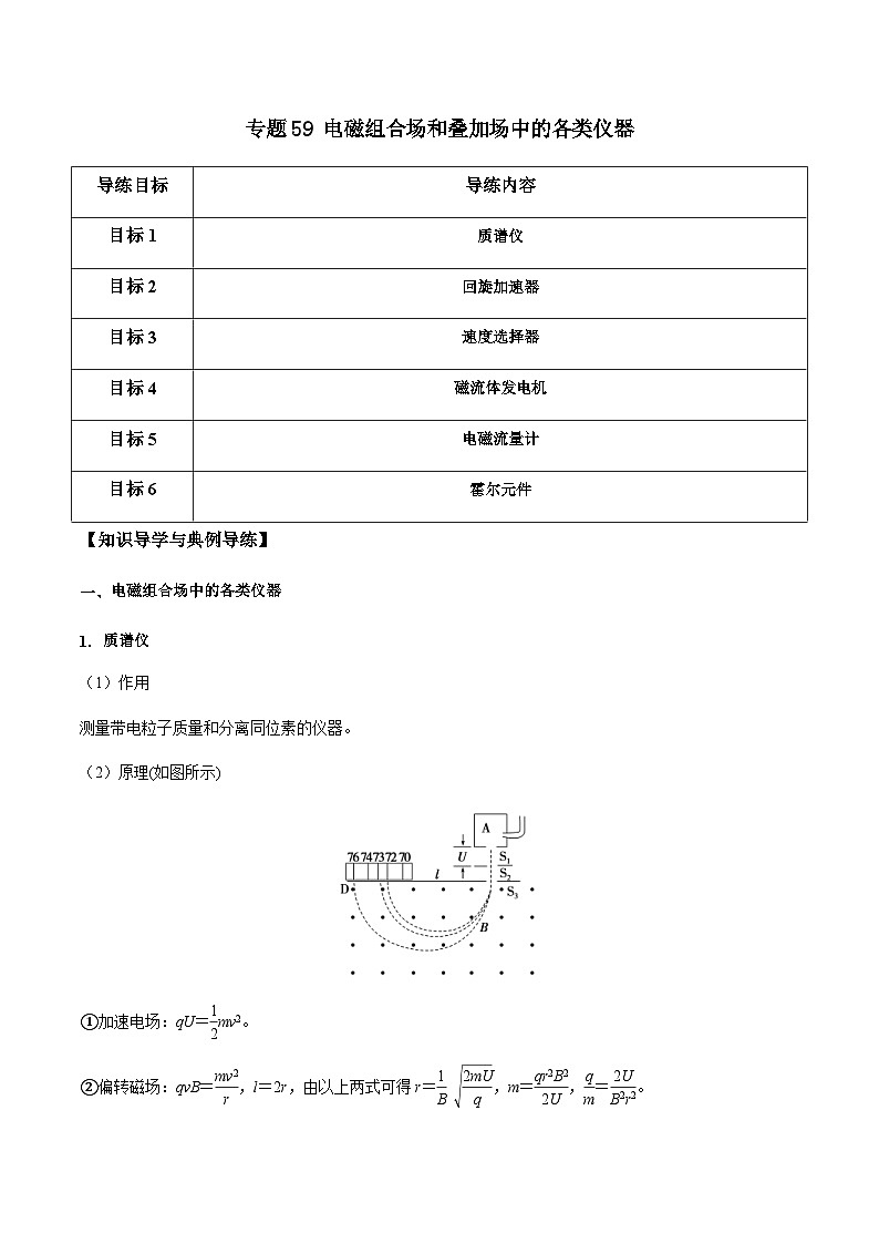
质谱仪
(1)作用
测量带电粒子质量和分离同位素的仪器。
(2)原理(如图所示)
①加速电场:qU= eq \f(1,2) mv2。
②偏转磁场:qvB= eq \f(mv2,r) ,l=2r,由以上两式可得r= eq \f(1,B) eq \r(\f(2mU,q)) ,m= eq \f(qr2B2,2U) , eq \f(q,m) = eq \f(2U,B2r2) 。
【例1】利用质谱仪检测电量相等(4价)的气态C14和C12离子的浓度比,结合C14衰变为N14的半衰期,可以判断古代生物的年龄。如图所示,离子从容器A下方的狭缝S1飘入电场,经电场加速后通过狭缝S2、S3垂直于磁场边界MN射入匀强磁场,磁场方向垂直纸面向里,离子经磁场偏转后发生分离,检测分离后离子的电流强度可得离子的浓度比。测得 SKIPIF 1 < 0 ,则C14和C12的浓度比为( )
A. SKIPIF 1 < 0 B. SKIPIF 1 < 0 C. SKIPIF 1 < 0 D. SKIPIF 1 < 0
回旋加速器
(1)构造
如图所示,D1、D2是半圆形金属盒,D形盒处于匀强磁场中,D形盒的缝隙处接交流电源。
(2)原理
交流电周期和粒子做圆周运动的周期相等,使粒子每经过一次D形盒缝隙,粒子被加速一次。
(3)最大动能
由qvmB= eq \f(mvm2,R) 、Ekm= eq \f(1,2) mvm2得Ekm= eq \f(q2B2R2,2m) ,粒子获得的最大动能由磁感应强度B和盒半径R决定,与加速电压无关。
(4)总时间
粒子在磁场中运动一个周期,被电场加速两次,每次增加动能qU,加速次数n= eq \f(Ekm,qU) ,粒子在磁场中运动的总时间t= eq \f(n,2) T= eq \f(Ekm,2qU) · eq \f(2πm,qB) = eq \f(πBR2,2U) 。
【例2】如图所示为回旋加速器的示意图,用回旋加速器加速某带电粒子时,匀强磁场的磁感应强度为B,高频交流电周期为T。设D形盒半径为R,不计粒子在两极板间运动的时间,则下列说法正确的是( )
A.为了保证粒子在电场中不断被加速,粒子做圆周运动的周期应该为2T
B.被加速的粒子在回旋加速器中做圆周运动的周期随半径的增大而增大
C.增大加速电场的电压,其余条件不变,带电粒子在D形盒中运动的时间变短
D.若只增大交流电源的电压U,则粒子的最大动能将增大
电磁叠加场中的各类仪器
【例3】速度选择器装置如图所示, SKIPIF 1 < 0 为中轴线。一 SKIPIF 1 < 0 粒子( SKIPIF 1 < 0 )以速度 SKIPIF 1 < 0 自O点沿中轴线 SKIPIF 1 < 0 射入恰沿中轴线 SKIPIF 1 < 0 做匀速直线运动。所有粒子均不考虑重力的影响,下列说法正确的是( )
A. SKIPIF 1 < 0 粒子( SKIPIF 1 < 0 )以速度 SKIPIF 1 < 0 自 SKIPIF 1 < 0 点沿中轴线从右边射入也能做匀速直线运动
B.电子( SKIPIF 1 < 0 )以速度 SKIPIF 1 < 0 自O点沿中轴线 SKIPIF 1 < 0 射入,恰沿中轴线 SKIPIF 1 < 0 做匀速直线运动
C.氘核( SKIPIF 1 < 0 )以速度 SKIPIF 1 < 0 自O点沿中轴线 SKIPIF 1 < 0 射入,动能将增大
D.氚核( SKIPIF 1 < 0 )以速度 SKIPIF 1 < 0 自O点沿中轴线 SKIPIF 1 < 0 射入,动能将增大
【例4】如图所示为磁流体发电机的示意图。等离子体高速射入磁场中,由于磁场对等离子体产生力的作用,A、B两板间就会产生电压。若平行板A、B的正对面积为S,板间距离为d,A、B间的磁感应强度为B,等离子体的流速为v,等效电阻率为 SKIPIF 1 < 0 ,与极板相连的外电阻为R,下列说法正确的是( )
A.该发电机A板为负极,B板为正极
B.外电阻两端的电压大小为 SKIPIF 1 < 0
C.稳定时电流表的示数为 SKIPIF 1 < 0
D.仅增加外电阻的阻值,该发电机的输出功率一定增大
【例5】如图为一个电磁泵从血库里向外抽血的结构示意图,长方体导管的左、右表面绝缘,上、下表面为导体,管长为 SKIPIF 1 < 0 、内壁高为 SKIPIF 1 < 0 、宽为 SKIPIF 1 < 0 且内壁光滑。将导管放在垂直左、右表面向右的匀强磁场中,由于充满导管的血浆中带有正、负离子,将上、下表面和电源接通,电路中会形成大小为 SKIPIF 1 < 0 的电流,导管的前后两侧便会产生压强差 SKIPIF 1 < 0 ,从而将血浆抽出,其中 SKIPIF 1 < 0 为血浆流动方向。若血浆的电阻率为 SKIPIF 1 < 0 ,匀强磁场的磁感应强度为 SKIPIF 1 < 0 ,则下列判断正确的是( )
A.此装置中血浆的等效电阻 SKIPIF 1 < 0 B.磁感应强度强弱不影响血浆的外抽速度
C.血浆中正负离子偏转方向相反D.前后两侧的压强差 SKIPIF 1 < 0
【例6】霍尔元件是一种基于霍尔效应的磁传感器,用它可以检测磁场及其变化。如图所示,两块磁性强弱相同的同名磁极正对放置,长方体形的霍尔元件abcd(沿x轴方向的尺寸与空间尺寸相比可忽略)位于两磁极正中间,以其几何中心O为坐标原点建立如图所示的空间坐标系。当霍尔元件沿x轴方向移动到不同位置时,在上、下两面之间将产生不同的电势差(称为霍尔电压),该元件在移动过程中始终平行于 SKIPIF 1 < 0 平面。电流I始终沿 SKIPIF 1 < 0 轴负方向,且大小保持不变,霍尔元件中的载流子为电子。下列说法正确的是( )
A.霍尔元件处于x轴正半轴时,上表面的电势高于下表面的电势
B.霍尔元件从O点沿x轴正方向移动的过程中,霍尔电压逐渐增大
C.在某一位置时,若电流增大,则霍尔电压增大
D.当霍尔元件处于关于O点对称的位置时,产生的霍尔电压相同
【多维度分层专练】
1.如图所示为一种质谱仪的工作原理示意图,此质谱仪由以下几部分构成:离子源、加速电场、静电分析器、磁分析器、收集器。静电分析器通道中心线MN所在圆的半径为R,通道内有均匀辐射的电场,中心线处的电场强度大小为E;磁分析器中分布着方向垂直于纸面、磁感应强度为B的匀强磁场,磁分析器的左边界与静电分析器的右边界平行。由离子源发出一个质量为m、电荷量为+q的离子(初速度为零,重力不计),经加速电场加速后进入静电分析器,沿中心线MN做匀速圆周运动,而后由P点进入磁分析器中,最终经过Q点进入收集器。下列说法正确的是( )
A.磁分析器中匀强磁场的方向垂直于纸面向里
B.加速电场中的加速电压U= SKIPIF 1 < 0 ER
C.磁分析器中轨迹圆心O2到Q点间的距离 SKIPIF 1 < 0
D.任何带正电的离子若能到达P点,则一定能进入收集器
2.质谱仪的工作原理如图所示,大量粒子飘入加速电场,其初速度几乎为0,经过加速后,通过宽为L的狭缝MN沿着与磁场垂直的方向进入匀强磁场中,最后打到照相底片上。在一次测试中,大量的某种粒子经加速电场加速后刚进入匀强磁场时的速度大小均为v,打在底片上的位置到M点的最小距离为 SKIPIF 1 < 0 ,匀强磁场的磁感应强度为B,不考虑粒子的重力及它们之间的相互作用。则( )
A.粒子的比荷为 SKIPIF 1 < 0
B.加速电场的电压为 SKIPIF 1 < 0
C.粒子在磁场中运动的时间为 SKIPIF 1 < 0
D.大量粒子所经过磁场区域最窄处的宽度为 SKIPIF 1 < 0
3.回旋加速器主要结构如图,两个中空的半圆形金属盒接高频交流电源置于与盒面垂直的匀强磁场中,两盒间的狭缝宽度很小。粒子源S位于金属盒的圆心处,产生的粒子初速度可以忽略。现用回旋加速器分别加速两种不同的粒子a、b,a、b的质量之比为1:4,电荷量之比为1:2,已知加速时狭缝间电压大小恒为U,磁场的磁感应强度为B,D形盒的半径为R,狭缝之间的距离为d。不计粒子受到的重力,则( )
A.要使两粒子a、b每经过窄缝都被加速,交变电压的频率相同
B.两粒子a、b所能达到的最大动能不相等
C.两粒子a、b在D盒中第n个半圆的半径之比 SKIPIF 1 < 0
D.两粒子 a、b在达到最大动能的过程中通过狭缝的次数的次数之比2:1
4.美国物理学家劳伦斯于1932年发明了回旋加速器,利用带电粒子在磁场中做圆周运动的特点,使粒子在较小的空间范围内经过电场的多次加速获得较大的能量,由此,人类在获得高能粒子方面前进了一大步。如图所示为一种改进后的回旋加速器示意图,其中盒缝间的加速电场场强大小恒定,且被限制在MN板间,两虚线中间区域无电场和磁场,带正电粒子从P0处以速度v0沿电场线方向射入加速电场,经加速后再进入D形盒中的匀强磁场做匀速圆周运动,下列说法正确的是( )
A.D形盒中的磁场方向垂直于纸面向外
B.加速电场方向需要做周期性的变化
C.增大板间电压,粒子最终获得的最大动能不变
D.粒子每运动一周半径的增加量都相等
5.如图所示,水平放置的平行金属板间存在相互垂直的匀强电场和匀强磁场。一个电荷量为 SKIPIF 1 < 0 、质量为m的粒子(不计重力)以速度v水平向右射入,粒子恰沿直线穿过。下列说法正确的是( )
A.若粒子从右侧水平射入,粒子仍能沿直线穿过
B.若只将粒子的电荷量变为 SKIPIF 1 < 0 ,粒子将向下偏转
C.若只将粒子的电荷量变为 SKIPIF 1 < 0 ,粒子仍能沿直线穿过
D.若只将粒子的速度变为2v且粒子不与极板相碰,则从右侧射出时粒子的电势能减少
6.如图所示为利用海流发电的磁流体发电机的原理示意图,海水中含有大量的正负粒子,并在某些区域具有固定的流动方向。小雨用绝缘防腐材料制成一个横截面为矩形的管道,在管道上、下两个表面装有防腐导电板 SKIPIF 1 < 0 、 SKIPIF 1 < 0 ,板长为 SKIPIF 1 < 0 、宽为 SKIPIF 1 < 0 (未标出),两板间距为 SKIPIF 1 < 0 。小雨将管道沿着海水流动方向固定于海水中,并将小灯泡与两导电板 SKIPIF 1 < 0 、 SKIPIF 1 < 0 连接,理想电压表并联在小灯泡两端,在两导电板间加上垂直于管道前后面且磁感应强度大小为 SKIPIF 1 < 0 的匀强磁场(方向如图)。已知海水的电阻率为 SKIPIF 1 < 0 ,小灯泡的电阻为 SKIPIF 1 < 0 ,粒子重力可忽略不计。当海水以速率 SKIPIF 1 < 0 沿图示方向流动时,下列说法中正确的是( )
A.电路中 SKIPIF 1 < 0 、 SKIPIF 1 < 0 两板间海水的电阻为 SKIPIF 1 < 0
B.电路中 SKIPIF 1 < 0 、 SKIPIF 1 < 0 两板间海水的电阻为 SKIPIF 1 < 0
C.当电压表示数稳定时,电压表示数一定为 SKIPIF 1 < 0
D.当电压表示数稳定时,电压表示数一定为 SKIPIF 1 < 0
7.磁流体发电机是一种把物体内能直接转化为电能的低碳环保发电机,下图为其原理示意图,平行金属板C、D间有匀强磁场,磁感应强度为B,将一束等离子体(高温下电离的气体,含有大量带正电和带负电的微粒)水平喷入磁场,两金属板间就产生电压,定值电阻R0的阻值是滑动变阻器最大阻值的一半,与开关串联接在C、D两端,已知两金属板间距离为d,喷入气流的速度为v,磁流体发电机的电阻为r=R0,则滑动变阻器的滑片P由a向b端滑动的过程中( )
A.金属板C为电源正极,D为电源负极
B.发电机的输出功率一直增大
C.滑动变阻器消耗功率最大值为 SKIPIF 1 < 0
D.电阻R0消耗功率最大值为 SKIPIF 1 < 0
8.如图所示为电磁抽水泵模型,泵体是一个长方体,ab边长为L1,左右两侧面是边长为L2的正方形,在泵体内加入导电剂后,液体的电阻率为ρ,泵体所在处于方向垂直纸面向外的匀强磁场B。工作时,泵体的上下两表面接电压为U的电源(内阻不计)上。若电磁泵和水面高度差为h,理想电流表示数为I,不计水在流动中和管壁之间的阻力,重力加速度为g。在抽水泵正常工作过程中,下列说法正确的是( )
A.泵体上表面应接电源正极
B.电磁泵不加导电剂也能抽取纯水
C.电源提供总的功率为 SKIPIF 1 < 0
D.若t时间内抽取水的质量为m,这部分水离开电磁泵时的动能为UIt-mgh- SKIPIF 1 < 0 t
9.如图甲所示的电磁流速/流量仪是一种为多种行业测量流速/流量的便携式测量仪表,其简化模型如图乙所示,在磁感应强度为 SKIPIF 1 < 0 的匀强磁场中,垂直于磁场方向放一个内径为 SKIPIF 1 < 0 的不导磁管道,当导电液体在管道中以流速 SKIPIF 1 < 0 流动时,导电液体切割磁感线产生电动势,在管道截面上垂直于磁场方向的直径两端安装一对电极,该电动势被信号电极采集,通过测量电压的仪表放大转换实现流速的测量,也可以实现流量(单位时间内流经某一段管道的流体体积)的测量。则关于电磁流速/流量仪的说法正确的是( )
A.测量电压仪表 SKIPIF 1 < 0 端的电势高于 SKIPIF 1 < 0 端的电势
B.稳定时信号电极采集到的电势差与流速 SKIPIF 1 < 0 大小成反比
C.仪表盘如果是刻度盘,流速/流量刻度都是均匀的
D.流量的测量值与电磁流速/流量仪管道的长度成正比
10.由金属导体薄片制成的霍尔元件,其几何尺寸如图所示,在薄片的垂直面上施加一磁感应强度为B的匀强磁场,在薄片的左、右两侧接有c、d两电极,在薄片的上、下两面接有a、b两电极。当c、d两电极通过控制电流I时,薄片的上、下两面将出现霍尔电压UH,霍尔元件的灵敏度KH定义为霍尔元件在单位磁感应强度和单位控制电流下霍尔电压的大小。在实际操作中,由于a、b两电极不完全对称,而是沿cd方向有一个很小的距离偏差(a在左,b在右),从而使得霍尔电压UH与a、b两电极间的电压有一个微小的差值ΔU。某次测量中,当由c到d的电流大小为I,磁感应强度为B且方向垂直纸面向里时,a、b两电极间的电压为U1;当保持I和B的大小不变,仅使磁场方向反向时,a、b两电极间的电压为U2。下列判断正确的是( )
A.L1越小,KH越大B.L2越小,KH越大
C. SKIPIF 1 < 0 D. SKIPIF 1 < 0
11.生活中可以通过霍尔元件来测量转动物体的转速。如图,在一个圆盘边缘处沿半径方向等间隔地放置四个小磁铁,其中两个N极向外,两个S极向外。在圆盘边缘附近放置一个霍尔元件,其尺寸如图所示。当电路接通后,会在a、b两端产生电势差(霍尔电压),当圆盘转动时,电压经电路放大后得到脉冲信号。已知脉冲信号的周期为T,若忽略感应电动势的影响,则( )
A.盘转动的转速为 SKIPIF 1 < 0
B.改变乙图中的电源正负极,不影响 SKIPIF 1 < 0 间电势差的正负
C.脉冲信号的最大值与霍尔元件的左右宽度L无关
D.圆盘转到图示位置时,如果a点电势高,说明霍尔元件中定向移动的电荷带负电导练目标
导练内容
目标1
质谱仪
目标2
回旋加速器
目标3
速度选择器
目标4
磁流体发电机
目标5
电磁流量计
目标6
霍尔元件
装置
原理图
规律
共性规律
速度选
择器
若qv0B=Eq,即v0= eq \f(E,B) ,粒子做匀速直线运动
稳定平衡时电荷所受电场力和洛伦兹力平衡,即q eq \f(U,d) =qvB
磁流体
发电机
等离子体射入,受洛伦兹力偏转,使两极板带正、负电荷,两极板间电压为U时稳定,q eq \f(U,d) =qv0B,U=v0Bd
电磁流
量计
当自由电荷所受电场力和洛伦兹力平衡时,a、b间的电势差(U)达到最大,由q eq \f(U,d) =qvB,可得v= eq \f(U,Bd)
霍尔
元件
当自由电荷所受电场力和洛伦兹力平衡时,b、a间的电势差(U)就保持稳定,由qvB=q eq \f(U,d) ,可得U=vBd
新高考物理一轮复习分层提升练习专题07 重力和弹力(2份打包,原卷版+解析版): 这是一份新高考物理一轮复习分层提升练习专题07 重力和弹力(2份打包,原卷版+解析版),文件包含新高考物理一轮复习分层提升练习专题07重力和弹力原卷版doc、新高考物理一轮复习分层提升练习专题07重力和弹力解析版doc等2份试卷配套教学资源,其中试卷共24页, 欢迎下载使用。
新高考物理三轮冲刺练习秘籍12 带电粒子在叠加场 组合场 复合场中的综合运动问题(2份打包,原卷版+解析版): 这是一份新高考物理三轮冲刺练习秘籍12 带电粒子在叠加场 组合场 复合场中的综合运动问题(2份打包,原卷版+解析版),文件包含新高考物理三轮冲刺秘籍12带电粒子在叠加场组合场复合场中的综合运动问题原卷版doc、新高考物理三轮冲刺秘籍12带电粒子在叠加场组合场复合场中的综合运动问题解析版doc等2份试卷配套教学资源,其中试卷共51页, 欢迎下载使用。
高考物理一轮复习讲练测(全国通用)10.3带电粒子在组合场、叠加场中的运动(讲)(原卷版+解析): 这是一份高考物理一轮复习讲练测(全国通用)10.3带电粒子在组合场、叠加场中的运动(讲)(原卷版+解析),共36页。

