所属成套资源:小升初数学知识训练
小升初数学知识训练之解决问题复习练:整式加减运算的实际应用
展开
这是一份小升初数学知识训练之解决问题复习练:整式加减运算的实际应用,共7页。试卷主要包含了填写答题卡的内容用2B铅笔填写,提前 xx 分钟收取答题卡等内容,欢迎下载使用。
考试时间:* *分钟 满分:* *分
姓名:____________ 班级:____________ 学号:____________
*注意事项:
1、填写答题卡的内容用2B铅笔填写
2、提前 xx 分钟收取答题卡
第Ⅰ卷 客观题
第Ⅰ卷的注释
一、选择题(共10题)
1. 某学校图书馆周三下午有位同学,七年级组织位同学来图书馆阅读,后来有位同学因上课要离开,那么图书馆内还剩下的同学数为( )
A . B . C . D .
2. 小明爸爸的服装店经销一种服装,进货价为每件a元,小明爸爸先将进货价提高80%进行标价,销售情况不够理想.元旦前夕小明爸爸决定进行降价销售,按标价的七折销售,结果全部售出那么元旦卖出的服装每件( )
A . 比进货价便宜了元 B . 比进货价高了元 C . 比进货价便宜了元 D . 与进货价相同
3. 某初中七年级学生人数为a人,八年级人数比七年级人数的多10人,九年级人数比八年级人数的2倍少60人,用含a的式子表示这个学校的总人数(单位:人)为( )
A . B . C . D .
4. 某商店在甲批发市场以每盒m元的进价购进40盒中性笔,又在乙批发市场以每盒n元()的进价购进同样的60盒中性笔,如果该商店以每盒元的售价卖出这种中性笔,卖完后,这家商店( )
A . 盈利了 B . 亏损了 C . 不盈不亏 D . 盈亏不能确定
5. 小明在超市买回若干个相同的纸杯,他把纸杯整齐地叠放在一起.如图①,3个纸杯的高度为11cm , 如图②,5个纸杯的高度为13cm , 若把n个这样的杯子叠放在一起,高度为( )cm
A . n+10 B . n+8 C . 2n+5 D . 2n+3
6. 两艘船从同一港口出发,甲船顺水而下,乙船逆水而上,已知两船在静水中的速度都是45km/h,水流速度是akm/h,1h后两船相距( )km.
A . 90 B . 4a C . 2a D . 180
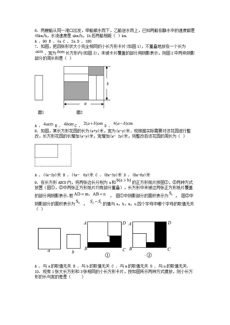
7. 如图,把四张形状大小完全相同的小长方形卡片(如图1),不重叠地放在一个长为、宽为长方形内(如图2),未被卡片覆盖的部分用阴影表示,则图2中两块阴影部分的周长和是( )
A . B . C . D .
8. 如图,某长方形花园的长为(x+y)米,宽为(x-y)米.现根据实际需要对该花园进行整改,长方形花园的长增加(x-y)米,宽增加(x- 2y)米,则整改后该花园的周长为( )
A . (4x-3y)米 B . (4x- 6y)米 C . (8x-3y)米 D . (8x-6y)米
9. 在长方形ABCD内,将两张边长分别为a和的正方形纸片按图①,②两种方式放置(图①,②中两张正方形纸片均有部分重叠),长方形中未被这两张正方形纸片覆盖的部分用阴影表示.若 , 图①中阴影部分的面积表示为 , 图②中阴影部分的面积表示为 , 的值与a,b,m,n四个字母中哪个字母的取值无关( )
A . 与a的取值无关 B . 与b的取值无关 C . 与m的取值无关 D . 与n的取值无关.
10. 现有1张大长方形和3张相同的小长方形卡片,按如图所示两种方式摆放,则小长方形的长与宽的差是( )
A . a-b B . C . D .
二、填空题(共5题)
11. 2022年11月3 日,中国空间站“T”字基本构型在轨组装完成,“T”寓意:睿智,卓越.图1是用长方形纸板做成的四巧板(已知线段长度如图所示),用它拼成图2的“T”字型图形,则“T”字型图形的周长为____________________.(用含m,n的式子表示)
12. 一辆客车上原有人,中途下车一半人数,又上车若干人,这时车上共有人.则中途上车的乘客是人____________________.
13. 现有三堆棋子,数目相等,每堆至少有4枚. 从左堆中取出3枚放入中堆,从右堆中取出4枚放入中堆,再从中堆中取出与左堆剩余棋子数相同的棋子数放入左堆,这时中堆的棋子数是____________________枚.
14. 如图, 由一块正方形地和一块长方形地组成的花园,分别以正方形的边长为半径画圆弧,以长方形的长为直径画圆弧,如图所示.园艺师准备在阴影部分种花,则阴影部分的种植面积为____________________平方米?(用含a的代数式表示,结果保留π).
15. 一件商品每件成本元,原来按成本价增加22%定出价格,现在由于库存积压减价,按原价打八五折出售,现在每件可以盈利____________________元.
第Ⅱ卷 主观题
第Ⅱ卷的注释
三、解答题(共9题)
16. 有一个关于猜数的游戏如下:游戏甲方把自己的出生月份数乘2,加10,把所得的和乘5,再加上他家的人口数(小于10),将结果告诉游戏乙方,乙方就能猜出甲方出生的月份和他家的人口数.
你能用代数式的知识来解释这个游戏的原理吗?
17. A、B、C.D四个车站的位置如图所示,车站B距车站A、D的距离分别为、 , 车站C与车站D的距离为 . 其中a,b是不为0的实数.
(1) 求B、C两站之间的距离(用含a、b的代数式表示).
(2) 若B、D两个车站之间的距离比A、B两个车站之间的距离长8km,求出B、C两个车站相距多少km?
18. 绿源超市销售茶壶、茶杯,茶壶每只定价50元,茶杯每只定价6元.春节期间,超市将开展促销活动,向顾客提供两种优惠方案:
方案一:每买一只茶壶就赠一只茶杯;
方案二:茶壶和茶杯都按定价的90%付款.
某顾客计划到该超市购买茶壶8只和茶杯x只(茶杯数多于8只).
(1) 用含x的代数式分别表示方案一与方案二各需付款多少元?
(2) 当时,请通过计算说明该顾客选择上面的两种购买方案哪种更省钱?
19. 如图是由正奇数排成的数阵:
(1) 请计算图中“工”形框中七个数的和是中间数45的几倍;
(2) 在数阵中任意做一个这样的“工”形框,(1)中的关系是否仍成立?并写出理由;
(3) 用这样的“工”形框能框出和为2023的七个数吗?如果能,求出这七个数中间的数;如果不能,请写出理由.
20. 如图,某公园有一块长为米,宽为米的长方形土地,现将三面留出宽都是米的小路,余下的部分设计成花圃种植名贵花草,并用篱笆把四周围起来.
(1) 用代数式表示所用篱笆的总长度;
(2) 当 , 时,求所用篱笆的总长度.
21. 学校体育室有两个球筐,已知甲筐内的球比乙筐内球的个数的3倍还多5个.现进行如下操作:第一次,从甲筐中取b球放入乙筐:第二次,又从甲筐取出若干个球放入乙筐,这次取出的球的个数是第一次操作后乙筐内球的个数的2倍.若设乙筐内原来有a个球,两次操作后,某同学将甲、乙两筐内球的个数整理如表:
(1) 在表格中,①处代数式为 ____________________,②处代数式为 ____________________;(用含a、b的式子表示)
(2) 当a=4,b=2时,第二次操作后,甲筐比乙筐内球的个数多还是少,多或少几个球?
22. 做大小两个长方体纸盒,尺寸如下(单位:cm):
(1) 1个小纸盒的表面积是____________________cm2 , 1个大纸盒的表面积是____________________cm2(用含a,b,c的式子表示);
(2) 求做这样的2个小纸盒和1个大纸盒共用料多少平方厘米?(用含a,b,c的式子表示)
(3) 求做这样的1个大纸盒比做这样的1个小纸盒多用料多少平方厘米?(用含a,b,c的式子表示)
23. 近年来,电商多选择在11月11日促销.今年的促销期间,某电商客服在为买家包装商品时用到长、宽、高分别为a厘米、b厘米、c厘米的箱子,并发现有如图所示的乙两种打包方式(打包带不计接头处的长).回答下列问题:
(1) 用含a,b, c的式子表示甲、乙两种打包方式所用的打包带的长度:
甲需要____________________厘米,乙需要____________________厘米;
(2) 当a=50厘米,b=40厘米,c=30厘米时,直接写出甲、乙两种打包方式所用的打包带的长度:甲需要____________________厘米,乙需要____________________厘米;
(3) 当a>b>c时,两种打包方式中,哪种方式节省打包带?并说明你的理由.
24. 当你记不住九九乘法表中乘9的口诀是,你可以进行如下的操作:例如,伸出两只手,做运算时,如图,从左手开始数4下,数到第4根手指向下弯.这时,如图1该手指左边有3根手指,右边有6根手指,可得36,即 . 类似的,做运算时,从左手开始数8下,数到第8根手指向下弯,这时,该手指左边有7根手指,右边有2根手指,可得72,即 .
(1) 在计算时,从左手开始数,数到第____________________根手指向下弯下,这时,该手指左边有____________________根手指,右边有____________________根手指;
(2) 将问题一般化,我们可以解决( , 且为整数)的问题.从左手开始数下,数到第根手指向下弯,此时该手指左边有____________________根手指,右边有____________________根手指,由此即可得____________________;
(3) 小郭同学在研究的过程中发现,若是一个特殊两位数时,如等,当这样的两位数与9相乘时,也能够通过指算法求解.如图2是的指算法过程,假设是这个两位数的个位数字,请用含有的等式表示上述规律,并说明它的正确性. 题号
一
二
三
评分
阅卷人
得分
阅卷人
得分
阅卷人
得分
球的个数/
操作前后
甲筐内球的个数
乙筐内球的个数
操作前
①
a
第一次操作后
3a﹣b+5
a+b
第二次操作后
②
3a+3b
长
宽
高
小纸盒
a
b
c
大纸盒
1.5a
2b
2c
相关试卷
这是一份小升初数学知识训练之计算复习练:百分数口算,共2页。试卷主要包含了填写答题卡的内容用2B铅笔填写,提前 xx 分钟收取答题卡等内容,欢迎下载使用。
这是一份小升初数学知识点精讲(比和比例实际问题)课件PPT,共14页。PPT课件主要包含了重点透视,●重点1,按比例分配,●重点4,源题解析,●题1,○题2,正确解答等内容,欢迎下载使用。
这是一份小学奥数训练题之奇偶数与加减运算(无答案),共5页。试卷主要包含了有一排树,每两棵间的距离为1米等内容,欢迎下载使用。

