2024年甘肃省临夏州中考化学真题(无答案)
展开Cl-35.5 Ca-40
一、选择题(本题包括10小题,1~5小题,每题1分,6~10小题,每题2分,共15分。每小题只有一个选项符合题意)
1.让非遗文化“动”起来、“火”起来,为扩大非遗文化在青少年中的影响,临夏县积极组织开展非遗文化进校园活动。下列非遗文化作品制作过程中涉及化学变化的是( )
A.酸河州黄酒B.刻河州砖雕C.绘河州彩陶D.捏河州泥塑
2.2024年六五环境日的主题为“全面推进美丽中国建设”,以下做法不符合这一主题的是( )
A.坚持绿色出行,践行低碳生活B.积极植树造林,加快三北防护林建设
C.加高烟囱,减少大气污染物排放D.禁止工业废水直接排放,防止水体污染
3.化学与人类的健康密切相关。下列有关说法正确的是( )
A.严重缺钙会得甲状腺肿大B.人体缺铁会引起贫血症
C.霉变大米淘洗后可食用D.用甲醛溶液浸泡海产品延长保质期
4.分类是化学学习和研究的常用方法,下列分类正确的是( )
A.有机合成材料:聚乙烯塑料、羊毛B.碱:纯碱、烧碱
C.有机物:碳酸、甲烷D.化石燃料:煤、石油
5.市售加碘盐是在食盐中加入一定量的碘酸钾(化学式为),其中碘元素的化合价为( )
A.+5B.+3C.+1D.-1
6.如图所示是某同学配制一定质量分数的氯化钠溶液的部分实验操作,其中错误的是( )
A.取用B.称量C.量取D.溶解
7.大河家鸡蛋皮核桃是临夏州特产之一,富含叶酸和维生素等营养物质。下列有关叶酸的说法正确的是( )
A.叶酸属于氧化物
B.叶酸由19个碳元素、19个氢元素、7个氮元素和6个氧元素组成
C.叶酸中碳、氢、氮、氧四种元素质量比为
D.叶酸中氢元素的质量分数最小
8.推理是学习化学时常用的一种科学思维,下列说法中错误的是( )
A.酸雨的pH<7,但pH<7的雨水不一定是酸雨
B某物质在氧气中燃烧生成SO2,该物质组成中一定含硫元素
C.溶液具有均一性、稳定性,但均一、稳定的液体不一定是溶液
D燃烧伴随着发光、放热现象,所以有发光、放热现象的变化一定是燃烧
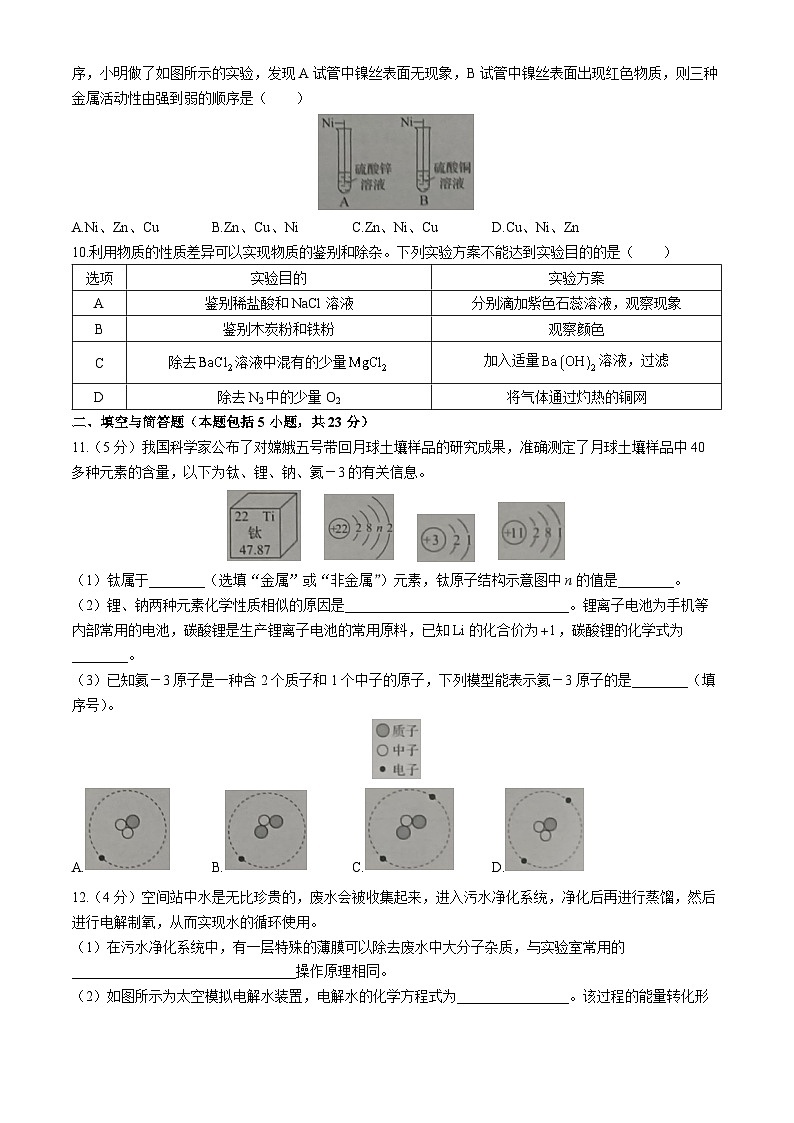
9.金属镍在制造钱币、不锈钢、催化剂等方面有着广泛的应用。为探究镍(Ni)、锌、铜的金属活动性顺序,小明做了如图所示的实验,发现A试管中镍丝表面无现象,B试管中镍丝表面出现红色物质,则三种金属活动性由强到弱的顺序是( )
A.Ni、Zn、CuB.Zn、Cu、NiC.Zn、Ni、CuD.Cu、Ni、Zn
10.利用物质的性质差异可以实现物质的鉴别和除杂。下列实验方案不能达到实验目的的是( )
二、填空与简答题(本题包括5小题,共23分)
11.(5分)我国科学家公布了对嫦娥五号带回月球土壤样品的研究成果,准确测定了月球土壤样品中40多种元素的含量,以下为钛、锂、钠、氦-3的有关信息。
(1)钛属于________(选填“金属”或“非金属”)元素,钛原子结构示意图中n的值是________。
(2)锂、钠两种元素化学性质相似的原因是________________________________。锂离子电池为手机等内部常用的电池,碳酸锂是生产锂离子电池的常用原料,已知Li的化合价为,碳酸锂的化学式为________。
(3)已知氦-3原子是一种含2个质子和1个中子的原子,下列模型能表示氦-3原子的是________(填序号)。
A.B.C.D.
12.(4分)空间站中水是无比珍贵的,废水会被收集起来,进入污水净化系统,净化后再进行蒸馏,然后进行电解制氧,从而实现水的循环使用。
(1)在污水净化系统中,有一层特殊的薄膜可以除去废水中大分子杂质,与实验室常用的________________________________操作原理相同。
(2)如图所示为太空模拟电解水装置,电解水的化学方程式为________________。该过程的能量转化形式为________________________________。
(3)自然界天然水循环是通过水的三态变化实现的。水蒸发为水蒸气,其体积变大。从微观角度解释其原因是________________________________________________。
13.(4分)青盐是以盐湖卤水为原料在盐田中晒制而成的盐。盐中除NaCl外,还含有、等,三种物质的溶解度曲线如图所示。
(1)盐湖卤水晒盐后的母液是氯化钠的________(选填“饱和”或“不饱和”)溶液。
(2)40℃时,把加入100g水中,所得溶液质量是________g。
(3)将70℃时三种物质的饱和溶液降温到0℃,所得溶液溶质的质量分数由大到小的顺序是________。
(4)氯化钠中含有少量硫酸镁,若要提纯氯化钠,可采用的方法是_________________。
14.(5分)浩如烟海的中国古代典籍中记录了许多化学知识,展示了中国古代人民的智慧。
(1)《吕氏春秋·别类》记载有“金(指铜)柔锡柔,合两柔则为刚”,表明铜锡合金的硬度比纯铜________(填“大”或“小”)
(2)在西晋史学家陈寿所著的《三国志》中,有“乃取蒙冲斗舰数十艘,实以薪草,膏油灌其中……(黄)盖放诸船,同时发火。时风盛猛,悉延烧岸上营落”的描述。从燃烧条件分析,薪草属于________。为防止引发火灾,可用泥土覆盖在灰烬和燃着的薪草上,从灭火原理分析,主要利用________来达到灭火的目的。
(3)《天工开物》记载古代炼铁工艺:“凡铁一炉载土(铁矿石)二千余斤……或用煤炭……扇炉风箱必用四人……土化成铁……”现代工业用一氧化碳还原赤铁矿(主要成分为氧化铁)炼铁,其反应原理是________________(写化学方程式)。
(4)西汉古籍《淮南万毕术》中有“曾青得铁则化为铜”这样的记载,从而实现“铁上包铜”,防止铁的锈蚀。其反应的微观示意图如图所示,该反应过程中发生变化的微观粒子是________________________________________。
15.(5分)A~1是初中化学常见的物质,它们之间的相互转化关系如图所示(部分生成物及反应条件已略去,假设每步反应均恰好完全反应),已知A为酒精,G俗称苛性钠,I为石灰石的主要成分。
请回答下列问题:
(1)I的化学式是________________。
(2)反应②的化学方程式为________________,写出F的一种用途:________________。
(3)写出反应③的化学方程式:________________________________________。
(4)反应④的基本反应类型为________________________。
三、实验与探究题(本题包括2小题,共16分)
16.(8分)化学是以实验为基础的科学,实验是科学探究的重要手段。
(1)高锰酸钾、过氧化氢、过碳酸钠可以作为化学制氧剂是因为________。
(2)写出用高锰酸钾制取氧气的化学方程式:________________,若用C装置收集氧气,气体从________(选填“a”或“b”)端进入。
(3)实验室用A装置制取干燥而纯净的CO2,应选择的药品是________(填药品名称),装置连接的顺序为A→________→________→C(填字母序号)。
(4)过碳酸钠溶于水会分解生成碳酸钠和过氧化氢,是很好的固体氧释放剂。学习小组同学设计对比实验探究过碳酸钠的制氧原理(如下图),实验中观察到:①中迅速产生大量气泡:②中缓慢产生少量气泡。验证①中产生的气体的方法是________,小夏认为对比实验即可证明二氧化锰起催化作用,同学们对小夏的结论提出疑问,理由是______________。
17.(8分)化学兴趣小组的同学以中和反应的实验为主题进行探究活动,邀请你一起参与。
【发现问题】
取一定量氢氧化钾溶液于试管中,向其中加入一定量稀硫酸,发现无明显现象,那么稀硫酸和KOH溶液是否发生了化学反应?
【分析讨论】
(1)同学们讨论后认为,可以用两种思路探究上述反应是否发生。
思路Ⅰ:验证反应物减少或消失;
思路Ⅱ:验证有________________。
(2)甲同学向实验的剩余溶液中(如图2所示)滴加酚酞溶液,溶液为________色,结论是稀硫酸和KOH溶液发生了化学反应,判断依据是溶液中________(填离子符号)一定被完全消耗了。
图1 图2
【猜想与假设】
(3)乙同学对剩余溶液的溶质成分作出如下猜想:
猜想一:只有;猜想二:有和;猜想三:有和KOH。
根据甲同学的实验,猜想________一定错误。
【进行实验】
(4)为验证猜想,同学们选用粉末、溶液,进行如下探究并完善表格。
【实验结论】通过探究,同学们一致确定猜想二是正确的。
【评价与反思】
(5)分析上述反应,说明稀硫酸能与金属氧化物、某些碱和某些________反应。
(6)丙同学针对上述方案提出疑问,认为方案二是不合理的,理由________________(用化学方程式表示)。
(7)丁同学认为方案一中的粉末可以用铁粉代替,也能得到同样的实验结论,其化学方程式为________________________。
四、计算题(本题包括1小题,共6分)
18.化学兴趣小组为测定某纯碱样品(除氯化钠外不含其他杂质)中碳酸钠含量,称取该纯碱样品12g,充分溶解于水配制成110g溶液,向该溶液中加入100g氯化钙溶液,恰好完全反应后,溶液质量减少10g。求:
(1)该样品中碳酸钠的质量分数(结果精确到0.1%)。
(2)反应后所得溶液中溶质的质量分数。
选项
实验目的
实验方案
A
鉴别稀盐酸和NaCl溶液
分别滴加紫色石蕊溶液,观察现象
B
鉴别木炭粉和铁粉
观察颜色
C
除去溶液中混有的少量
加入适量溶液,过滤
D
除去N2中的少量O2
将气体通过灼热的铜网
实验方案
实验操作
实验现象
实验结论
方案一
________
猜想二正确
方案二
产生白色沉淀
猜想二正确
2024年甘肃省临夏州中考化学真题: 这是一份2024年甘肃省临夏州中考化学真题,共2页。
[化学]2024年甘肃省武威市、嘉峪关市、临夏州中考化学真题(图片版,含答案): 这是一份[化学]2024年甘肃省武威市、嘉峪关市、临夏州中考化学真题(图片版,含答案),共7页。
2024年中考真题:甘肃省武威市、嘉峪关市、临夏州化学试题: 这是一份2024年中考真题:甘肃省武威市、嘉峪关市、临夏州化学试题,共6页。

