新高考浙江版2025届高考物理一轮总复习训练第4单元6探究向心力大小与半径角速度质量的关系(人教版)
展开(1)在研究向心力的大小F与质量m、角速度ω和半径r之间的关系时我们主要用到了物理学中的 方法(填选项前的字母);
A.理想实验法
B.等效替代法
C.控制变量法
D.演绎法
(2)实验中某同学把两个质量相等的钢球放在A、C位置,皮带所连接的左、右变速塔轮的半径之比为3∶1,转动手柄,观察左右标出的刻度,回答下列两个问题:
①该操作过程可用来探究向心力大小F与 (填选项前的字母);
A.质量m的关系
B.半径r的关系
C.角速度ω的关系
②该同学准确操作实验,则在误差允许范围内,标尺上的等分格显示出左、右两个小球所受向心力之比为 。
2.(2023浙江东阳高三三模)某班级同学在探究向心力大小的表达式实验时:
第一小组采用甲图所示的装置进行探究,两个变速塔轮通过皮带连接,转动手柄使长槽和短槽分别随变速塔轮匀速转动,槽内的钢球就做匀速圆周运动。横臂的挡板对钢球的压力提供向心力,钢球对挡板的反作用力通过横臂的杠杆作用使弹簧测力筒下降,从而露出标尺,标尺上的红白相间的等分格显示出两个钢球所受向心力的比值。
第二小组采用乙图所示的装置进行探究,滑块套在水平杆上,随水平杆一起绕竖直杆做匀速圆周运动,力传感器通过一细绳连接滑块,用来测量向心力F的大小。滑块上固定一遮光片,宽度为d,光电门可以记录遮光片通过的时间,测得旋转半径为r。滑块随杆匀速圆周运动,每经过光电门一次,通过力传感器和光电门就同时获得一组向心力F和角速度ω的数据。
(1)下列实验与这两组同学采用的科学方法不同的是 。
A.探究加速度与力、质量的关系
B.探究影响通电导线受力的因素
C.探究两个互成角度的力的合成规律
(2)第一组同学在某次实验时,两个钢球质量和转动半径相等,图中标尺上红白相间的等分格显示出两个小球所受向心力的比值为1∶4,与皮带连接的两个变速塔轮的半径之比为 。
丙
第二组同学实验时,以F为纵坐标,以为横坐标,可在坐标纸中描出数据点作一条如图丙所示直线,图线斜率为k,则滑块的质量为 (用k、r、d表示)。
3.某兴趣小组同学利用如图甲所示的DIS向心力实验器来探究圆周运动向心力的影响因素。实验时,砝码随旋臂一起做圆周运动,其受到的向心力F可通过牵引杆由力传感器测得,借助光电门可以测得挡光杆两次通过光电门的时间间隔,即砝码的运动周期T。牵引杆的质量和一切摩擦可忽略。
(1)为了探究向心力F与周期T之间的关系,需要控制 和 保持不变(写出物理量及相应的物理符号)。
(2)改变旋臂的转速得到多组数据,记录力传感器示数F,算出对应的周期T,作出了如图乙所示的图线,则横轴所代表的物理量为 。
(3)若砝码的运动半径r=0.2 m,由图线可得砝码的质量m= kg(π2≈9.87,结果保留2位有效数字)。
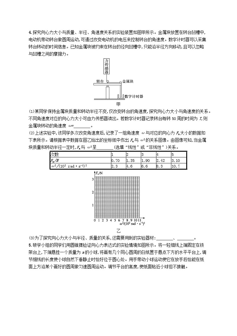
4.探究向心力大小与质量、半径、角速度关系的实验装置如图甲所示。金属块放置在转台凹槽中,电动机带动转台做圆周运动,可通过改变电动机的电压来控制转台的角速度。数字计时器可以采集转台转动的时间信息。已知金属块被约束在转台的径向凹槽中,只能沿半径方向移动,且可以忽略与凹槽之间的摩擦力。
甲
(1)某同学保持金属块质量和转动半径不变,仅改变转台的角速度,探究向心力大小与角速度的关系。不同角速度对应的向心力大小可由力传感器读出。若数字计时器记录转台每转50周的时间为T,则金属块转动的角速度ω= 。
(2)上述实验中,该同学多次改变角速度后,记录了一组角速度ω与对应的向心力Fn大小的数据如下表所示。请根据表中数据在图乙给出的坐标纸中作出Fn与ω2的关系图像。由图像可知,当金属块质量和转动半径一定时,Fn与ω2呈 (选填“线性”或“非线性”)关系。
乙
(3)为了探究向心力大小与半径、质量的关系,还需要用到的实验器材: 、 。
5.研学小组的同学们用圆锥摆验证向心力表达式的实验情境如图所示。将一轻细线上端固定在铁架台上,下端悬挂一个质量为m的小球,将画有几个同心圆周的白纸置于悬点下方的水平平台上,调节细线的长度使小球自然下垂静止时恰好位于圆心处。用手带动小球运动使它在放手后恰能在纸面上方沿某个画好的圆周做匀速圆周运动。调节平台的高度,使纸面贴近小球但不接触。
(1)若忽略小球运动中受到的阻力,在具体的计算中可将小球视为质点,重力加速度为g。
①从受力情况看,小球做匀速圆周运动所受的向心力是 。
A.小球所受绳子的拉力
B.小球所受的重力
C.小球所受拉力和重力的合力
②在某次实验中,小球沿半径为r的圆做匀速圆周运动,用停表记录了小球运动n圈的总时间t,则小球做此圆周运动的向心力大小Fn= (用m、n、t、r及相关的常量表示)。用刻度尺测得细线上端悬挂点到画有圆周纸面的竖直高度为h,那么对小球进行受力分析可知,小球做此圆周运动所受的合力大小F= (用m、h、r及相关的常量表示)。
③保持n的取值不变,改变h和r进行多次实验,可获取不同时间t。研学小组的同学们想用图像来处理多组实验数据,进而验证小球在做匀速圆周运动过程中,小球所受的合力F与向心力Fn大小相等。为了直观地观察,应合理选择坐标轴的相关变量,使待验证关系是线性关系。为此不同的组员尝试选择了不同变量并预测猜想了如图所示的图像,若小球所受的合力F与向心力Fn大小相等,则这些图像中合理的是 。
(2)考虑到实验的环境、测量条件等实际因素,对于这个实验的操作,下列说法正确的有 。
A.相同体积的小球,选择密度大一些的球可以减小空气阻力对实验的影响
B.相同质量的小球,选择体积小一些的球有利于确定其圆周运动的半径
C.测量多个周期的总时间再求周期的平均值,有利于减小周期测量的偶然误差
D.在这个实验中必须测量出小球的质量
参考答案
实验练6 探究向心力大小与
半径、角速度、质量的关系
1.答案 (1)C (2)①C ②1∶9
解析 (1)在研究向心力的大小F与质量m、角速度ω和半径r之间的关系时,我们主要用到了物理学中的控制变量法,故选C。
(2)①由题图可知,两个钢球质量和运动半径相等,则是在研究向心力的大小与角速度的关系,故选C;②左、右塔轮半径之比为3∶1,两轮边缘处的线速度大小相等,根据v=ωr可知,两塔轮的角速度之比为1∶3,左、右两边小球受到的向心力之比为1∶9。
2.答案 (1)C (2)2∶1
解析 (1)实验目的是探究向心力大小的表达式,由于每次只能研究两个物理量之间的关系,需要确保其他的物理量不变,即采用了控制变量法,探究加速度与力、质量的关系与探究影响通电导线受力的因素均采用了控制变量法,而探究两个互成角度的力的合成规律采用的是等效替代法,因此与这两组同学采用的科学方法不同的是探究两个互成角度的力的合成规律。故选C。
(2)根据F1=mr,F2=mr,由于F1∶F2=1∶4,则有ω1∶ω2=1∶2,根据v=ω1R1=ω2R2,解得R1∶R2=2∶1。
滑块圆周运动的速度v1=,由于F=m,则有F=,则有=k,解得m=。
3.答案 (1)砝码的质量m 砝码的运动半径r
(2)
(3)0.15
解析 (1)根据公式F=mr可知,为了探究向心力F与周期T之间的关系,需要控制砝码的质量m和砝码的运动半径r保持不变;
(2)根据F=mr可得F=4π2mr·,可知F-图像为过原点的倾斜直线,故横轴所代表的物理量为;
(3)由(2)分析可知,图线斜率k=4π2mr,解得m=,代入数据得m=0.15kg。
4.答案 (1)
(2)图见解析 线性
(3)刻度尺 天平
解析 (1)由题意可知,转台转动的周期为T0=,根据角速度和周期的关系可得角速度ω=。
(2)根据描点法在坐标纸中作出Fn-ω2的关系图像如图所示,由图像可知,Fn与ω2呈线性关系。
(3)为了探究向心力大小跟半径、质量的关系,还需要用刻度尺测金属块的转动半径,用天平测量金属块的质量m。
5.答案 (1)①C ②mr mg ③B
(2)ABC
解析 (1)①小球做圆周运动的向心力来自小球所受重力和细线拉力的合力,故C正确。
②小球所受的向心力Fn=mω2r=mr=mr=mr,小球做此圆周运动所受的合力大小F=mgtanθ=mg。
③根据Fn=F可得,mr=mg,则t2=h,则图像B正确。
(2)相同体积的小球,选择密度大一些的球可以减小空气阻力对实验的影响,选项A正确;相同质量的小球,选择体积小一些的球有利于确定其圆周运动的半径,选项B正确;测量多个周期的总时间再求周期的平均值,有利于减小周期测量的偶然误差,选项C正确;由(1)③的分析可知,在这个实验中没必要测量出小球的质量,选项D错误。次数
1
2
3
4
5
Fn/N
0.70
1.35
1.90
2.42
3.10
ω2/(102 rad·s-1)2
2.3
4.6
6.6
8.3
10.7
2025版高考物理一轮总复习知识梳理第4章抛体运动与圆周运动实验6探究向心力大小与半径角速度质量的关系: 这是一份2025版高考物理一轮总复习知识梳理第4章抛体运动与圆周运动实验6探究向心力大小与半径角速度质量的关系,共2页。试卷主要包含了实验目的,实验原理,实验器材,实验步骤,数据处理,注意事项等内容,欢迎下载使用。
2025高考物理一轮总复习第4章抛体运动与圆周运动实验6探究向心力大小与半径角速度质量的关系提能训练: 这是一份2025高考物理一轮总复习第4章抛体运动与圆周运动实验6探究向心力大小与半径角速度质量的关系提能训练,共5页。
江苏版高考物理一轮复习第4章实验6探究向心力大小与半径、角速度、质量的关系课时学案: 这是一份江苏版高考物理一轮复习第4章实验6探究向心力大小与半径、角速度、质量的关系课时学案,共12页。试卷主要包含了进一步体会了一种重要的研究方法等内容,欢迎下载使用。

