2024北京高考冲刺化学大刷题之常考常见化学实验部分(三)
展开(2021高一上·广安期末) 以下是某种粗盐(主要含 、 、 等杂质离子)精制成NaCl溶液的部分流程。下列说法错误的是( )
A . ①中的除杂试剂可以是 溶液
B . ②中加入过量 溶液后,只有 被除去
C . ③中加入过量NaOH溶液后过滤,还需加适量稀盐酸
D . 杂质离子的去除顺序还可以是③①②
(2)
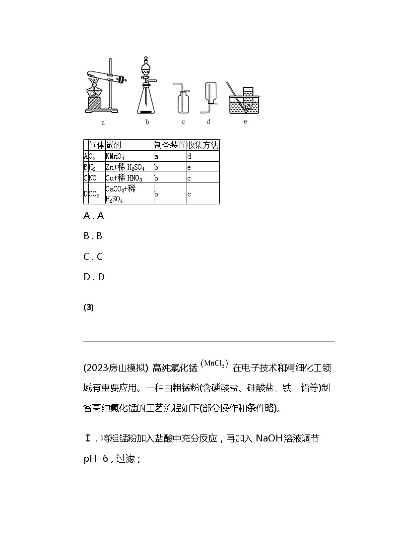
(2022高三上·沈阳月考) 实验室制备下列气体所选试剂、制备装置及收集方法均正确的是( )
A . A
B . B
C . C
D . D
(3)
(2023·房山模拟) 高纯氯化锰 在电子技术和精细化工领域有重要应用。一种由粗锰粉(含磷酸盐、硅酸盐、铁、铅等)制备高纯氯化锰的工艺流程如下(部分操作和条件略)。
Ⅰ.将粗锰粉加入盐酸中充分反应,再加入NaOH溶液调节pH=6,过滤;
Ⅱ.向Ⅰ所得滤液中加入 酸性溶液,充分反应后加入 调节 ,过滤;
Ⅲ.向Ⅱ所得滤液中通入 气体,待充分反应后加热一段时间,冷却后过滤;
Ⅳ.浓缩、结晶、分离、干燥,得到产品
(1) 氯化锰中锰元素的化合价是。
(2) 步骤Ⅰ中去除了磷酸盐和硅酸盐,且对磷酸盐的去除效果比硅酸盐好,这与酸性 有关。从原子结构角度解释酸性 原因:。
(3) 步骤Ⅰ所得滤液中的金属离子主要含有 、 和 等,且 不被 氧化。
已知:生成氢氧化物沉淀的pH
注:金属离子的起始浓度为0.1ml/L
①结合表中数据,解释步骤Ⅱ中加入 酸性溶液的目的:。
②配平加入 后发生反应的离子方程式: ,
(4) 步骤Ⅲ的目的是去除 : 。推测溶解度:PbSMnS(填“>”、“<”或“=”)。
(5) 已知:氯化锰的溶解度随温度的变化如图。
步骤Ⅲ所得滤液中仍含有少量易溶杂质,补充步骤Ⅳ浓缩、结晶的操作:将滤液,析出晶体后过滤。重复操作2~3次,收集晶体。
(4)
(2022高二下·石首期中) 用下图所示装置及药品进行实验,能达到对应实验目的的是( )
A . 图1:实验室制氨气
B . 图2:检验乙炔具有还原性
C . 图3:用乙醇萃取碘水中的I2
D . 图4:用海水制取蒸馏水
(5)
(2022高一上·通州期末) 验证氧化性强弱Cl2>Br2>I2 , 设计如下实验。(已知:稀溴水呈黄色;浓溴水呈红棕色;碘水呈棕黄色;忽略氧气的影响)
下列说法错误的是( )
A . 实验①设计目的为:排除实验②③④水稀释的影响
B . 实验②发生反应为:2Br−+Cl2= Br2+2Cl−
C . 实验③的现象可以证明氧化性:Cl2>I2
D . 实验④能证明氧化性:Br2>I2
(6)
(2020高三上·黑龙江月考) 现有一瓶标签上注明为葡萄糖酸盐(钠、镁、钙、铁)的复合制剂,某同学为了确认其成分,取部分制剂作为试液,设计并完成了如下实验:
已知:控制溶液pH=4时,Fe(OH)3沉淀完全,Ca2+、Mg2+不沉淀。
该同学得出的结论正确的是( )。
A . 根据现象1可推出该试液中含有Na+
B . 根据现象2可推出该试液中并不含有葡萄糖酸根
C . 根据现象3和4可推出该试液中含有Ca2+ , 但没有Mg2+
D . 根据现象5可推出该试液中一定含有Fe2+
(7)
(2020高三上·黑龙江月考) 下列实验装置(部分夹持装置已略去)可以达到对应实验目的是( )
A . A
B . B
C . C
D . D
(8)
(2021高一下·内江期末) 关于营养物质的下列说法错误的是( )
A . 淀粉能水解为葡萄糖
B . 油脂属于有机高分子化合物
C . 鸡蛋煮熟过程中蛋白质变性
D . 食用新鲜蔬菜和水果可补充维生素C
(9)
(2020高三上·房山期末) 糖类、油脂、蛋白质是重要的营养物质,下列说法正确的是( )
A . 糖类、油脂、蛋白质均可水解
B . 纤维素和淀粉互为同分异构体
C . 油脂属于酯类物质可发生皂化反应
D . NH4Cl溶液和CuSO4溶液均可使蛋白质变性
(10)
(2024·模拟) 84消毒液的主要成分是NaCl和NaClO。实验小组同学围绕“84消毒液能否与医用酒精发生反应”这一问题进行了如下实验。
下列推理不合理的是( )
A . 由①②可知,①中产生的大量气泡与酒精挥发无关
B . 由①③可知,①中刺激性气味的产生可能与酒精无关
C . 由①②③可推断,84消毒液与医用酒精混合后,溶液中发生了化学反应
D . 由①④可推断,酸性条件有利于84消毒液与医用酒精发生反应
(11)
(2020高二下·驻马店期末) 为分析不同试剂是否对 H2O2 分解有催化作用,该小组向四支盛有 10mL5% H2O2 的 试管中滴加不同溶液,实验记录如下:
下列说法错误的是( )
A . 根据实验Ⅰ的现象,可得结论NaCl对H2O2分解没有催化作用
B . 根据实验II的现象,可得结论CuSO4对H2O2分解有催化作用
C . 对比实验可得结论:浓度较大的NaCl溶液对H2O2分解有催化作用
D . 综合对比以上实验可得结论:NaCl浓度对于CuSO4的催化作用有影响,NaCl浓度越大催化效果越明显。
(12)
(2021高三上·福州期中) 某化学兴趣小组探究NO和Na2O2的反应,设计了如下图所示实验装置,其中E为实验前压瘪的气囊。
资料:除浅黄色的AgNO2难溶于水外,其余亚硝酸盐均易溶于水。
(1) 写出A中反应的化学方程式:。
(2) 将装置B补充完整,并标明试剂。
(3) 用无水CaCl2除去水蒸气的目的是。
(4) 反应一段时间后,D处有烫手的感觉,其中固体由淡黄色变为白色,直至颜色不再变化时,气囊E始终没有明显鼓起。
①学生依据反应现象和氧化还原反应规律推断固体产物为NaNO2。写出该反应的化学方程式:。
②设计实验证明的NaNO2生成,实验方案是。(写出操作、现象和结论)
(13)
(2019高二上·阜阳月考) 由下列实验得出的结论正确的是( )
A . A
B . B
C . C
D . D
(14)
(2018高二下·长安期末) 下列说法正确的是( )
A . 分别向等物质的量浓度的Na2CO3和NaHCO3溶液中滴加2滴酚酞溶液,后者红色更深
B . 分别向2 mL5%H2O2溶液中滴加1 mL 0.1 ml·L−1 FeCl3和CuSO4溶液,产生气泡快慢不相同
C . 蛋白质溶液遇饱和Na2SO4溶液或醋酸铅溶液均产生沉淀,沉淀均可溶于水
D . 加热NH4Cl和Ca(OH)2固体的混合物,可将二者分离
(15)
(2020高一下·郴州期末) 下列物质的分离方法中,利用粒子大小差异的是( )
A . A
B . B
C . C
D . D
(16)
(2018·天水模拟) 研究+6价铬盐不同条件下微粒存在形式及氧化性,某小组同学进行如下实验:
已知:Cr2O72- (橙色)+H2O 2CrO42-(黄色)+2H+ △H= +13.8 kJ/ml,+6价铬盐在一定条件下可被还原为Cr3+ , Cr3+在水溶液中为绿色。
(1) 试管c和b对比,推测试管c的现象是。
(2) 试管a和b对比,a中溶液橙色加深。甲认为温度也会影响平衡的移动,橙色加深不一定是c(H+)增大影响的结果;乙认为橙色加深一定是c(H+)增大对平衡的影响。你认为是否需要再设计实验证明?(“是”或“否”),理由是。
(3) 对比试管a、b、c的实验现象,得到的结论是。
(4) 试管c继续滴加KI溶液、过量稀H2SO4 , 分析上图的实验现象,得出的结论是;写出此过程中氧化还原反应的离子方程式。
(5) 小组同学用电解法处理含Cr2O72-废水,探究不同因素对含Cr2O72-废水处理的影响,结果如下表所示(Cr2O72-的起始浓度,体积、电压、电解时间均相同)。
①实验ⅱ中Cr2O72-放电的电极反应式是。
②实验ⅲ中Fe3+去除Cr2O72-的机理如图所示,结合此机理,解释实验iv中Cr2O72-去除率提高较多的原因。
(17)
(2018高三上·石嘴山期中) 从某含Br—废水中提取Br2的过程包括:过滤、氧化、萃取(需选择合适萃取剂)及蒸馏等步骤。已知:
下列说法错误的是( )
A . 甲装置中Br—发生的反应为:2Br-+ Cl2 = Br2 + 2Cl-
B . 甲装置中NaOH溶液每吸收0.1ml Cl2 , 转移0.1ml e—
C . 用乙装置进行萃取,溶解Br2的有机层在下层
D . 用丙装置进行蒸馏,先收集到的是Br2
(18)
(2019高三上·合肥月考) 根据下列实验操作和现象所得到的结论正确的是( )
A . A
B . B
C . C
D . D
(19)
(2019高三上·萧县月考) 某学习小组的同学按下列实验流程制备Na2CO3 , 设计的部分装置如图所示。
下列叙述正确的是( )
A . 若X为浓氨水,Y为生石灰,则可用装置甲制取NH3
B . 反应①可在装置乙中发生,反应②可在装置丁中发生
C . 可用装置丙进行过滤操作
D . 将母液蒸干灼烧后可得到NH4Cl固体
(20)
(2020高三上·海林期末) 中国传统文化对人类文明贡献巨大,古代文献中记载了古代化学研究成果。下列常见古诗文对应的化学知识正确的是( )
A . A
B . B
C . C
D . D
气体
试剂
制备装置
收集方法
A
O2
KMnO4
a
d
B
H2
Zn+稀H2SO4
b
e
C
NO
Cu+稀HNO3
b
c
D
CO2
CaCO3+稀H2SO4
b
c
开始沉淀时
6.5
1.5
8.1
6.5
完全沉淀时
8.3
2.8
10.1
8.5
图1
图2
图3
图4
实验①
实验②
实验③
实验④
溶液变为浅黄绿色
溶液变为黄色
溶液变为棕黄色
溶液变为蓝色
A
B
C
D
实验目的
制备氢氧化铁胶体
实验室制备氨气
除去CO2中的少量HCl
推断S、C、Si的非金属性强弱
实验装置
序号
实验
现象
①
分别取40 mL84消毒液和医用酒精混合均匀,并测量溶液温度变化
溶液温度由20℃升高至23℃,并产生大量气泡,略有刺激性气味,溶液颜色无明显变化
②
分别取40 mL医用酒精和蒸馏水混合均匀,水浴至23℃
溶液中无明显现象
③
分别取40 mL84消毒液和蒸馏水混合均匀,水浴至23℃
溶液中无明显现象,略有刺激性气味
④
分别取40 mL84消毒液、40 mL医用酒精和少量白醋,混合均匀
产生大量气泡,有强烈地刺激性气味,溶液逐渐变为淡黄色
试管
Ⅰ
Ⅱ
Ⅲ
Ⅳ
滴加试剂
2 滴 1ml/L NaCl
2 滴 1ml/LCuSO4
2滴1ml/L CuSO4
和2滴 1ml/LNaCl
2滴 1ml/LCuSO4
和4滴1ml/LNaCl
产生气泡情况
无气泡产生
均产生气泡,且气泡速率从Ⅱ到Ⅳ依次加快
选项
实验内容
结论
A
向某溶液中加入盐酸产生能使澄清石灰水变浑浊 的气体
该溶液中一定含有 CO32-或SO32-
B
向某溶液中加入少量的盐酸,生成白色沉淀
溶液中不一定含有 Ag+
C
将某有机物与 NaOH、乙醇混合共热后加入 AgNO3
溶液,没有出现白色沉淀
该有机物中不含氯原子
D
将液溴、苯、FeBr3 混合于烧瓶中反应,将产生的 气体导出至 AgNO3 溶液中,生成了淡黄色沉淀
液溴与苯的反应属于取代反应, 而不是加成反应
A.过滤豆浆
B.酿酒蒸馏
C.精油萃取
D.海水晒盐
实验
ⅰ
ⅱ
ⅲ
ⅳ
是否加入Fe2(SO4)3
否
否
加入5g
否
是否加入H2SO4
否
加入1mL
加入1mL
加入1mL
电极材料
阴、阳极均为石墨
阴、阳极均为石墨
阴、阳极均为石墨
阴极为石墨,阳极为铁
Cr2O72-的去除率/%
0.922
12.7
20.8
57.3
物质
Br2
CCl4
正十二烷
密度/g·cm-3
3.119
1.595
0.753
沸点/℃
58.76
76.8
215~217
选项
实验操作和现象
实验结论
A
向苯酚浊液中加入Na2CO3溶液,溶液变澄清
酸性:苯酚>HCO3-
B
将少量Fe(NO3)2加水溶解后,滴加稀硫酸酸化,再滴加KSCN溶液,溶液变成血红色
Fe(NO3)2已变质
C
氯乙烷与NaOH溶液共热后,滴加AgNO3溶液,生成白色沉淀
氯乙烷发生水解
D
在2 mL 0.01 ml·L-1的Na2S溶液中先滴入几滴0.01 ml·L-1 ZnSO4溶液有白色沉淀生成,再滴入0.01 ml·L-1 CuSO4溶液,又出现黑色沉淀
Ksp(CuS)<Ksp(ZnS)
选项
古诗文
化学知识
A
《本草经集注》中记载鉴别硝石(KNO3)和朴硝(Na2SO4)的方法。“强烧之,紫青烟起,云是真硝石也。”
利用焰色反应
B
《本草纲目拾遗》中对强水的记载:“性最烈,能蚀五金,其水甚强,惟玻璃可盛”
强水为氢氟酸
C
《诗经·大雅·绵》:“堇茶如饴。”郑玄笺:“其所生菜,虽有性苦者,甘如饴也。”
糖类均有甜味
D
《梦溪笔谈》中对宝剑的记载:“古人以剂钢为刃,柔铁为茎干,不尔则多断折”
铁的合金硬度比纯铁的大,熔点比纯铁的高
2024北京高考冲刺化学大刷题之常考常见物质结构与性质部分: 这是一份2024北京高考冲刺化学大刷题之常考常见物质结构与性质部分,共13页。试卷主要包含了Al3碱性依次增强等内容,欢迎下载使用。
2024北京高考冲刺化学大刷题之常考常见有机物及其应用部分(二): 这是一份2024北京高考冲刺化学大刷题之常考常见有机物及其应用部分(二),共17页。试卷主要包含了1醋酸溶液中,,24 L苯含C-H键的数目为0,5~5,50等内容,欢迎下载使用。
2024北京高考冲刺化学大刷题之常考常见有机物及其应用部分(三): 这是一份2024北京高考冲刺化学大刷题之常考常见有机物及其应用部分(三),共18页。试卷主要包含了6kJ·ml-1,1kJ·ml-1等内容,欢迎下载使用。

