江苏省徐州市沛县第五中学2023-2024学年九年级下学期4月月考化学试题(原卷版+解析版)
展开一、选择题(本大题共10小题,每小题2分,共20分,每题只有一个选项符号题意。)
1. 规范操作是实验成功的前提。下列实验操作正确的是
A. 稀释浓硫酸B. 倾倒液体
C. 检查气密性D. 测溶液pH
【答案】C
【解析】
【详解】A、稀释浓硫酸时,要把浓硫酸慢慢地沿器壁注入水中,同时用玻璃棒不断搅拌,以使热量及时的扩散;一定不能把水注入浓硫酸中,以防止酸液飞溅;且不能在量筒内稀释浓硫酸,图中所示操作错误;
B、向试管中倾倒液体药品时,瓶塞要倒放,标签要对准手心,瓶口紧挨试管口;图中瓶塞没有倒放,图中所示操作错误;
C、检查装置气密性的方法:把导管的一端浸没在水里,双手紧贴试管外壁,若导管口有气泡冒出,装置不漏气,图中所示操作正确;
D、用pH试纸测定溶液的pH时,正确的操作方法为在白瓷板或玻璃片上放一小片pH试纸,用玻璃棒蘸取待测液滴到pH试纸上,把试纸显示的颜色与标准比色卡比较,读出pH;不能将pH试纸伸入待测液中,以免污染待测液,图中所示操作错误。
故选:C。
2. “分类”是学习化学的重要方法。下列说法正确的是( )
A. 单质:水银、蒸馏水、铁水
B. 氧化物:二氧化锰、干冰、氯酸钾
C. 碱:烧碱、消石灰、一水合氨
D. 混合物:钢、石灰石、甲烷
【答案】C
【解析】
【详解】A、蒸馏水是氢氧元素组成的纯净物,属于化合物,A错误。
B、氯酸钾由氯元素、氧元素、钾元素三种元素组成,不属于氧化物,B错误。
C、烧碱、消石灰、一水合氨解离出的阴离子,都是氢氧根离子,属于碱,C正确。
D、甲烷由一种物质,属于纯净物,D错误。
故选:C。
3. 深海鱼油中的DHA(化学式:C22H32O2)是一种特殊的不饱和脂肪酸,这种不饱和脂肪酸是大脑细胞形成、发育及运作不可缺少的物质基础。下列关于DHA相关说法正确的是
A. DHA属于无机化合物
B. DHA分子是由22个碳原子、32个氢原子和2个氧原子构成
C. DHA中氢元素和氧元素的质量分数相等
D. DHA是由C、H、O三个元素组成
【答案】C
【解析】
【详解】A、DHA是含碳元素的化合物,是有机化合物。错误;
B、元素符号右下角数字表示一个分子中原子个数。1个DHA分子是由22个碳原子、32个氢原子和2个氧原子构成,错误;
C、DHA中氢元素和氧元素的质量比为(1×32):(16×2)=1:1,占比相同,则质量分数相等,正确;
D、物质由元素组成,元素只有种类没有个数,所以DHA是由C、H、O三种元素组成,错误;
故选C。
4. 下列说法正确的是
A. 中和反应一定生成盐和水,生成盐和水的反应一定是中和反应
B. 单质一定是一种元素组成,一种元素组成的物质一定是单质
C. 淀粉和纤维素都是有机高分子,且纤维素的相对分子质量比淀粉大
D. 灼烧羊毛线和棉纱线,有烧焦羽毛气味的是棉纱线,有烧纸气味的是羊毛线。
【答案】C
【解析】
【详解】A、酸碱中和反应生成盐和水,生成盐和水的反应不一定是中和反应,如氧化铁和盐酸能反应生成盐和水,但是不是中和反应,故A错误;
B、单质一定是一种元素组成,但一种元素组成的物质不一定是单质,如O2和O3是由氧元素组成的混合物,故B错误;
C、纤维素在动物体内能转化为淀粉,所以淀粉和纤维素都属于有机高分子,且纤维素的相对分子质量比淀粉更大,故C正确;
D、灼烧羊毛线和棉纱线,有烧焦羽毛气味的是羊毛线,有烧纸气味的是棉纱线,故D错误。
故选C。
5. 中国科学院首创室温制氢方案,其反应原理如图所示。下列说法正确的是
A. 从反应价值看:可减少CO2的排放
B. 从守恒关系看:反应前后原子的种类、数目不变
C. 从价态变化看:反应前后各元素的化合价不变
D. 从表示方法看:反应的化学方程式为
【答案】B
【解析】
【分析】由反应的微观示意图可知,一氧化碳与水在催化剂的作用下生成氢气和二氧化碳,反应的化学方程式为。
【详解】A、一氧化碳与水在催化剂的作用下生成氢气和二氧化碳,反应生成二氧化碳,会增加二氧化碳排放,故选项说法不正确;
B、根据质量守恒定律得知,反应前后原子的种类、数目不变,故选项说法正确;
C、一氧化碳与水在催化剂的作用下生成氢气和二氧化碳,反应后氢元素化合价由+1价变为0价,碳元素化合价由+2价变为+4价,故选项说法不正确;
D、由分析可知,该反应的化学方程式为,故选项说法不正确。
故选B。
6. a、b、c三种固体物质在水中溶解达饱和时的情况如图。下列说法正确的是
A. 时将的a溶解在水中形成饱和溶液
B. 当a中混有少量b时,可用蒸发结晶的方法提纯a物质
C. 时a、b、c的溶解度大小顺序为
D. 时a、c的饱和溶液降温至时它们的质量分数
【答案】D
【解析】
【详解】A、由溶解度曲线图可知,时a物质的溶解度为50g,在时将的a溶解在水中能全部溶解,形成不饱和溶液,说法错误,不符合题意;
B、由溶解度曲线图可知,a物质的溶解度受温度变化影响较大,b物质的溶解度受温度变化影响较小,当a中混有少量b时,可用降温结晶的方法提纯a物质,说法错误,不符合题意;
C、由溶解度曲线图可知,时a、b、c的溶解度大小顺序为,说法错误,不符合题意;
D、由溶解度曲线图可知,a物质的溶解度随温度升高而增大,c物质的溶解度随温度升高而减小,时a、c的饱和溶液降温至时,a的饱和溶液仍为饱和溶液,但溶质质量分数变为时饱和溶液的溶质质量分数;c的饱和溶液变为不饱和溶液,溶质质量分数不变仍为时饱和溶液的溶质质量分数,t1°C时a的溶解度大于t2°C时c的溶解度,故它们的溶质质量分数,说法正确,符合题意。
故选:D。
7. 下列图像能正确反应其对应变化关系的是
A. 向饱和的氢氧化钙溶液中加入少量的氧化钙
B. 向足量的镁粉和铁粉中分别逐滴加入等量等浓度的稀硫酸
C. 向硫酸和硫酸铜的混合溶液中滴加过量氢氧化钡溶液
D. 加热一定量氯酸钾和二氧化锰的混合物
【答案】A
【解析】
【详解】A、向饱和的氢氧化钙溶液中加入少量的氧化钙,氧化钙与水反应生成氢氧化钙,溶剂水减小,溶质析出,该反应放出大量的热,温度升高,氢氧化钙的溶解度减小,也会导致溶质质量减小,恢复至原温度,氢氧化钙的溶解度随着温度的降低而增大,溶质质量增大;由于溶剂质量减少,有氢氧化钙析出,最终所得溶液仍为该温度下的饱和溶液,最终溶液中溶质质量比加入氧化钙前少,故A图像正确,符合题意;
B、向足量的镁粉和铁粉中分别逐滴加入等量等浓度的稀硫酸,由于反应生成氢气来自硫酸中的氢元素,酸过量,金属足量,最终生成氢气的质量相等,故B图像不正确,不符合题意;
C、向硫酸和硫酸铜的混合溶液中滴加过量氢氧化钡溶液,硫酸根离子和钡离子结合生成不溶于酸的硫酸钡沉淀,一开始就产生沉淀,故C图像不正确,不符合题意;
D、加氯酸钾在二氧化锰作催化剂且加热的条件下分解生成氯化钾与氧气,随着反应的进行,产生的氧气逸出,则反应后固体混合物的总质量逐渐减小,二氧化锰作为催化剂,反应前后质量不会发生变化,所以二氧化锰的质量分数逐渐增大,直至氯酸钾完全反应上升至最大值,且保持不变,故D图像不正确,不符合题意;
故选A。
8. 下列实验操作能达到实验目的的是
A. AB. BC. CD. D
【答案】D
【解析】
【详解】A、H2、CH4燃烧均能生成水,点燃,在火焰上方罩一个干冷的烧杯,烧杯内壁均会出现水雾,现象相同,不能鉴别,不符合题意;
B、加入适量的CaCl2溶液,振荡,Na2CO3能与适量的CaCl2溶液反应生成碳酸钙沉淀和氯化钠,能除去杂质但引入了新的杂质氯化钠,不符合题意;
C、碳酸钠、硫酸钠溶液均能与BaCl2溶液反应,分别生成碳酸钡白色沉淀、硫酸钡白色沉淀,不能用氯化钡溶液检验Na2CO3溶液中是否含有Na2SO4,不符合题意;
D、先加入过量的K2CO3溶液,碳酸钾和硝酸钡反应生成碳酸钡沉淀和硝酸钾,搅拌、静置、过滤、洗涤,再分别向滤液、滤渣中加入适量的稀硝酸,搅拌,滤液中过量的碳酸钾和硝酸反应生成硝酸钾、水和二氧化碳,滤渣中的碳酸钡和硝酸反应生成硝酸钡、水和二氧化碳,能进行分离,符合题意。
故选D。
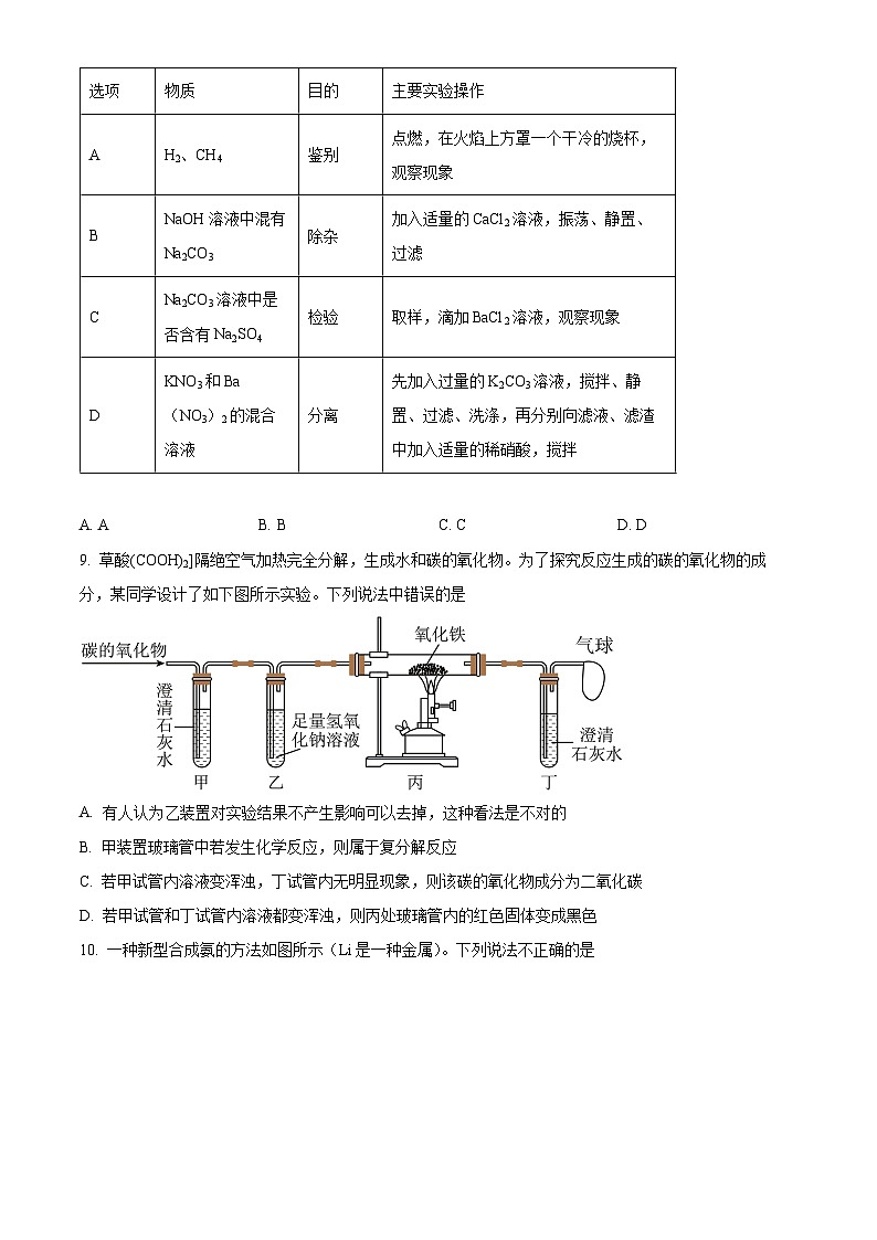
9. 草酸(COOH)2]隔绝空气加热完全分解,生成水和碳的氧化物。为了探究反应生成的碳的氧化物的成分,某同学设计了如下图所示实验。下列说法中错误的是
A. 有人认为乙装置对实验结果不产生影响可以去掉,这种看法是不对的
B. 甲装置玻璃管中若发生化学反应,则属于复分解反应
C. 若甲试管内溶液变浑浊,丁试管内无明显现象,则该碳的氧化物成分为二氧化碳
D. 若甲试管和丁试管内溶液都变浑浊,则丙处玻璃管内的红色固体变成黑色
【答案】B
【解析】
【分析】二氧化碳与氢氧化钠反应生成碳酸钠和水,一氧化碳在高温的条件下会与氧化铁反应生成二氧化碳。
【详解】A、甲中的澄清石灰水是检验是否含二氧化碳,丁中的石灰水是检验气体中混有一氧化碳,乙装置吸收二氧化碳,防止其对实验结果会产生影响,则不可以去掉乙装置以简化实验方案,故A正确,不符合题意;
B、甲装置玻璃管反应是二氧化碳和氢氧化钙生成碳酸钙和水,不属于复分解反应,故B不正确,符合题意;
C、若甲试管内溶液变浑浊,说明含有二氧化碳,丁试管内无明显现象,说明不含一氧化碳,则该碳的氧化物成分为二氧化碳,故C正确,不符合题意;
D、若甲试管和丁试管内溶液都变浑浊,说明气体中含有一氧化碳,一氧化碳和氧化铁反应生成铁和二氧化碳,则丙处玻璃管内的红色固体变成黑色,故D正确,不符合题意。故选B。
【点睛】草酸隔绝空气加热,使其完全分解,生成水和碳的氧化物,二氧化碳能使澄清石灰水变浑浊。
10. 一种新型合成氨的方法如图所示(Li是一种金属)。下列说法不正确的是
A. 反应①中电能转化为化学能
B. 反应③
C. 理论上,整个转化过程无需补充水
D. 理论上,合成17gNH3,同时得到24gO2
【答案】C
【解析】
【详解】A.反应①中条件是通电,说明过程中将电能转化为化学能,该选项说法正确;
B.反应③中,反应物是Li3N和H2O,生成物是LiOH和NH3,反应的化学方程式为,该选项说法正确;
C.有转换图看出,整个转化过程中水为反应物,需不断补充,该选项说法不正确;
D.设合成17gNH3,同时得到氧气的质量为x,根据反应和可得:,,解得x=24g,该选项说法正确,
故选C。
二、填空题(本大题共3小题,每空1分,共18分。)
11. 下列是与人类生产、生活密切相关物质,选择适当的物质填空(填序号):
①碳纤维复合材料 ②氢氧化钠 ③加碘食盐 ④氢氧化钙 ⑤蛋白质 ⑥小苏打
(1)能为人类活动提供能量的物质是__________。
(2)配制波尔多液的碱是__________。
(3)用于治疗胃酸过多的是__________。
(4)常用于制人造丝、造纸、印染等工业的是__________。
【答案】(1)⑤ (2)④ (3)⑥ (4)②
【解析】
【小问1详解】
蛋白质能为人类活动提供能量,故填:⑤。
【小问2详解】
氢氧化钙是电离时产生的阴离子全部是氢氧根离子的化合物,属于碱,氢氧化钙可用于配制波尔多液,故填:④。
【小问3详解】
小苏打是碳酸氢钠的俗称,碳酸氢钠能与盐酸反应生成氯化钠、二氧化碳和水,可用于治疗胃酸过多,故填:⑥。
【小问4详解】
氢氧化钠可用于制人造丝、造纸、印染等工业,故填:②。
12. 化学与生活密不可分。
I.化学和食物
下表列出的是每某品种西瓜可食用部分的主要营养成分数据。
(1)表中“X”是指上表中未提及的六大营养素中的__________;
(2)糖类物质较多,不一定都具有甜味。若检验其中是否含有淀粉可选用__________(填试剂名称)滴在样品上,观察是否变__________色。淀粉在人体内需转化为可直接吸收的化合物是__________(填化学式),再经氧化向人体提供能量。
(3)“钙、磷、铁、锌”其中不属于人体微量元素的是__________(写元素符号,下同)。缺__________元素可引起儿童发育停滞,智力低下,严重可导致侏儒症。
(4)下列食品中富含蛋白质的是__________。(填字母)
a.阳春面 b.鸡蛋 c.烧菠菜
(5)某些西瓜叶色发黄缺氮,可以施用__________来改善。(填字母)
a. b. c.
该化肥不能与熟石灰共用,用化学方程式解释原因是__________。
【答案】(1)维生素 (2) ①. 碘水 ②. 蓝 ③. C6H12O6
(3) ①. Ca、P ②. Zn
(4)b (5) ①. a ②.
【解析】
【小问1详解】
大营养素是蛋白质、糖类、油脂、维生素、无机盐和水等六大类,铁、磷、钙等属于无机盐,所以X是维生素;
【小问2详解】
淀粉遇碘变蓝,检验是否含有淀粉可选用碘水(或碘酒)滴在样品上,观察是否变成蓝色;
淀粉在人体内需转化为可直接吸收的化合物是葡萄糖C6H12O6,再经过氧化分解向人体提供能量;
【小问3详解】
钙、磷元素属于人体常量元素,铁、锌元素属于人体微量元素,故Ca、P不属于人体的微量元素;
缺锌(Zn)元素可引起儿童发育停滞,智力低下,严重可导致侏儒症;
【小问4详解】
a、阳春面中富含淀粉,淀粉属于糖类,错误;
b、鸡蛋中富含蛋白质,正确;
c、烧菠菜中不富含维生素,错误;
故选:b;
【小问5详解】
某些西瓜叶色发黄缺氮,可以施用氮肥来改善;
a、氯化铵含有氮、磷、钾三种元素中的氮元素,属于氮肥,正确;
b、氯化钾含有氮、磷、钾三种元素中的钾元素,属于钾肥,错误;
c、磷酸钙含有氮、磷、钾三种元素中的磷元素,属于磷肥,错误;
故选:a;
氯化铵和熟石灰反应生成氯化钙、水、氨气,混合会降低肥效,化学方程式为:。
13. 二氧化碳的捕集和资源化利用是碳中和领域研究热点。
碳捕集 捕捉烟气中,将其再释出可实现资源化利用,相关物质转化如下:
(1)“颗粒反应室”中反应的化学方程式为____________________。
(2)上述流程中可循环使用的物质有__________、__________(填化学式)。
碳资源化利用 中国科学家已实现由到淀粉的全人工合成,主要过程如下:
(阶段I)->甲醇->(阶段II)甲醛→…→葡萄糖>·->淀粉
(3)绿色植物实现到葡萄糖的转化过程称为__________。
(4)阶段I反应的微观过程如图所示,写出甲醇的化学式:____________________。
【答案】(1)Ca(OH)2+Na2CO3=CaCO3↓+2NaOH
(2) ①. CaO ②. NaOH
(3)光合作用 (4)CH3OH
【解析】
【小问1详解】
根据题意捕捉室里氢氧化钠和二氧化碳反应会生成碳酸钠和水,“颗粒反应室”中加入石灰乳后,碳酸钠和氢氧化钙反应生成碳酸钙沉淀和水,化学方程式为:Ca(OH)2+Na2CO3=CaCO3↓+2NaOH;
【小问2详解】
根据可循环利用的物质具有特点是既是生成物又可作为反应物出现,如图所示该流程中氢氧化钠在捕捉室是反应物,在反应室是生成物,可以循环使用;煅烧炉中生成的氧化钙能与水反应生成氢氧化钙,可用于颗粒反应室,也可循环使用;故流程中可循环使用的物质有CaO、NaOH;
【小问3详解】
绿色植物通过光合作用实现二氧化碳到葡萄糖的转化;
【小问4详解】
如图根据质量守恒定律可知反应前后原子的种类和个数不变,反应前有6个氢原子、1个碳原子和2个氧原子,反应后有2个氢原子和1个氧原子,故一个甲醇分子中含有1个碳原子、4个氢原子和1个氧原子,化学式为:CH3OH。
三、实验、探究题(本大题共2小题,每空1分,共17分。)
14. 图为实验室制取并收集气体的装置图;回答下列问题。
(1)A中属于金属材料的仪器名称是__________。
(2)实验室用高锰酸钾制取并收集干燥的氧气应选用的装置组合是__________(填序号)。
(3)若用F装置收集并测量氧气的体积,应在__________(填“d”或“e”)端连接量筒。
(4)实验室制取二氧化碳的化学方程式是____________________,用B装置制取二氧化碳便于控制反应的发生与停止,制取时应将大理石放在__________(填“b”或“c”)。
【答案】(1)铁架台 (2)AC
(3)d (4) ①. CaCO3+2HCl=CaCl2+H2O+CO2↑ ②. b
【解析】
【小问1详解】
A中属于金属材料的仪器名称是:铁架台;
【小问2详解】
实验室用高锰酸钾制取并收集干燥的氧气,该反应需加热,故发生装置选A,氧气密度比空气大,收集干燥的氧气可以用向上排空气法收集,收集装置选C,故填:AC;
【小问3详解】
若用F装置收集并测量氧气的体积,氧气密度小于水的密度,气体短进长出,e进d出,应在d端连接量筒,故填:d;
【小问4详解】
实验室用石灰石或大理石和稀盐酸制取二氧化碳,石灰石或大理石的主要成分是碳酸钙,碳酸钙和稀盐酸反应生成氯化钙、二氧化碳和水,化学方程式为:CaCO3+2HCl=CaCl2+H2O+CO2↑;
用B装置制取二氧化碳便于控制反应的发生与停止,在装置B中,固体药品放在多孔隔板上,液体药品从长颈漏斗中加入。反应开始后,关闭止水夹,试管中的气体增多,压强增大,把液体压入长颈漏斗,固体和液体分离,反应停止,打开开关时,气体导出,试管中的气体减少,压强减小,液体和固体混合,反应进行,故填:b。
15. 某化学兴趣小组在学完金属活动性顺序相关知识后,他们做了钠与硫酸铜溶液反应的实验,发现并没有铜生成,而是产生蓝色沉淀和少量黑色物质。于是他们进行了如下探究:
【实验探究1】取一块绿豆大小的金属钠,放入盛有蒸馏水的烧杯中,发现金属钠浮在水面上,熔化成闪亮的小球并四处游动,发出嘶嘶的响声,收集反应产生的气体,发现该气体能燃烧。
【实验探究2】在上述反应所得溶液中滴加硫酸铜溶液,产生蓝色絮状沉淀。
【实验探究3】将蓝色絮状沉淀加热得到黑色固体。
【查阅资料】钠在常温下能与水剧烈反应,生成一种碱和一种气体。氢氧化铜受热分解尘成两种相应的氧化物
【问题分析】
(1)点燃产生的气体前应该先进行_____________。
(2)写出探究2中产生蓝色絮状沉淀的化学方程式___________。
【实验结论】
(3)在金属活动性顺序中,活动性较强的金属_________(填“一定”或“不一定”)能将位于其后面的金属从它们的盐溶液中置换出来。
【反思与交流】
(4)钠与硫酸铜溶液反应产生少量黑色物质的可能原因是______________。
【答案】(1)检查装置的气密性
(2)CuSO4+2NaOH=Cu(OH)2↓+Na2SO4
(3)不一定 (4)钠与水反应放出热量,温度高,氢氧化铜受热反应生成氧化铜
【解析】
【小问1详解】
钠与水反应生成氢气,氢气具有可燃性,点燃氢气前,先检查装置的气密性,避免点燃不纯的气体发生事故,故填检查装置的气密性。
【小问2详解】
探究2中产生蓝色絮状沉淀的反应是硫酸铜和氢氧化钠反应生成氢氧化铜沉淀和硫酸钠,故反应的化学方程式写为:CuSO4+2NaOH=Cu(OH)2↓+Na2SO4。
【小问3详解】
由题文可知,活动性较强的钠与硫酸铜溶液中的水反应生成氢氧化钠和氢气,不生成金属单质,所以在金属活动性顺序中,活动性较强的金属不一定能将位于其后面的金属从它们的盐溶液中置换出来,故填不一定。
【小问4详解】
钠与硫酸铜溶液中的水反应放出热量,温度高,生成的氢氧化铜受热反应生成氧化铜,故填钠与水反应放出热量,温度高,氢氧化铜受热反应生成氧化铜。
16. 某化学兴趣小组同学将紫色石蕊滴入溶液中,发现溶液变红。查阅资料后得知溶液呈酸性。研究性学习小组对其展开了进一步探究
【实验探究一】溶液与碳酸盐反应:向足量的溶液中滴加少量的溶液,产生无色气体、绿色沉淀和无色溶液。
(1)将产生的气体通入澄清石灰水,产生白色沉淀,则该气体为__________。
(2)某同学经过滤、洗涤等操作后;分别获得绿色固体和无色溶液,并进行研究。
查阅资料:常见绿色固体有碱式碳酸铜和碱式硫酸铜,都不溶于水,但均能与酸反应。
实验方案:
①该绿色固体的成分为__________。
②步骤I中用稀盐酸而不用稀硫酸的理由是______________。
③取“足量的溶液和少量溶液反应”后的无色溶液于试管中,加入足量稀硝酸,产生大量气泡,再滴入溶液,产生白色沉淀,最终溶液的溶质成分为________。
④写出碳酸钠溶液与硫酸铜溶液反应的化学方程式:___________。
【实验探究二】溶液与金属反应:
(3)将铝丝没入溶液中(如图所示),一段时间后没有出现红色物质,其原因是___________。
(4)用砂纸将铝丝表面打磨光亮,将其没入溶液中,观察现象:
①铝丝表面产生少量气泡,该气体是__________。后,铝丝表面出现少最红色物质,说明能与溶液反应,但是反应较慢。
查阅资料后获得:可以加快铝丝和其他物质的反应逸率。
②铝丝周围溶液逐渐变成无色,铝丝以下溶液仍为蓝色,两层溶液界面清晰,从而可以得出密度:溶液__________溶液(填“>”或“<”)。
③请设计证明可以加快铝丝和其他物质的反应速率的实验,将两个打磨过的相同铝丝,分别没入两份相同的硫酸铜溶液中,向其中一份加入少量氯化铝溶液,观察到相同时间内,_________,则可以加快铝丝和硫酸铜的反应速率(可供选用的药品:、溶液和溶液)
【答案】(1)二氧化碳##CO2
(2) ①. ##碱式碳酸铜 ②. 稀硫酸中的硫酸根离子能与钡离子结合生成硫酸钡白色沉淀,对实验的验证会产生干扰 ③. 、 ④.
(3)铝丝表面有氧化铝薄膜,阻止铝与硫酸铜溶液反应
(4) ①. 氢气##H2 ②. > ③. 加入少量氯化铝的溶液中红色固体生成速率更快
【解析】
【小问1详解】
二氧化碳能使澄清石灰水变浑浊,将产生的气体通入澄清石灰水,产生白色沉淀,说明该气体是二氧化碳;
【小问2详解】
①往洗净的绿色固体中加入过量稀盐酸,生成气体和无色溶液,该气体能使澄清石灰水变浑浊,说明该气体为二氧化碳,则绿色固体中含有碳酸根离子;往无色溶液中加入氯化钡溶液没有白色沉淀生成,说明无色溶液中不含硫酸根离子,所以绿色固体的成分是;
②稀硫酸中的硫酸根离子能与钡离子结合生成硫酸钡白色沉淀,对实验的验证会产生干扰,所以步骤I中用稀盐酸而不用稀硫酸;
③取“足量溶液和少量溶液反应”后的无色溶液于试管中,加入足量稀硝酸产生大量气泡,说明无色溶液中含有碳酸钠,碳酸钠与稀硝酸反应生成硝酸钠、二氧化碳和水;再滴入溶液,产生白色沉淀,说明无色溶液中含有硫酸根离子,由于该溶液为无色溶液,所以该溶质为硫酸钠,硫酸钠与硝酸钡反应生成硫酸钡沉淀和硝酸钠,故最终溶液的溶质成分有、,由于不明确滴加的溶液的量,所以最终溶液的溶质成分可能还有硝酸钡或硫酸钠;
④根据上述分析可知碳酸钠溶液与硫酸铜溶液反应生成碱式碳酸铜、二氧化碳和硫酸钠,根据质量守恒定律可知化学反应前后元素种类不变,故参加反应的物质还有水,则化学方程式为;
【小问3详解】
将铝丝没入溶液中,一段时间后没有出现红色物质,其原因是铝丝表面有氧化铝薄膜,阻止铝与硫酸铜溶液反应;
【小问4详解】
①由于硫酸铜溶液显酸性,根据金属活动性顺序铝>氢,铝与酸性物质反应生成氢气,故观察到铝丝表面产生少量气泡,该气体为氢气;
②铝与硫酸铜反应生成铜与硫酸铝,硫酸铝溶液为无色,硫酸铜溶液为蓝色,无色溶液在上,蓝色溶液在下,说明密度:硫酸铜溶液>硫酸铝溶液;
③探究可否加快铝丝和其他物质反应速率,需要控制其他实验条件相同,比较加入氯离子和不加入氯离子的反应速率。故设计实验为:将两个打磨过的相同铝丝,分别没入两份相同的硫酸铜溶液中,向其中一份加入少量氯化铝溶液,另一份不加入氯化铝溶液,观察到相同时间内,加入少量氯化铝的溶液中红色固体生成速率更快,则说明可以加快铝丝和硫酸铜的反应速率。
四、计算题(共5分)
17. 实验室经常产生酸性废液,需处理至中性。某兴趣小组同学取100g含硫酸的废液样品,逐滴加入4%的氢氧化钠溶液,至废液呈中性,废液中硫酸的质量分数变化如图所示。(假设废液中不含硫酸钠,且其他成分不与氢氧化钠反应)。
(1)图中点P对应溶液的pH___________7(选填“>”、“<”或“=”)。
(2)当废液处理至中性时,反应的氢氧化钠溶液中溶质的质量为___________。
(3)计算当废液处理至中性时,溶液中硫酸钠的质量分数(写出计算过程)。
【答案】(1)< (2)4g
(3)由图可知加入氢氧化钠溶液的质量为100g时,恰好完全反应,溶液呈中性,
解:设当废液处理至中性时,溶液中硫酸钠的质量为x,
所得溶液溶质质量分数为:
答:当废液处理至中性时,溶液中硫酸钠的质量分数3.55%。
【解析】
【小问1详解】
由图可知,图中点P对应溶液硫酸没有完全反应掉,所以溶液呈酸性,pH<7;
【小问2详解】
由图可知,当废液处理至中性时,反应的氢氧化钠溶液质量为100g,氢氧化钠溶质质量为:100g×4%=4g;
【小问3详解】
见答案。选项
物质
目的
主要实验操作
A
H2、CH4
鉴别
点燃,在火焰上方罩一个干冷的烧杯,观察现象
B
NaOH溶液中混有Na2CO3
除杂
加入适量的CaCl2溶液,振荡、静置、过滤
C
Na2CO3溶液中是否含有Na2SO4
检验
取样,滴加BaCl2溶液,观察现象
D
KNO3和Ba(NO3)2的混合溶液
分离
先加入过量的K2CO3溶液,搅拌、静置、过滤、洗涤,再分别向滤液、滤渣中加入适量的稀硝酸,搅拌
营养成分
水分
蛋白质
脂肪
糖类
X
钙、磷、铁、锌
质量
2024年江苏省徐州市沛县第五中学中考模拟化学试题 (原卷版+解析版): 这是一份2024年江苏省徐州市沛县第五中学中考模拟化学试题 (原卷版+解析版),文件包含2024年江苏省徐州市沛县第五中学中考模拟化学试题原卷版docx、2024年江苏省徐州市沛县第五中学中考模拟化学试题解析版docx等2份试卷配套教学资源,其中试卷共17页, 欢迎下载使用。
江苏省徐州市沛县第五中学2023-2024学年九年级下学期4月月考化学试题: 这是一份江苏省徐州市沛县第五中学2023-2024学年九年级下学期4月月考化学试题,共7页。
2024年江苏省徐州市沛县第五中学九年级化学中考模拟试题 (原卷版+解析版): 这是一份2024年江苏省徐州市沛县第五中学九年级化学中考模拟试题 (原卷版+解析版),文件包含2024年江苏省徐州市沛县第五中学九年级化学中考模拟试题原卷版docx、2024年江苏省徐州市沛县第五中学九年级化学中考模拟试题解析版docx等2份试卷配套教学资源,其中试卷共19页, 欢迎下载使用。

