高中物理教科版 (2019)选择性必修 第二册1 交变电流综合训练题
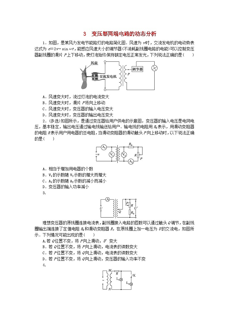
展开A.风速变大时,流过灯泡的电流变大
B.风速变大时,滑片P将向上移动
C.风速变大时,变压器的输入电压变大
D.风速变大时,变压器的输出电压变大
2.(多选)如图所示,是通过变压器给用户供电的示意图,变压器的输入电压是电网电压,基本稳定,输出电压通过输电线输送给用户.输电线的电阻用R0表示,用滑动变阻器的电阻R表示用户用电器的总电阻,当滑动变阻器的滑动触头P向上移动时,以下说法正确的是( )
A.相当于增加用电器的个数
B.V1的示数随V2示数的增大而增大
C.A1的示数随A2示数的减小而减小
D.变压器的输入功率减小
3.
理想变压器的原线圈连接电流表,副线圈接入电路的匝数可以通过触头Q调节,在副线圈输出端连接了定值电阻R0和滑动变阻器R,在原线圈上加一电压为U的交流电,如图所示.下列情况可能出现的是( )
A.若Q位置不变,将P向上滑动,U′变大
B.若Q位置不变,将P向上滑动,电流表的读数变大
C.若P位置不变,将Q向上滑动,电流表的读数变大
D.若P位置不变,将Q向上滑动,变压器的输入功率不变
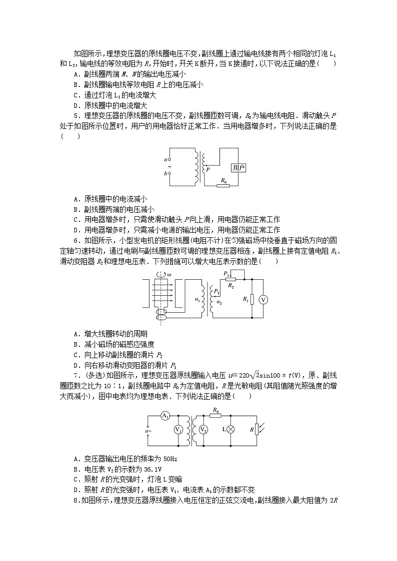
4.
如图所示,理想变压器的原线圈电压不变,副线圈上通过输电线接有两个相同的灯泡L1和L2,输电线的等效电阻为R,开始时,开关K断开,当K接通时,以下说法正确的是( )
A.副线圈两端M、N的输出电压减小
B.副线圈输电线等效电阻R上的电压减小
C.通过灯泡L1的电流增大
D.原线圈中的电流增大
5.理想变压器的原线圈的电压不变,副线圈匝数可调,R0为输电线电阻.滑动触头P处于如图所示位置时,用户的用电器恰好正常工作.当用电器增多时,下列说法正确的是( )
A.原线圈中的电流减小
B.副线圈两端的电压减小
C.用电器增多时,只需使滑动触头P向上滑,用电器仍能正常工作
D.用电器增多时,只需减小电源的输出电压,用电器仍能正常工作
6.如图所示,小型发电机的矩形线圈(电阻不计)在匀强磁场中绕垂直于磁场方向的固定轴匀速转动,通过电刷与副线圈匝数可调的理想变压器相连,副线圈上接有定值电阻R1、滑动变阻器R2和理想电压表.下列措施可以增大电压表示数的是( )
A.增大线圈转动的周期
B.减小磁场的磁感应强度
C.向上移动副线圈的滑片P2
D.向右移动滑动变阻器的滑片P1
7.(多选)如图所示,理想变压器原线圈输入电压u=220eq \r(2)sin100πt(V),原、副线圈匝数之比为10∶1,副线圈电路中R0为定值电阻,R是光敏电阻(其阻值随光照强度的增大而减小),图中电表均为理想电表.下列说法正确的是( )
A.变压器输出电压的频率为50Hz
B.电压表V2的示数为36.1V
C.照射R的光变强时,灯泡L变暗
D.照射R的光变强时,电压表V1、电流表A1的示数都不变
8.如图所示,理想变压器原线圈接入电压恒定的正弦交流电,副线圈接入最大阻值为2R的滑动变阻器和阻值为R的定值电阻.在滑动变阻器滑片从a端向b端缓慢移动的过程中( )
A.电流表A1示数减小
B.电流表A2示数增大
C.原线圈输入功率先增大后减小
D.定值电阻R消耗的功率先减小后增大
9.(多选)如图所示为一理想变压器,原线圈接有电压为U1的稳压交流电,K为单刀双掷开关,P为滑动变阻器R的滑片,则( )
A.开关K合在a处,滑片P上滑时,原线圈中的电流将减小
B.开关K合在b处,滑片P下滑时,变压器输入功率将减小
C.保持滑片P的位置不变,开关K由b合到a时,R消耗的功率将减小
D.保持滑片P的位置不变,开关K由a合到b时,原线圈中的电流将减小
10.(多选)国家电网公司推进智能电网推广项目建设,拟新建智能变电站1400座.变电站起变换电压作用的设备是变压器.如图所示,理想变压器原线圈输入交流电压u=220eq \r(2)sin (100πt)V,电压表、电流表都为理想电表.则下列判断正确的是( )
A.输入电压有效值为220V,电流频率为50Hz
B.S接到a处,当滑动变阻器的滑片向下滑动时,两电压表示数都增大
C.S接到a处,当滑动变阻器的滑片向下滑动时,两电流表的示数都减小
D.若滑动变阻器的滑片不动,S由a处改接到b处,电压表V2和电流表A1的示数都减小
专项3 变压器两端电路的动态分析
1.答案:C
解析:调节器可以控制变压器副线圈的滑片P上下移动,使灯泡始终保持额定电压正常发光,所以风速变大时,流过灯泡的电流不变,变压器的输出电压不变,故A、D错误;由题意知e=2v·sinωt,所以风速变大时,交流发电机的电动势变大,则变压器的输入电压变大,故C正确;由变压器原副线圈电压与匝数关系eq \f(U1,U2)=eq \f(n1,n2)可知,输入电压U1增大,输出电压U2不变,原线圈匝数n1不变时,n2应减小,则滑片P向下移动,故B错误.故选C.
2.答案:CD
解析:当滑动变阻器的滑动触头P向上移动时,用电器的总电阻增大,相当于并联的用电器数目减少,则输出功率减小,故变压器的输入功率减小,由于电网电压u不变,所以两个电压表的示数不变,故选项A、B错误,D正确;由于变压器的输出功率决定输入功率,输出功率减小,所以A1的示数随A2示数的减小而减小,故选项C正确.
3.答案:C
解析:当理想变压器的输入电压U,以及原、副线圈的匝数比不变时,副线圈两端的电压也不变,A项错误;由P出=eq \f(U′2,R+R0)知R增大时,输出功率减小,又由P入=P出得原线圈中的电流表读数要减小,B项错误;Q向上滑动时,U′增大,而负载电阻不变,则输出功率要增大,即输入功率也要增大,原线圈中的电流就要增大,C项正确,D项错误.
4.答案:D
解析:输入电压和原、副线圈的匝数比不变,由eq \f(U1,U2)=eq \f(n1,n2)可知副线圈两端M、N的输出电压不变,A错误;当K接通时,副线圈电路的总电阻减小,总电流I2变大,输电线等效电阻R上的电压增大,并联部分的电压减小,通过灯泡L1的电流减小,B、C错误;由eq \f(I1,I2)=eq \f(n2,n1)可知,电流I2变大,则I1变大,即原线圈中的电流增大,D正确.
5.答案:C
解析:原线圈两端电压和原、副线圈匝数比不变,则副线圈两端电压不变,故B错误;当用电器增加时,总电阻减小,副线圈中电流增大,根据原、副线圈电流之比等于匝数的反比可知,原线圈中电流也增大,故A错误;通过R0的电流增大,R0分得的电压也增大,要使用电器仍能正常工作,应增大副线圈两端电压,而原线圈两端电压不变,故应使滑动触头P向上滑动,增加副线圈匝数,C正确;若减小电源的输出电压,在匝数比不变的情况下,副线圈两端电压减小,则用电器不能正常工作,故D错误.
6.答案:C
解析:根据感应电动势计算公式可知,增大线圈转动的周期,线圈产生的感应电动势减小,则副线圈两端的电压减小,通过定值电阻的电流减小,电压表的示数减小,故A不符合题意;根据感应电动势计算公式可知,减小磁场的磁感应强度,线圈产生的感应电动势减小,则副线圈两端的电压减小,通过定值电阻的电流减小,电压表的示数减小,故B不符合题意;向上移动副线圈的滑片P2,n2增大,则副线圈两端的电压增大,通过定值电阻的电流增大,电压表的示数增大,故C符合题意;向右移动滑动变阻器的滑片P1,滑动变阻器接入电路的阻值增大,通过定值电阻的电流减小,电压表的示数减小,故D不符合题意.
7.答案:AC
解析:原线圈接正弦式交流电,由题知角速度ω=100πrad/s,所以f=eq \f(100π,2π)Hz=50Hz,故A正确;由表达式知输入电压有效值为220V,根据eq \f(U1,U2)=eq \f(n1,n2)知,副线圈电压有效值即电压表V2的示数为22V,故B错误;光敏电阻R受到的光照增强时,阻值减小,但不会影响变压器的输入电压及输出电压,则副线圈电路总电流变大,原线圈电流也变大,定值电阻分压增大,灯泡两端电压减小,灯泡变暗,故C正确,D错误.
8.答案:A
解析:由于原线圈所接电压恒定,匝数比恒定,故变压器副线圈的输出电压恒定,滑动变阻器的滑片从a端向b端缓慢移动的过程中,由数学知识可知,变压器副线圈所接的电阻值逐渐增大,则由欧姆定律得I2=eq \f(U2,R副)可知副线圈的电流逐渐减小,由eq \f(n1,n2)=eq \f(I2,I1)可知变压器原线圈的电流I1也逐渐减小,故A正确,B错误;原线圈的输入功率为P入=U1I1由于I1逐渐减小,则原线圈的输入功率逐渐减小,故C错误;由于副线圈的电流逐渐减小,则定值电阻与滑动变阻器右半部分并联的总电流减小,又与定值电阻并联的滑动变阻器右半部分的电阻值减小,则由并联分流规律可知,流过定值电阻的电流逐渐减小,则由公式PR=I2R可知,定值电阻R消耗的电功率逐渐减小,故D错误.故选A.
9.答案:AC
解析:开关K合在a处,滑片P上滑时,副线圈回路中的电阻增大,电流减小,由原线圈与副线圈电流的关系,可知原线圈中的电流也将减小,A正确;开关K合在b处,滑片P下滑时,副线圈回路中的电阻减小,电流变大,而电压不变,所以输出功率将变大,由于输入功率等于输出功率,所以变压器输入功率将增大,B错误;保持滑片P的位置不变,开关K由b合到a时,由eq \f(n1,n2)=eq \f(U1,U2),可知副线圈两端的电压将减小,所以R消耗的功率将减小,C正确;保持滑片P的位置不变,开关K由a合到b时,由eq \f(n1,n2)=eq \f(U1,U2)可知,U2增大,故I2增大,又eq \f(n1,n2)=eq \f(I2,I1),可知原线圈中的电流将增大,D错误.
10.答案:AD
解析:输入电压的有效值为U1=eq \f(220\r(2),\r(2))V=220V,由瞬时值表达式可知,角速度为ω=100πrad/s,电流频率为f=eq \f(ω,2π)=eq \f(100π,2π)Hz=50Hz,故A正确;S接到a处,当滑动变阻器的滑片向下滑动时,副线圈电路的总电阻减小,由eq \f(U1,U2)=eq \f(n1,n2)可知U2不变,即电压表V2的示数不变,所以电流表A2的示数变大,电流表A1的示数也变大,故B、C错误;若滑动变阻器的滑片不动,S由a处改接到b处,副线圈匝数减小,输入电压不变,输出电压减小,即电压表V2的示数减小,根据P2=eq \f(U eq \\al(\s\up1(2),\s\d1(2)) ,R总)知输出功率减小,根据输入功率等于输出功率,可知P1=U1I1减小,U1不变,则I1减小,即电流表A1的示数减小,故D正确.
教科版 (2019)选择性必修 第二册4 电能的传输习题: 这是一份教科版 (2019)选择性必修 第二册<a href="/wl/tb_c4017526_t7/?tag_id=28" target="_blank">4 电能的传输习题</a>,共5页。试卷主要包含了输电能耗演示电路如图所示,答案等内容,欢迎下载使用。
物理选择性必修 第二册3 变压器随堂练习题: 这是一份物理选择性必修 第二册<a href="/wl/tb_c4017525_t7/?tag_id=28" target="_blank">3 变压器随堂练习题</a>,共4页。试卷主要包含了答案等内容,欢迎下载使用。
选择性必修 第二册3 变压器课后练习题: 这是一份选择性必修 第二册<a href="/wl/tb_c4017525_t7/?tag_id=28" target="_blank">3 变压器课后练习题</a>,共5页。试卷主要包含了3V,0W等内容,欢迎下载使用。

