2023-2024学年河北省保定唐县联考九年级物理第一学期期末经典试题含答案
展开
这是一份2023-2024学年河北省保定唐县联考九年级物理第一学期期末经典试题含答案,共12页。试卷主要包含了答题时请按要求用笔,下列不符合安全用电要求的是,下列关于声现象的说法,正确的是,以下说法中与生活实际符合的是,下列做法符合安全用电要求的是,下列说法正确的是等内容,欢迎下载使用。
学校_______ 年级_______ 姓名_______
注意事项:
1.答题前,考生先将自己的姓名、准考证号码填写清楚,将条形码准确粘贴在条形码区域内。
2.答题时请按要求用笔。
3.请按照题号顺序在答题卡各题目的答题区域内作答,超出答题区域书写的答案无效;在草稿纸、试卷上答题无效。
4.作图可先使用铅笔画出,确定后必须用黑色字迹的签字笔描黑。
5.保持卡面清洁,不要折暴、不要弄破、弄皱,不准使用涂改液、修正带、刮纸刀。
一、选择题(每题1.5分,共30题,45分)
1.如图所示,两盏相同的电灯在闭合开关后都能发光.过了一会儿,两盏电灯突然同时都不亮了,且电压表和电流表的示数均变为零.如果电路中只有一处故障,则故障可能是 ( )
A.电灯L1断路B.电灯L2断路
C.电灯L1短路D.电灯L2短路
2.如图的工具中,使用时属于费力杠杆的是
A.镊子B.羊角锤
C.开瓶起子D.钳子
3.如图,为定值电阻,当滑动变阻器接入电路电阻的阻值为R时,其消耗的功率是20W;当接入电路电阻的阻值为2R时,其消耗的功率可能是
A.10WB.20WC.40WD.80W
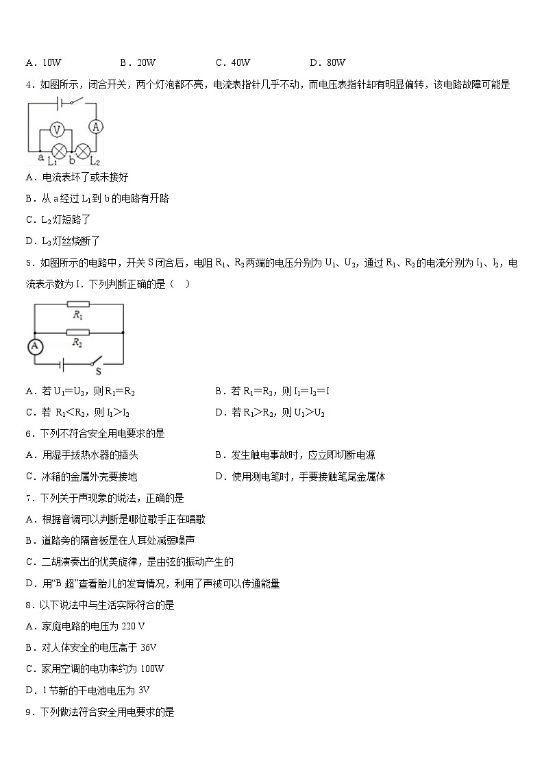
4.如图所示,闭合开关,两个灯泡都不亮,电流表指针几乎不动,而电压表指针却有明显偏转,该电路故障可能是
A.电流表坏了或未接好
B.从a经过L1到b的电路有开路
C.L2灯短路了
D.L2灯丝烧断了
5.如图所示的电路中,开关S闭合后,电阻R1、R2两端的电压分别为U1、U2,通过R1、R2的电流分别为I1、I2,电流表示数为I.下列判断正确的是( )
A.若U1=U2,则R1=R2B.若R1=R2,则I1=I2=I
C.若 R1<R2,则I1>I2D.若R1>R2,则U1>U2
6.下列不符合安全用电要求的是
A.用湿手拔热水器的插头B.发生触电事故时,应立即切断电源
C.冰箱的金属外壳要接地D.使用测电笔时,手要接触笔尾金属体
7.下列关于声现象的说法,正确的是
A.根据音调可以判断是哪位歌手正在唱歌
B.道路旁的隔音板是在人耳处减弱噪声
C.二胡演奏出的优美旋律,是由弦的振动产生的
D.用“B超”查看胎儿的发育情况,利用了声被可以传通能量
8.以下说法中与生活实际符合的是
A.家庭电路的电压为220 V
B.对人体安全的电压高于36V
C.家用空调的电功率约为100W
D.1节新的干电池电压为3V
9.下列做法符合安全用电要求的是
A.使用测电笔时,手不要接触笔尾的金属体
B.家庭电路中保险丝可用铜丝代替
C.家庭电路中的插座与用电器是串联的
D.有金属外壳的用电器应使用三孔插座
10.下列说法正确的是( )
A.丝绸摩擦过的玻璃棒带正电是因为玻璃棒失去了电子B.铜、铁、铝可以被磁化,它们是磁性材料
C.绝缘体没有电子,因此不容易导电D.电磁波不能在真空中传播
11.汽车已经成为现代生活不可缺少的一部分,汽车多数采用汽油机作为发动机,如图是四冲程汽油机的工作循环示意图,下列说法中不正确的是( )
A.甲冲程是把机械能转化为内能
B.乙冲程是排气冲程
C.丙冲程是把机械能转化为内能
D.丁冲程是吸气冲程
12.甲、乙两个轻质小球相互排斥.把带正电的玻璃棒靠近甲球时,甲球与玻璃棒相互吸引,则乙球
A.一定带正电B.可能带负电,可能不带电
C.一定带负电D.可能带正电,可能不带电
13.有金属外壳的家用电器,其外壳必须接地,目的是( )
A.防触电B.防短路C.节能D.稳固
14.在标准大气压下,将0.2kg水从25℃加热至沸腾需吸收的热量是(C水=4.2×103J/(kg•℃))( )
A.2.1×103JB.6.3×103JC.2.1×104JD.6.3×104J
15.首先发现电流周围存在磁场的物理学家是( )
A.奥斯特B.焦耳C.沈括D.安培
16.三个悬挂着的轻质带电小球,相互作用情况如图所示,那么甲、乙、丙的带电情况( )
A.甲、乙球带异种电荷
B.乙、丙球带同种电荷
C.如果甲球带正电荷,则丙球带负电荷
D.如果甲球带正电荷,则丙球带正电荷
17.如图所示电路中,电源电压保持不变,当开关S闭合后,电路正常工作。一段时间后,其中一盏灯突然熄灭,两只电表中一只电表示数变小,另一只电表示数不变。出现这种现象的可能原因是:( )
A.L1断路B.L2断路C.L1短路D.L2短路
18.下列生活实例中,属于做功改变物体内能的是( )
A.冬天用热水泡脚变得暖和B.用手反复弯折铁丝,弯折处发热
C.医生用冰袋给发烧的病人降温D.冬天人们在室外晒太阳感觉暖和
19.下列现象能说明分子在做无规则运动的是( )
A.柳絮飞舞B.玉兰飘香C.落叶纷飞D.瑞雪飄飘
20.智能指纹锁是利用计算机信息技术、电子技术、机械技术等多项技术于一体的高科技产品。它的“钥匙”是特定人的指纹(相当于开关S1)、磁卡(相当于开关S2)或应急钥匙(相当于开关S3),三者都可以单独使指纹锁内的电动机M工作而打开门锁。同学们根据上述电路特点设计了如图所示的四个电路图,其中符合设计要求的是
A.B.
C.D.
21.通常情况下,下列物品属于导体的是
A.陶瓷B.石墨
C.玻璃D.塑料
22.如图所示,关于这个电能表,下列叙述正确的是( )
A.电能表是测量电功率的仪表
B.220V表示电能表应该接在220V的电路中使用
C.电能表的示数是9716kW•h
D.2500r/kW•h表示电能表的转盘每转1转,消耗的电能是2500kW•h
23.如图所示,关于汽油机的四冲程,下面的说法正确的是( )
A.甲图中机械能转化为内能B.乙图中内能转化为机械能
C.丙图是压缩冲程D.丁图是靠飞轮的惯性完成的
24.如图所示的电路中,电阻阻值R1 I2B.U1U2D.I1< I2
25.如图所示的下列情景中,符合安全用电规范的是( )
A.B.
C.D.
26.如图所示, L1、L2是两相同规格灯泡,当开关S闭合后,则( )
A.只有灯泡L2亮B.只有灯泡L1亮
C.灯泡L1 、L2都亮D.电源短路烧毁
27.相同温度下,关于铜线和铝线的电阻,下列说法正确的是( )
A.铜线的电阻一定比铝线的电阻小
B.粗细相同的两根铜线,长的那根电阻较大
C.长度相同粗细也相同的铜线和铝线,电阻一定相等
D.长度相同的两根铝线,粗的那根电阻较大
28.物理学把“物体内所有分子热运动的动能与分子势能的总和叫做物体的内能”,请你根据这个意思, 结合所学知识,下列判断正确的是( )
A.同一物体,温度降低,物体内能增大
B.同一物体,温度升高,物体内能增大
C.同种物质,分子个数越多,物体内能越大
D.同种物质,分子个数越少,物体内能越小
29.高速公路收费站对过往的超载货车实施计重收费,某同学结合所学物理知识设计了如图所示的计重秤原理图,以下说法正确的是( )
A.称重表其实是一个电压表
B.电路中的R1是没有作用的
C.当车辆越重时,R连入电路的阻值越大
D.当车辆越重时,称重表的示数越大
30.关于分子动理论与内能,下列说法正确的是( )
A.液体不易被压缩是因为分子间存在引力
B.炒菜是通过做功的方式改变菜的内能
C.一桶水的比热容比一杯水的比热容大
D.扩散现象说明分子在不停地运动,分子间有间隙
二、填空题(每空1分,共10题,20分)
31.吹大了的气球没握住,它呼啸着飞跑了!当球内气体喷出来时,发生的能量转化情况是_____能转化为机械能。冬天常用热水袋取暖,把质量为2Kg,温度为90℃的热水装入热水袋中,到温度降为30℃的时侯,这些水放出了_____J的热量。
32.家用电风扇的电动机线圈电阻为2Ω,正常工作时,通过的电流为2A,通电10分钟,电风扇消耗的电能为_____J,线圈产生的热量为_____J。
33.如图 所示电路,电源电压不变,调节滑动变阻器,使电压表示数从 9V 变化到 1V,同时观察电流表示数由 0.5A 变为 0.9A 时,定值电阻 R0 =______Ω, 电源电压 U =______V。
34.如图所示,在透明塑料盒的底部钻一个孔,把电子式火花发生器的放电针紧紧地塞进孔中,打开塑料盒盖,向盒内滴入数滴酒精,再将盒盖盖紧,然后揿动电火花发生器的按钮…….
(1)在此过程中,酒精燃烧后的燃气的_________能转化为塞子的_________.
(2)汽油机的工作过程的____冲程与这一实验过程中能量的转化是一致的.如果该汽油机飞轮转速是1200r/min,则它每秒钟内对外做功____次.
35.如图所示,挂在横杆上的两个气球大小一样,甲气球中装入少量水。将烛焰同时靠近两气球的底部,稍后,乙气球“啪”的一声破了,但甲气球加热很长时间,仍安然无恙,
(1)“烧不破”的甲气球由于装有水,而水的比热容较________且水蒸发过程需要________(吸收、放出)热量,所以甲球的温度升高较慢。
(2)给乙气球加热直至破裂的整个过程中,气球内气体内能的变化情况是__________________。
36.如图所示的仪表是测量________的仪表,它应该__________(选填“串联”或“并联”)在电路中使用,它的分度值是______A。
37.如图甲中电流表的示数为________A, 图乙中电压表的示数为________V。
38.小华把蚊香片放到电热驱蚊器的发热板上,发热板温度升高是通过_____的途径改变发热板的内能;蚊香片的温度升高是通过_____的途径改变蚊香片的内能。
39.某家用电能表上标有“220V 5A 3000R/kW·h”的字样,当家中用电器全部工作时,电能表1分钟转了45转,消耗的电能是__________。
40.在家庭电路中,__________表用来测量用户消耗电能的多少。一只标有“220V 40W”字样的白炽灯正常工作10h,消耗的电能为__________度。
三、实验题(每空1分,共2题,15分)
41.某小组同学利用图中的实验装置“比较甲、乙两种液体的吸热能力”。
(1)实验时,用两个相同的酒精灯分别给_____相等、初温相同的甲、乙两种液体加热。用相同的酒精灯加热是为了保证在相同时间内,液体吸收的热量_____。
(2)该实验通过比较_____(选填“加热时间的长短”或“温度计示数的变化量”)间接反映甲、乙两种液体吸收热量的多少。
(3)加热一段相同的时间,甲液体的温度为32,乙液体的温度为_____(如下图),则_____(选填“甲”或“乙”)液体的吸热能力强。
42.如图是“探究导体在磁场中运动时产生感应电流的条件”的实验装置。
(1)闭合开关,当导体ab向左或向右运动时,电流表指针偏转,当导体ab向上或向下运动时,电流表指针不偏转,说明闭合电路中的部分导体在磁场中做_________________运动时导体中会产生感应电流。利用这个原理可以制作_____________;(选填“电动机”或“发电机”)
(2)在此实验过程中,是将__________能转化为_________能;
(3)实验中发现,当导体ab向左运动时,电流表指针向右偏转,当导体ab向右运动时,电流表指针向左偏转,说明_________ 与导体的运动方向有关;
(4)小明想进一步探究感应电流大小与导体运动的快慢是否有关,他应进行的操作是________。
四、计算题(每题10分,共2题,20分)
43.在如图所示的电路中,电源电压U保持不变,R1为定值电阻,R2为滑动变阻器,其最大阻值为R2。闭合开关S,要求:
(1)当滑动变阻器的滑片P移动时,用题中字母推导出电路的总电功率最大值的表达式:
(2)请你分析论证当滑动变阻器的滑片P从变阻器当中某位置R0滑到最右端的过程中,R2的电功率是如何变化的?
温馨据示:推导过程中需要的物理量可以提前设定。
44.一个学校的学生公寓中安装了“即热式”电热水器,解决了学生日常饮水需要。下表为该电热水器的部分技术参数。
已知电热水器的电阻不受温度影响,其热效率为80%,热水器内装满初温为20℃的水,若在一标准大气压下将水加热至烧开(1L=10-3m3),求:
(1)电热水器正常工作时的电流;
(2)电热水器消耗的电能;
(3)当实际电压为200V时电热水器的功率。
参考答案
一、选择题(每题1.5分,共30题,45分)
1、A
2、A
3、B
4、B
5、C
6、A
7、C
8、A
9、D
10、A
11、C
12、C
13、A
14、D
15、A
16、C
17、B
18、B
19、B
20、D
21、B
22、B
23、A
24、A
25、D
26、A
27、B
28、B
29、D
30、D
二、填空题(每空1分,共10题,20分)
31、内 5.04×105
32、2.64×105 4.8×103
33、20 19
34、(1)内能 机械能 (2)做功 10
35、大 吸收 内能先增大后减小
36、电流 串联 40
37、0.28 12.5
38、做功 热传递
39、
40、电能 0.4
三、实验题(每空1分,共2题,15分)
41、质量 相同 加热时间的长短 46 甲
42、切割磁感线 发电机 机械 电 感应电流的方向 见详解
四、计算题(每题10分,共2题,20分)
43、 (1) (2)一直变大或者先变大后变小或者一直变小
44、 (1)5.5A;(2)2.1×107J;(3)1000W
型号
额定功率/W
额定电压/V
频率/Hz
容积/L
BTF-065
1210
220
50
50
相关试卷
这是一份河北省保定市唐县2023-2024学年九年级物理第一学期期末教学质量检测模拟试题含答案,共15页。试卷主要包含了关于并联电路,下列说法正确的是,关于下面四幅图的说法正确的是等内容,欢迎下载使用。
这是一份2023-2024学年河北省石家庄市行唐县物理九上期末经典试题含答案,共14页。试卷主要包含了考生必须保证答题卡的整洁,关于安全用电,下列做法正确的是等内容,欢迎下载使用。
这是一份2023-2024学年河北保定雄县物理九年级第一学期期末经典试题含答案,共8页。试卷主要包含了考生必须保证答题卡的整洁,下列有关热现象,说法正确的是等内容,欢迎下载使用。

