高中化学人教版 (2019)选择性必修1第一节 原电池第一课时导学案及答案
展开课程目标
1.理解原电池的构成。
2.理解原电池的工作原理。
3.能正确书写电池的电极反应和总反应。
图说考点
必备基础——自学·尝试
[新知预习]
一、原电池
1.定义:将________转化为________的装置。
2.原电池反应的本质:自发进行的________反应。
3.原电池的构成条件:
(1)两个活泼性不同的电极,较活泼金属作________,较不活泼金属或非金属作________。
(2)两电极必须浸在________________。
(3)用导线(和盐桥)连通外电路(和内电路)形成________。
(4)自发的氧化还原反应。
二、原电池工作原理
1.分析下图所示原电池装置并填空。
原电池总反应式:________________。
2.电子流动方向和电流方向
(1)外电路:电子由________电极经过导线流向________电极,电流由________电极流向________电极;
(2)内电路:阳离子移向正极,阴离子移向负极。
三、原电池的设计
1.外电路
2.内电路:将两电极浸入电解质溶液中,阴、阳离子作________。
[即学即练]
1.判断正误,正确的打“√”,错误的打“×”
(1)构成原电池的正极和负极必须是两种不同的金属。( )
(2)两种活泼性不同的金属组成原电池的两极,活泼金属一定作负极。( )
(3)把铜片和铁片靠在一起浸入稀硫酸中,铜片表面产生气泡。( )
(4)图1中电子由Zn极经导线流向Cu极,盐桥中的Cl-移向CuSO4溶液。( )
(5)图2所示的装置能形成原电池。( )
(6)原电池工作时,电子由负极流出,经导线流向正极,再由正极通过溶液流回负极。( )
2.(双选)下图为锌铜原电池装置,下列有关描述正确的是( )
A.铜片和锌片不能互换位置
B.缺少电流表,则不能产生电流
C.盐桥可用吸有KNO3溶液的滤纸条代替
D.Zn发生氧化反应,Cu发生还原反应
3.图甲和图乙均是双液原电池装置。下列说法不正确的是( )
A.甲中电池总反应的离子方程式为
Cd(s)+C2+(aq)===C(s)+Cd2+(aq)
B.反应2Ag(s)+Cd2+(aq)===Cd(s)+2Ag+(aq)能够发生
C.盐桥的作用是形成闭合回路,并使两边溶液保持电中性
D.乙中有1 ml电子通过外电路时,正极有108 g Ag析出
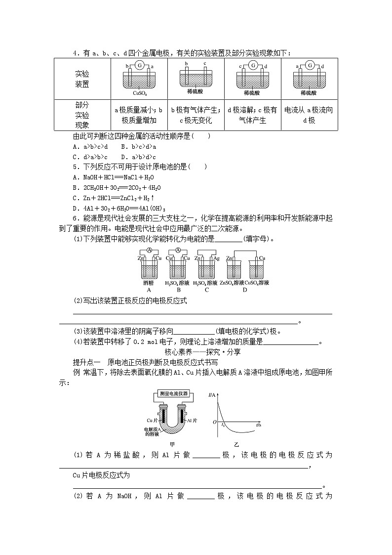
4.有a、b、c、d四个金属电极,有关的实验装置及部分实验现象如下:
由此可判断这四种金属的活动性顺序是( )
A.a>b>c>d B.b>c>d>a
C.d>a>b>c D.a>b>d>c
5.下列反应不可用于设计原电池的是( )
A.NaOH+HCl===NaCl+H2O
B.2CH3OH+3O2===2CO2+4H2O
C.Zn+2HCl===ZnCl2+H2↑
D.4Al+3O2+6H2O===4Al(OH)3
6.能源是现代社会发展的三大支柱之一,化学在提高能源的利用率和开发新能源中起到了重要的作用。电能是现代社会中应用最广泛的二次能源。
(1)下列装置中能够实现化学能转化为电能的是________(填字母)。
(2)写出该装置正极反应的电极反应式
________________________________________________________________________________________________________________________________________________。
(3)该装置中溶液里的阴离子移向____________(填电极的化学式)极。
(4)若装置中转移了0.2 ml电子,则理论上溶液增加的质量是________________。
核心素养——探究·分享
提升点一 原电池正负极判断及电极反应式书写
例 常温下,将除去表面氧化膜的Al、Cu片插入电解质A溶液中组成原电池,如图甲所示:
(1)若A为稀盐酸,则Al片做________极,该电极的电极反应式为________________________________________________________________________,
Cu片电极反应式为
________________________________________________________________________。
(2)若A为NaOH,则Al片做________极,该电极的电极反应式为________________________________________________________________________。
(3)若A为浓HNO3,测得原电池的电流强度(I)随时间(t)的变化如图乙所示,反应过程中有红棕色气体产生。0~t1 s时,原电池的负极是________,正极的电极反应式为____________________________,溶液中的H+向________极移动。t1时,原电池中电子流动方向发生改变,此时________做负极,该电极的电极反应式为________________________________________________________________________。
(4)若A为稀HNO3,则Cu片做________极,该电极的电极反应式为________________________________________________________________________。
状元随笔 电极的正负除与金属的活动性有关外,还与电解质溶液有关,那么对正负极的判断要依据发生的氧化还原反应来判断。
[提升1] 下列有关电化学知识的描述
正确的是( )
A.Cu+H2SO4===CuSO4+H2↑这个反应可设计成原电池
B.利用Cu+2FeCl3===CuCl2+2FeCl2,可设计如图所示原电池装置,盐桥内K+向FeCl3溶液移动
C.因为铁的活动性强于铜,所以将铁、铜用导线连接后放入浓硝酸中组成原电池,铁作负极,铜作正极,其负极反应式为Fe-2e-===Fe2+
D.由Al、Mg与氢氧化钠溶液组成的原电池,其负极反应式为Mg-2e-+2OH-===Mg(OH)2
状元随笔 构成原电池的前提是存在一个自发的氧化还原反应,正负极可以根据发生的化学反应判断。
盐桥在原电池中起导电作用,盐桥中的离子作定向移动,阴离子向负极移动,阳离子向正极移动,盐桥不能用导线代替。
关键能力
1.原电池正、负电极的判断方法
状元随笔 电子只能在导线中流动而不能在溶液中流动,离子只能在溶液中移动而不能通过导线,可以形象地描述为“电子不下水,离子不上岸”。
2.电极反应式书写的一般步骤
提升点二 原电池原理的应用
例2 已知电极材料:铁、铜、银、石墨、锌、铝;电解质溶液:CuCl2溶液、Fe2(SO4)3溶液、稀硫酸。按要求回答下列问题:
(1)电工操作上规定:不能把铜导线和铝导线连接在一起使用。请说明原因:________________________________________________________________________
________________________________________________________________________。
(2)若电极材料选铜和石墨,电解质溶液选溶液,外加导线,能否构成原电池?
________。若能,请写出电极反应式,负极:________________________,正极:________________________(若不能,后两空不填)。
(3)设计一种以铁和稀硫酸反应为原理的原电池,在下面的方框中画出装置图(需标明电极材料及电池的正负极)。
状元随笔 “装置图”常见失分点
(1)不注明电极材料名称或元素符号
(2)不画电解质溶液或画出但不标注
(3)误把盐桥画成导线
(4)不能连成闭合回路
[提升2] 由A、B、C、D四种金属按下表中装置图进行实验。
根据实验现象回答下列问题:
(1)装置甲中负极的电极反应式是
________________________________________________________________________
________________________________________________________________________。
(2)装置乙中正极的电极反应式是
________________________________________________________________________________________________________________________________________________。
(3)装置丙中溶液的pH________(填“变大”“变小”或“不变”)。
(4)四种金属活动性由强到弱的顺序是________________________________________________________________________。
状元随笔 金属活动性强弱的判断方法
1.一般可根据正负极确定金属活动性:负极金属>正极金属。
2.根据题中电极质量的增减、生成气体、电子流向或发生置换反应等可以比较金属活动性。
关键能力
原电池原理的常见应用
1.比较金属活动性强弱。如有两种金属a和b,用导线连接后插入稀硫酸中,观察到a极溶解,b极上有气泡产生。由此可判断出a极是负极,b极是正极,故金属活动性a>b。
2.加快氧化还原反应的速率。如在锌与稀H2SO4反应时加入少量CuSO4溶液,能形成Cu—Zn微小的原电池,从而加快产生H2的速率。
3.设计简单的原电池装置
以Fe+CuSO4===FeSO4+Cu反应为例,原电池装置设计方法思路如下
第一步:将电池总反应拆成两个半反应
负极:Fe-2e-===Fe2+,正极:Cu2++2e-===Cu
第二步:确定负极材料、正极材料和电解质溶液
负极材料:失电子的物质(还原剂)作负极材料即Fe。
正极材料:用比负极材料金属活动性差的金属或非金属导体作正极材料即Cu或Ag或C等。
电解质溶液:含有反应中作氧化剂的物质作电解质,即CuSO4溶液,如果两个半反应分别在两个容器中进行(中间连接盐桥),则两个容器中的电解质溶液应含有与电极材料相同的金属的阳离子。
第三步:画出装置图,并注明电极材料和电解质溶液,如下图。
状元随笔 加入少量CuSO4后,锌可以置换出铜形成微小原电池,速率加快。但若加入过多CuSO4溶液,生成铜覆盖在锌外面,反而阻碍反应进行。实验室可以用粗锌制氢气而加快反应速率。
素养形成——自测·自评
1.[2022·济南高二检测]实验发现,298 K时,在FeCl3酸性溶液中加少量锌粒后,Fe3+立即被还原成Fe2+。某夏令营兴趣小组根据该实验事实设计了如图所示的原电池装置。下列有关说法正确的是( )
A.该原电池的负极反应是Zn-2e-===Zn2+
B.该电池总反应为3Zn+2Fe3+===2Fe+3Zn2+
C.该电池铂电极上有气泡出现
D.左烧杯中溶液的颜色不变
2.由W、X、Y、Z四种金属按下列装置进行实验。下列说法不正确的是( )
A.装置甲中X作原电池正极
B.装置乙中Y电极上的反应式为
Cu2++2e-===Cu
C.装置丙中溶液的c(H+)不变
D.四种金属的活动性强弱顺序为Z>W>X>Y
3.如图所示,杠杆AB两端分别挂有体积相同、质量相等的空心铜球和空心铁球,调节杠杆并使其在水中保持平衡,然后小心地向水槽中滴入浓CuSO4溶液,一段时间后,下列有关杠杆的偏向判断正确的是(实验中,不考虑两球的浮力变化)( )
A.当杠杆为导体或绝缘体时,均为A端高B端低
B.当杠杆为导体或绝缘体时,均为A端低B端高
C.当杠杆为导体时,A端高B端低;杠杆为绝缘体时,A端低B端高
D.当杠杆为导体时,A端低B端高;杠杆为绝缘体时,A端高B端低
4.在如图所示的8个装置中,属于原电池的是( )
A.①②④ B.③④⑤
C.④⑥⑧ D.④⑦
5.如图所示,下列说法正确的是( )
A.装置Ⅰ和装置Ⅱ中负极反应均是Fe-2e-===Fe2+
B.装置Ⅰ和装置Ⅱ中正极反应均是O2+2H2O+4e-===4OH-
C.装置Ⅰ和装置Ⅱ的盐桥中的阳离子均向右侧烧杯移动
D.放电过程中,装置Ⅰ左侧烧杯和装置Ⅱ右侧烧杯中溶液的pH均增大
6.已知可逆反应:2I-2H++I2+H2O。
设计如图所示装置(盐桥中的阴、阳离子可以自由移动,盐桥在原电池中不参与反应,只起导电作用)。
进行如下操作:(Ⅰ)向(B)烧杯中逐滴加入浓盐酸,发现电流表指针偏转;(Ⅱ)若改往(B)烧杯中滴加质量分数为40%的NaOH溶液,发现电流表指针向相反方向偏转。
(1)两次操作过程中电流表指针偏转方向为什么会相反?试用电极反应和化学平衡移动的原理解释此现象:
__________________________________________________________________________________________________________________________________________________________________________________________________________________________________________。
(2)(Ⅰ)操作过程中石墨棒(a)上发生的电极反应为________________________________________________________________________。
(3)(Ⅱ)操作过程中石墨棒(b)上发生的电极反应为________________________________________________________________________。
练后感悟
1.原电池的设计或构成前提是存在一个自发的氧化还原反应。
2.导线中电子作定向移动,溶液中离子作定向移动,共同构成一个完整的闭合回路。
3.原电池中负极失去电子总数和正极得电子总数相等。
4.可逆反应设计成的原电池中,平衡时无电流产生;平衡移动方向决定了电路中电流方向。
第四章 化学反应与电能
第一节 原电池
第1课时 原电池的工作原理
必备基础
新知预习
一、
1.化学能 电能
2.氧化还原
3.(1)负极 正极 (2)电解质溶液中 (3)闭合回路
二、
1.负极 氧化 Zn-2e-===Zn2+ 正极 还原 2H++2e-===H2↑ Zn+2H+===Zn2++H2↑
2.(1)Zn 铜 铜 Zn
三、
1.还原 氧化 氧化 还原
2.定向移动
即学即练
1.答案:(1)× (2)× (3)√ (4)× (5)× (6)×
2.解析:若铜片和锌片互换位置,则铜片置于ZnSO4溶液中,锌片置于CuSO4溶液中,CuSO4溶液中Zn与Cu2+直接发生反应,不能产生电流,A项正确;锌铜原电池中,电流表的作用是观察电流的产生,与电流能否产生无关,B项错误;吸有KNO3溶液的滤纸条中有自由移动的K+、,可代替盐桥,C项正确;Cu电极上是Cu2+发生还原反应,D项错误。
答案:AC
3.解析:由甲可知Cd的活动性强于C,由乙可知C的活动性强于Ag,即Cd的活动性强于Ag,故Ag不能置换出Cd,B项错误。
答案:B
4.解析:由第一个装置a极溶解,可知a极是负极,金属活动性a>b,对于第二个装置,依据还原性规律知,金属活动性b>c,第三个装置的金属活动性d>c,由第四个装置电流从a→d,则电子从d→a,故金属活动性d>a。
答案:C
5.答案:A
6.答案:(1)C (2)2H++2e-===H2↑ (3)Zn (4)6.3 g
核心素养
例1 解析:(1)CuAl盐酸构成的原电池,Al做负极,电极反应式为Al-3e-===Al3+;Cu做正极,电极反应式为2H++2e-===H2↑。
(2)AlCuNaOH溶液构成的原电池,Al做负极,电极反应式为===+2H2O,Cu做正极,电极反应式为2H2O+2e-===H2↑+2OH-。
解析:(3)Al-Cu-浓硝酸构成的原电池,在0~t1时,Al片做负极,正极在酸性条件下得电子生成NO2和H2O,在原电池中,阳离子向正极移动,即H+向正极移动。由于Al在浓HNO3中发生了钝化,生成的氧化膜阻止了反应的进行,此时Cu与浓HNO3反应而导致Cu做负极,电子流动方向发生改变。
(4)Al-Cu-稀HNO3构成的原电池中Al片做负极,Cu片做正极,该电极上在酸性条件下得电子生成NO和H2O。
答案:(1)负 Al-3e-===Al3+ 2H++2e-===H2↑
(2)负 ===+2H2O
(3)Al片 +2H++e-===NO2↑+H2O 正(或Cu片) Cu片 Cu-2e-===Cu2+
(4)正 +3e-+4H+===NO↑+2H2O
提升1 解析:该反应不是自发进行的氧化还原反应,不能设计成原电池,故A错误;根据电池总反应式Cu+2FeCl3===CuCl2+2FeCl2,可知Cu失电子作负极,正极上Fe3+得电子生成Fe2+,原电池工作时,盐桥中的阳离子向正极移动,故盐桥内K+向FeCl3溶液移动,故B正确;铁遇到浓硝酸会钝化,铜作负极,负极反应式为Cu-2e-===Cu2+,故C错误;由Al、Mg与氢氧化钠溶液组成的原电池反应是Al与氢氧化钠溶液之间的反应,其负极反应式为===+2H2O,故D错误。
答案:B
例2 解析:(1)当Cu、Al导线连接时,接触到潮湿的空气就易形成原电池而使Al被腐蚀。(2)因为Fe2(SO4)3能与Cu发生反应:+Cu===2FeSO4+CuSO4,因此根据给出条件可以设计成原电池,其负极为Cu,电极反应为Cu-2e-===Cu2+,正极为石墨,电极反应为2Fe3++2e-===2Fe2+。解析:(3)因为原电池反应为Fe+H2SO4===FeSO4+H2↑,所以负极为Fe,正极可为Cu、Ag或石墨,电解质溶液为稀硫酸,即可画出装置图。
答案:(1)二者连接在一起时,接头处在潮湿的空气中形成原电池,铝作负极被腐蚀 (2)能 Cu-2e-===Cu2+ 2Fe3++2e-===2Fe2+
(3)如图(合理即可)
提升2 解析:甲、乙、丙均为原电池装置。依据原电池原理,甲中A不断溶解,则A为负极、B为正极,活动性A>B;乙中C极质量增加,即析出Cu,则B为负极,活动性B>C;丙中A上有气泡,即H2产生,则A为正极,活动性D>A,随着H+的消耗,pH变大。
答案:(1)A-2e-===A2+ (2)Cu2++2e-===Cu
(3)变大 (4)D>A>B>C
素养形成
1.答案:A
2.解析:装置甲中金属W不断溶解,负极失电子逐渐溶解,则W作原电池负极,X为正极,氢离子得到电子生成氢气,故A正确;Y上铜离子得电子生成Cu,电极反应式为Cu2++2e-===Cu,故B正确;W上氢离子得电子生成氢气,溶液中氢离子浓度减小,故C错误;甲中W为负极,X为正极,则活动性:W>X;乙中X为负极,Y为正极,则活动性:X>Y;丙中Z为负极,W为正极,则活动性:Z>W,所以四种金属的活动性强弱顺序为Z>W>X>Y,故D正确。
答案:C
3.解析:当杠杆为导体时,硫酸铜溶液、铁球和铜球可以形成原电池,铁作负极,其发生氧化反应而溶解,故其质量减小,铜作正极,由于铜离子在铜表面可以得到电子发生还原反应生成铜,故铜球质量变大,故A端低B端高;杠杆为绝缘体时,铁与硫酸铜发生置换反应生成铜,故铁球质量变大,而铜球质量不变,故A端高B端低。综上所述,D判断是正确的,故选D。
答案:D
4.解析:根据原电池中有两个电极,排除①;根据两个金属电极的活动性不同,排除③和⑧;根据必须存在电解质溶液或熔融电解质,排除⑤;根据两电极间要形成闭合回路,排除②⑥;④⑦均满足形成原电池的条件。
答案:D
5.解析:装置Ⅰ中Zn为负极,电极反应为Zn-2e-===Zn2+,A项错误;装置Ⅱ的正极为Cu,如果HCl足量,则正极反应为2H++2e-===H2↑,B项错误;原电池中阳离子向正极移动,故装置Ⅰ的盐桥中阳离子移向左侧烧杯,装置Ⅱ的盐桥中阳离子移向右侧烧杯,C项错误;放电过程中,装置Ⅰ左侧烧杯中的电极反应为O2+2H2O+4e-===4OH-,溶液pH增大,装置Ⅱ右侧烧杯中先发生H+生成H2的反应,若H+反应完,则发生反应O2+2H2O+4e-===4OH-,溶液pH增大,D项正确。
答案:D
6.解析:向(B)烧杯中加浓盐酸发生还原反应,石墨棒(b)为正极;当加入NaOH溶液后发生氧化反应,石墨棒(b)变为负极。
答案:(1)加入浓盐酸,对于反应I-+I2+H2O,平衡向右移动发生还原反应,石墨棒(b)作正极;加入NaOH溶液,平衡向左移动发生氧化反应,石墨棒(b)作负极
(2)2I--2e-===I2
e-OH-===+H2O实验
装置
部分
实验
现象
a极质量减小;b极质量增加
b极有气体产生;c极无变化
d极溶解;c极有气体产生
电流从a极流向d极
判断依据
负极
正极
电极材料
活泼性较强的金属
活泼性较弱的金属或导电的非金属
电子流动方向
电子流出极
电子流入极
电解质溶液中
离子迁移方向
阴离子移向的电极
阳离子移向的电极
电流方向
电流流入极
电流流出极
电极反应类型
氧化反应
还原反应
反应现象
电极溶解
电极增重或有气泡产生
装置
现象
二价金属A不断溶解
C极质量增加
A上有气泡产生
装置
现象
金属W
不断溶解
Y的质量
增加
W上有
气体产生
人教版 (2019)选择性必修1第一节 原电池导学案及答案: 这是一份人教版 (2019)选择性必修1第一节 原电池导学案及答案,共2页。学案主要包含了学习目标,学习重难点,课前复习,新课教学,思考与讨论1,课堂检测,思考与讨论2,课堂总结等内容,欢迎下载使用。
人教版 (2019)选择性必修1第一节 原电池导学案: 这是一份人教版 (2019)选择性必修1第一节 原电池导学案,共5页。学案主要包含了学科核心素养与教学目标,重点难点,教法与学法,教学过程,教学反思等内容,欢迎下载使用。
化学选择性必修1第四章 化学反应与电能第一节 原电池优秀导学案: 这是一份化学选择性必修1第四章 化学反应与电能第一节 原电池优秀导学案,共9页。学案主要包含了原电池的工作原理,原电池的正负极的判断等内容,欢迎下载使用。

