2022-2023学年山西省吕梁市汾阳市九年级(上)期末化学试卷(含详细答案解析)
展开1.以下做法不利于实现“碳中和”的是( )
A. 绿色出行B. 节约用电C. 植树造林D. 火力发电
2.我国历史悠久,人文荟萃,拥有丰厚的历史文化遗产。下列文物属于金属材料的是( )
A. 龙形玉佩B. 黑釉瓷器
C. 黄河铁牛D. 人面鱼纹彩陶盆
3.下列有关空气组成的说法正确的是( )
A. 氧气约占空气体积的45
B. 空气是一种重要的资源
C. 氮气的化学性质不活泼,不能与任何物质发生反应
D. 化石燃料的大量使用不会引起空气质量的改变
4.笑气是人类最早应用于医疗的麻醉剂之一,如果长期过量吸入笑气,就会对人体造成不可逆的伤害。笑气是氮的一种氧化物,该氧化物中氮元素的化合价为+1价,笑气的化学式是( )
A. N2B. N2OC. N2O3D. NO2
5.在我国有个有名的“长寿村”,研究发现:那里的水土中硒元素含量很高。如图是硒元素在元素周期表中的相关信息,从该图得到的信息中,你认为错误的是( )
A. 该元素属于非金属元素B. 该元素的相对原子质量为78.96
C. 该元素一个原子的原子核外有34个电子D. 该元素一个原子的原子核内有34个中子
6.“艾叶香,香满堂;粽子香,香厨房。”据研究,粽子的香味来源于粽叶中含有的对乙烯基苯酚(化学式为C8H8O),下列有关对乙烯基苯酚的说法正确的是( )
A. 对乙烯基苯酚由三种元素组成
B. 对乙烯基苯酚中质量分数最高的是氢元素
C. 对乙烯基苯酚中碳、氢、氧三种元素的质量比为8:8:1
D. 对乙烯基苯酚由8个碳原子、8个氢原子、1个氧原子构成
7.推理是化学学习中常用的思维方法,下列推理正确的是( )
A. 单质中含有一种元素,含有一种元素的物质一定是单质
B. 化合物中含有多种元素,所以含有一种元素的物质一定不是化合物
C. 有单质生成的反应是置换反应
D. 金属具有导电性,具有导电性的物质一定是金属
8.实验课上,同学们设计了关于二氧化碳的四个实验,其中能达到目的的是( )
A. 制取二氧化碳
B. 检验二氧化碳
C. 验证二氧化碳密度比空气大
D. 证明二氧化碳使紫色石蕊试液变红
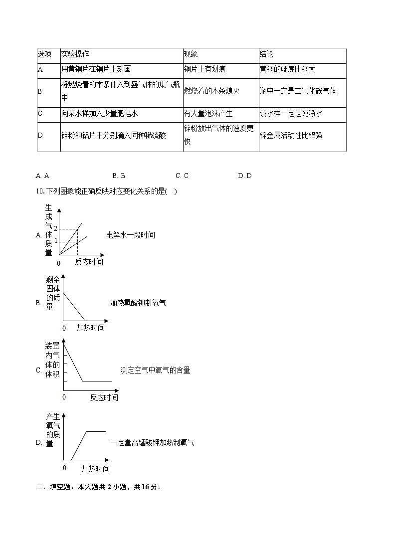
9.下列实验操作、现象与结论对应关系正确的是( )
A. AB. BC. CD. D
10.下列图象能正确反映对应变化关系的是( )
A. 电解水一段时间
B. 加热氯酸钾制氧气
C. 测定空气中氧气的含量
D. 一定量高锰酸钾加热制氧气
二、填空题:本大题共2小题,共16分。
11.能源的综合利用、研发与社会可持续发展密切相关。目前应用最广泛的能源是煤、石油、天然气等化石燃料。如图是家用燃料的更新历程:
(1)①下列有关家用燃料更新的理由错误的是 ______ 。(填序号)
A.燃料使用更便捷
B.气体燃料燃烧得更充分
C.天然气是可再生的能源
D.减少煤燃烧过程中产生的污染物
②煤被誉为“工业的粮食”,它属于 ______ (选填“纯净物”或“混合物”)。工厂烧锅炉用的煤通常加工成粉末状,原因是 ______ 。
(2)汽油中加入适量乙醇(C2H5OH)即可得到乙醇汽油,乙醇汽油的使用可大大节约石油资源并且减少污染,乙醇完全燃烧的化学方程式为 ______ 。
(3)由于使用煤污染较大,我国大力推广“煤改气”,使用天然气【主要成分是甲烷(CH4)】。甲烷在空气中完全燃烧的化学方程式为 ______ 。
(4)目前,化石燃料正面临着日益枯竭的危机,开发和利用清洁而又高效的能源是21世纪人类面临的重要课题。目前我国很多城市公交车都使用氢能源,氢能源被誉为“未来最理想的能源”,其优点是 ______ ,氢气燃烧的化学方程式为 ______ 。
12.A−F和X都是初中化学中的常见物质,其中A、C是无色气体,B、F是红色固体,它们的转化关系如图所示(部分生成物已省略):
(1)E物质为 ______ ;
(2)写出反应①的化学方程式 ______ ;
(3)写出反应②的化学方程式 ______ ,该反应属于 ______ (填写基本反应类型)反应.
三、流程题:本大题共1小题,共6分。
13.如图是传统火法炼锌的一般工艺流程,该流程中采用的原料是锌精矿,其主要成分是ZnS,请回答下列问题:
(1)设备1中高温焙烧发生反应的化学方程式为2ZnS+3O22ZnO+2X,则X的化学式是 ______ 。
(2)传统火法炼锌的主要缺点是 ______ (写一点)。
(3)设备2中产生的CO可作燃料,CO燃烧的化学方程式为 ______ 。
(4)设备2中反应生成锌蒸气(气态)和CO的化学方程式为 ______ 。
四、科普短文题:本大题共1小题,共7分。
14.阅读下列材料。
金属材料对于促进生产发展、改善人类生活发挥了巨大作用。钢是用量最大、用途最广的合金,根据其化学成分,可分为碳素钢和合金钢。根据含碳量不同,碳素钢可分为高碳钢、中碳钢和低碳钢,其性能和用途如图所示。
合金钢也叫特种钢,是在碳素钢里适量地加入一种或几种合金元素,使钢的组织结构发生变化,从而使钢具有各种特殊性能。
铝合金是目前用途广泛的合金之一,例如硬铝的密度小、强度高、具有较强的抗腐蚀能力,是制造飞机和宇宙飞船的理想材料。将某种铝合金放入氢氧化钠溶液中,其中的铝会与氢氧化钠、水反应生成偏铝酸钠(NaAlO2)和一种可燃性气体。
近年来,为满足某些尖端技术发展的需要,人们又设计和合成了许多新型合金。例如:钛合金与人体具有很好的“相容性”,可以用来制造人造骨;耐热合金和形状记忆合金广泛应用于航空航天等。
回答下列问题:
(1)用量最大、用途最广的合金是______。
(2)钢的含碳量是______;可用于制造器械、弹簧和刀具等的是______碳钢。
(3)用于制造飞机和宇宙飞船利用了硬铝______(填标号)的性质。
A.密度小
B.强度高
C.具有较强的抗腐蚀能力
D.硬而脆
(4)可以用来制造人造骨的是______合金。
(5)铝与氢氧化钠溶液反应的化学方程式是______。
五、实验题:本大题共1小题,共6分。
15.小明和同学们利用如图中的仪器完成了实验室制取二氧化碳的实验,并进行了相关问题的思考。请结合图文信息完成下列任务。
(1)仪器G的名称是 ______ 。
(2)要组装实验室制取二氧化碳的装置,你选择的仪器是 ______ (填字母序号),发生反应的化学方程式为 ______ 。
(3)若用如图装置收集二氧化碳,气体应从 ______ 端进,原因是 ______ 。
六、探究题:本大题共1小题,共9分。
16.某小组同学在探究铁生锈的条件时,将铁钉浸没在试管里的食盐水中,一段时间后,发现试管底部出现了黑色粉末。该小组同学对此黑色粉末进行了如下探究。
【提出问题】试管中黑色粉末的成分是什么呢?
【猜想与假设】猜想①Fe猜想②Fe2O3猜想③Fe3O4猜想④FeCl3
【查阅资料】Fe3O4是黑色晶体,能被磁铁吸引。
【分析讨论】
你认为上述四个猜想中,不做实验就可排除的是猜想______和猜想______,理由是______、______。
【实验探究】
(1)将试管中黑色粉末干燥后,用磁铁靠近,发现黑色粉末能被磁铁吸引,于是得出结论,黑色粉末一定是Fe,你认为该结论正确吗?______(填“正确”或“不正确”),理由是______。
(2)请你设计一个实验方案,用化学方法验证黑色粉末是否为Fe。
七、计算题:本大题共1小题,共6分。
17.实验室制取氧气时,某同学取一定质量的高锰酸钾加热,记录产生氧气的质量与反应时间的关系如图所示,请根据图中数据计算高锰酸钾的质量为多少?
答案和解析
1.【答案】D
【解析】解:A、绿色出行,可以减少化石燃料的燃烧,减少二氧化碳的排放,有利于实现碳中和,故选项错误。
B、节约用电,能减少能源的消耗,减少二氧化碳的排放,有利于实现碳中和,故选项错误。
C、植树造林,可以增大二氧化碳的吸收量,有利于实现碳中和,故选项错误。
D、火力发电,需要大量燃烧化石燃料,会产生大量的二氧化碳气体,不利于实现碳中和,故选项正确。
故选:D。
根据“碳中和”,即排放的二氧化碳通过采取植树和节能减排的方式全部抵消,结合题意进行分析判断。
本题难度不大,了解“碳中和”的含义、降低空气中二氧化碳含量的措施是正确解答本题的关键。
2.【答案】C
【解析】解:A、龙形玉佩是玉石,属于无机非金属材料,故选项错误。
B、黑釉瓷器属于瓷器,属于无机非金属材料,故选项错误。
C、黄河铁牛是用铁合金制成的,属于金属材料,故选项正确。
D、人面鱼纹彩陶盆属于陶器,属于无机非金属材料,故选项错误。
故选:C。
金属材料包括纯金属以及它们的合金,据此结合题意进行分析判断即可。
本题难度不大,掌握金属材料的范畴并能灵活运用是正确解答此类题的关键。
3.【答案】B
【解析】解:A、氧气约占空气体积的五分之一,故选项错误;
B、空气是一种重要的资源正确,因为空气中有多种成分,故选项正确;
C、氮气的化学性质不活泼,一定的条件下也能发生化学反应;故选项错误;
D、化石燃料的大量使用会引起空气质量的改变,会产生大量的二氧化碳、一氧化碳等物质;故选项错误;
故选:B。
本考点考查了空气中各种气体的含量、性质和用途等,同学们要加强记忆有关的知识点,在理解的基础上加以应用,本考点基础性比较强,主要出现在选择题和填空题中。
4.【答案】B
【解析】解:“笑气”是一种氮的氧化物,则由氮元素和氧元素组成,其中氮元素的化合价为+1价,氧元素的化合价为−2价,设其化学式为NaOb,则a+b×(−2)=0,a:b=2:1,则笑气的化学式为N2O。
故选:B。
本题考查根据化合价书写化学式,注意书写化学式是必须遵循化合价原则。本题也可使用排除法,将A、B、C、D四个选项中氮元素的化合价分别求出再排除。
5.【答案】D
【解析】解:A、硒元素是“石”字旁,属于非金属元素,故选项说法正确;
B、硒的相对原子质量为78.96,故选项说法正确;
C、左上角的数字表示原子序数,硒的原子序数为34,原子中原子序数=质子数=核外电子数,所以硒原子的原子核外有34个电子,故选项说法正确;
D、根据B、C选项的分析,中子数=相对原子质量-质子数=78.96−34≈35,故选项说法不正确。
故选:D。
由题意可知,“硒(Se)元素在周期表中的一格,从该图得到的信息”为:该元素的相对原子质量;原子序数=核内质子数=核外电子数=核电荷数;由硒的汉语名称,可知其元素种类等信息.
了解元素周期表的特点及其应用;核外电子在化学反应中的作用;了解元素的简单分类;了解原子的定义与构成.
6.【答案】A
【解析】解:A.由化学式可知,对乙烯基苯酚(化学式为C8H8O)是由碳、氢、氧三种元素组成的,选项说法正确;
B.对乙烯基苯酚中C、H、O三种元素的质量比为(12×8):(1×8):16=12:1:2,可见其中碳元素的质量分数最大,选项说法错误;
C.对乙烯基苯酚中C、H、O三种元素的质量比为(12×8):(1×8):16=12:1:2,选项说法错误;
D.对乙烯基苯酚是由对乙烯基苯酚分子构成的,每个对乙烯基苯酚分子是由8个碳原子、8个氢原子、1个氧原子构成的,选项说法错误。
故选:A。
A.根据物质的组成来分析;
B.根据化合物中各元素的质量比来分析;
C.根据化合物中各元素质量比=各原子的相对原子质量×原子个数之比,进行分析;
D.根据物质的构成来分析。
本题难度不大,考查同学们结合新信息、灵活运用化学式的含义与有关计算等进行分析问题、解决问题的能力。
7.【答案】B
【解析】解:A、含一种元素的物质不一定是单质,如金刚石和石墨的混合物,故错误;
B、化合物是由不同元素组成的纯净物,所以化合物中最少含有两种元素,只含有一种元素的物质一定不是化合物,故正确;
C、置换反应是一种单质和一种化合物反应生成另一种单质和另一种化合物的反应,单质中元素的化合价为0,化合物中元素的化合价不为0,则置换反应中一定有元素的化合价发生改变,故错误;
D、具有导电性的不一定是金属,例如石墨能导电,属于非金属单质,故错误;
故选:B。
A、根据单质是由一种元素组成的纯净物解答;
B、根据化合物的定义考虑;
C、置换反应是一种单质和一种化合物反应生成另一种单质和另一种化合物的反应。
D、根据非金属的导电性考虑;
本题考查了对常见概念的推断等知识,难度不大,逻辑推理是一种科学的学习方法,应提倡学生学习这种学习方法,但应注意推理的合理性、正确性。
8.【答案】C
【解析】解:A、实验室制取二氧化碳采用石灰石或大理石与稀盐酸,稀硫酸与碳酸钙生成硫酸钙微溶物,阻止反应进行,且长颈漏斗的末端没有伸入液面以下,生成的二氧化碳会从长颈漏斗中逸出,故选项不能达到目的。
B、实验室常用澄清的石灰水检验二氧化碳,不能用燃着的木条,使燃着的木条熄灭的还可能是氮气,故选项不能达到目的。
C、向右边的纸筒中倾倒二氧化碳,杠杆会向倒入二氧化碳的纸筒一端倾斜,说明二氧化碳的密度比空气大,故选项能达到目的。
D、二氧化碳通入紫色石蕊试液,二氧化碳与水反应生成碳酸,碳酸使紫色石蕊试液变红,二氧化碳本身不能使紫色石蕊试液变红,故选项不能达到目的。
故选:C。
A、根据实验室制取二氧化碳的实验注意事项,进行分析判断。
B、根据二氧化碳的检验方法,进行分析判断。
C、根据二氧化碳的物理性质,进行分析判断。
D、根据二氧化碳的化学性质,进行分析判断。
本题难度不大,掌握二氧化碳的化学性质、物理性质、实验室制法等是正确解答本题的关键。
9.【答案】A
【解析】解:A、用黄铜片在铜片上刻画,铜片上有划痕,说明黄铜的硬度比铜大,故A正确;
B、把燃着的木条伸入集气瓶中,木条熄灭,瓶中气体不一定是CO2,氮气也不支持燃烧,故B错误;
C、软水加入少量肥皂水,震荡,有大量气泡产生,因此向某水样加入少量肥皂水,有大量气泡产生,则该水样不一定是纯净水,纯净水只是软水中的一种,故C错误;
D、探究锌和铝金属活动性强弱时,应将同种稀硫酸滴入颗粒大小相同的两种金属中,通过放出气体的快慢得出结论,而该实验没有控制好两种金属的颗粒大小,故D错误。
故选:A。
A、根据实验现象进行分析判断;
B、根据不支持燃烧的气体不一定是二氧化碳进行解答;
C、根据软水加入少量肥皂水,震荡,有大量气泡产生进行解答;
D、根据控制变量的思想进行解答.
本题考查了常见物质的性质,完成此题,可以依据已有的知识进行,所以要求同学们在平时的学习中加强基础知识的记忆,以便能够灵活应用.
10.【答案】D
【解析】解:A、电解水生成的氢气和氧气的体积比是2:1,故A错误;
B、加热氯酸钾制氧气同时生成了氯化钾,剩余固体的质量不为0,故B错误;
C、由于空气中氧气的体积分约为15,装置内的体积只能减少约为15.故C错误;
D、一定量高锰酸钾加热制氧气,当加热到一定温度时高锰酸钾分解放出氧气,当完全反应后不再产生氧气,故D正确。
故选:D。
A、根据电解水实验的现象和结论分析;
B、加热氯酸钾制氧气的生成物分析;
C、根据空气中氧气的体积分数分析;
D、根据加热一定量高锰酸钾时生成的氧气与加热的时间关系分析.
正确辨别坐标所表示的变化量,是解答此类问题的关键,分析变化中相关量的变化关系,是解答问题的基础.
11.【答案】C 混合物 增大煤粉与空气的接触面积,使其充分燃烧 氢气燃烧只生成水,对环境无污染,制备原料来源广,且热值高(合理即可)
【解析】解:(1)①A、燃料使用更便捷,与燃料更新有关系,该选项正确;
B、气体燃料燃烧得更充分,则能充分使用燃料,该选项正确;
C、天然气为化石燃料,属于不可再生能源,该选项错误;
D、煤燃烧生成很多污染物,则减少煤燃烧过程中产生的污染物,为燃料更新的理由,该选项正确。
②煤中含有多种物质,属于混合物;将煤加工成粉末状,可增大反应物的接触面积,使燃烧更充分。
(2)乙醇燃烧生成二氧化碳和水,反应的化学方程式为。
(3)甲烷燃烧生成二氧化碳和水,反应的化学方程式为。
(4)氢气燃烧只生成水,对环境无污染,制备原料来源广,且热值高,则为“未来最理想的能源”;氢气燃烧的化学方程式为。
(1)根据燃料的利用、燃料燃烧对环境的影响、物质的组成与分类、促进燃料充分燃烧的措施来分析;
(2)根据乙醇完全燃烧的原理来分析;
(3)根据甲烷完全燃烧的原理来分析;
(4)根据氢气燃烧的原理来分析。
本题难度不大,了解常见燃料使用对环境的影响、促进可燃物燃烧的方法、化学方程式的写法等是正确解答本题的关键。
12.【答案】碳酸钙(或CaCO3);Fe2O3+3CO高温2Fe+3CO2;Fe+CuSO4=FeSO4+Cu;置换
【解析】解:C是气体能与石灰水反应,所以C是二氧化碳;B、F是红色固体,气体A能与红色固体B反应生成D和气体C−二氧化碳,D能够和X溶液反应产生红色固体F,红色固体有铜和氧化铁,因此A可以是一氧化碳,B是氧化铁,生成的D是铁,则F是铜,铁和铜盐,如硫酸铜可以反应产生铜,带入验证符合题意,因此:
(1)E是二氧化碳能与氢氧化钙反应生成碳酸钙沉淀,故答案为:碳酸钙(或CaCO3);
(2)反应①是一氧化碳和氧化铁反应生成铁和二氧化碳,故反应的方程式为:Fe2O3+3CO高温2Fe+3CO2;
(3)反应②是由铁生成铜,铁与铜的盐溶液反应能生成铜,如铁与硫酸铜溶液反应,反应法方程式是:Fe+CuSO4=FeSO4+Cu,此反应是一种单质与一种化合物反应生成另一种单质和另一种化合物,属于置换反应;故答案为:Fe+CuSO4=FeSO4+Cu;置换.
由C是气体能与石灰水反应,所以C是二氧化碳;B、F是红色固体,气体A能与红色固体B反应生成D和气体C−二氧化碳,D能够和X溶液反应产生红色固体F,红色固体有铜和氧化铁,因此A可以是一氧化碳,B是氧化铁,生成的D是铁,则F是铜,铁和铜盐,如硫酸铜可以反应产生铜,据此分析完成相关的问题.
本题为框图式物质推断题,完成此题,可以依据题干叙述找准解题突破口,直接得出有关物质的化学式,然后结合框图和物质的性质,推断得出其他物质的化学式.
13.【答案】SO2 产生SO2,污染环境(合理即可)2CO+O22CO2 ZnO+CZn↑+CO↑
【解析】解:(1)根据质量守恒定律可知,化学反应前后,原子的种类和数目不变,设备1中高温焙烧发生的反应的化学方程式为2ZnS+3O22ZnO+2X,反应物中有2个锌原子、2个硫原子、6个氧原子,生成物中有2个锌原子、2个氧原子,所以X的化学式是SO2;
(2)根据流程图可知,传统火法炼锌的主要缺点是:产生SO2 污染环境,能耗高;
(3)设备2中产生的CO可作燃料,CO燃烧生在二氧化碳,反应的化学方程式为:2CO+O22CO2;
(4)氧化锌和碳在高温的条件下生成锌和一氧化碳,化学方程式为:ZnO+CZn↑+CO↑。
故答案为:(1)SO2;
(2)产生 SO2,污染环境(合理即可);
(3)2CO+O22CO2;
(4)ZnO+CZn↑+CO↑。
(1)根据质量守恒定律可知,化学反应前后,原子的种类和数目不变进行分析;
(2)根据流程图可知,传统火法炼锌的主要缺点是:产生SO2 污染环境,能耗高进行分析;
(3)根据设备2中产生的CO可作燃料,CO燃烧生在二氧化碳进行分析;
(4)根据氧化锌和碳在高温的条件下生成锌和一氧化碳进行分析。
本题主要考查物质的制备等,注意在书写化学方程式后,首先检查化学式,再检查是否配平、反应条件和沉淀、气体符号的标注。
14.【答案】钢 0.03%∼2%高 ABC 钛 Al+2NaOH+2H2O=2NaAlO2+3H2↑
【解析】解:(1)由题干信息可知,钢是用量最大、用途最广的合金,故填:钢;
(2)钢的含碳量为0.03%∼2%;高碳钢可用于制造器械、弹簧和刀具等;故填:0.03%∼2%;高;
(3)硬铝的密度小、强度高、具有较强的抗腐蚀能力,是制造飞机和宇宙飞船的理想材料;故填:ABC;
(4)钛合金与人体具有很好的“相容性”,可以用来制造人造骨;故填:钛;
(5)铝会与氢氧化钠、水反应生成偏铝酸钠(NaAlO2)和一种可燃性气体--氢气,化学方程式为Al+2NaOH+2H2O=2NaAlO2+3H2↑;故填:Al+2NaOH+2H2O=2NaAlO2+3H2↑。
15.【答案】水槽 CEFHCaCO3+2HCl=CaCl2+H2O+CO2↑b二氧化碳的密度比空气大
【解析】解:(1)通过分析题中所指仪器的名称和作用可知,仪器G的名称是水槽;
(2)实验室常用石灰石或大理石和稀盐酸制取二氧化碳,属于固液常温型,二氧化碳密度比空气大,能溶于水,收集二氧化碳只能用向上排空气法,因此组装实验室制取二氧化碳的装置,可以选择的仪器是CEFH,碳酸钙和稀盐酸反应生成氯化钙、水和二氧化碳,化学方程式为:CaCO3+2HCl=CaCl2+H2O+CO2↑;
(3)二氧化碳的密度比空气大,采用向上排空气法收集,若用图2收集二氧化碳,气体应从b端进。
故答案为:(1)水槽;
(2)CEFH;;
(3)b;二氧化碳的密度比空气大。
(1)根据实验室常用仪器的名称和题中所指仪器的作用进行分析;
(2)根据实验室常用石灰石或大理石和稀盐酸制取二氧化碳,属于固液常温型,二氧化碳密度比空气大,能溶于水,碳酸钙和稀盐酸反应生成氯化钙、水和二氧化碳进行分析;
(3)根据二氧化碳的密度比空气大进行分析。
本题主要考查常见气体的发生装置与收集装置的探究,发生装置依据反应物的状态和反应条件选择,收集装置依据气体的密度和溶解性选择.
16.【答案】【分析讨论】②;④;Fe2O3是红棕色的;FeCl3可溶于水
【实验探究】(1)不正确;Fe3O4也能被磁铁吸引
(2)少量黑色粉末于试管中;足量稀盐酸(或稀硫酸);气泡产生 气泡产生,则黑色粉末不是Fe
【解析】【分析讨论】四个猜想中,不做实验就可排除的是猜想②和猜想④,因为氧化铁是红粽色的,氯化铁能溶于水。
【实验探究】该结论不正确,因为四氧化三铁也能被磁铁吸引。
(2)铁能与酸(如稀盐酸)反应生成氢气,四氧化三铁与稀盐酸反应不产生气体。故可取少量黑色粉末于试管中,加入足量稀盐酸(或稀硫酸);铁与稀盐酸反应生成氯化亚铁和氢气,如果产生气泡,说明是铁,如果没有气泡产生,说明不是铁。
17.【答案】解:设高锰酸钾的质量是x,
2KMnO4.△K2MnO4+MnO2+O2↑,
316 32
x3.2g
则31632=x3.2g,解得x=31.6g,
答:高锰酸钾的质量为31.6g.
【解析】考虑高锰酸钾受热分解生成锰酸钾、二氧化锰和氧气,根据图中数据可以判断生成氧气的质量,根据氧气的质量可以计算高锰酸钾的质量.
本题主要考查学生运用假设法和化学方程式进行计算和推断的能力,计算时要注意规范性和准确性.选项
实验操作
现象
结论
A
用黄铜片在铜片上刻画
铜片上有划痕
黄铜的硬度比铜大
B
将燃烧着的木条伸入到盛气体的集气瓶中
燃烧着的木条熄灭
瓶中一定是二氧化碳气体
C
向某水样加入少量肥皂水
有大量泡沫产生
该水样一定是纯净水
D
锌粉和铝片中分别滴入同种稀硫酸
锌粉放出气体的速度更快
锌金属活动性比铝强
实验操作
实验现象及结论
取 ______ ,加入 ______ 。
如果有 ______ ,则黑色粉末是Fe。
如果没有 ______ 。
2022-2023学年山西省运城市九年级(上)期末化学试卷(含详细答案解析): 这是一份2022-2023学年山西省运城市九年级(上)期末化学试卷(含详细答案解析),共17页。试卷主要包含了单选题,填空题,推断题,流程题,科普短文题,实验题,探究题,计算题等内容,欢迎下载使用。
2022-2023学年山西省阳泉市郊区九年级(上)期末化学试卷(含详细答案解析): 这是一份2022-2023学年山西省阳泉市郊区九年级(上)期末化学试卷(含详细答案解析),共16页。试卷主要包含了单选题,填空题,推断题,简答题,探究题,计算题等内容,欢迎下载使用。
2022-2023学年山西省吕梁市孝义市九年级(上)期末化学试卷(含详细答案解析): 这是一份2022-2023学年山西省吕梁市孝义市九年级(上)期末化学试卷(含详细答案解析),共18页。试卷主要包含了单选题,多选题,填空题,推断题,流程题,科普短文题,探究题,计算题等内容,欢迎下载使用。

