甘肃省白银市会宁县第四中学2023-2024学年高三上学期第三次月考化学试题
展开
这是一份甘肃省白银市会宁县第四中学2023-2024学年高三上学期第三次月考化学试题,文件包含2023-2024高三化学第三次月考试题docx、2023-2024高三化学第三次月考试题答案docx等2份试卷配套教学资源,其中试卷共9页, 欢迎下载使用。
一、选择题:本题共14小题,每小题3分,共42分。在每小题给出的四个选项中,只有一项是符合题目要求的。
1、北京冬奥会成功举办、神舟十五号成功发射、“天宫课堂”如期开讲及“华龙一号”核电海外投产等,均展示了我国科技发展的巨大成就。下列相关叙述正确的是( )
A.北京冬奥会“飞扬”火炬所用的燃料为还原性气体
B.飞船返回舱表层材料中的玻璃纤维属于天然有机高分子
C.探测器使用的硅太阳能电池板,其主要成分是
D.核电站反应堆所用铀棒中含有的与互为同素异形体
2、下列化学用语表示正确的是( )
A. HClO的电子式: B. 基态Cr原子价层电子轨道表示式:
C. 的结构示意图: D. O原子的2s轨道电子云轮廓图:
3、下列选项中物质的分类正确的是( )
4、已知制备某无机化合物的转化流程如图所示,下列说法中错误的是( )
A. 该转化流程中均被循环使用
B. 该循环过程中的化学反应没有涉及置换反应
C. 该循环过程中涉及的化学反应均为非氧化还原反应
D. 该工艺总体来看相当于利用食盐和石灰石制取纯碱
5、下列各组物质中,化学键类型相同,晶体类型也相同的是( )。
A. C(金刚石)和CO2 B. CH4和H2O C. NaBr和HBr D. Cl2和KCl
6. 我国古代四大发明之一黑火药的爆炸反应为:。设为阿伏加德罗常数的值,下列说法正确的是( )
A.含键数目为 B.每生成转移电子数目为
C.晶体中含离子数目为 D.溶液中含数目为
7、下列说法错误的是( )
A. BF3和BF的中心原子杂化方式不同 B. 和的质量数相等,它们互为同位素
C. 元素电负性越大的原子,吸引电子的能力越强 D. 根据对角线规则,是弱酸
8、氮元素在自然界的某种转化示意图如图所示(a、b、c和d代表一定比例的和)。下列说法正确的是( )
A.过程①中NO3- 体现氧化性
B.过程②中发生反应的离子方程式为:
C.过程③中c代表的是
D.过程④中参加反应转移6 ml电子
9.根据实验操作及现象,下列结论中正确的是( )
10. 共价键具有饱和性和方向性,下列有关叙述中,不正确的是( )
A. 共价键的饱和性是由成键原子的未成对电子数决定的
B. 共价键的方向性是由成键原子轨道的方向性决定的
C. 共价键的方向性决定了分子的空间结构
D. 所有共价键都具有方向性
11. 四种短周期元素W、X、Y、Z的原子序数依次增大,W元素的最外层电子数是其电子层数的二倍;X的原子半径是短周期主族元素原子中最大的;Y是地壳中含量最多的金属元素;X与Z形成的离子化合物的水溶液呈中性。下列叙述中,不正确的是( )
A. W非金属性小于Z的非金属性
B. 将X单质投入到CuSO4溶液中,生成紫红色固体
C. 工业上用电解熔融Y的氧化物的方法治炼金属Y
D. Z的气态氢化物的沸点在同主族中最低
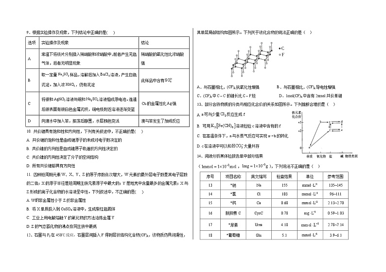
12、石墨与F2在450℃反应,石墨层间插入F得到层状结构化合物(CF)x,该物质仍具润滑性,其单层局部结构如图所示。下列关于该化合物的说法正确的是( )
A.与石墨相比,(CF)x抗氧化性增强 B.与石墨相比,(CF)x导电性增强
C.(CF)x中的键长比短 D.1ml(CF)x中含有2xml共价单键
13、部分含铁物质的分类与相应化合价的关系如图所示。下列推断合理的是( )
a可与少量反应生成f
B. 可用溶液检验c溶液中含有的f
C. 在高温条件下,a与水蒸气反应可实现a→b的转化
D. c在溶液中可以和大量共存
14、阅读分析某体检报告单中部分结果
(,),下列说法不正确的是( )
A.体检报告单中提醒平时饮食要少盐
B.报告单项目指标的物理量只有胱抑素C不是物质的量浓度
C.根据参考值,钙含量至少需要85.2
D.若某人血液中葡萄糖(C6H12O6)检查结果为360,可诊断为高血糖
二、非选择题:本题共4小题,共58分。
15. (14分)回答下列问题:
(1)1 ml CO2中含有的σ键数目为___________,π键数目为___________。
(2)CH4、NH3、H2O、HF分子中共价键的极性由强到弱的顺序是___________________。(2分)
(3)铜原子的价层电子排布图:_______________(2分) 。写出钴的简化电子排布式____________。
基态Fe2+与Fe3+离子中未成对的电子数之比为___________。
(4)下列Li原子电子排布图表示的状态中,能量最低和最高的分别为_______、______(填标号)。
A. B.
C. D.
(5)bte的分子式为C6H8N6,其结构简式如图所示。
①bte分子中碳原子轨道杂化类型为____________________。(2分)
②1 ml bte分子中含σ键的数目为___________ml。
(6)一个Cu2O晶胞(见图2)中,Cu原子的数目为_______。
16.(15分)某工厂采用如下工艺处理镍钴矿硫酸浸取液含(和)。实现镍、钴、镁元素的回收。
已知:
回答下列问题:
(1)用硫酸浸取镍钴矿时,提高浸取速率的方法为_________________________(答出一条即可)。
(2)“氧化”中,混合气在金属离子的催化作用下产生具有强氧化性的过一硫酸,中过氧键的数目为_______。
(3)“氧化”中,用石灰乳调节,被氧化为,该反应的离子方程式为____________________________________________________(的电离第一步完全,第二步微弱);滤渣的成分为、________________(填化学式)。
(4)“氧化”中保持空气通入速率不变,(Ⅱ)氧化率与时间的关系如下。体积分数为_______时,(Ⅱ)氧化速率最大;继续增大体积分数时,(Ⅱ)氧化速率减小的原因是________
____________________________________________________________________。
(5)“沉钴镍”中得到的(Ⅱ)在空气中可被氧化成,该反应的化学方程式为__________。
(6)“沉镁”中为使沉淀完全,需控制不低于_______(精确至0.1)。
17、(15分)一氧化二氯(Cl2O)是一种氯化剂和氧化剂,极易溶于水,与水反应生成HClO,遇有机物易燃烧或爆炸。利用如图装置可制备Cl2O。
已知Cl2O的部分性质如表:
回答下列问题:
(1)装置甲中仪器B的名称是_________________。
(2)装置甲的作用是为该制备反应提供Cl2,写出该装置中制备Cl2的离子方程式:_______________________________________________________________。
(3)装置乙的作用是______________________,装置丙的集气瓶中盛有的试剂是________。
(4)装置戊中的特型烧瓶内盛有玻璃丝,玻璃丝上附着有HgO粉末,其中玻璃丝的作用是________________________________________________________________________。
(5)装置戊和装置己之间的装置为玻璃连接装置,而不是橡胶管,其原因是__________________________________________________________。
(6)氨的沸点为-33.4 ℃,熔点为-77.7 ℃,则装置己中收集到的产物为________(填“固体”“液体”或“气体”)物质。若实验开始前称量装置戊中的玻璃丝与HgO的混合物的质量为a g,实验结束后玻璃丝及其附着物的质量为b g,则制备的Cl2O为________ ml。
(7)尾气中的有毒气体成分是______________________,可用_______________吸收除去。
18、(14分)R、W、X、Y、Z是原子序数依次增大的前四周期元素,其中R与W位于同一周期,且R元素的第一电离能大于氧,W的单质在暗处与能剧烈化合,常温下X的单质为淡黄色固体,含Y元素的物质灼烧时焰色为紫色,基态Z原子有5个未成对电子。请回答下列问题:
(1)基态Z原子的价层电子排布式为______________,该元素位于元素周期表中的______区。
(2)基态R原子中有__________个未成对电子,其中能量最高的电子所在原子轨道的电子云轮廓图为__________形。
(3)R、W、X三种元素中第一电离能由大到小的顺序为______________(用元素符号表示),原因是_______________________________________________________________________________。
(4)R、W、X、Y、Z中非金属元素形成的最简单气态氢化物的稳定性由强到弱的顺序是______________________________________(填化学式)。
(5)X、Y两种元素组成的化合物的电子式为___________________,其中含有的化学键类型为_____________________________。选项
胶体
碱
酸性氧化物
混合物
非电解质
A
烟雾
烧碱
盐酸
氨水
B
海水
纯碱
福尔马林
氯气
C
淀粉溶液
熟石灰
水玻璃
甲烷
D
有色玻璃
氢氧化钾
铝热剂
选项
实验操作及现象
结论
A
常温下将铁片分别插入稀硝酸和浓硝酸中,前者产生无色气体,后者无明显现象
稀硝酸的氧化性比浓硝酸强
B
取一定量样品,溶解后加入溶液,产生白色沉淀。加入浓,仍有沉淀
此样品中含有
C
将银和溶液与铜和溶液组成原电池。连通后银表面有银白色金属沉积,铜电极附近溶液逐渐变蓝
的金属性比强
D
向溴水中加入苯,振荡后静置,水层颜色变浅
溴与苯发生了加成反应
序号
项目名称
英文缩写
检查结果
单位
参考范围
13
*钠
Na
155
135~145
14
*氯
Cl
103
96~111
15
*钙
Ca
0.68
2.13~2.70
16
胱抑素C
CysC
0.78
0.59~1.03
17
*尿素
Urea
4.18
2.78~7.14
18
*葡萄糖
Glu
5.1
3.9~6.1
物质
熔点
沸点
制备方法
-120. 6 ℃
2.0 ℃
2HgO+2Cl2===Cl2O+HgCl2·HgO
相关试卷
这是一份甘肃省会宁县第一中学等两县联考2023-2024学年高三上学期12月月考化学试题含答案,共9页。试卷主要包含了单项选择,非选择题等内容,欢迎下载使用。
这是一份2023-2024学年甘肃省白银市会宁县高三上学期第三次月考化学模拟试题(含答案),共11页。试卷主要包含了选择题,非选择题等内容,欢迎下载使用。
这是一份甘肃省白银市会宁县第四中学2022-2023学年高二下学期期末考试化学试卷,共3页。

