2.5.1 工业区位条件评价(讲练)-【高考君】备战2023年高考地理大一轮复习全考点精讲练(新高考专用)
展开 工业区位条件评价
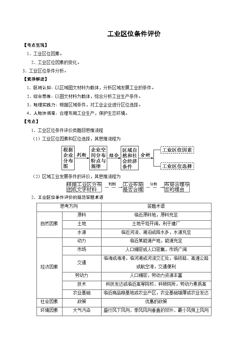
【考点呈现】
1.工业区位因素。
2.工业区位因素的变化。
3.工业区位条件分析。
【素养解读】
1.区域认知:以区域图文材料为载体,分析区域发展工业的条件。
2.综合思维:以图文材料为载体,综合分析工业生产条件。
3.地理实践力:根据区域条件,对工业企业进行区位选择。
4.人地协调观:合理布局工业生产,保护生态环境。
【考点】
1.工业区位条件评价类题目思维流程
(1)工业区位因素和区位选择,其思维流程为
(2)区域工业发展条件的评价,其思维流程为
2.工业区位条件评价的规范答题术语
思考方向
答题术语
自然因素
原料
临近原料地,原料充足
土地
土地平坦开阔,利于建厂
水源
临近河流、湖泊或降水多,水源充足
经济因素
动力
临近某能源产地,能源充足
市场
人口稠密或人口密集,市场广阔
交通
临海或海港,临河湖或河流交汇处,临铁路、高速公路或航空港,交通便利
劳动力
人口稠密,劳动力资源丰富
技术
科技发达或临近高等院校、科研院所,劳动力素质高
农业基础
临近商品粮基地或农业产区,农业基础雄厚或农业发达
社会因素
政策
优惠的政策
环境因素
大气污染
盛行风下风向、季风风向垂直的郊外、最小风频上风向
水污染
远离河流上游和水源地
固体废弃物污染
远离农田和居民区
【典题精研】
2016年10月,由中国F企业投资的全球最大汽车玻璃单体工厂正式在美国俄亥俄州竣工投产。继后该企业又于2017年,在德国新建一座玻璃制造工厂,以满足世界知名汽车企业等欧洲汽车巨头客户的需求。其中主要产品是在俄罗斯工厂生产后,运到德国进行批量组装辅件、包边等,据此完成下面小题
1.中国F企业在美国建厂的直接目的是( )
A.利用当地的科技力量 B.可减少贸易障碍
C.利用当地的资金投入 D.航空运输更便利
2.中国F企业在德国建厂其主要产品在俄罗斯生产,主要考虑俄罗斯( )
A.矿产丰富 B.市场需求量大 C.环境优良 D.生产成本较低
【答案】1.B 2.D
【解析】1.在经济全球化进程中,中国主张经济全球化向更加包容普惠的方向发展,反对一切形式的保护主义,但近些年一些欧美国家仍对中国商品收取高额关税,造成此类产品外销困难,产生贸易壁垒,中国F企业在美国建厂,可以避开相关政令,促进产品外销,B选项正确。美国的科技较为发达,资金较为充足,中国企业在美国设厂,确实可以利用美国的科技和资金,但该企业能够建立全球最大的汽车玻璃单体工厂,说明相关资金和技术较为充足,故并非直接目的,A、C选项错误。材料并未提及美国俄亥俄州航空运输是否便捷,况且大量的汽车玻璃运输并不适宜用航空运输, D选项错误。故选B。
2.中国F企业在德国新建玻璃制造厂,但其产品却在俄罗斯工厂进行生产,俄罗斯矿产资源丰富,土地资源众多,地价低,相较于欧洲其他国家,俄罗斯劳动力成本也相对较低,故其总体的生产成本低,成为了吸引在俄罗斯生产的原因,D选项正确,A选项错误。材料提及在德国建立制造工厂,满足欧洲汽车巨头的需求,并非满足单一俄罗斯需求,B选项错误。环境因素对于此类制造工厂的影响相对较小,C选项排除。故选D。
二、综合题
3.阅读图文资料,完成下列要求。
广西的柳州螺蛳粉因酸臭而闻名,其酸臭来源于当地新鲜特制的酸笋,螺蛳粉已注册国家地理标志证明商标。2014年起,通过新型技术推广,改善农业生产;实现袋装螺蛳粉工业化和标准化生产;同时拓宽电商直播等销售渠道,柳州市(下图)成为螺蛳粉产业集聚中心。螺蛳粉不但从街边小吃到畅销全国,如今更销往20多个国家,成为广西的新名片。
2020年国内螺蛳粉线上销售状况总览
总销售额
109亿
销售额占比最高地区
华东
主要消费人群
年轻人
注:华东指沪、鲁、浙、苏、闽、皖、赣、台8个地区
(1)“稻螺(螺蛳)共养”是螺蛳粉企业推广的新型农业生产模式。从生态角度指出该生产模式的优点。
(2)说明柳州市成为螺蛳粉产业集聚中心的优势。
(3)分析2020年华东地区的线上袋装螺蛳粉市场消费额占比最高的原因。
(4)根据螺蛳粉产业发展特点,为中国食品业走出国门提出建议。
【答案】(1)螺蛳排泄物为稻田提供养分,改善土壤肥力;水稻吸收排泄物,减少水质污染;水稻为螺蛳遮阴避暑,提供饲料。
(2)靠近原料产地,便于获取新鲜食材;可打造正宗品牌,提高产品知名度;交通设施完善,利于产品外销。
(3)沿海地区经济发达,居民消费能力强;饮食方式多以清淡为主,与螺蛳粉口味形成强烈反差;文化与经济发达,人口流入较多,以年轻人为主;网络信息与物流发达,直播带货的宣传度高
(4)挖掘饮食文化内涵,打造知名品牌;加大产业研发,推动产品生产安全化与类型多样化;利用网络销售平台,拓展销售路径;注重产业融合,带动产业链优化升级等。
【分析】本大题以广西的柳州螺蛳粉为材料设置试题,涉及工业等相关内容(知识点),考查学生对材料解读与分析能力、有效信息的提取能力,提高相关知识的迁移应用素养。
(1)螺蛳在田间活动时,产生排泄物,这些可以为土地提供养分;水稻吸收养分,可以节约肥料成本,同时减少排泄物对水质的影响;广西纬度低,温度高,光照强,水稻为螺蛳可以遮挡阳光。
(2)当地原料丰富,螺蛳粉制作经验丰富、历史悠久;因地制宜发展特色产业,保护好当地的生态环境,稳定原料和产品的品质;交通等设施完善,便于运输到市场,扩大销售范围。
(3)华东地区经济发达,平均收入高,消费能力强;沿海地区传统饮食口味偏向清淡,人们对于食用螺蛳粉产生强烈的口味反差,吸引反复消费;经济发达,年轻人流入求学和求职,且人数量较多;利用发达的网络信息传播,扩大了销售范围,利用物流和直播,带动宣传。
(4)挖掘饮食文化内涵,保护好当地的生态环境,打造知名品牌;加大产业研发,开发不同口味的螺蛳粉,满足不同区域消费者的差异化需求,推动产品生产安全化与类型多样化;利用网络销售平台,拓展销售路径,建设物流基地,快速响应客户的需求;注重产业融合,带动产业链优化升级,利用螺蛳粉历史文化,提高品牌效应,打造柳州螺蛳粉产业园,带动旅游业的发展等。
【拓展提升】
荷兰ASML是半导体光刻装备的全球最大供应商,总部位于荷兰第四大工业城埃因霍温,该城市是欧洲四大高科技聚集地之一。2019年,ASML公司销售额118亿欧元,研发支出达20亿欧元,占销售额的16.9%。ASML根据光刻装备的需求负责组件的设计和研发,实际模块和组件的生产由供应商处理。关键供应商在光刻装备领域只能专项许可给ASML使用。下图示意ASML公司创新生产模式。据此完成下面小题。
1.ASML公司采用的创新生产模式有利于( )
A.节省新产品研发成本 B.加强与供应商的协作
C.降低企业的市场风险 D.降低产品的运输费用
2.ASML公司研发投入比重高的主要原因是( )
A.工业生产原料不足 B.合作供应商分布分散
C.公司管理水平高 D.产品的更新周期较短
3.ASML公司要求关键供应商在光刻装备领域只能专项许可给ASML使用的主要目的是( )
A.保障部件的稳定供给量 B.保护核心技术知识产权
C.减少供应商的无序竞争 D.提高关键供应商的效益
【答案】1.B 2.D 3.B
【解析】1.半导体光刻装备更新周期短,研发资金投入大,且ASML公司主要负责产品的设计和研发,创新生产模式不能节省新产品研发成本,A错误;AML公司生产的光刻装备配套部件由供应商提供,且涉及的合作供应商多,有利于加强与供应商的协作,B正确;企业的市场风险主要受产品市场价格波动的影响,C错误;由于合作供应商的分布范围广,地域分散,增加了配件运输费用,D错误。故选B。
2.半导体光刻装备更新周期短,为满足客户需求和适应产品更新周期的变化,需要不断研发、创新新产品,所以研发资金投入比重高,D正确;工业生产原料、合作供应商分布、 公司管理水平对ASML公司研发的影响不是主要的,ABC错误。故选D。
3.半导体光刻装备为技术密集型产业,关键部件技术含量高,研发成本高,为保障ASML公司在该产业链中的绝对技术优势,故只允许关键供应商生产的配套部件专项供ASML使用,B正确;保障部件的稳定供给量、减少供应商的无序竞争、提高关键供应商的效益不是主要目的,ACD错误。故选B。
在汽车生产中传统的平台式生产是把各个零部件组装成整车。模块化生产是新的汽车工业生产方式,是将汽车零部件先组装成模块,再将各模块组装成整车,各模块在不同车企之间能实现共享通用。生产专业化、市场规模经济及消费者需求多样性共同推动了模块化生产的形成和发展。完成下面小题。
4.汽车工业生产方式向模块化生产转变会( )
A.缩短汽车生产周期 B.减少车辆零件数量
C.增加单车研发成本 D.降低工序复杂程度
5.汽车模块供应商大多集中在整车厂附近布局主要是为了( )
A.获得政策支持 B.快速响应需求
C.扩大市场范围 D.减少生产流程
【答案】4.A 5.B
【解析】4.根据材料“模块化生产方式”可知,模块化生产方式中模块化供应商先将零部件生产组合为模块后,再交付给整车厂,实现了汽车生产环节的分工与合作,提高了生产效率,可缩短汽车生产周期,A正确;平台式生产与模块化生产是汽车整车生产中两种生产方式,但对于车辆而言,其零部件数量没有改变,B错误;模块化生产提高了生产的专业化程度,也同时降低了单车研发成本,C错误;模块化生产不能降低汽车生产具有的一些必不可少的复杂工序,D错误。本题应选A。
5.题干没有提到汽车模块供应商在本地的相关政策,另外本地和外地的政策也可能存在着差异,A错误;工业集聚可以加强企业间的信息交流与技术协作,所以汽车模块供应商集中在整车厂附近布局的目的是为了增强二者之间信息交流和技术协作的效率、效果,B正确;汽车模块供应商市场份额的占据主要依赖产品自身质量、价格、距市场距离和品牌等,在整车厂附近布局不能扩大市场范围,C错误;本题的核心问题是模块供应商在整车厂附近集聚的目的,而无论模块供应商是否在整车厂附近集聚都不能减少自身生产流程,D错误。本题应选B。
下图为非洲北部地中海沿岸某国家局部区域图。据此完成下面小题。
6.该国大城市主要分布在东北部地区的原因是( )
A.气候宜人 B.地形平坦 C.淡水充足 D.土地广阔
7.与比塞大市相比,加夫萨市的经济发展突出优势是( )
A.外贸方便 B.交通便利 C.森林丰富 D.临近盐矿
【答案】6.A 7.D
【解析】6.该国为突尼斯,读图可知,东北部主要位于地中海沿岸﹐为地中海气候,南部地区为热带草原气候、热带沙漠气候,气候炎热,东北部地区相对其他地区而言气候宜人,环境宜居。A正确。地形平坦、淡水充足、土地广阔不是主要原因,BCD错误。故选A。
7.由图中信息可知,加夫萨市深居内陆,靠近盐沼,因此与比塞大市相比,其突出优势是临近盐矿,可以发展工业,D正确,加夫萨市深居内陆,外贸、交通不方便,临近沙漠森林资源并不丰富,ABC错误。故选D。
2001年,新能源汽车研究项目被列入国家“十五”期间的“863”重大科技课题。经过20多年的发展,我国已经成为名副其实的全球新能源汽车产销大国,拥有一批实力较强的新能源汽车整车生产企业,并初步形成了包括新能源整车、电机电控、动力电池和电池材料在内的较为完整的新能源汽车产业链。下图为新能源汽车产业链图。据此完成下面小题。
8.推动我国最初发展新能源汽车的直接因素是( )
A.政策 B.环保 C.科技 D.市场
9.相对于传统汽车生产,新能源汽车全产业链中新增投入最多的要素最可能是( )
A.购买原材料 B.动力电池研发 C.整车装配 D.销售及售后服务
10.图中新能源汽车产业链集聚在我国长江三角洲某地的目的是( )
A.开拓国际市场 B.提升续航里程 C.降低生产成本 D.树立自主品牌
【答案】8.A 9.B 10.C
【解析】8.由材料可知,我国在2001年就将新能源汽车列入国家重大课题,这说明推动我国最初发展新能源汽车的直接因素是政策,A正确。环保、科技、市场对推动我国最初发展新能源汽车发展有一定影响,但不是直接因素,BCD错误。故选A。
9.新能源汽车用电池作为动力,这是与传统汽车生产相比需要新增投入最多的要素,B正确。传统汽车与新能源汽车生产过程中都需要购买原材料、装配生产、销售和售后服务,ACD错误。故选B。
10.工业集聚的好处有加强企业之间的信息交流和技术协作;降低中间产品的运输费用和能源消耗,降低生产成本;提高生产利润和效率,取得规模效益;接近市场等,C正确。开拓国际市场、 提升续航里程、 树立自主品牌不是新能源汽车产业链集聚的主要目的,ABD错误。故选C。
某普通服装加工厂于20世纪90年代中期在东莞某镇建厂,产品主要销往东南亚。服装面料来自新疆,取得了良好的经济效益。进入21世纪后,该厂的效益逐年下降,经实地考察和了解新疆招商引资的优惠政策后,该厂决定迁至新疆,并建立了自己的服装面料加工厂。服装主要销往中亚和东欧等地。据此完成下面小题。
11.与广东省相比,新疆生产服装面料的突出的优势是( )
A.劳动力丰富 B.生态环境好 C.原料丰富 D.交通便利
12.进入21世纪后,该厂效益逐年下降的最主要原因是( )
A.土地价格上涨 B.工资成本上升 C.企业竞争加剧 D.服装设计过时
13.企业在新疆建厂后,影响服装销售地改变的主要原因是( )
A.服装质量提高 B.服装价格上升 C.降低运输成本 D.方便了解市场
【答案】11.C 12.B 13.C
【解析】11.与广东相比,新疆是我国重要的棉花基地,生产服装面料的原料丰富,这是新疆最突出的优势,C正确;劳动力、交通等不是新疆最突出的优势,AD错误;生态环境不影响服装面料生产,B错误。故选C。
12.由于该普通服装加工厂属于廉价劳动力指向型工业,进入21世纪后由于广东省经济迅速发展,劳动力成本迅速上升,导致该厂效益下降,B正确;土地价格上涨、企业竞争加剧不是导致该厂效益逐年下降的最主要原因,AC错误;该厂随后搬迁到新疆,成立自己的服装面料加工厂,产品远销中亚和东欧,市场广阔,说明不是服装设计过时造成的,D错误。故选B。
13.企业在新疆建厂后,其服装销售地由东南亚转变为中亚和东欧的原因是为了接近消费市场,降低运输成本,C正确;服装销售地改变的原因与服装质量、价格关联不大,AB错误;了解市场可以有更多更好地市场调研办法,不需要企业搬迁改变销售地,D错误。故选C。
瑞士是一个地处阿尔卑斯山区的内陆国,矿产资源贫乏,经济发达。工业以低原料消耗的机械制造、精细化工、医药、钟表等为主。瑞士钟表以准确的授时,高昂的价格,精良的手工工艺享誉世界。工业制成品在国际市场上占有重要地位。据此完成下面小题。
14.瑞士主要发展低原料消耗的工业部门的原因不包括( )
A.地形高峻,运输成本高 B.资源的损耗量小
C.工艺流程复杂,技术要求高 D.矿产资源贫乏
15.瑞士钟表价格昂贵,主要原因是其( )
A.原料精选,耗材量大 B.手工制作,品质卓越
C.生活实用,性价比高 D.艺术感强,收藏性强
16.瑞士工业制成品在国际市场上占有重要地位的主要原因是( )
A.技术先进 B.附加值高 C.生产量大 D.品牌效应
【答案】14.C 15.B 16.A
【解析】14.瑞士是一个地处阿尔卑斯山区的内陆国,矿产资源贫乏,地形高峻,运输成本高;发展低原料消耗的工业,资源的损耗量小,ABD不符合题意。低原料消耗的机械制造、精细化工、医药、钟表等工业部门,工艺流程不复杂,技术要求不是太高,C符合题意。故选C。
15.瑞士钟表以准确的授时,高昂的价格,精良的手工工艺享誉世界,瑞士钟表价格昂贵,主要原因是其手工制作,品质卓越,B正确。瑞士钟表耗材量少,A错误。“生活实用,性价比高”应该价格不高,C错误。“艺术感强,收藏性强”只是一方面影响价格的因素,D错误。故选B。
16.瑞士工业制成品在国际市场上占有重要地位。主要原因是瑞士经济发达,技术先进,A正确。附加值高、生产量大、 品牌效应不是主要影响因素,BCD错误。故选A。
某知名国产鞋服运动品牌的总部在福建省晋江市。2018年,位于四川省东北部的大竹县成为该企业西南地区的鞋子生产基地。该企业着眼于国际市场,已在欧洲、东南亚、南亚、美国、巴西等地区和国家建立两千多个销售网点。未来该企业着力于生产与国际品牌竞争的高端运动鞋产品。据此完成下面小题。
17.大竹县吸引该企业入驻的主要优势是( )
A.市场广阔 B.原料来源丰富 C.交通便利 D.劳动力成本低
18.该企业在全球多地建立销售网点的主要目的是( )
A.扩大市场份额 B.降低生产成本
C.带动当地就业 D.分散投资风险
19.该企业提高国际市场竞争力最有效的措施是( )
A.降低生产成本,保持价格优势 B.增加生产基地,扩大企业规模
C.注重科技研发,提升产品质量 D.加大宣传力度,树立品牌效应
【答案】17.D 18.A 19.C
【解析】17..鞋子加工为劳动力导向型工业,且位于四川省的大竹县经济相对落后,有较多劳动力,因此大竹县吸引该企业入驻的主要优势是劳动力成本低,D正确。大竹县位于四川省东北部经济相对落,市场、交通都不是其优势条件,故AC错误。B原材料来源丰富无相关信息印证,B错误。故选D。
18.该企业在全球多地建立销售网点的主要日的是为了占领当地市场,扩大市场份额,A正确。而两千多个销售网点建设在欧洲、东南亚、南亚、美国、巴西等地区和国家,既有发达地区和国家,也有欠发达地区和国家,因此不是降低生产成本,B错误。企业建销售网点的目的并不是带动当地就业,C错误。在全球多地建立销售网点能够分散投资风险,分散投资风险但不是该企业在全球多地建立销售网点的主要目的,D错误,故选A。
19.未来该企业着力于生产与国际品牌竞争的高端运动鞋产品,要建立高端运动鞋产品,主要是要注重科技研发,提升产品质量,C正确。在产品科技含量和质量不足的情况下,低价竞争、扩大生产规模、加大宣传都不能达到与国际品牌高端运动鞋产品竞争的结果,ABD错误,故选C。
企业总部与其注册地的跨城市分离现象十分普遍。下图示意2002~2017年我国上市公司总部和注册地迁移频次。据此完成下面小题。
20.大多数上市企业总部迁往的城市与原城市相比,( )
A.服务种类少 B.同等级城市数目多
C.服务范围大 D.同等级城市规模小
21.吸引大多数上市企业迁移注册地的主要因素是( )
A.经济发展水平 B.劳动力素质 C.基础设施 D.税收政策
【答案】20.C 21.D
【解析】20.据图可知,大部分上市企业总部迁往的城市等级比原城市高,服务种类比原城市多,城市服务范围比原城市大,C正确,A错误。迁往城市的同等级城市数目少、规模大,BD错误。故选C。
21.据图可知,大多数上市企业注册地迁往等级更低的城市,这些城市经济发展水平相对较低,A错误。劳动力素质相对较低,B错误。基础设施相对不完整,C错误。但是这些城市为促进经济发展会推出较多的优惠政策,如补贴、减免赋税等,对上市企业注册地选择的吸引力大,D正确。故选D。
挖掘机指数,是指借助大数据和物联网技术,将一台台机械通过机载控制器、传感器和无线通讯模块,与一个庞大的网络连接,每挥动一铲、行动一步,都形成数据痕迹。据此完成下面小题。
22.挖掘机指数可以反映以下哪种行业的发展状况( )
A.冶金业 B.绿化管理业 C.汽车制造业 D.建筑业
23.挖掘机指数对国家经济发展的作用包括( )
①为宏观经济调控提供依据 ②为挖掘机保养提供参考
③基础设施投资等经济变化的风向标 ④及时调整生产策略,满足市场需求
A.①② B.①③ C.②③ D.②④
【答案】22.D 23.B
【解析】22.由于挖掘机这种机械主要应用于建筑业,所以挖掘机指数可以反映建筑业的发展状况,D正确。挖掘机指数与冶金业、绿化管理业和汽车制造业关系较小,ABC错误。故选D。
23.由于挖掘机指数能够反映建筑业的发展情况,而建筑业的发展情况能够为宏观经济的调控提供一定的依据,所以①正确。挖掘机指数能够反映建筑业的情况,建筑业一部分属于基础设施建设,所以挖掘机指数能够作为基础设施投资等经济变化的一个风向标,③正确。挖掘机指数可以为挖掘机保养提供参考,但这不属于挖掘机指数对国家经济发展的作用,②错误。挖掘机指数反映的是建筑业的发展情况,对及时调整生产策略,满足市场需求影响较小,④错误。所以B正确,ACD错误,故选B。
二、综合题
24.阅读图文材料,完成下列要求。
亚麻起源于中东、地中海沿岸,为一年生草本植物。油用亚麻在我国被称为胡麻,是我国西北地区的特产,当地人食用胡麻油历史悠久。宁夏是全国亚麻籽主产区之一,亚麻籽年产量位列全国第二。吴忠亚麻籽油是全国农产品地理标志产品,芳香浓郁,富含脂肪酸、维生素E、硒、粗蛋白等成分,氨基酸种类齐全。2017年5月,为了促进亚麻籽产业发展,搭建亚麻籽产业发展平台,中国粮油协会和吴忠市人民政府联合举办第二届中国亚麻籽产业发展论坛暨宁夏亚麻籽产品及蛋白科学研究院士工作站揭牌仪式,共同探索宁夏亚麻籽产业未来发展方向。
(1)分析宁夏与中东、地中海沿岸亚麻生长环境在气候方面的相似性。
(2)简述吴忠市发展亚麻籽油产业的优势条件。
(3)说出成立院士工作站对吴忠亚麻籽产业发展的积极作用。
【答案】(1)宁夏属温带大陆性气候,干旱少雨,夏半年光热充足﹐昼夜温差大;中东、地中海沿岸主要为热带沙漠气候和地中海气候,热带沙漠气候区全年高温少雨,光热充足,昼夜温差大,地中海气候区夏季高温少雨,光热充足,昼夜温差大;因此,两地区的气候条件具有较高的相似性。
(2)宁夏亚麻籽年产量大,原料充足;吴忠亚麻籽油品质优良,知名度高;亚麻籽油生产历史悠久,有一定的产业基础;消费者对健康食用油的需求量不断增加;交通便利,便于产品输出;地方政府的支持等。
(3)有利于亚麻籽品种的改良;促进亚麻籽深加工产业的发展;有利于培养农业技术人员,促进农业技术水平提高;有利于提高知名度,推动现代农业发展等。
【分析】(1)宁夏与中东、地中海沿岸亚麻生长环境在气候方面的相似性主要从气候的要素气温、降水方面的相似性来回答。从气温来看,宁夏是温带大陆性气候,夏半年光热充足﹐昼夜温差大;中东、地中海沿岸主要为热带沙漠气候和地中海气候,热带沙漠气候区全年高温,光热充足,昼夜温差大,地中海气候区夏季高温,光热充足,昼夜温差大;从降水来看,宁夏干旱少雨,中东热带沙漠气候区全年高温少雨、地中海沿岸地中海气候区夏季高温少雨。因此,这些地区的气候条件具有较高的相似性。
(2)吴忠市发展亚麻籽油产业的优势条件有自然区位优势和社会经济区位优势两个方面考虑。从原料来看,宁夏亚麻籽年产量大,原料充足;从社会经济角度来看,吴忠亚麻籽油品质优良,知名度高;亚麻籽油生产历史悠久,有一定的产业基础;消费者对健康食用油的需求量不断增加,市场广阔;从交通来看,根据图示可以看出,交通便利,便于产品输出;地方政府的支持等。
(3)成立院士工作站对吴忠亚麻籽产业发展的积极作用主要体现在加大科技投入带来的影响方面,本身有利于亚麻籽品种的改良;同时可以促进亚麻籽深加工产业的发展;在培育的过程中有利于培养农业技术人员,促进农业技术水平提高;科技投入大,亚麻品质高,有利于提高知名度;同时可以推动现代农业发展等。
25.阅读图文资料,完成下列问题。
阿坝县位于青藏高原东南边缘,属于半农半牧区。这里是长江、黄河上游水系的“握手言河”之地,雪山、冰川、湖泊、河流荟萃,形成了诸多典型的高原湿地景象。藏式夯土民居“土碉房”是当地独有的景观,它利用细黄土、青稞秸秆、木头和少量的石头夯筑而成。主楼一般为三层,一楼泥墙的厚度一般为90-100厘米,二三楼为50-60厘米,只有楼上才留有窗口。一楼用来饲养牲畜和储存粮食杂物;二楼居住;三楼则为家庭宗教活动场所。
(1)分析“土碉房”与当地自然环境的关系。
(2)当地依托特色民居、湿地、藏族文化等资源,大力发展旅游业,你是否支持?(表明态度并说明理由)
阿坝县借助各地的扶贫帮扶力量,整合偏远贫困村的援建资金和产业资金,各村以股份合作的形式集中在基础条件较好的坝区(飞地)建立产业园区,进行抱团发展。这种“飞地园区”的发展模式,帮助当地农牧民实现了稳增收。
(3)简述“飞地园区”发展模式在当地扶贫发展中的优势。
【答案】(1)利用当地的黄土、青稞秸秆(农产品)、石料和木材(山区),有利于就地取材;冬季寒冷(海拔高),房屋墙体厚,有利于御寒;夏季多雨,“土碉房”多层结构,有利于防潮;半农半牧地区,底层有利于饲养牲畜、储藏粮食和杂物。
(2)支持;可以充分开发特色旅游资源;带动相关产业开发;促进当地经济发展(提高居民收入);增加就业。
不支持:大力发展旅游业,可能破坏生态环境(植被破坏);减弱水源地的涵养功能(加剧水土流失);带来环境污染。
(3)集中发挥资金优势,实现规模效益;集中利用基础设施,节省基建投资,降低生产成本;集中利用物流、销售等条件,节约运输成本。
【分析】(1)“土碉房”与当地自然环境的关系主要从建造的原料、气候、实用性等方面分析。读材料,“土碉房藏式夯土民居,利用细黄土、青稞秸秆、木头和少量的石头夯筑而成”可知,碉房的建筑材料主要是利用当地的黄土、青稞秸秆、山区的石料和木材,可以就地取材;读材料“主楼一般为三层,一楼泥墙的厚度一般为90﹣100厘米,二三楼为50﹣60厘米,只有楼上才留有窗口”可知,由于青藏高原海拔高,冬季气温低,房屋的墙体较厚,有利于冬季保暖御寒;夏季多雨,墙厚利于夏季防潮;读材料“该地属于半农半牧区,一楼用来饲养牲畜和储存粮食杂物;二楼居住;三楼则为家庭宗教活动场所”可知,该地的底层可以用来饲养牲畜、储藏粮食杂物,有效合理利用空间,具有很强的实用性。
(2)支持,理由:当地为藏区,可以充分开发当地民族特色的旅游资源(土碉房、藏族文化风情);带动与旅游相关的小商品加工、导游、交通、住宿房地产等相关产业发展,促进产业融合发展;增加就业机会,提高居民的收入,利于少数民族脱贫致富。不支持,理由:当地自然环境脆弱,大力发展旅游业,会有大量的游客,造成植被破坏、生物多样性减少;导致植被涵养水源和保持水土的功能减弱,加剧水土流失,使长江黄江上游水塔功能减弱,生态环境破坏;以及大量人类活动会造成大气、水等环境污染。
(3)“飞地园区”发展模式在当地扶贫发展中的优势主要从规模效益、生产成本、运输成本等方面分析。飞地园区是打破了行政区域的限制,形成规模较大的工业园区,集中资金优势,扩大生产规模,实现规模效益,增强市场竞争力;工业集聚可以共用较好的基础设施,减少基础设施建设的投入,降低生产成本;同时便于集中利用物流、销售等,整合优势资源,从而节约运输成本,提高效益。
26.阅读图文材料,完成下列要求。
挪威是全球电动汽车销量占比最高的国家,2020年纯电动汽车、油电混合动力车合计占比已经超过80%,部分专家认为挪威的电动汽车市场趋于饱和。在此背景下,我国某汽车品牌坚持选择打开挪威市场,在挪威首都奥斯陆建设体验中心。新能源汽车的电池有两种续电模式——充电模式和换电模式(车主在换电站直接付费更换电池包,无须等待充电)。下图示意挪威的位置。
(1)分析该汽车品牌坚持选择打开挪威市场的原因。
(2)推测该品牌电动汽车在挪威推广的续电模式,并说明理由。
(3)请为该品牌新能源汽车市场的开拓提出合理建议。
【答案】(1)原因:挪威新能源汽车普及较早,认可度较高;经济发达,购买力强,汽车更新换代速度较快,市场广;该品牌汽车性价比高,竞争力强;有利于提升该品牌知名度,开阔市场;深入了解新能源汽车市场需求,反馈研发方向,推动汽车技术升级。
(2)模式:换电模式
原因:挪威国土面积较小,布局总数较少的换电站即可满足大部分用户需求;国土狭长,在南北干线公路布局换电站即可辐射东西两侧;纬度高,气候较寒冷,车主不愿意在户外等待充电,换电需求较大。
(3)措施:重视研发,提升产品性能;加强品牌建设和营销,提高产品知名度;缩短产品生产周期,提高生产效率;提升售后服务水平,提高用户使用满意度,增强用户黏性;转变销售方式,利用互联网,进行汽车生产和销售。
【分析】(1)阅读材料,结合所学知识可知,挪威位于欧洲西部,经济发达,人民购买能力强,且汽车的更新换代速度较快;材料显示挪威新能源汽车普及早,且市场较广,是电动汽车销量占比最高的国家,居民的认可度很高;我国的新能源汽车质量较高,价格相对公道,性价比高,竞争力强,可以在挪威市场占据一定的比例;此外,进入挪威市场有利于提升该品牌的知名度,开拓国际市场;到新能源汽车普及率高的国家进行销售,可以深入了解新能源汽车市场需求,反馈研发方向,推动汽车技术升级,提高产品质量。
(2)在挪威推广的续电模式应是换电模式。分析“换电模式”在挪威推广的有利条件可以从国土面积、形态以及当地气候特征等角度分析。挪威国土面积较小,布局总数较少的换电站即可满足大部分用户需求;读图可知,挪威国家轮廓呈南北狭长状,在南北干线公路沿线布局换电站即可辐射东西两侧;挪威纬度高,气候较寒冷,车主不愿意在户外等待充电,换电需求较大。
(3)根据题意,结合所学知识,我国新能源汽车产业需要投入更多的研发经费,提高汽车产品的性能和质量;在生产周期上,缩短时间,提高产品的生产效率;在售后服务上,制作合理的、全面的售后服务体系,提高服务水平,增加知名度和满意度,提高名誉;在销售方式上,利用互联网,进行汽车生产和全面销售。
2.7.1 交通区位条件评价(讲练)-【高考君】备战2023年高考地理大一轮复习全考点精讲练(新高考专用): 这是一份2.7.1 交通区位条件评价(讲练)-【高考君】备战2023年高考地理大一轮复习全考点精讲练(新高考专用),共19页。
2.4.1 农业区位条件评价(讲练)-【高考君】备战2023年高考地理大一轮复习全考点精讲练(新高考专用): 这是一份2.4.1 农业区位条件评价(讲练)-【高考君】备战2023年高考地理大一轮复习全考点精讲练(新高考专用),共19页。
2.3.1 城镇化(讲练)-【高考君】备战2023年高考地理大一轮复习全考点精讲练(新高考专用): 这是一份2.3.1 城镇化(讲练)-【高考君】备战2023年高考地理大一轮复习全考点精讲练(新高考专用),共17页。

