2024年高考物理一轮复习(新人教版) 第10章 专题强化15 电学实验基础
展开1.会分析电学实验的误差,会通过改进电路减少系统误差.2.掌握常用仪器的读数方法.3.会根据电路原理图连接实验器材.
题型一 常用仪器的读数
题型二 测量电路与控制电路的选择
题型三 实验器材的选取与实物图的连接
一、螺旋测微器1.构造:如图所示,B为固定刻度,E为可动刻度.
2.原理:固定刻度B的螺距为0.5 mm,即旋钮D每旋转一周,测微螺杆F前进或后退 mm,而可动刻度E上有50个等分刻度,每转动一小格,F前进或后退 mm,即螺旋测微器的精确度为 mm.读数时估读到毫米的千分位上,因此,螺旋测微器又叫千分尺.
3.读数:测量值(mm)=固定刻度数(mm)(注意半毫米刻度线是否露出)+可动刻度数(估读一位)× (mm).如图所示,固定刻度示数为2.0 mm,半毫米刻度线未露出,可动刻度示数为15.0,最后的读数为:2.0 mm+15.0×0.01 mm=2.150 mm.
二、游标卡尺1.构造:主尺, (主尺和游标尺上各有一个内、外测量爪),游标卡尺上还有一个深度尺.(如图所示)
2.用途:测量厚度、长度、深度、内径、外径.3.原理:利用主尺的单位刻度与游标尺的单位刻度之间固定的微量差值制成.
不管游标尺上有多少个小等分刻度,它的刻度部分的总长度比主尺上的同样多的小等分刻度少1 mm.常见的游标卡尺有10分度、20分度和50分度三种,其规格见下表:
4.读数:从主尺上读出整毫米数x,然后再从游标尺上找出第k条刻度线与主尺上某一刻度线对齐,即记录结果表示为(x+k×精确度) mm.
三、常用电表的读数对于电压表和电流表的读数问题,首先要弄清电表量程,即指针指到最大刻度时电表允许通过的最大电压或电流,然后根据表盘总的刻度数确定精确度,按照指针的实际位置进行读数即可.(1)0~3 V的电压表和0~3 A的电流表的读数方法相同,此量程下的精确度分别是 V和 A,看清楚指针的实际位置,读到小数点后面两位.(2)对于0~15 V量程的电压表,精确度是 V,在读数时只要求读到小数点后面一位,这时要求“ 格估读”,即读到0.1 V.
(3)对于0~0.6 A量程的电流表,精确度是 A,在读数时只要求读到小数点后面两位,这时要求“半格估读”,即读到最小刻度的一半0.01 A.
1.为了读数更精确,游标卡尺也需要估读,如图读作11.40 mm.( )
2.游标卡尺主尺上的数字对应的单位为cm.( )3.如图,游标卡尺读数为5.20 mm.( )
4.如图,游标卡尺读数为50.20 mm,可简化写为50.2 mm.( )
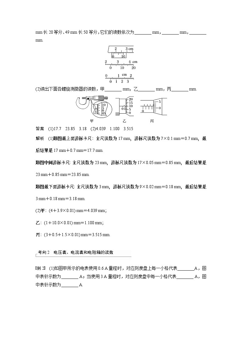
例1 (1)如图所示的三把游标卡尺,它们的游标尺从上至下分别为9 mm长10等分、19 mm长20等分、49 mm长50等分,它们的读数依次为______ mm,_______ mm,______ mm.
考向1 游标卡尺、螺旋测微器的读数
题图最上面游标卡尺:主尺读数为17 mm,游标尺读数为7×0.1 mm=0.7 mm,最后结果是17 mm+0.7 mm=17.7 mm.题图中间游标卡尺:主尺读数为23 mm,游标尺读数为17×0.05 mm=0.85 mm,最后结果是23 mm+0.85 mm=23.85 mm.
题图最下面游标卡尺:主尺读数为3 mm,游标尺读数为9×0.02 mm=0.18 mm,最后结果是3 mm+0.18 mm=3.18 mm.
(2)读出下面各螺旋测微器的读数,甲________ mm,乙________ mm,丙_______ mm.
甲:(4+3.9×0.01) mm=4.039 mm;乙:(1+10.0×0.01) mm=1.100 mm;丙:(3+0.5+1.5×0.01) mm=3.515 mm.
例2 (1)如图甲所示的电表使用0.6 A量程时,对应刻度盘上每一小格代表______A,图中表针示数为______ A;当使用3 A量程时,对应刻度盘中每一小格代表_____ A,图中表针示数为______ A.
考向2 电压表、电流表和电阻箱的读数
电流表使用0.6 A量程时,刻度盘上的每一小格为0.02 A,表针示数为0.44 A;当使用3 A量程时,每一小格为0.1 A,表针示数为2.20 A.
(2)如图乙所示的电表使用较小量程时,每小格表示_____ V,图中表针的示数为______ V;若使用的是较大量程,则这时表盘刻度每小格表示______ V,图中表针示数为_____ V.
电压表使用3 V量程时,每小格表示0.1 V,表针示数为1.70 V;使用15 V量程时,每小格表示0.5 V,表针示数为8.5 V.
(3)旋钮式电阻箱如图丙所示,电流从接线柱A流入,从B流出,则接入电路的电阻为________ Ω.现欲将接入电路的电阻改为2 087 Ω,最简单的操作方法是___________________________________________________.若用两个这样的电阻箱,则可得到的电阻值范围为_____________.
将“×1 k”挡旋钮调到2,再将“×100”挡旋钮调到0
电阻为1 987 Ω.最简单的操作方法是先将“×1 k”挡旋钮调到2,再将“×100”挡旋钮调到0.每个电阻箱的最大阻值是9 999 Ω,用这样的两个电阻箱串联可得到的最大电阻是2×9 999 Ω=19 998 Ω,故用两个这样的电阻箱,可得到的电阻范围为0~19 998 Ω.
测电压或电流时,电表精确度为1,0.1,0.01的估读到下一位;精确度为2,0.2,0.02,5,0.5,0.05,末位为2和5的,读数时只读到与最小刻度位数相同即可.
测量电路与控制电路的选择
1.电流表的内、外接法
2.滑动变阻器两种连接方式的对比
3.滑动变阻器两种接法的选择滑动变阻器的最大阻值和用电器的阻值差不多且不要求电压从零开始变化,通常情况下,由于限流式结构简单、耗能少,优先使用限流式.滑动变阻器必须接成分压电路的几种情况:①要求电压表能从零开始读数,要求电压(电流)测量范围尽可能大;②当待测电阻Rx≫R(滑动变阻器的最大阻值)时(限流式接法滑动变阻器几乎不起作用);③若采用限流式接法,电路中的最小电流仍超过电路中电表、电阻允许的最大电流.
例3 (2020·全国卷Ⅰ·22)某同学用伏安法测量一阻值为几十欧姆的电阻Rx,所用电压表的内阻为1 kΩ,电流表内阻为0.5 Ω.该同学采用两种测量方案,一种是将电压表跨接在图(a)所示电路的O、P两点之间,另一种是跨接在O、Q两点之间.测量得到如图(b)所示的两条U-I图线,其中U与I分别为电压表和电流表的示数.
回答下列问题:(1)图(b)中标记为Ⅱ的图线是采用电压表跨接在________(填“O、P”或“O、Q”)两点的方案测量得到的.
(2)根据所用实验器材和图(b)可判断,由图线____(填“Ⅰ”或“Ⅱ”)得到的结果更接近待测电阻的真实值,结果为______ Ω(保留1位小数).
待测电阻阻值约为50 Ω,
故图线Ⅰ得到的结果更接近待测电阻的真实值,测量结果为50.5 Ω.
(3)考虑到实验中电表内阻的影响,需对(2)中得到的结果进行修正,修正后待测电阻的阻值为______ Ω(保留1位小数).
电压表跨接在O、Q之间,测得的阻值为电阻与电流表内阻之和,则R=RⅠ-RA=(50.5-0.5) Ω=50.0 Ω.
1.系统误差(1)伏安法测电阻系统误差来源:电压表的分流或电流表的分压.(2)减小系统误差根据题目中给出的电阻阻值大约值,选用合适的实验器材,采用误差小的实验方案(如电流表的内、外接法).(3)消除系统误差题目给定的条件充分(电表内阻已知),合理设计电路可消除系统误差.
2.偶然误差(1)电压表、电流表、多用电表、毫米刻度尺、游标卡尺、螺旋测微器等读数误差.(2)描点、计算等对数据处理造成的误差.(3)通过多次测量取平均值或图像法可以减小偶然误差.
例4 (2023·内蒙古包头市模拟)物理兴趣小组利用“伏安法”测量一个阻值较小的定值电阻Rx的阻值,可用器材有:电压表(量程为15 V,内阻约为5 000 Ω),电流表(量程为0.6 A,内阻为5 Ω),电源E(电动势为12 V,内阻不计),滑动变阻器R最大阻值为10 Ω,定值电阻R0阻值为15 Ω,开关S,导线若干.(R0、Rx、R、电流表、电压表、电源、开关等仪器均无断路和短路,导线无断路)
(1)将图甲所示的器材符号连线,画出实验电路的原理图.要求电流表和电压表的示数从零开始变化.
因待测电阻Rx的电阻和电流表的内阻都较小,为保护电路,应将定值电阻R0与它们串联,又要求电流表和电压表的示数从零开始变化,故滑动变阻器采用分压式接法,由于电流表的内阻已知,故电流表采用内接法,故实验电路的原理图如图所示.
(2)连接电路后,闭合开关,逐渐移动滑片,发现电流表始终没有示数,电压表示数逐渐增大最终接近电源电压.则出现该现象的原因可能是________.
答案 R0与Rx之间接线处断路(Rx与电流表之间接线处断路等其他答案均可,说仪器断路或者短路均不对)
出现该现象的原因可能是R0与Rx之间接线处断路.
(3)该电路中R0的作用是__________.
由(1)分析可知该电路中R0的作用是:①保护电路;②增大电压表读数范围,降低读数误差.
答案 ①保护电路 ②增大电压表读数范围,降低读数误差(能描绘出保护电路意思和方便读数即可)
(4)测出多组数据,作出I-U图像,如图乙所示.则Rx阻值为_____ Ω.
实验器材的选取与实物图的连接
1.实验器材选择的技巧(1)电压表、电流表:不超过量程,且要超过满偏刻度的 .有时也可以从测量数据来确定选择的电表.(2)滑动变阻器:分压选阻值小的且不超过其额定电流的滑动变阻器,限流选最大阻值为待测电阻2~3倍的滑动变阻器.电流半偏法测电阻,滑动变阻器选阻值大的.(3)定值电阻:若用于电表改装,阻值与改装后的量程匹配,若用于保护电路,应使电流表、电压表读数在满偏刻度的 以上且不超过电流表、电压表量程.
2.实物图连接的注意事项(1)画线连接各元件,一般先从电源正极开始,按照电路原理图依次到开关,再到滑动变阻器,按顺序以单线连接方式将主电路中串联的元件依次串联起来,再将要并联的元件并联到电路中去.(2)连线时要将导线接在接线柱上,两条导线不能交叉.(3)要注意电表的量程和正、负接线柱,要使电流从电表的正接线柱流入,从负接线柱流出.(4)滑动变阻器的接法:限流法,导线分别连接到上、下接线柱上(两个接线柱);分压法,导线分别连接到上边一个接线柱和下边两个接线柱上(一上两下共三个接线柱).
例5 某实验小组要测量一个用电器L的额定功率(额定电压为10 V、额定功率在12~15 W之间),测量电路的部分导线已经接好(如图所示).实验室有下列器材可供选用:直流电源:E1(电动势为3 V,内阻很小)E2(电动势为15 V,内阻很小)直流电流表:A1(量程0~0.6 A,内阻约为0.5 Ω)A2(量程0~3 A,内阻约为0.1 Ω)直流电压表:V(量程为3 V、内阻为3 kΩ)滑动变阻器:R1(阻值范围0~20 Ω)R2(阻值范围0~200 Ω)
定值电阻:R3=3 kΩ、R4=9 kΩ、R5=25 kΩ开关一个,导线若干为使测量尽可能准确、方便,请回答下列问题:(1)电源应该选择_____(填“E1”或“E2”);
由于额定电压为10 V,所以直流电源选择电动势为15 V的E2.
(2)电流表应该选择______(填“A1”或“A2”);
其额定电流为1.2~1.5 A,所以直流电流表选择A2.
(3)滑动变阻器应该选择______(填“R1”或“R2”);
根据已有的电路结合让实验结果更为精确的要求,采用限流电路,所以利用滑动变阻器R1作为限流电阻.
(4)由于电压表的量程不够,要利用一个定值电阻进行改装.请选择合适的定值电阻,在图中用笔画线代替导线连接好测量电路的剩余部分.
若要将电压表改装为量程更大的电压表,需要与其串联一个定值电阻,根据串联电路特点知,若串联R3,则量程为6 V,若串联R4,则量程为12 V,若串联R5,则量程为28 V,因此串联R4比较合适,如图所示.
例6 现要用如图甲所示的电路图来测量某一电压表V的内阻.给定的器材有:待测电压表V(量程2 V,内阻约为4 kΩ);电流表A(量程1.2 mA,内阻约500 Ω);直流电源E(电动势约2.4 V,内阻不计);滑动变阻器R0(最大阻值20 Ω);定值电阻R(3个:阻值分别为2 kΩ、20 kΩ、200 kΩ);开关S及导线若干.要求测量时两电表指针偏转均超过其量程的一半.
(1)定值电阻R应该选用的阻值为____ kΩ;
假设电压表示数为1 V,由题意可得
故电阻R应该选用的阻值为2 kΩ.
(2)根据图甲的测量电路原理图,用笔画线代替导线,在图乙所给的实物图上连线;
(3)根据图甲的测量电路原理图,开关S闭合前,滑动变阻器的滑动端应滑动到最_____端(选填“左”或“右”);
为避免电流表、电压表在开关S闭合时示数超出量程,闭合开关S前,滑动变阻器的滑动端应滑动到最左端.
(4)电路接通后,把滑动变阻器的滑动端滑动到某一位置,若此时电压表读数为U,电流表读数为I,则电压表内阻RV=_________.
根据部分电路欧姆定律可得,电压表内阻为
1.某同学用螺旋测微器测圆柱体的直径时,示数如图甲所示,此示数为_________________________ mm;用游标卡尺测量某物体的厚度时,示数如图乙所示,此示数为________ cm.另一位学生用游标尺上标有50等分刻度的游标卡尺测一工件的长度,测得的结果如图丙所示,则该工件的长度L=________ cm.
8.021(8.020~8.022均可)
螺旋测微器的固定刻度读数为8 mm,可动刻度读数为2.1×0.01 mm=0.021 mm,所以最终读数为8 mm+0.021 mm=8.021 mm,由于需要估读,因此在范围8.020~8.022 mm内均正确.游标卡尺的主尺读数为20 mm,游标尺上第12个刻度与主尺上某一刻度对齐,故游标尺读数为12×0.05 mm=0.60 mm,所以最终读数为20 mm+0.60 mm=20.60 mm=2.060 cm.工件的长度L=52 mm+0.02×18 mm=5.236 cm.
2.如图,螺旋测微器的读数为_______ mm;电压表的读数为______ V;电流表的读数为_______ A.
螺旋测微器的读数为0.5 mm+0.01 mm×19.5=0.695 mm;电压表的读数为2.60 V;电流表的读数为0.52 A.
3.某同学用伏安法测定待测电阻Rx的阻值(约为10 kΩ),除了Rx、开关S、导线外,还有下列器材供选用:A.电压表(量程0~1 V,内阻约10 kΩ)B.电压表(量程0~10 V,内阻约100 kΩ)C.电流表(量程0~1 mA,内阻约30 Ω)D.电流表(量程0~0.6 A,内阻约0.05 Ω)E.电源(电动势1.5 V,额定电流0.5 A,内阻不计)F.电源(电动势 12 V,额定电流2 A,内阻不计)G.滑动变阻器R0(阻值范围0~10 Ω,额定电流2 A)
A.电压表(量程0~1 V,内阻约10 kΩ)B.电压表(量程0~10 V,内阻约100 kΩ)C.电流表(量程0~1 mA,内阻约30 Ω)D.电流表(量程0~0.6 A,内阻约0.05 Ω)E.电源(电动势1.5 V,额定电流0.5 A,内阻不计)F.电源(电动势 12 V,额定电流2 A,内阻不计)G.滑动变阻器R0(阻值范围0~10 Ω,额定电流2 A)(1)为使测量尽量准确,电压表选用____,电流表选用____,电源选用____.(均填器材的字母代号)
若电源选用E,则通过Rx的最大电流为0.15 mA,此时两电流表均达不到半偏,故电源应选用F.电压表内阻应尽可能与被测电阻阻值相差大一些且量程接近电源电压,故电压表选用B.由此可知电路中的电流约为1 mA,故电流表选用C.
(2)在虚线框内画出测量Rx阻值的实验电路图.
因为待测电阻阻值较大,所以电流表应采用内接法.因为滑动变阻器的阻值很小,若采用限流式接法接入电路的滑动变阻器起不到多大的限流作用,所以滑动变阻器应采用分压式接法,实验电路图如图所示.
(3)该同学选择器材、连接电路和操作均正确,从实验原理上看,待测电阻测量值会______其真实值(选填“大于”“小于”或“等于”),原因是__________________________________________________________.
电压表的读数大于待测电阻两端的实际电压(其他表述正确也可)
4.(2023·山东临沂市第一中学模拟)某物理兴趣小组利用“伏安法”测量一个阻值较小的定值电阻Rx的阻值,电路如图甲所示.已知电源电压为6 V,R0=10 Ω,滑动变阻器规格为“50 Ω 0.6 A”.
(1)请用笔画线代替导线,将图甲中的电路连接完整,要求滑片向右移动连入电路中的阻值变小,导线不能交叉;
滑动变阻器的接线柱要“一上一下”串联接入电路,因为要求滑片向右移动连入电路中的阻值变小,连接电路如图所示.
(2)实验时,闭合开关,发现电流表和电压表示数都为0.现用一根导线在图甲中先后连接接线柱A与B、C与H时,电流表和电压表示数仍为0,连接接线柱H与G时,电流表和电压表指针有明显偏转,则电路的故障是__________________________;
开关断路(或开关接触不良)
连接电路后,闭合开关,发现电流表示数为0,说明电路发生了断路,电压表示数为0,说明与电压表并联以外的电路断路.用一根导线在题图甲中先后连接接线柱A与B、C与H时,电流表和电压表示数仍为0,说明R0、Rx和滑动变阻器都没有故障,连接接线柱H与G时,电流表和电压表指针有明显偏转,则说明开关断路.
(3)排除故障后,闭合开关调节滑片,利用电压表和电流表测出了多组实验数据,并作出了电压表与电流表示数的关系图像,如图乙所示,则Rx阻值为____Ω;
(4)调节滑动变阻器,当电压表的示数为3 V时,Rx消耗的电功率是________ W;
由题图乙可知,当R0和Rx阻值一定时,电流表示数与电压表示数成正比,所以当电压表的示数为3 V时,通过Rx的电流为0.25 A,所以Rx消耗的电功率为P=I′2Rx=0.252×2 W=0.125 W.
(5)电路中串联R0的作用是_____(填正确答案前的字母).A.增大串联电阻,增大分压,电压表易于读数B.增大串联电阻,增大分流,电流表易于读数
为了增大串联电阻,增大分压,使电压表易于读数,所以在该电路中串联R0,故A正确,B错误.
5.某同学要测量一个未知电阻的阻值,实验室提供的器材有:A.电流表A1:量程为0~3 mA,内阻r1约为15 ΩB.电流表A2:量程为0~1.5 mA,内阻r2为25 ΩC.定值电阻R1:R1=9 975 ΩD.定值电阻R2:R2=1 975 ΩE.滑动变阻器R3:最大阻值为10 ΩF.电源E,电动势为3 V,内阻很小但不可忽略G.开关S及导线若干
(1)该同学根据实验器材设计了如图所示的测量电路,闭合开关S之前,滑动变阻器R3的滑片应置于________(填“最左端”或“最右端”).
为了实验安全,闭合开关S之前,应使电路中电流从最小值开始调节,滑动变阻器采用分压接法,故应将滑片置于最左端.
(2)实验中需要量程为0~3 V的电压表,则电路图中的电流表①应选择____,定值电阻R应选择_____(均填器材前面的字母).
实验器材中没有电压表,要用电流表改装,只有内阻已知的电流表才能改装成电压表,所以电流表选择B.
(3)调节滑动变阻器,将滑动变阻器的滑片置于合适的位置,若此时电流表A1的示数为I1,电流表A2的示数为I2,则待测电阻Rx=__________(用物理量的符号表示).
由串、并联电路的特点和闭合电路欧姆定律有I2(r2+R2)=(I1-I2)Rx
6.(2023·四川攀枝花市模拟)电阻Rx的阻值在3~5 kΩ间,现要测量其电阻,实验室提供了下列器材: 电压表V(量程3 V,内阻约为30 kΩ)电流表A1(量程100 μA,内阻约为100 Ω)电流表A2(量程1 mA,内阻约为10 Ω)滑动变阻器R(最大电阻500 Ω)电源E(电动势4 V)开关S及导线若干
某课外活动小组设计了如图甲所示的测量电路进行了实验,请回答下列问题:(1)电路中电流表应选用上述器材中的_____(填写字母代号);
(2)闭合开关S前,滑动变阻器的滑动触头P应在______(选填“a”或“b”)端;
滑动变阻器为分压接法,为了保护电路,闭合开关前应使并联部分的电压为零,故滑动触头P应在a端.
(3)请根据图甲所示的电路图,在图乙中将实物图连接补充完整;
按实验电路图将实物图补充完整,如图所示.
(4)实验中得到的I-U图线如图丙中的实线d所示,电阻Rx的测量值为_____ kΩ;
(5)由于本实验存在误差,你认为电阻Rx的真实I-U图线应为图丙中图线_____(选填“c” 或“e”);
本次实验是用电流表的内接法测电阻的,所以电压表测的是电流表和Rx两端的总电压,那么电压和电阻的测量值均偏大,故真实的图线应是c.
(6)某同学对图甲中虚线框内的电路进行修改,并从上述器材中选用适当的器材,设计出了测量电压表V内阻的电路,请在方框内画出该同学修改部分的电路,并在图中标出所选用的器材.
由于电压表的内阻很大,而满偏电流
恰好在电流表A1的量程之内,所以可以直接将两表串联接入虚线框内,如图所示.
7.为了测量一电阻的阻值Rx,现有以下器材:蓄电池E,电流表A,电压表V,滑动变阻器R,电阻箱RP,开关S1、S2,导线若干.某活动小组设计了如图甲所示的电路.实验的主要步骤如下:A.闭合S1,断开S2,调节R和RP,使电流表和电压表示数合适,记下两表示数分别为I1、U1;B.闭合S2,保持RP阻值不变,记下电流表和电压表示数分别为I2、U2.
(1)按电路图在实物图乙上连线.
(2)写出被测电阻的表达式Rx=_____________(用两电表的读数表示).
新高考物理一轮复习精品课件第9章专题强化16电学实验基础(含解析): 这是一份新高考物理一轮复习精品课件第9章专题强化16电学实验基础(含解析),共60页。PPT课件主要包含了内容索引,题型二电表改装,课时精练,常用仪器的读数,游标尺,~19998Ω,电表改装,电表的两种改装的比较,答案见解析图,如图所示等内容,欢迎下载使用。
2024高考物理大一轮复习课件 第十章 专题强化十五 电学实验基础: 这是一份2024高考物理大一轮复习课件 第十章 专题强化十五 电学实验基础,共60页。PPT课件主要包含了电学实验基础,常用仪器的读数,课时精练等内容,欢迎下载使用。
高考物理一轮复习课件+讲义 第9章 专题强化16 电学实验基础: 这是一份高考物理一轮复习课件+讲义 第9章 专题强化16 电学实验基础,文件包含高考物理一轮复习第9章专题强化16电学实验基础pptx、高考物理一轮复习第9章专题强化16电学实验基础docx等2份课件配套教学资源,其中PPT共60页, 欢迎下载使用。

