新高考物理一轮复习讲义 第9章 专题强化17 电学实验综合
展开题型一 测电阻的其他几种方法
差值法测电阻
1.电流表差值法(如图1所示)
图1
(1)基本原理:定值电阻R0的电流I0=I2-I1,电流表的电压U1=(I2-I1)R0.
(2)可测物理量:
①若R0为已知量,可求得电流表的内阻r1=eq \f(I2-I1R0,I1);
②若r1为已知量,可求得R0=eq \f(I1r1,I2-I1).
2.电压表差值法(如图2所示)
图2
(1)基本原理:定值电阻R0的电压U0=U2-U1,电压表的电流I1=eq \f(U2-U1,R0).
(2)可测物理量:
①若R0为已知量,可求得电压表的内阻
r1=eq \f(U1,U2-U1)R0;
②若r1为已知量,可求得R0=eq \f(U2-U1,U1)r1.
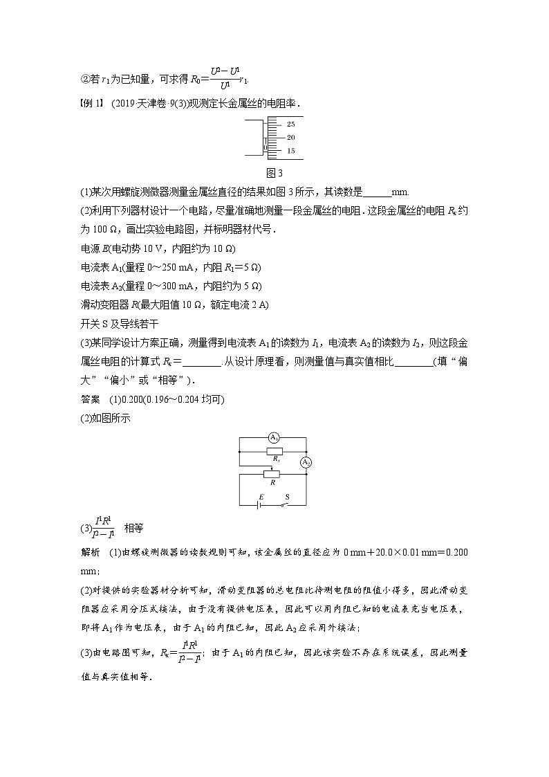
例1 (2019·天津卷·9(3))现测定长金属丝的电阻率.
图3
(1)某次用螺旋测微器测量金属丝直径的结果如图3所示,其读数是______mm.
(2)利用下列器材设计一个电路,尽量准确地测量一段金属丝的电阻.这段金属丝的电阻Rx约为100 Ω,画出实验电路图,并标明器材代号.
电源E(电动势10 V,内阻约为10 Ω)
电流表A1(量程0~250 mA,内阻R1=5 Ω)
电流表A2(量程0~300 mA,内阻约为5 Ω)
滑动变阻器R(最大阻值10 Ω,额定电流2 A)
开关S及导线若干
(3)某同学设计方案正确,测量得到电流表A1的读数为I1,电流表A2的读数为I2,则这段金属丝电阻的计算式Rx=________.从设计原理看,则测量值与真实值相比________(填“偏大”“偏小”或“相等”).
答案 (1)0.200(0.196~0.204均可)
(2)如图所示
(3)eq \f(I1R1,I2-I1) 相等
解析 (1)由螺旋测微器的读数规则可知,该金属丝的直径应为0 mm+20.0×0.01 mm=0.200 mm;
(2)对提供的实验器材分析可知,滑动变阻器的总电阻比待测电阻的阻值小得多,因此滑动变阻器应采用分压式接法,由于没有提供电压表,因此可以用内阻已知的电流表充当电压表,即将A1作为电压表,由于A1的内阻已知,因此A2应采用外接法;
(3)由电路图可知,Rx=eq \f(I1R1,I2-I1);由于A1的内阻已知,因此该实验不存在系统误差,因此测量值与真实值相等.
半偏法测电表内阻
1.电压表半偏法(如图4所示)
图4
(1)实验步骤
①将R2的阻值调为零,闭合S,调节R1的滑动触头,使电压表读数等于其量程Um;
②保持R1的滑动触头不动,调节R2,当电压表读数等于eq \f(1,2)Um时记录下R2的值,则RV=R2.
(2)误差分析
①测量值偏大:RV测=R2>RV真.
②原因分析:当R2的阻值由零逐渐增大时,R2与电压表两端的总电压也将逐渐增大,因此电压表读数等于eq \f(1,2)Um时,R2两端的电压将大于eq \f(1,2)Um,使R2>RV,从而造成RV的测量值偏大.显然电压表半偏法适用于测量内阻较大的电压表的电阻.
③减小误差的方法:选电动势较大的电源E,选阻值较小的滑动变阻器R1,满足R1≪RV.
2.电流表半偏法(电路图如图5所示)
图5
(1)实验步骤
①先断开S2,再闭合S1,将R1最大阻值逐渐调小,使电流表读数等于其量程Im;
②保持R1不变,闭合S2,将电阻箱R2由最大阻值逐渐调小,当电流表读数等于eq \f(1,2)Im时记录下R2的值,则RA=R2.
(2)误差分析
①测量值偏小:RA测=R2<RA真.
②原因分析:当闭合S2时,总电阻减小,总电流增大,大于原电流表的满偏电流,而此时电流表半偏,所以流经R2的电流比电流表所在支路的电流大,R2的电阻比电流表的电阻小,而我们把R2的读数当成电流表的内阻,故测得的电流表的内阻偏小.
③减小误差的方法:选电动势较大的电源E,选阻值非常大的滑动变阻器R1,满足R1≫RA.
例2 (2016·全国卷Ⅱ·23)某同学利用图6所示电路测量量程为2.5 V 的电压表的内阻(内阻为数千欧姆),可供选择的器材有:电阻箱R(最大阻值99 999.9 Ω),滑动变阻器R1(最大阻值50 Ω),滑动变阻器R2(最大阻值5 kΩ),直流电源E(电动势3 V),开关1个,导线若干.
实验步骤如下
①按电路原理图连接线路;
图6
②将电阻箱阻值调节为0,将滑动变阻器的滑片移到与图中最左端所对应的位置,闭合开关S;
③调节滑动变阻器,使电压表满偏;
④保持滑动变阻器滑片的位置不变,调节电阻箱阻值,使电压表的示数为2.00 V,记下电阻箱的阻值.
回答下列问题:
(1)实验中应选择滑动变阻器________(填“R1”或“R2”).
(2)根据电路将图7中实物图连线.
图7
(3)实验步骤④中记录的电阻箱阻值为630.0 Ω,若认为调节电阻箱时滑动变阻器上的分压不变,计算可得电压表的内阻为________Ω(结果保留到个位).
(4)如果此电压表是由一个表头和电阻串联构成的,可推断该表头的满刻度电流为________(填正确答案标号).
A.100 μA B.250 μA
C.500 μA D.1 mA
答案 (1)R1 (2)见解析图 (3)2 520 (4)D
解析 (1)本实验测电压表的内阻,实验中电压表示数变化不大,则接入电阻箱后电路的总电阻变化不大,故需要滑动变阻器的最大阻值较小,故选R1可减小实验误差.
(2)滑动变阻器为分压式,实物图连线如图所示.
(3)电压表和电阻箱串联,两端电压分别为2.00 V和0.50 V,则RV=4R=2 520 Ω.
(4)电压表的满偏电流Ig=eq \f(U,RV)=eq \f(2.5,2 520) A≈1 mA,故选项D正确.
例3 (八省联考·重庆·12)某同学拟将量程为Ig=1 mA,内阻约为几十欧姆的电流表G改装成量程为1 V的电压表.
图8
(1)他首先设计了如图8所示电路来测量电流表G的内阻Rg,图中E为电源电动势.现有最大阻值分别为100 Ω和2 600 Ω的滑动变阻器,则R2应选用最大阻值为________Ω的滑动变阻器.开关S1接通,S2未接通时,调节R2使电流表G示数为1.00 mA;接通S2后,保持滑动变阻器R2的滑片位置不变,调节电阻箱R1,当其阻值为50 Ω时,电流表G的示数为0.50 mA,则电流表G的内阻Rg为________Ω;
(2)为了将电流表G改装成量程为1 V的电压表,需要________(选填“串联”或“并联”)一个大小为________ Ω的电阻.
答案 (1)2 600 50 (2)串联 950
解析 (1)本题中采用“半偏法测电流表的内阻”,要求滑动变阻器的阻值远大于电流表的内阻,电流表内阻为几十欧,则R2应选用最大阻值为2 600 Ω的滑动变阻器.电流表G满偏后接通S2,电阻箱R1的电阻与电流表G的内阻相等时,电流表G半偏,即Rg=50 Ω.
(2)改装后电压表的内阻较大,故应该串联一个电阻,改装后电压表的满偏电流为0.001 A,满偏电压为1 V,则改装后电压表内阻为RV=eq \f(1,0.001) Ω=1 000 Ω,则需要串联的电阻为R=RV-Rg=1 000 Ω-50 Ω=950 Ω.
等效替代法测电阻
如图9所示,先让待测电阻与一电流表串联后接到电动势恒定的电源上,读出电流表示数I;然后将电阻箱与电流表串联后接到同一电源上,调节电阻箱的阻值,使电流表的读数仍为I,则电阻箱的读数即等于待测电阻的阻值.
图9
例4 (2018·全国卷Ⅰ·23)某实验小组利用如图10甲所示的电路探究在25 ℃~80 ℃范围内某热敏电阻的温度特性.所用器材有:置于温控室(图中虚线区域)中的热敏电阻RT,其标称值(25 ℃时的阻值)为900.0 Ω;电源E(6 V,内阻可忽略);电压表(量程150 mV);定值电阻R0(阻值20.0 Ω),滑动变阻器R1(最大阻值为1 000 Ω);电阻箱R2(阻值范围0~999.9 Ω);单刀开关S1,单刀双掷开关S2.
实验时,先按图甲连接好电路,再将温控室的温度t升至80.0 ℃.将S2与1端接通,闭合S1,调节R1的滑片位置,使电压表读数为某一值U0;保持R1的滑片位置不变,将R2置于最大值,将S2与2端接通,调节R2,使电压表读数仍为U0;断开S1,记下此时R2的读数.逐步降低温控室的温度t,得到相应温度下R2的阻值,直至温度降到25.0 ℃.实验得到的R2-t数据见下表.
回答下列问题:
(1)在闭合S1前,图甲中R1的滑片应移动到________(填“a”或“b”)端.
(2)在图乙的坐标纸上补齐数据表中所给数据点,并作出R2-t曲线.
图10
(3)由图乙可得到RT在25 ℃~80 ℃范围内的温度特性.当t=44.0 ℃时,可得RT=________Ω.
(4)将RT握于手心,手心温度下R2的相应读数如图丙所示,该读数为________Ω,则手心温度为________℃.
答案 (1)b (2)如图所示
(3)450 (4)620.0 33.0
解析 (1)闭合开关S1前,应让滑片移动到b端,使滑动变阻器连入电路的阻值最大.
(3)由图像可知t=44.0 ℃时,电阻的阻值为450 Ω.
(4)由题图可得电阻箱阻值为620.0 Ω,由图像可得温度约为33.0 ℃.
电桥法测电阻(如图11所示)
图11
(1)操作:实验中调节电阻箱R3,使灵敏电流计G的示数为0.
(2)原理:当IG=0时,有UAB=0,则UR1=UR3,UR2=URx;电路可以等效为图12所示.
图12
根据欧姆定律有eq \f(UR1,R1)=eq \f(UR2,R2),eq \f(UR1,R3)=eq \f(UR2,Rx),由以上两式解得R1Rx=R2R3或eq \f(R1,R2)=eq \f(R3,Rx),这就是电桥平衡的条件,由该平衡条件可求出被测电阻Rx的阻值.
例5 (2017·全国卷Ⅱ·23)某同学利用如图13(a)所示的电路测量一微安表(量程为100 μA,内阻大约为2 500 Ω)的内阻.可使用的器材有:两个滑动变阻器R1、R2(其中一个阻值为20 Ω,另一个阻值为2 000 Ω);电阻箱Rz(最大阻值为99 999.9 Ω);电源E(电动势约为1.5 V);单刀开关S1和S2.C、D分别为两个滑动变阻器的滑片.
图13
(1)按原理图(a)将图(b)中的实物连线.
(2)完成下列填空:
①R1的阻值为________ Ω(填“20”或“2 000”).
②为了保护微安表,开始时将R1的滑片C滑到接近图(a)中滑动变阻器的________端(填“左”或“右”)对应的位置;将R2的滑片D置于中间位置附近.
③将电阻箱Rz的阻值置于2 500.0 Ω,接通S1.将R1的滑片置于适当位置,再反复调节R2的滑片D的位置,最终使得接通S2前后,微安表的示数保持不变,这说明S2接通前B与D所在位置的电势________(填“相等”或“不相等”).
④将电阻箱Rz和微安表位置对调,其他条件保持不变,发现将Rz的阻值置于2 601.0 Ω时,在接通S2前后,微安表的示数也保持不变.待测微安表的内阻为______Ω(结果保留到个位).
(3)写出一条提高测量微安表内阻精度的建议:
________________________________________________________________________.
答案 (1)见解析图
(2)①20 ②左 ③相等 ④2 550
(3)调节R1上的分压,尽可能使微安表接近满量程
解析 (1)实物连线如图所示:
(2)①滑动变阻器R1采用分压式接法,为了方便调节要选择阻值较小的滑动变阻器;
②为了保护微安表,开始时将R1的滑片C滑到滑动变阻器的左端对应的位置;
③将电阻箱Rz的阻值置于2 500.0 Ω,接通S1;将R1的滑片置于适当位置,再反复调节R2的滑片D的位置;最终使得接通S2前后,微安表的示数保持不变,这说明S2接通前后在BD中无电流流过,可知B与D所在位置的电势相等;
④设滑片D两侧电阻分别为R21和R22,由B与D所在位置的电势相等可知,eq \f(Rz1,R21)=eq \f(RμA,R22);同理,当Rz和微安表对调时,仍有eq \f(RμA,R21)=eq \f(Rz2,R22);联立两式解得,RμA=eq \r(Rz1Rz2)=eq \r(2 500.0×2 601.0) Ω=2 550 Ω
(3)为了提高测量精度,应调节R1上的分压,尽可能使微安表接近满量程.
题型二 传感器类实验
例6 (八省联考·辽宁·12)某同学为定性探究光敏电阻阻值随光照强度变化的关系,设计了如图14(a)所示的电路.所用器材有:置于暗箱(图中虚线区域)中的光敏电阻RG、小灯泡和刻度尺;阻值为R的定值电阻;理想电压表;电动势为E、内阻为r的电源;开关S;导线若干.
图14
实验时,先按图(a)连接好电路,然后改变暗箱中光源到光敏电阻的距离d,记录电压表的示数U,获得多组数据如下表.
回答下列问题:
(1)光敏电阻阻值RG与电压表示数U的关系式为RG=________(用E、r、R、U表示);
(2)在图(b)的坐标纸上补齐数据表中所给的第二组数据点,并作出U-d的非线性曲线:
(3)依据实验结果可推断:光敏电阻的阻值随着光照强度的减小而________(填“增大”或“减小”);
(4)该同学注意到智能手机有自动调节屏幕亮度的功能,光照强度大时屏幕变亮,反之变暗.他设想利用光敏电阻的特性,实现“有光照射光敏电阻时,小灯泡变亮;反之变暗”的功能,设计了如图(c)所示电路,则电路中________(填“R1”或“R2”)为光敏电阻,另一个为定值电阻.
答案 (1)eq \f(E,U)R-R-r
(2)见解析图
(3)增大 (4)R2
解析 由闭合电路欧姆定律得E=eq \f(U,R)(R+r+RG),
得RG=eq \f(E,U)R-R-r.
(2)作出第二组数据点,用平滑的曲线连起来.
(3)由题知,当d增大,光照强度减小,U减小,由RG=eq \f(E,U)R-R-r可得RG增大.
(4)若R1为光敏电阻,因为光照强度变大,R1电阻减小,由“串反并同”可知灯泡变暗;若R2为光敏电阻,光照强度变大,R2电阻减小,通过灯泡的电流增大,灯泡变亮,故R2为光敏电阻.
题型三 其他创新实验
1.找原型:先根据实验目的和给出的条件把教材中的实验原型在头脑中完整地重现出来;
2.做对比:将实验中所给器材与原型中器材进行对比,看一下少了什么器材或什么器材的量程不满足要求;再看一下多给了什么器材,注意多给的器材可能就是解决问题的“金钥匙”;
3.定方案:根据对比结果设计电路;
4.常用替代或改装:
(1)内阻已知的电压表相当于小量程的电流表;
(2)内阻已知的电流表则相当于小量程的电压表;
(3)灵敏电流计串大电阻改装成电压表:
(4)灵敏电流计并小电阻改装成电流表;
(5)内阻较小的电源串定值电阻相当于内阻较大的电源.
例7 (2020·内蒙古通辽市高三增分训练)导电玻璃是制造LCD的主要材料之一,为测量导电玻璃的电阻率,某小组同学选取了一个长度为L的圆柱体导电玻璃器件,上面标有“3 V,L”的字样,主要步骤如下,完成下列问题.
图15
(1)首先用螺旋测微器测量导电玻璃的直径,示数如图15甲所示,则直径d=________ mm.
(2)然后用欧姆表×100挡粗测该导电玻璃的电阻,表盘指针位置如图乙所示,则导电玻璃的电阻约为________ Ω.
(3)为精确测量Rx在额定电压时的阻值,且要求测量时电表的读数不小于其量程的eq \f(1,3),滑动变阻器便于调节,他们根据下面提供的器材,设计了一个方案,请在虚线框中画出电路图,标出所选器材对应的电学符号.
A.电流表A1(量程为60 mA,内阻RA1约为3 Ω)
B.电流表A2(量程为2 mA,内阻RA2=15 Ω)
C.定值电阻R1=747 Ω
D.定值电阻R2=1 985 Ω
E.滑动变阻器R(0~20 Ω)
F.电压表V(量程为10 V,内阻RV=1 kΩ)
G.蓄电池E(电动势为12 V,内阻很小)
H.开关S一只,导线若干
(4)由以上实验可测得该导电玻璃电阻率值ρ=________(用字母表示,可能用到的字母有长度L、直径d、电流表A1、A2的读数I1、I2,电压表读数U,电阻值RA1、RA2、RV、R1、R2).
答案 (1)1.990 (2)500 (3)见解析图
(4)eq \f(πd2I2R2+RA2,4L\f(U,RV)-I2)
解析 (1)螺旋测微器的固定刻度为1.5 mm,可动刻度为49.0×0.01 mm=0.490 mm,所以最终读数为1.5 mm+0.490 mm=1.990 mm(1.989~1.991 mm均正确)
(2)表盘的读数为5,所以导电玻璃的电阻约为5×100 Ω=500 Ω.
(3)电源的电动势为12 V,电压表的量程为10 V,滑动变阻器的电阻为20 Ω,由于滑动变阻器的电阻与待测电阻的电阻值差不多,若串联使用调节的范围太小,所以滑动变阻器选择分压式接法;流过待测电阻的电流约为:I=eq \f(3,500) A=0.006 A=6 mA,两电压表量程均不合适;同时由于电压表量程为10 V,远大于待测电阻的额定电压3 V,故常规方法不能正常测量,所以考虑用电流表改装成电压表使用,同时电压表量程为10 V,内阻RV=1 kΩ,故满偏电流为10 mA,符合要求,故将电压表充当电流表使用,电流表A2与R2串联充当电压表使用,改装后量程为4 V,可以使用,由于改装后电表电阻已知,故内外接法均可,故电路图如图所示.
(4)根据串并联电路的规律可知,待测电阻中的电流:I=eq \f(U,RV)-I2,电压:Ux=I2(R2+RA2),由欧姆定律可知电阻:Rx=eq \f(Ux,I),根据电阻定律可知:R=ρeq \f(L,S),而截面积:S=πeq \f(d2,4),联立解得ρ=eq \f(πd2I2R2+RA2,4L\f(U,RV)-I2).
t/℃
25.0
30.0
40.0
50.0
60.0
70.0
80.0
R2/Ω
900.0
680.0
500.0
390.0
320.0
270.0
240.0
d/cm
8.50
10.00
12.00
13.50
15.00
17.00
18.50
20.00
22.00
23.50
25.00
U/mV
271.0
220.0
180.0
156.7
144.9
114.0
94.8
89.5
78.6
72.5
65.0
新高考物理一轮复习讲义 第9章 专题强化16 电学实验基础: 这是一份新高考物理一轮复习讲义 第9章 专题强化16 电学实验基础,共15页。试卷主要包含了读数,7 23等内容,欢迎下载使用。
高考物理一轮复习讲义第9章 专题强化17 电学实验综合(含解析): 这是一份高考物理一轮复习讲义第9章 专题强化17 电学实验综合(含解析),共18页。试卷主要包含了9 Ω;,0 V,内阻忽略不计),0 kΩ);,0 V,内阻不计);,50,00等内容,欢迎下载使用。
高考物理一轮复习讲义第9章 专题强化16 电学实验基础(含解析): 这是一份高考物理一轮复习讲义第9章 专题强化16 电学实验基础(含解析),共17页。试卷主要包含了读数,20 mm,7 23,滑动变阻器两种接法的选择等内容,欢迎下载使用。

