物理一轮复习教案:9-3 带电粒子在复合场中的运动 word版含解析
展开
基础点
知识点1 带电粒子在复合场、组合场中的运动
1.复合场与组合场
(1)复合场:电场、磁场、重力场共存,或其中某两场共存。
(2)组合场:电场与磁场各位于一定的区域内,并不重叠,或在同一区域,电场、磁场分时间段或分区域交替出现。
2.带电粒子在复合场中运动情况分类
(1)静止或匀速直线运动:当带电粒子在复合场中所受合外力为零时,将处于静止状态或匀速直线运动状态。
(2)匀速圆周运动:当带电粒子所受的重力与电场力大小相等,方向相反时,带电粒子在洛伦兹力的作用下,在垂直于匀强磁场的平面内做匀速圆周运动。
(3)较复杂的曲线运动:当带电粒子所受合外力的大小和方向均变化,且与初速度方向不在一条直线上时,粒子做非匀变速曲线运动,这时粒子的运动轨迹既不是圆弧,也不是抛物线。
(4)分阶段运动:带电粒子可能依次通过几个情况不同的复合场区域,其运动情况随区域发生变化,其运动过程由几种不同的运动阶段组成。
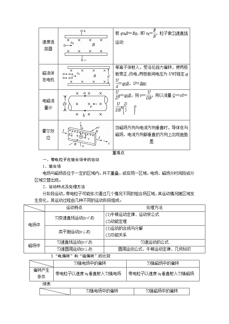
知识点2 带电粒子在复合场中运动的应用实例
装置
原理图
规律
质谱仪
粒子由静止被加速电场加速qU=mv2,在磁场中做匀速圆周运动qvB=m,则比荷=
回旋加速器
交流电的周期和粒子做圆周运动的周期相等,粒子在圆周运动过程中每次经过D形盒缝隙都会被加速。由qvB=得Ekm=
续表
装置
原理图
规律
速度选择器
若qv0B=Eq,即v0=,粒子做匀速直线运动
磁流体发电机
等离子体射入,受洛伦兹力偏转,使两极板带正、负电,两极板间电压为U时稳定,q=qvB,U=Bdv
电磁流量计
q=qvB,则v=,所以流量Q=vS=π2
霍尔效应
当磁场方向与电流方向垂直时,导体在与磁场、电流方向都垂直的方向上出现电势差
重难点
一、带电粒子在组合场中的运动
1.组合场
电场与磁场各位于一定的区域内,并不重叠,或在同一区域,电场、磁场分时间段或分区域交替出现。
2.运动特点及处理方法
分阶段运动,带电粒子可能依次通过几个情况不同的组合场区域,其运动情况随区域发生变化,其运动过程由几种不同的运动阶段组成。
运动特点
处理方法
电场中
匀变速直线运动(v∥E)
(1)牛顿运动定律、运动学公式
(2)动能定理
类平抛运动(v⊥E)
(1)运动的合成与分解
(2)功能关系
磁场中
匀速直线运动(v∥B)
匀速运动的公式
匀速圆周运动(v⊥B)
圆周运动公式、牛顿运动定律、几何知识
3.“电偏转”和“磁偏转”的比较
匀强电场中的偏转
匀强磁场中的偏转
偏转产生条件
带电粒子以速度v0垂直射入匀强电场
带电粒子以速度v0垂直射入匀强磁场
续表
匀强电场中的偏转
匀强磁场中的偏转
受力特征
只受恒定的电场力F=Eq,方向与初速度方向垂直
只受大小恒定的洛伦兹力F=qv0B,方向始终与速度方向垂直
运动性质
匀变速曲线运动(类平抛)
匀速圆周运动
轨迹
抛物线
圆或圆弧
运动轨迹图
运动规律
vx=v0 vy=t
x=v0t y=
qv0B=
R= T=
动能变化
动能增大
动能不变
运动时间
t=
t=T=
特别提醒
带电粒子在组合场区内运动时,分析每个场区内的受力和运动比较简单。解题的关键是抓住场区之间的交接特点(如速度v的大小、方向),建立时间和空间几何关系的联系。
二、带电粒子在复合场(叠加场)中的运动
1.关于粒子重力是否考虑的三种情况
(1)对于微观粒子,如电子、质子、离子等,因为其重力一般情况下与静电力或磁场力相比太小,可以忽略;而对于一些实际物体,如带电小球、液滴、尘埃等一般应当考虑其重力。
(2)在题目中有明确说明是否要考虑重力的,按题目要求处理。
(3)不能直接判断是否要考虑重力的,在进行受力分析与运动分析时,要结合运动状态确定是否要考虑重力。
2.三种场的比较
名称
力的特点
功和能的特点
重力场
大小:G=mg
方向:竖直向下
重力做功与路径无关重力做功改变物体的重力势能
静电场
大小:F=qE
方向:正电荷受力方向与场强方向相同;负电荷受力方向与场强方向相反
电场力做功与路径无关
W=qU
电场力做功改变电势能
磁场
洛伦兹力F=qvB
方向可用左手定则判断
洛伦兹力不做功,不改变带电粒子的动能
3.带电体在复合场中无约束情况下的运动归类分析
(1)磁场力、重力并存。
①若重力和洛伦兹力平衡,则带电体做匀速直线运动。
②若重力和洛伦兹力不平衡,则带电体将做复杂的曲线运动,因洛伦兹力不做功,故机械能守恒。
(2)电场力、磁场力并存(不计重力)。
①若电场力和洛伦兹力平衡,则带电体做匀速直线运动。
②若电场力和洛伦兹力不平衡,则带电体做复杂的曲线运动,可用动能定理求解。
(3)电场力、磁场力、重力并存。
①若三力平衡,带电体做匀速直线运动。
②若重力与电场力平衡,带电体做匀速圆周运动。
③若合力不为零,带电体可能做复杂的曲线运动,可用能量守恒定律或动能定理求解。
4.带电体在叠加场中有约束情况下的运动
带电体在叠加场中受轻杆、轻绳、圆环、轨道等约束的情况下,常见的运动形式有直线运动和圆周运动,此时解题要通过受力分析明确变力、恒力做功情况,并注意洛伦兹力不做功的特点,运用动能定理、能量守恒定律结合牛顿运动定律求解。
5.带电粒子在复合场中运动的解题思路
(1)弄清复合场的组成,一般有磁场、电场的复合,电场、重力场的复合,磁场、重力场的复合,磁场、电场、重力场三者的复合。
(2)正确受力分析,除重力、弹力、摩擦力外要特别注意电场力和磁场力的分析。
(3)确定带电粒子的运动状态,注意运动情况和受力情况的分析。
(4)对于粒子连续通过几个不同情况场的问题,要分阶段进行处理。转折点的速度往往成为解题的突破。
(5)画出粒子运动轨迹,灵活选择不同的运动规律。
①当带电粒子在复合场中做匀速直线运动时,根据受力平衡列方程求解。
②当带电粒子在复合场中做匀速圆周运动时,应用牛顿运动定律结合圆周运动规律求解。
③当带电粒子做复杂曲线运动时,一般用动能定理或能量守恒定律求解。
④对于临界问题,注意挖掘隐含条件。
特别提醒
处理带电粒子在复合(叠加)场中的运动问题时,特别注意要做到“三个分析”:
(1)受力分析:正确分析物体的受力情况,重点明确是否不计重力和洛伦兹力的方向。
(2)运动分析:分析物体的运动情况,看物体所做运动是直线运动、圆周运动还是一般曲线运动,要注意化曲为直分解物体的运动情况。
(3)做功分析:要分别分析物体所受各力的做功情况,重力、电场力做功与运动路径无关,要特别注意洛伦兹力一定不做功。
三、带电粒子在交变复合场中的运动
1.问题特点
带电粒子在周期性变化的电、磁场中的运动是高考必考的重点和热点,又是高中物理的一个难点。近几年高考题,题目中的运动情景复杂、综合性强,将场的性质、运动学规律、牛顿运动定律、功能关系以及交变电场等知识有机地结合,对考生的空间想象能力、物理过程和运动规律的综合分析能力,以及用数学知识解决物理问题的能力要求较高。
2.处理办法
分析带电粒子在交变复合场中的运动,常用的处理办法为:
(1)仔细分析并确定各场的变化特点及相应的时间,其变化周期一般与粒子在电场或磁场中的运动周期相关联,应抓住变化周期与运动周期之间的联系作为解题的突破口。
(2)必要时,可把粒子的运动过程还原成一个直观的运动轨迹草图进行分析。
(3)把粒子的运动分解成多个运动阶段分别进行处理,根据每一阶段上的受力情况确定粒子的运动规律。
(4)还要注意对题目中隐含条件的挖掘,分析不确定因素,力求使解答准确、完整。
特别提醒
(1)带电粒子在周期性变化的电场和磁场中运动时,运动和受力具有周期性、规律性、多样性等特点,解题的关键是抓住周期性变化规律在时间和空间上的特殊点,进行相应的求解。
(2)分析周期性变化磁场中的运动时,重点是明确在一个周期内的运动,化“变”为“恒”是思维根本,其技巧是画出轨迹示意图,结合带电粒子在电磁场和重力场组合与叠加场中的运动知识列方程解答。
四、电磁场知识在现代科技中的应用典例
1.速度选择器模型
速度选择器模型是电磁叠加场的一个典型应用,其核心规律是电磁叠加场中力的平衡,即qE=qvB。很多电磁技术应用中都用到了此规律,如电磁流量计、霍尔效应等。
(1)速度选择器
如图所示,带电粒子无论带正电还是负电,能够沿直线匀速通过速度选择器的条件都是qE=qvB,即v=.
速度选择器只能选择速度,不能选择粒子的质量和电荷量。
(2)电磁流量计
如图所示,圆形导管直径为d,用非磁性材料制成,导电液体在管中向左流动,导电流体中的自由电荷(正、负离子)在洛伦兹力的作用下偏转,a、b间出现电势差,形成电场。当自由电荷所受的电场力和洛伦兹力平衡时,a、b间的电势差就保持稳定,即qvB=qE=q,所以v=,因此液体流量Q=Sv=·=。
(3)霍尔效应
如图所示,在匀强磁场中放置一个矩形截面的载流体,当磁场方向与电流方向垂直时,导体在与磁场、电流方向都垂直的方向出现了电势差。这个现象称为霍尔效应。
静电力和洛伦兹力平衡时有q=qvB,上下两表面的电势差U=vhB。电流与自由电荷定向运动的速度关系为I=nqSv=nqdhv。由上述两式可得电势差U=。
2.回旋加速器模型
回旋加速器模型是电磁组合场的一个典型应用,即电场中的直线加速运动和磁场中的匀速圆周运动交替衔接。
(1)质谱仪
质谱仪是一种测定带电粒子质量和分离同位素的仪器。如图所示,离子源A产生质量为m、电荷量为q的正离子(所受重力不计),无初速度地经过电压为U的电场加速后,进入磁感应强度为B的匀强磁场中做匀速圆周运动,经过半个周期后到达记录它的感光片的P点。现测得P点到入口S的距离为L,则qU=mv2,qvB=,得m=。
因为m正比于L2,不同质量的同位素带电荷量相同,在磁场中转动半径不同,在P处就可以分离,所以质谱仪是分离同位素的重要仪器。
(2)回旋加速器
如图所示,回旋加速器的核心部分是两个D形金属盒,两盒之间留下一个窄缝,在中心附近放有粒子源,D形盒在真空容器中,整个装置放在巨大的电磁铁产生的匀强磁场中,并把两个D形盒分别接在高频电源的两极上。
①其工作原理是:
a.电场加速qU=ΔEk;
b.磁场的约束偏转qvB=m,r=∝v;
c.加速条件:高频电源的周期与带电粒子在D形盒中运动的周期相同,即T电场=T回旋=。
②回旋加速器中的五个基本问题
a.同步问题
交变电压的频率f与粒子在磁场中做匀速圆周运动的频率相等,交变电压的频率f==(当粒子的比荷或磁感应强度改变时,同时也要调节交变电压的频率)。
b.粒子的最大动能
粒子从边缘离开回旋加速器时动能最大,Ekm=mv2=,可知在q、m和B一定的情况下,回旋加速器的半径R越大,粒子的能量就越大(最大动能与加速电压无关)。
c.回旋加速的次数
粒子每加速一次动能增加qU,故需要加速的次数n=,回旋的次数为。
d.粒子运动时间
粒子运动时间由加速次数n或回旋的次数决定,在磁场中的回旋时间t1=T;在电场中的加速时间t2=或t2= ,其中a=。
在回旋加速器中运动的总时间t=t1+t2.
回旋轨道半径
rn=,nqU=mv,n为加速次数。
特别提醒
(1)解决速度选择器模型仪器的关键是抓住其合外力为0,即qE=qvB求解。
(2)在回旋加速器中起“回旋”作用的是磁场,起“加速”作用的是电场,但决定“回旋”次数的是电场,决定“加速”效果(最大动能)的是磁场(前提是回旋加速器半径的大小确定)。
1.思维辨析
(1)带电粒子在复合场中不可能处于静止状态。( )
(2)带电粒子在复合场中可能做匀速圆周运动。( )
(3)带电粒子在复合场中一定能做匀变速直线运动。( )
(4)带电粒子在复合场中运动一定要考虑重力。( )
(5)电荷在速度选择器中做匀速直线运动的速度与电荷的电性有关。( )
(6)利用质谱仪可以测得带电粒子的比荷。( )
(7)经过回旋加速器加速的带电粒子的最大动能是由D形盒的最大半径、磁感应强度B、加速电压的大小共同决定的。( )
答案 (1)× (2)√ (3)× (4)× (5)× (6)√ (7)×
2. 回旋加速器是加速带电粒子的装置,其主体部分是两个D形金属盒。两金属盒处在垂直于盒底的匀强磁场中,a、b分别与高频交流电源两极相连接,下列说法正确的是( )
A.离子从磁场中获得能量
B.带电粒子的运动周期是变化的
C.离子由加速器的中心附近进入加速器
D.增大金属盒的半径,粒子射出时的动能不变
答案 C
解析 离子在回旋加速器中从电场中获得能量,带电粒子的运动周期是不变的,选项A、B错误;离子由加速器的中心附近进入加速器,增大金属盒的半径,粒子射出时的动能增大,选项C正确D错误。
3.(多选)如图所示,已知甲空间中没有电场、磁场;乙空间中有竖直向上的匀强电场;丙空间中有竖直向下的匀强电场;丁空间中有垂直纸面向里的匀强磁场。四个图中的斜面相同且绝缘,相同的带负电小球从斜面上的同一点O以相同初速度v0同时沿水平方向抛出,分别落在甲、乙、丙、丁图中斜面上A、B、C、D点(图中未画出)。小球受到的电场力、洛伦兹力都始终小于重力,不计空气阻力,则 ( )
A.O、C之间距离大于O、B之间距离
B.小球从抛出到落在斜面上用时相等
C.小球落到B点与C点速度大小相等
D.从O到A与从O到D,合力对小球做功相同
答案 AC
解析 根据平抛运动的特点可知,tanθ==,因乙图小球下落的加速度大于丙图小球下落的加速度,所以乙图小球运动的时间t乙小于丙图小球运动的时间t丙,因小球在水平方向做匀速直线运动,水平方向的位移x=v0t,所以x丙>x乙,O、C之间距离大于O、B之间的距离,选项A正确,B错误;因平抛运动中速度与水平方向的夹角tan α=2tanθ,且小球初速度v0也相同,结合数学知识可知小球落到B点与C点速度大小相等,选项C正确;从O到A与从O到D,都只有重力做功,但从O到D小球运动的时间长,水平距离大,下落高度大,重力做功多,选项D错误。
[考法综述] 本考点知识在高考中考查频度较高,交汇命题考查带电粒子在复合场中的运动,常以压轴题的形式呈现。涉及的知识有运动学公式、牛顿运动定律、圆周运动规律、功能关系、电场、磁场等,因此复习本考点时应掌握:
2种场——叠加场、组合场的构成及特点
2种方法——带电粒子在叠加场、组合场中运动时的处理方法
6种装置——回旋加速器、质谱仪、速度选择器、磁流体发电机、电磁流量计、霍尔元件
命题法1 带电粒子在组合场中的运动
典例1 在如图所示的竖直平面内,水平轨道CD和倾斜轨道GH与半径r= m的光滑圆弧轨道分别相切于D点和G点,GH与水平面的夹角θ=37°。过G点、垂直于纸面的竖直平面左侧有匀强磁场,磁场方向垂直于纸面向里,磁感应强度B=1.25 T;过D点、垂直于纸面的竖直平面右侧有匀强电场,电场方向水平向右,电场强度E=1×104 N/C。小物体P1质量m=2×10-3 kg、电荷量q=+8×10-6 C,受到水平向右的推力F=9.98×10-3 N的作用,沿CD向右做匀速直线运动,到达D点后撤去推力。当P1到达倾斜轨道底端G点时,不带电的小物体P2在GH顶端静止释放,经过时间t=0.1 s与P1相遇。P1和P2与轨道CD、GH间的动摩擦因数均为μ=0.5,取g= 10 m/s2 ,sin37°=0.6,cos37°=0.8,物体电荷量保持不变,不计空气阻力。求:
(1)小物体P1在水平轨道CD上运动速度v的大小;
(2)倾斜轨道GH的长度s。
[答案] (1)4 m/s (2)0.56 m
[解析] (1)设小物体P1在匀强磁场中运动的速度为v,受到向上的洛伦兹力为F1,受到的摩擦力为f,则
F1=qvB①
f=μ(mg-F1)②
由题意,水平方向合力为零
F-f=0③
联立①②③式,代入数据解得
v=4 m/s④
(2)设P1在G点的速度大小为vG,由于洛伦兹力不做功,根据动能定理
qErsinθ-mgr(1-cosθ)=mv-mv2⑤
P1在GH上运动,受到重力、电场力和摩擦力的作用,设加速度为a1,根据牛顿第二定律
qEcosθ-mgsinθ-μ(mgcosθ+qEsinθ)=ma1⑥
P1与P2在GH上相遇时,设P1在GH上运动的距离为s1,则
s1=vGt+a1t2⑦
设P2质量为m2,在GH上运动的加速度为a2,则
m2gsinθ-μm2gcosθ=m2a2⑧
P1与P2在GH上相遇时,设P2在GH上运动的距离为s2,则
s2=a2t2⑨
s=s1+s2⑩
联立⑤~⑩式,代入数据得
s=0.56 m⑪
【解题法】 带电粒子在组合场中运动的分析思路
命题法2 带电粒子在复合场(叠加场)中的运动
典例2 如图所示,空间存在一范围足够大的垂直于xOy平面向外的匀强磁场,磁感应强度大小为B。让质量为m,电量为q(q>0)的粒子从坐标原点O沿xOy平面以不同的初速度大小和方向入射到该磁场中。不计重力和粒子间的影响。
(1)若粒子以初速度v1沿y轴正向入射,恰好能经过x轴上的A(a,0)点,求v1的大小;
(2)已知一粒子的初速度大小为v(v>v1),为使该粒子能经过A(a,0)点,其入射角θ(粒子初速度与x轴正向的夹角)有几个?并求出对应的sinθ值;
(3)如图乙,若在此空间再加入沿y轴正向、大小为E的匀强电场,一粒子从O点以初速度v0沿y轴正向发射。研究表明:粒子在xOy平面内做周期性运动,且在任一时刻,粒子速度的x分量vx与其所在位置的y坐标成正比,比例系数与场强大小E无关。求该粒子运动过程中的最大速度值vm。
[答案] (1) (2)2个
(3)+
[解析] (1)带电粒子以速率v在匀强磁场B中做匀速圆周运动,半径为R,有
qvB=m①
当粒子以初速度v1沿y轴正向入射,转过半个圆周至A点,该圆周半径为R1,有:
R1=②
由②代入①式得
v1=。③
(2)如图,O、A两点处于同一圆周上,且圆心在x=的直线上,半径为R.当给定一个初速率v时,有2个入射角,分别在第1、2象限,有
sinθ′=sinθ=④
由①④式解得
sinθ=⑤
(3)粒子在运动过程中仅电场力做功,因而在轨道的最高点处速率最大,用ym表示其y坐标,由动能定理,有
qEym=mv-mv⑥
由题知,有
vm=kym⑦
若E=0时,粒子以初速度v0沿y轴正向入射,有
qv0B=m⑧
v0=kR0⑨
由⑥⑦⑧⑨式解得vm=+ 。
【解题法】 带电粒子在复合场(叠加场)中的力和运动分析思路
命题法3 带电粒子在交变复合场中的运动
典例3 两块足够大的平行金属极板水平放置,极板间加有空间分布均匀、大小随时间周期性变化的电场和磁场,变化规律分别如图甲、乙所示(规定垂直纸面向里为磁感应强度的正方向)。在t=0时由负极板释放一个初速度为零的带负电的粒子(不计重力)。若电场强度E0、磁感应强度B0、粒子的比荷均已知,且t0=两板间距h=。
(1)求粒子在0~t0时间内的位移大小与极板间距h的比值;
(2)求粒子在极板间做圆周运动的最大半径(用h表示);
(3)若板间电场强度E随时间的变化仍如图甲所示,磁场的变化改为如图丙所示,试画出粒子在板间运动的轨迹图(不必写计算过程)。
[答案] (1) (2) (3)见解析图2
[解析] (1)设粒子在0~t0时间内运动的位移大小为x1,
x1=at①
a=②
又已知t0=,h=③
联立①②③式解得=
(2)粒子在t0~2t0时间内只受洛伦兹力作用,且速度与磁场方向垂直,所以粒子做匀速圆周运动,设运动速度大小为v1,轨道半径为R1,周期为T,则v1=at0④
qv1B0=⑤
联立②③④⑤解得R1=⑥
又T=⑦
即粒子在t0~2t0时间内恰好完成一个周期的圆周运动。在2t0~3t0时间内,粒子做初速度为v1的匀加速直线运动,设位移大小为x2,则x2=v1t0+at⑧
联立②③④⑧解得x2=h⑨
由于x1+x2
qv2B0=⑪
联立②③⑩⑪解得
R2=⑫
由于x1+x2+R2
因此粒子运动的最大半径为R2=
(3)粒子在板间运动的轨迹如图2所示。
【解题法】 带电粒子在交变复合场中的运动问题的基本思路
命题法4 电磁场知识在现代科技中的应用
典例4 如图所示为回旋加速器的示意图。它由两个铝制D形金属扁盒组成,两个D形盒正中间开有一条狭缝,两个D形盒处在匀强磁场中并接在高频交变电源上。在D1盒中心A处有离子源,它产生并发出的α粒子,经狭缝电压加速后,进入D2盒中。在磁场力的作用下运动半个圆周后,再次经狭缝电压加速。为保证粒子每次经过狭缝都被加速,设法使交变电压的周期与粒子在狭缝及磁场中运动的周期一致。如此周而复始,速度越来越大,运动半径也越来越大,最后到达D形盒的边缘,以最大速度被导出。已知α粒子电荷量为q,质量为m,加速时电极间电压大小恒为U,磁场的磁感应强度为B,D形盒的半径为R,设狭缝很窄,粒子通过狭缝的时间可以忽略不计,α粒子从离子源发出时的初速度为零。(不计α粒子重力)求:
(1)α粒子第一次被加速后进入D2盒中时的速度大小;
(2)α粒子被加速后获得的最大动能Ek和交变电压的频率f;
(3)α粒子在第n次由D1盒进入D2盒与紧接着第n+1次由D1盒进入D2盒位置之间的距离Δx。
[答案] (1) (2),
(3) (-)
[解析] (1)设α粒子第一次被加速后进入D2盒中时的速度大小为v1,根据动能定理有
qU=mv,v1=。
(2)α粒子在D形盒内做圆周运动,轨道半径达到最大时被引出,具有最大动能。设此时的速度为v,有
qvB=,
解得:v=。
设α粒子的最大动能为Ek,则
Ek=mv2,
解得:Ek=。
设交变电压的周期为T、频率为f,为保证粒子每次经过狭缝都被加速,带电粒子在磁场中运动一周的时间应等于交变电压的周期(在狭缝的时间极短忽略不计),则
Bqv=m,v=,
解得:T=,
f==。
(3)α粒子经电场第1次加速后,以速度v1进入D2盒,设轨道半径为r1,则
r1== 。
α粒子经电场第2次加速后,以速度v2进入D1盒,设轨道半径为r2,
轨道半径:r2== 。
α粒子第n次由D1盒进入D2盒,离子已经过(2n-1)次电场加速,以速度v2n-1进入D2盒,由动能定理:
(2n-1)Uq=mv-0,
轨道半径:rn== 。
α粒子第n+1次由D1盒进入D2盒,离子已经过2n次电场加速,以速度v2n进入D1盒,由动能定理:
2nUq=mv-0,
轨道半径:rn+1== ,
则Δx=2(rn+1-rn)(如图所示)。
Δx=2= (-)。
【解题法】 与电、磁场有关的现代科技问题的分析方法
(1)讨论与电、磁场有关的实际问题,首先应通过分析将其提炼成纯粹的物理问题,然后用解决物理问题的方法进行分析。这里较多的是用分析力学问题的方法,对于带电粒子在磁场中的运动,还应特别注意运用几何知识寻找关系。
(2)解决实际问题的一般过程:
物理一轮复习教案:7-3 电容器 带电粒子在电场中的运动 word版含解析: 这是一份物理一轮复习教案:7-3 电容器 带电粒子在电场中的运动 word版含解析,共14页。教案主要包含了电容器问题,带电粒子在电场中的运动,带电粒子在交变电场中运动问题等内容,欢迎下载使用。
2023年高考物理二轮复习教案专题07带电粒子在复合场中的运动(Word版附解析): 这是一份2023年高考物理二轮复习教案专题07带电粒子在复合场中的运动(Word版附解析),共27页。教案主要包含了要点提炼等内容,欢迎下载使用。
(新高考)高考物理一轮复习教案第9章第3讲《带电粒子在复合场中的运动》(含详解): 这是一份(新高考)高考物理一轮复习教案第9章第3讲《带电粒子在复合场中的运动》(含详解),共49页。教案主要包含了堵点疏通,对点激活等内容,欢迎下载使用。

