所属成套资源:各地区2022年中考物理真题分项汇编
广西各地市2022年中考物理真题分项汇编-15光学(选择题、实验题)
展开这是一份广西各地市2022年中考物理真题分项汇编-15光学(选择题、实验题),共10页。试卷主要包含了单选题,实验题等内容,欢迎下载使用。
广西各地市2022年中考物理真题分项汇编-15光学(选择题、实验题)
一、单选题
1.(2022·广西桂林·统考中考真题)在如图所示的光学元件中,属于凸透镜的是( )
A. B.
C. D.
2.(2022·广西河池·统考中考真题)如图所示的光学现象是由光的直线传播形成的是( )
A. B.
C. D.
3.(2022·广西玉林·统考中考真题)宋代大诗人苏轼在《登州海市》的诗中描述过海市蜃楼的奇观。如图所示,这种现象形成的主要原因是由于光的( )
A.会聚 B.折射 C.发散 D.反射
4.(2022·广西梧州·统考中考真题)购物支付已进入“刷脸”时代,消费者结账时只需面对摄像头,经系统自动拍照扫描等,确认相关信息后,即可迅速完成交易。下列说法正确的是( )
A.摄像头相当于凹透镜
B.摄像头成像特点与照相机相同
C.“刷脸”时,面部位于摄像头两倍焦距以内
D.“刷脸”时,面部经摄像头成正立、缩小的实像
5.(2022·广西柳州·统考中考真题)如图,物体S在平面镜中所成的像为S'。若在镜后放置一块透明玻璃AB,则像 将( )
A.变亮 B.变暗 C.不变 D.偏离原位置
6.(2022·广西·统考中考真题)如图所示的光现象中,由于光沿直线传播形成的是( )
A.墙上手影
B.水中倒影
C.水中“折筷”
D.海市蜃楼
7.(2022·广西百色·统考中考真题)如图所示,下列现象与平面镜成像原理相同的是( )
A. 放大镜成像 B. 水中的倒影
C. 水面“断筷” D. 手影的形成
8.(2022·广西玉林·统考中考真题)“北斗+5G”技术将用于助力北京打造智慧型冬奥会,这项技术主要利用
A.电磁波 B.超声波 C.次声波 D.红外线
二、实验题
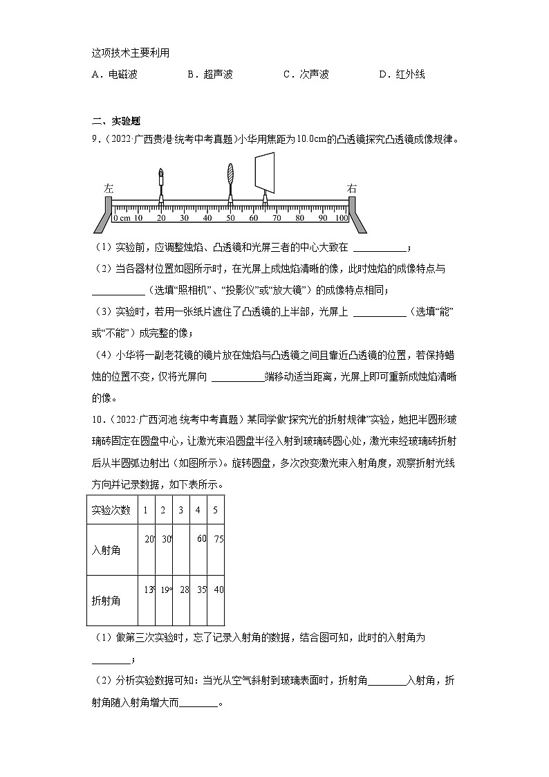
9.(2022·广西贵港·统考中考真题)小华用焦距为10.0cm的凸透镜探究凸透镜成像规律。
(1)实验前,应调整烛焰、凸透镜和光屏三者的中心大致在 ___________;
(2)当各器材位置如图所示时,在光屏上成烛焰清晰的像,此时烛焰的成像特点与 ___________(选填“照相机”、“投影仪”或“放大镜”)的成像特点相同;
(3)实验时,若用一张纸片遮住了凸透镜的上半部,光屏上 ___________(选填“能”或“不能”)成完整的像;
(4)小华将一副老花镜的镜片放在烛焰与凸透镜之间且靠近凸透镜的位置,若保持蜡烛的位置不变,仅将光屏向 ___________端移动适当距离,光屏上即可重新成烛焰清晰的像。
10.(2022·广西河池·统考中考真题)某同学做“探究光的折射规律”实验,她把半圆形玻璃砖固定在圆盘中心,让激光束沿圆盘半径入射到玻璃砖圆心处,激光束经玻璃砖折射后从半圆弧边射出(如图所示)。旋转圆盘,多次改变激光束入射角度,观察折射光线方向并记录数据,如下表所示。
实验次数 | 1 | 2 | 3 | 4 | 5 |
入射角 |
| ||||
折射角 |
(1)做第三次实验时,忘了记录入射角的数据,结合图可知,此时的入射角为________;
(2)分析实验数据可知:当光从空气斜射到玻璃表面时,折射角________入射角,折射角随入射角增大而________。
11.(2022·广西·统考中考真题)(1)图甲是某物质熔化时的温度变化曲线,由图可知,该物质属于______(选填“晶体”或“非晶体”),图中A点对应的温度如图乙温度计所示,读数为______℃;
(2)图丙是“探究平面镜成像的特点”的实验装置,该实验用______分别测量蜡烛和它的像到玻璃板的距离。当蜡烛向玻璃板靠近时,像的大小______(选填“变大”“变小”或“不变”);
(3)图丁所示,两容器中的电阻丝串联接到电源两端,是为了探究电流产生的热量与______的关系,通电一段时间后,______侧U形管中液面高度的变化较大。
12.(2022·广西贺州·统考中考真题)在“探究平面镜成像的特点”中,记录实验数据如下表:
实验次数 | 蜡烛到平面镜的距离/cm | 蜡烛的像到平面镜的距离/cm | 蜡烛的像与蜡烛的大小关系 |
1 | 8 | 8 | 相等 |
2 | 10 | 10 | 相等 |
3 | 15 | 15 | 相等 |
(1)根据表格中的数据可归纳出平面镜成像的特点:像的大小与物体的大小______,像与物体到平面镜的距离______;
(2)图中平面镜所成的像是______像,像和物体的连线与镜面______。
参考答案:
1.C
【详解】AB.中间薄,边缘厚的透镜是凹透镜,故AB不符合题意;
C.该透镜中间厚,边缘薄,属于凸透镜,故C符合题意;
D.该元件厚度相同,不是凹透镜,也不是凸透镜,故D不符合题意。
故选C。
2.A
【详解】A.图中所示的光学现象是小孔成像,小孔成像是利用光的直线传播原理形成的倒立的实像,故A符合题意;
B.图中所示的光学现象是利用凸透镜矫正远视眼,是光的折射现象,故B不符合题意;
C.白光通过三棱镜被分解成七种色光,是光的色散现象,属于光的折射,故C不符合题意;
D.平行光线射到凹凸不平的物体表面发生漫反射,是光的反射现象,故D不符合题意。
故选A。
3.B
【详解】海市蜃楼是光经过不均匀的大气层时,发生光的折射形成的,故ACD不符合题意,B符合题意。
故选B。
4.B
【详解】A.摄像头相当于一个凸透镜,凸透镜对光有会聚作用,故A错误;
B.光通过摄像头成倒立、缩小的实像,跟照相机的成像特点相同,故B正确;
C.当u>2f时,成倒立、缩小的实像,因此,“刷脸”时,面部位于摄像头两倍焦距以外,故C错误;
D.“刷脸”时,面部经摄像头成倒立、缩小的实像,故D错误。
故选B。
5.C
【详解】平面镜成像是由于光的反射形成的,反射光线在镜子前面,后面没有反射光线,在镜子后面放任何东西,都不会影响镜面对光线的反射,所以像的亮度、位置等都不会受影响,故C符合题意,ABD不符合题意。
故选C。
6.A
【详解】A.墙上的手影是由于光的直线传播在经过手所在位置时,被手遮挡形成的,故A符合题意;
B.水中倒影是由于光的反射形成的,故B不符合题意;
C.水中的“折筷”是由于光的折射形成的,故C不符合题意;
D.海市蜃楼是由于光的折射形成的,故D不符合题意。
故选A。
7.B
【详解】A.平面镜成像的原理为光的反射,用放大镜把文字放大的成像原理为光的折射,故A不符合题意;
B.湖面相当于镜子,水中的倒影是平面镜成像,原理为光的反射,故B符合题意;
C.水面筷子的“折断”是光的折射现象,故C不符合题意;
D.手影是由于光的直线传播形成的 ,故D不符合题意。
故选B。
8.A
【详解】A.电磁波的传播不需要介质,“北斗+5G”技术是用电磁波传递信息的,故A正确.
BC. 超声波和次声波属于声波,不能在真空中传播,故BC错误;
D. 红外线具有较强的热辐射作用,可用于红外线加热;红外线具有较强的穿透能力,可以用于红外线探测器.故D错误;
9. 同一高度 照相机 能 左
【详解】(1)[1]点燃蜡烛后,调节烛焰、凸透镜、光屏的中心大致在同一高度上,这样才能使像成在光屏的中央位置。
(2)[2]由图可知,物距
u=50.0cm-20.0cm=30.0cm
像距
v=65.0cm-50.0cm=15.0cm
已知f=10.0cm,此时u >2f,成倒立、缩小的实像,能够说明照相机的成像原理。
(3)[3]若用一张纸片遮住了凸透镜的上半部,物体上任一点都有光线射向凸透镜下半部,经凸透镜折射后,照样能会聚成完整的烛焰的像,折射光线减少,会聚成的像变暗。
(4)[4]老花镜是凸透镜,对光线有会聚作用,使光提前会聚,将一副老花镜的镜片放在烛焰与凸透镜之间且靠近凸透镜的位置,若保持光屏的位置不变,此时清晰的像成在光屏左侧,要在光屏上重新承接到烛焰清晰的像,光屏应向左移动。
10. 45° 小于 增大
【详解】(1)[1]图是探究光的反射规律的实验装置,入射角为入射光线与法线的夹角,此时入射角的大小为45°。
(2)[2][3]由表格数据和图示知道,光从空气斜射到玻璃表面时,折射光线向法线偏折,折射角小于入射角。当入射角增大时,折射角增大,即折射角随着入射角的增大而增大。
11. 晶体 49 刻度尺 不变 电阻 右
【详解】(1)[1]由图甲可知,该物质熔化时温度保持不变,所以该物质有固定的熔点,是晶体。
[2]由图乙可知,该温度计分度值为1℃,液柱所在位置的示数为49℃。
(2)[3]探究平面镜成像的特点为了研究像距和物距的关系,用刻度尺分别测量蜡烛和它的像到玻璃板的距离,即为物距和像距;
[4]由平面镜成像规律可知,像与实物大小相等,当蜡烛向玻璃板靠近时,实物大小不变,所以像的大小不变。
(3)[5][6]由图丁可知,两容器中的电阻丝串联接到电源两端,通过两个电阻丝的电流相等,两个电阻丝的电阻不同,所以可以探究电流产生的热量与电阻的关系;由可知,在电流相同下,通电一段时间后,电阻大的右侧产生的热量多,右侧U形管中液面高度的变化较大。
12. 相等 相等 虚 垂直
【详解】(1)[1]在探究平面镜成像的特点的实验中,用玻璃板代替平面镜,选取两根完全相同的蜡烛,把一点燃的蜡烛置于玻璃板前,用另一根未点燃蜡烛去寻找点燃蜡烛的像,发现未点燃的蜡烛能与点燃蜡烛的像完全重合,故平面镜所成的像与物的大小相等。
[2]由表可知,蜡烛到平面镜的距离为8cm时,蜡烛的像到平面镜的距离也为8cm;蜡烛到平面镜的距离10cm时,蜡烛的像到平面镜的距离也为10cm;蜡烛到平面镜的距离15cm时,蜡烛的像到平面镜的距离也为15cm,故可得像与物体到平面镜的距离相等。
(2)[3]在探究平面镜成像的特点的实验中,把光屏放在像的位置,在光屏上不能出现蜡烛的像,故平面镜所成的像是虚像。
[4]由图可知,像与物关于平面镜对称,未点燃蜡烛与点燃蜡烛的连线与玻璃板都垂直,而未点燃蜡烛的为是点燃蜡烛的像的位置,故可得平面镜所成的像与物的连线与镜面垂直。
相关试卷
这是一份广西各地市2022年中考物理真题分项汇编-15光学(填空题、作图题),共9页。试卷主要包含了填空题,作图题等内容,欢迎下载使用。
这是一份2022年广西各地市中考物理真题分项汇编--22经典选择题(提升题),共17页。试卷主要包含了单选题等内容,欢迎下载使用。
这是一份2022年广西各地市中考物理真题分项汇编--20经典实验题(提升题),共29页。试卷主要包含了实验题等内容,欢迎下载使用。

