河南省郑州2021届-2023届高考化学三年模拟(二模)按题型分类汇编-02非选择题
展开河南省郑州2021届-2023届高考化学三年模拟(二模)按题型分类汇编-02非选择题
一、工业流程题
1.(2021·河南郑州·统考二模)稀土(RE)是元素周期表中的镧系元素和钪、钇共十七种金属元素的总称,有工业“黄金”之称。我国稀土储量约占世界总储量的23%。一种以稀土精矿(稀土的氟碳酸盐、磷酸盐,还有CaF2、Fe2O3和SiO2等)为原料制备稀土产品的工艺流程如下图所示:
已知:FePO4、Mg3(PO4)2的Ksp分别为1.3×10-22、1.0×10-24。请回答以下问题:
(1)写出2条能提高“酸浸”浸出率的措施_______。
(2)酸浸过程中稀土矿转化成可溶性的硫酸盐。稀土的氟碳酸盐用REFCO3表示,写出其与硫酸反应的化学反应方程式_______。
(3)在浸出液中加入FeCl3调整n(Fe)/n(P)=2~3,其目的是_______。加入MgO调整pH=4.0~4.5使浸出液中的Fe3+和Th4+生成氢氧化物沉淀。写出生成Th(OH)4沉淀的离子反应方程式_______。
(4)在过滤前由于浸出液中含有硅酸胶体和颗粒微小的硫酸钙,使过滤和洗涤操作困难,对此可加入少量的聚丙烯酰胺,则其可能的作用是_______。
(5)向滤液1中加入碳酸氢铵得到碳酸稀土沉淀。写出反应的化学反应方程式_______。此处不宜用Na2CO3替代碳酸氢铵,原因是_______。
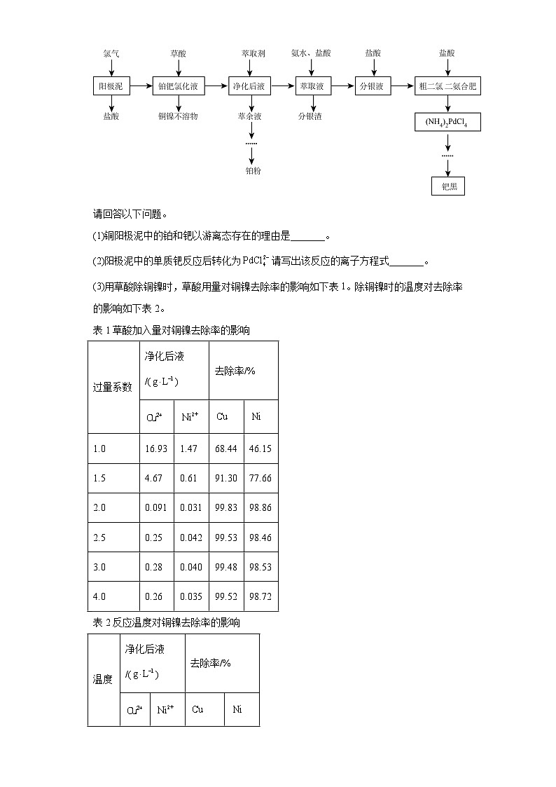
2.(2022·河南郑州·统考二模)铂和钯同属于铂族元素,其价格均高于黄金,在工业上有广泛的应用。电解精炼铜阳极泥中除含有较多的铂、钯和银以外,还有少量的镍、铜等元素。一种综合提取阳极泥中贵重金属的工艺流程如下:
请回答以下问题。
(1)铜阳极泥中的铂和钯以游离态存在的理由是_______。
(2)阳极泥中的单质钯反应后转化为请写出该反应的离子方程式_______。
(3)用草酸除铜镍时,草酸用量对铜镍去除率的影响如下表1。除铜镍时的温度对去除率的影响如下表2。
表1草酸加入量对铜镍去除率的影响
过量系数
净化后液/()
去除率/%
1.0
16.93
1.47
68.44
46.15
1.5
4.67
0.61
91.30
77.66
2.0
0.091
0.031
99.83
98.86
2.5
0.25
0.042
99.53
98.46
3.0
0.28
0.040
99.48
98.53
4.0
0.26
0.035
99.52
98.72
表2反应温度对铜镍去除率的影响
温度
净化后液/()
去除率/%
70
0.65
0.130
98.799
95.24
75
0.26
0.091
9.52
96.67
80
0.18
0.043
99.66
98.42
85
0.15
0.045
99.72
98.35
90
0.14
0.042
99.74
98.46
95
0.14
0.040
99.74
98.53
则草酸的过量系数应为_______。实际工业中采用的温度为80—85℃。试分析其原因_______。
(4)已知配离子存在解离平衡:,根据平衡移动原理说明加盐酸分银的原理_______。
(5)分银液中加盐酸把转化为沉淀,过滤后用适量的盐酸溶解。则加入盐酸溶解时的化学方程式为_______。
(6)海绵钯具有优良的吸氢功能,其密度为。标准状况下,吸附氢气的体积是钯体积的a倍,则此条件下海绵钯的吸附容量R=_______,氢气的浓度r=_______(吸附容量R是指1g钯吸附氢气的体积;氢气的浓度r为吸附氢气的物质的量)。
3.(2023·河南郑州·统考二模)氯化亚铜(CuCl)广泛应用于化工行业,以海绵铜(主要成分是Cu和少量CuO)为原料,生产CuCl的工艺流程如下:
已知:CuCl难溶于醇和水,在氯离子浓度较大的体系中生成,在潮湿空气中易水解氧化。回答下列问题:
(1)“酸溶”时温度应控制在60~70°C ,原因是___________。
(2)写出“还原”步骤中主要反应的离子方程式___________。“还原”步骤中亚硫酸铵适当过量的可能原因是___________(答出2条)。随着NH4Cl用量增加,CuCl沉降率先增大后减小,减小的原因可能是___________。(用化学方程式表示)
(3)“洗涤”步骤中包括用pH=2的酸洗、水洗、醇洗,酸洗采用的酸是___________。选择醇洗的原因是___________。
(4)“浓缩分离”得到副产品M的主要成分是___________。
(5)称取烘干制得的氯化亚铜5 g,将其置于FeCl3溶液中溶解后,加入适量稀硫酸,用0.2 mol·L-1的K2Cr2O7溶液滴定到终点( 被还原为Cr3+),消耗K2Cr2O7溶液25 mL。则样品中CuCl的质量分数为___________ 。
二、原理综合题
4.(2021·河南郑州·统考二模)甲醇是重要的化工原料,用CO2和H2在催化剂的作用下合成甲醇,主要发生以下反应:
反应I:CO2(g)+3H2(g)⇌CH3OH(g)+H2O(g) ∆H1=-53.7kJ·mol-1
反应Ⅱ:CO2(g)+H2(g)⇌CO(g)+H2O(g) ∆H2=+41.2kJ·mol-1
反应Ⅲ:CO(g)+2H2(g)⇌CH3OH(g) ∆H3
(1)已知部分化学键的键能如下表:
化学键
H-H
H-O
C=O
CO
键能/kJ·mol-1
436
465
a
1076.8
则∆H3=_______kJ·mol-1,a=_______kJ·mol-1。
(2)在容积恒为2L的密闭容器中充入2molCH3OH(g)和2molCO(g),在一定温度下发生反应CH3OH(g)+CO(g)⇌HCOOCH3(g),测得容器内的压强随时间的变化如下表所示。
t/min
0
2
4
6
8
10
12
14
P/kPa
P0
——
0.8P0
——
——
0.7P0
0.7P0
0.7P0
①已知该条件下,该反应可自发进行,则其∆H_______0(填“<”“>”或“=”),判断依据是_______。
②在此条件,0-4min的v(CH3OH)=_______kPa·min-1,该反应的平衡常数Kp=_______(kPa)-1(以分压表示,分压=总压×物质的量分数)。
(3)通过计算机对反应CH4(g)+H2O(g)⇌CO(g)+3H2(g)进行模拟实验,在0.1MPa时,不同温度下,不同水碳比n(H2O)进行热力学计算,绘得反应平衡体系中n(CH4)/n(H2)的物质的量分数与水碳比、平衡温度的关系如图所示。
由图可知,温度一定时,H2的平衡物质的量分数与水碳比的关系是_______,可能的原因是_______。
(4)电解法由甲醇和CO合成碳酸二甲酯的工作原理如下图所示,则阳极的电极反应式为______。
5.(2022·河南郑州·统考二模)我国力争于2030年前做到碳达峰,2060年前实现碳中和,制是热点研究之一。中科院大连化物所研究团队直接利用与合成甲醇,主要涉及以下反应:
①
②
③
④
(1)_______。
(2)反应①、②的平衡常数随温度变化曲线如图Ⅰ所示,则表示②反应的关系的曲线为_______(填“l”或“m”)。
(3)恒压下,向容器中充入、,的平衡转化率随温度变化曲线如图Ⅰ中n线所示。在500℃达到平衡时,体系中的物质的量为,的物质的量为,则此时的转化率为_______。此时反应①的平衡常数值_______1(填“大于”、“小于”或“等于。)
(4)有同学认为在400℃以后反应②在该体系中可以忽略,其依据是_______。
(5)500℃以后的平衡转化率随温度变化的可能原因是_______。
(6)恒压下将和按体积比1:3混合,在不同催化剂作用下发生反应。在相同时间段内的选择性和产率随温度的变化如图Ⅱ所示。其中的选择性=。
则合成甲醇的适宜条件是_______(填标号)。
A.230℃ B.210℃ C.催化剂 D.催化剂
(7)高压法制备时的钴碘催化循环法如图Ⅲ所示,该循环的总反应为_______。
6.(2023·河南郑州·统考二模)金属钛(Ti)及其合金是高强度、低密度结构材料,在航空航天、医疗器械等领域有着重要用途。目前生产钛的方法之一是将TiO2转化为TiCl4,再进一步还原得到钛。
(1)TiO2转化为TiCl4有直接氯化法(反应a)和碳氯化法(反应b)。
a.TiO2(s) +2Cl2(g)TiCl4(g) +O2(g) ΔH1 =172 kJ·mol-1
b.TiO2(s) +2Cl2(g)+2C (s)TiCl4(g)+2CO (g) ΔH2
已知:C (s) +O2(g)CO2(g) ΔH3= -393.5 kJ·mol-1,2CO (g) +O2(g) 2CO2(g) ΔH4= - 566.0 kJ·mol-1
①直接氯化反应在___________(填“高温”“低温”)有利于自发进行。
②ΔH2=___________kJ·mol-1
③碳氯化法中生成CO比生成CO2更有利于TiO2转化为TiCl4,从熵变角度分析可能的原因是___________。
④已知常压下TCl4的沸点为136°C,从碳氯化反应的混合体系中分离出TiCl4的措施是___________。
(2)在1. 0 ×105Pa,将TiO2、C、Cl2以物质的量比1:2.2:2进行反应。体系中TiCl4、CO、CO2平衡组成比例(物质的量分数)随温度变化的理论计算结果如图所示。
①已知在200°C平衡时TiO2几乎完全转化为TiCl4,但实际生产中反应温度却远高于此温度,其原因是___________。
②图中a曲线代表的物质是___________ , 原因是___________。
③反应C (s)+CO2(g) 2CO (g)的平衡常数Kp(1200°C)=___________ Pa。
三、结构与性质
7.(2021·河南郑州·统考二模)点击化学的代表反应为铜催化的叠氮一炔基Husigen环加成反应,NaN3、SO2F2、FSO2N2等均是点击化学中常用的无机试剂。回答下列问题:
(1)基态Cu+核外电子排布式为_______;基态O原子未成对电子有_______个。
(2)F、O、N、C的第一电离能从小到大的顺序是_______。
(3)离子的VSEPR模型为_______,写出离子的一种等电子体_______。从分于结构角度分析,HNO3酸性强于HNO2的原因是_______。
(4)是一种叠氮一炔基Husigen环加成反应产物,该分子中N原子的杂化方式为_______。
(5)NH3分子中H-N-H键角为107°。如图是[Zn(NH3)6]2+的部分结构以及H-N-H键角的测量值。解释NH3形成[Zn(NH3)6]2+后H-N-H键角变大的原因:_______。
(6)CuBr是点击化学常用的催化剂,其晶胞结构如图所示,晶胞参数为apm。已知①、②号铜原子坐标依次为(0,0,0)、(,0,),则④号溴原子的坐标为_______;CuBr的密度为dg·cm-3,请用a和d表示阿伏加德罗常数的值_______。
8.(2022·河南郑州·统考二模)镁合金的典型含量为大于90%的Mg、2~9%的Al、1~3%的Zn、0.2%的Mn,若熔进稀土金属(如镨、钍),可以大大提高镁合金在高温条件保持其强度的能力。Zn的熔点为419.5℃,Mg的熔点为650℃。回答下列问题:
(1)基态Mn原子的价电子排图(轨道表示式)为_______。
(2)Mg、Zn的晶体结构相同(如图a),下列叙述正确的是_______(填标号)。
A.金属键:Mg强于Zn B.原子的配位数为8
C.晶胞的空间利用率为68% D.晶体中既存在四面体空隙又存在八面体空隙
(3)工业上均采用碳酸盐分解法制取氧化镁与生石灰,MgCO3的分解温度_______(填“高于”或“低于”) CaCO3,原因是_______。
(4)人体内碳酸酐酶可以使CO2水合和脱水反应速率分别加快13000和25000倍。
①H2O的空间构型为_______;写出两个与CO2互为等电子体的阴离子的化学式_______。
②碳酸酐酶的部分结构如图b所示,为Zn2+提供电子对形成配位键的原子有_______个,图b中碳原子的杂化类型为_______。
(5)一种锌镁合金的六方晶胞如图c所示,除棱心和顶角外,晶胞内还有六个原子,所有的Mg均在晶胞内部。则合金密度为_______g▪ cm-3 (写出计算式即可,阿伏加德常数用NA表示)。
9.(2023·河南郑州·统考二模)2023年1月30日,中国科学院朱庆山团队研究六方相砷化镍(NiAs)型到正交相磷化锰(MnP)型结构转变,实现了对锂硫催化剂的精确设计。回答下列问题:
(1)Li、P、S三种元素中,电负性最小的是___________。第三周期元素中第一电离能比P大的元素有___________种。
(2)基态S原子核外有___________个电子自旋状态相同。基态As原子的电子排布式为___________。
(3)PH3、AsH3中沸点较高的是___________,其主要原因是___________。
(4)Mn的一种配合物化学式为[Mn(CO)5(CH3CN)],该配合物中锰原子的配位数为___________。
(5)CH3CN中C原子的杂化类型为___________。
(6)等物质的量的CH3CN和CO中,π键数目之比___________。
(7)NiAs的一种晶胞结构如图所示。若阿伏加德罗常数的值为NA,晶体的密度为ρ g/cm3,则该晶胞中最近的砷原子之间的距离为 ___________pm。
四、有机推断题
10.(2021·河南郑州·统考二模)化合物F是合成某种抗肿瘤药物的重要中间体,其合成路线如图:
回答下列问题:
(1)D中的官能团为溴原子、_______和_______。B的结构简式为_______。
(2)A→B的反应过程中,K2CO3的作用是_______。C→D的反应类型是_______。
(3)D→E的①反应的化学方程式为_______。
(4)A的芳香族同分异构体中和A具有完全相同官能团的物质还有_______种。某A的芳香族同分异构体M,分子结构中含有硝基,且核磁共振氢谱只有三种信号。写出两种符合题意的M的结构简式_______。
(5)已知:R-OH+KHSR-SH+KOH,参考题干信息,写出以为原料制备的合成路线_______(无机试剂和有机溶剂自选,合成路线流程图示例见本题题干)。
11.(2022·河南郑州·统考二模)叶酸是一种水溶性维生素,对贫血的治疗非常重要。叶酸的一种合成方法如下:
已知:R−COOH+SOCl2→R−COCl+HSO2Cl;R-COCl+H2N-R′→R-CONH-R′+HCl
(1)B的结构简式为_______,D的名称为_______。
(2)⑤的反应类型为_______。
(3)E中的含氧官能团名称为_______。
(4)写出④的化学反应方程式_______。
(5)D的同分异构体中,属于—氨基酸、含有羟基、且能发生银镜反应的有_______种。
(6)根据题中的相关信息,设计以对二甲苯与对苯二胺为主要原料,经过三步反应合成防弹材料的路线_______。
12.(2023·河南郑州·统考二模)茚草酮是一种常见的除草剂,主要用于水稻和草坪上。以A和芳香烃E为原料可以制备茚草酮,其合成路线如下:
回答下列问题:
(1)A中所含官能团的名称为___________。
(2)写出B →C的化学方程式___________。
(3)C→D的反应类型为___________;E →F的反应所需试剂为___________。
(4)E的结构简式为___________。
(5)G的化学名称为___________。
(6)若I分子的碳碳双键和Br2分子加成,则产物中有___________个手性碳原子。
(7)B的同分异构体中,满足下列条件的结构有___________种
①与FeCl3溶液发生显色反应;
②含有2个甲基,且连在同一个碳原子上。
其中核磁共振氢谱有四组峰,且峰面积之比为6:2:2:1的结构简式为___________。
五、实验题
13.(2021·河南郑州·统考二模)蛋白质含量是食品营养价值的重要指标之一。凯氏定氮法是测量蛋白质中含氮量的常用方法。实验室测定蛋白质中含氮量的具体流程如下:奶粉样品(质量ag)(NH4)2SO4NH3(NH4)2B4O7结果处理。回答下列问题:
(1)“消化”的目的是_______。
(2)“蒸馏”和“吸收”操作装置如下图所示(加热及夹持装置略去)。
实验步骤:
①组装好仪器后,向水蒸气发生器内加蒸馏水,并加入数粒玻璃珠。加入玻璃珠的作用是_______。
②清洗仪器:打开K1,关闭K2。加热烧瓶使水蒸气充满管路,停止加热,关闭K1。烧杯中蒸馏水倒吸进入反应室,原因是_______;打开K2放掉洗涤水,重复操作2~3次。
③向烧杯中加入硼酸溶液及指示剂。消化液由样液入口注入反应室,并注入一定量的氢氧化钠溶液,用蒸馏水冲洗后,封闭样液入口。反应室内反应的离子方程式为_______,烧杯中发生反应的化学方程式为_______。
④反应装置使用了双层玻璃,其作用是_______。
⑤检验蒸馏操作中氨已完全蒸出的方法是_______。
(3)“蒸馏”后用cmol·L-1的盐酸标准溶液滴定烧杯内液体,发生的反应为(NH4)2B4O7+2HCl+5H2O=2NH4Cl+4H3BO3,终点时消耗盐酸平均体积为vmL。则该奶粉样品中氮的质量分数为_______。
14.(2022·河南郑州·统考二模)摩尔盐(NH4)2Fe(SO4)2·6H2O是一种常见的复盐。以下是摩尔盐的制备流程。请回答相关问题。
(1)步骤2的名称应为_______。
(2)抽滤装置如图所示。和普通过滤相比,抽滤的优点是_______。
(3)加热浓缩时所用到的主要仪器中属于硅酸盐材质的有酒精灯、玻璃棒和_______。
(4)生成摩尔盐的反应方程式为_______。
(5)步骤3中将滤液加热浓缩至_______即停止加热,这样做的原因是_______。
(6)步骤3抽滤后用乙醇洗涤后再用滤纸吸干。用乙醇洗涤的原因是_______。
(7)Fe3+含量是影响产品品质的关键指标。定量测定方法是:取1.00g产品于烧杯中,加入适量盐酸溶解,并加入3滴KSCN溶液,定容至50mL,取溶液置于比色管中,与标准色阶进行目视比色,确定产品级别。可以根据颜色确定产品级别的原理是_______。
(8)取30.00g所制得的固体于小烧杯中,加入适量稀硫酸,溶解后在250mL容量瓶中定容。取25.00mL于锥形瓶中,用0.1mol·L-1的KMnO4,溶液滴定至终点。平行操作三次,消耗KMnO4溶液的平均体积为16.00mL。此样品中Fe2+含量为_______%(保留小数点后1位)。导致该测定结果与理论值有偏差的可能原因是_______。
A.配溶液定容时俯视刻度线 B.取摩尔盐溶液的滴定管没有润洗
C.取待测液的锥形瓶洗净后未干燥 D.摩尔盐的结晶水数量不足
15.(2023·河南郑州·统考二模)阿司匹林(乙酰水杨酸)是世界上应用最广泛的解热、镇痛药。乙酰水杨酸在128°C~135°C受热易分解。以水杨酸与醋酸酐[(CH3CO)2O]为主要原料合成阿司匹林,反应原理如下:
制备流程、实验装置及有关数据如下:
物质
相对分子质量
熔点或沸点(°C)
水
水杨酸
138
158(熔点)
微溶
醋酸酐
102
139. 4(沸点)
反应
乙酰水杨酸
180
135(熔点)
微溶
(1)装置中仪器b的名称是___________。合成阿司匹林时,最合适的加热方法是___________ 。
(2)本实验中副产物的结构简式为___________(只写一种)。
(3)装置中仪器a起到冷凝回流的作用,目的是___________。
(4)将粗产品转至250 mL圆底烧瓶中,安装好回流装置,向烧瓶内加入100 mL乙酸乙酯和2粒沸石,加热回流、溶解。趁热过滤,冷却至室温,抽滤,用少许乙酸乙酯洗涤,干燥后得乙酰水杨酸1.8g。
①烧瓶内加入乙酸乙酯的作用是___________,加热回流时间不宜过长,原因是___________。
②“趁热过滤”的原因是___________。
③乙酰水杨酸的产率为___________。
参考答案:
1. 将稀土精矿粉碎、升高温度、适当增大硫酸浓度、搅拌 2REFCO3+3H2SO4=RE2(SO4)3+2HF↑+2CO2↑+2H2O 促使磷酸根离子完全转化为FePO4沉淀 Th4++4MgO+4H+=Th(OH)4↓+4Mg2+ 促使硅酸胶体凝聚并增大硫酸钙颗粒,加快过滤速度 RE2(SO4)3+6NH4HCO3=RE2(CO3)3↓+3H2O+3CO2↑+3(NH4)2SO4 防止生成氢氧化物沉淀,引入杂质
【分析】稀土矿(稀土的氟碳酸盐、磷酸盐,还有CaF2、Fe2O3和SiO2等),向稀土矿中加入硫酸,REFCO3与硫酸反应生成RE2(SO4)3、HF、CO2和H2O,Fe2O3和硫酸反应生成Fe3+,CaF和硫酸反应生成CaSO4和HF,磷酸盐和硫酸反应生成磷酸,SiO2不溶于酸,加入水,,CaSO4微溶于水,SiO2不溶于水;加入FeCl3,使磷酸根离子转化为FePO4沉淀,加入MgO调节pH,使Fe3+和Th4+转化为Fe(OH)3、Th(OH)4沉淀;过滤后,滤液1中的溶质为RE2(SO4)3,向滤液1中加入NH4HCO3,RE2(SO4)3和NH4HCO3反应生成RE2(CO3)3沉淀、H2O、CO2、(NH4)2SO4,最后得到碳酸稀土。
【详解】(1)将稀土精矿粉碎、升高温度、适当增大硫酸浓度、搅拌,均可提高“酸浸”浸出率;
(2)REFCO3与硫酸反应生成RE2(SO4)3、HF、CO2和H2O,化学方程式为:2REFCO3+3H2SO4=RE2(SO4)3+2HF↑+2CO2↑+2H2O;
(3)在浸出液中加入FeCl3调整n(Fe)/n(P)=2~3,是为了促使磷酸根离子完全转化为FePO4沉淀;加入MgO调整pH=4.0~4.5使浸出液中的Fe3+和Th4+生成氢氧化物沉淀,Th4+、MgO和H+反应生成Th(OH)4沉淀和Mg2+,化学方程式为:Th4++4MgO+4H+=Th(OH)4↓+4Mg2+;
(4)浸出液中含有硅酸胶体和颗粒微小的硫酸钙,使过滤和洗涤操作困难,加入少量的聚丙烯酰胺,可促使硅酸胶体凝聚并增大硫酸钙颗粒,加快过滤速度;
(5)滤液1中的溶质为RE2(SO4)3,RE2(SO4)3和NH4HCO3反应生成RE2(CO3)3沉淀、H2O、CO2、(NH4)2SO4,化学方程式为:RE2(SO4)3+6NH4HCO3=RE2(CO3)3↓+3H2O+3CO2↑+3(NH4)2SO4;若用Na2CO3替代碳酸氢铵,则会生成氢氧化物沉淀,引入杂质,因此不宜用Na2CO3替代碳酸氢铵。
2.(1)铂系金属性质稳定,在阳极不参与放电
(2)Pd+Cl2+2Cl-=PdCl
(3) 2 温度越高去除效果越好,但温度高于85℃时去除率变化不大,从经济效率角度考虑选用此温度
(4)加入HCl后,NH3和H+生成,Cl-和Ag+生成AgCl沉淀,促使解离平衡向正方向移动达到分银的目的
(5)Pd(NH3)2Cl2+2HCl=(NH4)2PdCl4
(6)
【分析】此流程目的提取阳极泥中贵重金属铂和钯,阳极泥通入氯气和加入盐酸,得铂钯氯化液([AgCl2]-、PdCl、PtCl、Cu2+、Ni2+),得铂钯氯化液加草酸得草酸铜、草酸镍沉淀,过滤洗涤,净化后溶加入萃取剂,萃余液中含铂,在经系列操作得铂粉;萃取液中含有(AgCl、PdCl),氨水盐酸得到氯化银沉淀,再加盐酸得粗二氯二氨合钯沉淀,粗二氯二氨合钯沉淀再加盐酸得(NH4)2PdCl4 ,在经系列操作得金属Pb,以此来解析;
【详解】(1)粗铜的精炼粗铜做阳极.纯铜做阴极,含有Cu2+的溶液做电解质溶液,阳极发生氧化反应,所以还原性强的物质优先反应,比铜活泼性强的先电子变成阳离子进入溶液液中活泼性差的以游离态存在于阳极泥中,铂系金属性质稳定,在阳极不参与放电;
(2)单质Pb变为PdCl,Pb化合价由0价升高为+2价,需要加入氧化剂,Cl化合价由0降低为1价,根据化合价升降守恒、原子可恒和电荷守恒,可得反应的离子方程式为:Pd+Cl2+2Cl-=PdCl-;
(3)由表1数据可知,草酸过量系数为2.0时,铜、镍去除率最佳;温度越高去除效果越好,但温度高于85℃时去除率变化不大,从节能经济效率角度考虑选用此温度;
(4)根据Ag(NH3)⇌Ag++2NH3,加入HCl后,NH3和H+生成,Cl-和Ag+生成AgCl沉淀,促使解离平衡向正方向移动达到分银的目的;
(5)Pd(NH3)2Cl2沉淀加入盐酸溶解根据流程分析可知生成(NH4)2PdCl4 反应的化学方程式为:Pd(NH3)2Cl2+2HCl=(NH4)2PdCl4 ;
(6)海绵状金属钯密度为ρg/cm3,具有优良的吸氢功能,标准状况下,其吸附的氢气是其体积的a倍,则此条件下海绵钯的吸附容量R==cm3/g,1cm3=1ml,1molPb的质量为106g,氢气的浓度r==;
3.(1)温度过低,酸溶速度慢,温度过高铵盐分解
(2) 2Cu2+ + +2Cl-+H2O = 2CuCl↓ ++2H+ 使Cu2+全部被还原、提高Cu2+的还原速率、防止生成Cu+的被空气氧化等 CuCl+NH4Cl=NH4CuCl2
(3) 硫酸 加快CuCl表面水分的蒸发,防止CuCl水解氧化
(4)硫酸铵或(NH4)2SO4
(5)59.7%
【分析】酸性条件下硝酸根离子具有氧化性,可氧化海绵铜(主要成分是Cu和少量CuO)生成硫酸铜,过滤后在滤液中加入亚硫酸铵发生氧化还原反应生成CuCl,发生,得到的CuCl经硫酸酸洗,水洗后再用乙醇洗涤,可快速除去固体表面的水分,防止水解、氧化,以此来解答;
【详解】(1)酸溶”时,温度过低,酸溶速度慢,温度过高铵盐分解,温度应控制在60~70°C ;
(2)根据分析,;为了使Cu2+全部被还原、提高Cu2+的还原速率、防止生成Cu+的被空气氧化,则“还原”步骤中亚硫酸铵适当过量;随着NH4Cl用量增加,发生反应CuCl+NH4Cl=NH4CuCl2;
(3)得到的CuCl经硫酸酸洗,水洗后再用乙醇洗涤,使用乙醇的目的为加快CuCl表面水分的蒸发,防止CuCl水解氧化;
(4)还原中还可以发生生成硫酸铵;
(5)氯化亚铜与FeCl3反应,,加入K2Cr2O7溶液发生反应
,设CuCl的物质的量为n,反应的关系为,样品中CuCl的质量分数=。
4. -94.9 806 < 自发反应△H-T△S < 0,该反应是气体分子数减小的反应,△S<0,所以△H < 0 0.05P0 水碳比越大,氢气的物质的量分数越大 水碳比增大,生成的CO会与H2O(g)反应,进一步生成H2,使得氢气的物质的量分数增大 2CH3OH+CO-2e- =(CH3O)2CO+2H+
【详解】(1)反应I -反应Ⅱ=反应Ⅲ,;反应物总键能-生成物总键能,,解得a=806 kJ·mo1-1;
(2)①自发反应△H-T△S < 0,该反应是气体分子数减小的反应,△S<0,所以△H < 0;
②在此条件,0-4min的;设平衡时反应了x mol,列出三段式:
反应后总物质的量为(4-x)mol,T、V一定时,n和p成正比,所以,解得x=1.2,则反应后总物质的量为2.8mol,物质的量分数为,CO物质的量分数为,物质的量分数为,则;
(3)由图可知,温度一定时,水碳比越大,氢气的物质的量分数越大,水碳比增大,生成的CO会与H2O(g)反应,进一步生成H2,使得氢气的物质的量分数增大2CH3OH+CO-2e- =(CH3O)2CO+2H+;
(4)阳极发生氧化反应,元素化合价升高,由电解池工作原理图可以判断,左侧为阳极,CH3OH和CO反应生成(CH3O)2CO,电极反应式为:2CH3OH+CO-2e- =(CH3O)2CO+2H+。
5.(1)+41kJ⋅mol-1
(2)l
(3) b+a-0.6 小于
(4)其平衡常数小于10-5,可以认为几乎不反应
(5)反应是①吸热反应,温度升高平衡向正方向移动;反应③④是放热反应,温度升高平衡向逆方向移动;且温度对反应③④的影响大于对反应①的影响;
(6)AD
(7)CO+CH3OHCH3COOH
【分析】(1)根据反应可知①=③-②,根据盖斯定律可进行ΔH的计算;
(2根据反应放热升温对Kc的影响,以及lgKc-T值的关系曲线可得曲线;
(3)根据图中信息可知反应可知500℃,反应②值小于10-5,认为容器发生①③④,设三个反应二氧化碳反应的分别为x、a、2y,结合三个反应的数据,再根据原子守恒和转化率,可求得H2的转化率;再根据图中信息可知根据图中信息830℃时反应①lgKc=0,此反应吸热,温度越高Kc值越大,可知500℃反应①的Kc小于1;
(4)根据图中信息400℃反应②的lgKc=-5,Kc=10-5,温度越高Kc值越小;
(5)反应是①吸热反应,温度升高平衡向正方向移动;反应③④是放热反应,温度升高平衡向逆方向移动;且温度对反应③④的影响大于对反应①的影响;
(6)由图Ⅱ信息知,相同温度下,CZ(Zr-1)T作催化剂时,CH3OH的选择性和产率都优于CZT作催化剂,为兼顾CH3OH的选择性和产率,由图知温度;
(7)根据题图中向里的箭头为反应物向外的箭头为生成物,则CO和CH3OH为反应物而CH3COOH为生成物,可得循环总反应方程式;
【详解】(1)根据反应可知①=③-②,根据盖斯定律可知ΔH1=ΔH3-ΔH2=−49kJ⋅mol-1-(-90kJ⋅mol-1)=+41kJ⋅mol-1;
(2)反应②CO(g)+2H2(g)⇌CH3OH(g)ΔH2=−90kJ⋅mol−1为放热反应,升温平衡逆向移动,温度越高,Kc值越小,lgKc越小,故表示②反应的1gKc-T关系的曲线为l;
(3)根据图中信息400℃反应②的lgKc=-5,Kc=10-5,温度越高Kc值越小,Kc小于10-5可以忽略不计;500℃时反应②的平衡常数的值小于10-5,可认为容器中没有发生反应②(即可以忽略),认为容器发生①③④,设三个反应二氧化碳反应的的量分别为x、a、2y,则
根据题意可知根据图中信息可知反应500℃时,CO2转率为60%,则①=60%,根据水的物质的量为②b=x+a+3y,将①②联立解得x=1.8-2b-a,y=b-0.6代入而氢气的转率为===b+a-0.6;
反应①为吸热反应,升温平衡正向移动,温度越高Kc值越大,可知m代表反应①,根据图中信息830℃时反应①lgKc=0,即Kc=1,温度低于830℃,500℃此时反应①的平衡常数值Kc小于1;
(4)根据图中信息400℃反应②的lgKc=-5,Kc=10-5,温度越高Kc值越小,在400℃以后反应②在该体系中Kc小于10-5可以认为几乎不反应,可以忽略不计;
(5)反应是①吸热反应,温度升高平衡向正方向移动;反应③④是放热反应,温度升高平衡向逆方向移动;且温度对反应③④的影响大于对反应①的影响,故500℃以后 CO2的平衡转化率随温度升高而减小;
(6)由图Ⅱ信息知,相同温度下,CZ(Zr-1)T作催化剂时,CH3OH的选择性和产率都优于CZT作催化剂,所以工业合成甲醇选择催化剂CZ(Zr-1)T,为兼顾CH3OH的选择性和产率,由图知温度应选择230℃;
故选AD。
(7)根据题图中向里的箭头为反应物,向外的箭头为生成物,则CO和CH3OH为反应物,而CH3COOH为生成物,则循环总反应的方程式为:CO+CH3OHCH3COOH。
6.(1) 高温 -49 生成CO反应的 ΔS更大,更有利于反应正向进行 降温冷凝
(2) 温度较高时,反应速率加快,单位时间内得到的产品更多 CO CO2 (g) +C (g)2CO(g) ΔH>0,温度升高,平衡向正向移动,CO物质的量分数逐渐升高 8×104
【详解】(1)①直接氯化时ΔH1 =172 kJ·mol-1;所以反应在高温有利于自发进行;故答案为高温。
②已知:a.TiO2(s) +2Cl2(g)TiCl4(g) +O2(g)ΔH1 =172 kJ·mol-1;c.C (s) +O2(g)CO2(g) ΔH3= -393.5 kJ·mol-1;d.2CO (g) +O2(g) 2CO2(g) ΔH4= - 566.0 kJ·mol-1;所以反应b.TiO2(s) +2Cl2(g)+2C (s)TiCl4(g)+2CO (g):b=a+2c-d,所以ΔH2=ΔH1+2ΔH3-ΔH4=-49 kJ·mol-1;故答案为-49。
③生成CO反应的中ΔS更大,所以碳氯化法中生成CO比生成CO2更有利于TiO2转化为TiCl4,更有利于反应正向进行;故答案为生成CO反应的 ΔS更大,更有利于反应正向进行。
④常压下TCl4的沸点为136°C,大于四氯化碳沸点可用降温冷凝法将TCl4从碳氯化反应的混合体系中分离;故答案为降温冷凝。
(2)①虽然在200°C平衡时TiO2几乎完全转化为TiCl4,温度较高时,反应速率加快,单位时间内得到的产品更多,所以实际生产中反应温度却远高于此温度;故答案为温度较高时,反应速率加快,单位时间内得到的产品更多。
②曲线a代表的物质的比例随着温度升高而增大,CO2 (g) +C (g)2CO(g) ΔH>0,温度升高,平衡向正向移动,CO物质的量分数逐渐升高,所以曲线a代表的物质为CO;故答案为CO;CO2 (g) +C (g)2CO(g) ΔH>0,温度升高,平衡向正向移动,CO物质的量分数逐渐升高。
③;故答案为8×104。
7. [Ar]3d10 2 C
(2)同一周期从左到右,第一电离能逐渐增大,第IIA族和第VIA反常, 小于前一主族的电离能,同一主族从上到下,第一电离能逐渐减小,所以F、O、N、C的第一电离能从小到大的顺序是C
(4)由结构式可知N原子杂化方式为sp2、sp3杂化;
(5)NH3分子中N原子的孤电子对进入Zn2+的空轨道形成配位键后,原孤电子对与成键电子对间的排斥作用变为成键电子对间的排斥,排斥作用减弱,所以NH3形成[Zn(NH3)6]2+后H-N-H键角变大;
(6)①、②号铜原子坐标依次为(0,0,0)、(,0,),由晶胞结构图可知,④号Br原子的坐标为(,,);该晶胞中Cu的个数为,Br的个数为4,则晶胞体积为,,CuBr的密度为dg·cm-3,所以。
8.(1)
(2)AD
(3) 低于 离子半径Mg2+小于Ca2+,二者带电荷数相同,Mg2+吸引O2-形成MgO的能力强
(4) V形 SCN-、OCN-、N等 4 sp3、sp2
(5)
【详解】(1)Mn为25号元素,价电子排布为3d54s2,轨道表示式为;
(2)A.Mg2+和Zn2+所带电荷数相同,但Mg2+的半径更小,所以Mg中的金属键更强,A正确;
B.以顶面面心原子为例,顶面有6个距离其最近且相等,晶胞内部有3个,该晶胞上方的晶胞中还有3个,所以配位数为12,B错误;
C.该堆积模型为六方最密堆积,空间利用率为74%,C错误;
D.晶胞内部3个和顶面面心的1个可以形成四面体空隙,任一侧面上的4个以及距离该侧面最近的位于晶胞的内部的2个(有一个位于另一个晶胞中)可以形成八面体空隙,D正确;
综上所述答案为AD;
(3)XCO3分解的实质即X2-与碳酸根中的氧离子形成离子键,离子半径Mg2+小于Ca2+,二者带电荷数相同,Mg2+吸引O2-形成MgO的能力强,所以MgCO3的分解温度更低;
(4)①H2O分子中O原子为sp3杂化,含两对孤电子对,空间构型为V形;CO2含3个原子、16个价电子,其等电子体的阴离子有SCN-、OCN-、N等;
③据图可知与为Zn2+提供电子对的原子有1个O原子、3个N原子,共4个;形成双键(五元环上)的碳原子为sp2杂化,形成单键的碳原子(甲基)为sp3杂化;
(5)根据均摊法,晶胞中Zn原子的个数为6+8×+4×=8,Mg原子的个数为4,所以晶胞的质量为g,底面棱长为0.5221nm,为菱形,所以底面积为0.52212×sin60°nm2,则晶胞体积为0.52212×sin60°×0.8567nm3=0.52212×sin60°×0.8567×10-21cm3,所以合金的密度为g·cm3。
9.(1) Li 2
(2) 9或7 [Ar]3d104s24p3
(3) AsH3 两者均为分子晶体,AsH3相对分子质量大,范德华力强,沸点高
(4)6
(5)sp3、sp
(6)1∶1
(7)
【详解】(1)Li、P、S中,Li为金属元素,容易失去电子,电负性最小;一般情况下同一周期的元素,原子序数越大,元素的第一电离能也越大,但第VA的元素由于其处于p轨道的半充满的稳定状态,其第一电离能大于同周期相邻元素,第一电离能P>S,故第三周期元素中第一电离能大于磷的元素有Cl、Ar;所以第三周期元素中第一电离能比P大的元素有2种;故答案为Li;2。
(2)基态S元素电子排布式为1s22s22p3s23p4;有7个或9个电子自旋状态相同;基态As原子的电子排布式为[Ar]3d104s24p3;故答案为9或7 ;[Ar]3d104s24p3。
(3)PH3 、AsH3均为分子晶体,相对分子质量大,范德华力强,沸点高所以沸点较高的是AsH3,故答案为AsH3;两者均为分子晶体,AsH3相对分子质量大,范德华力强,沸点高。
(4)Mn的一种配合物化学式为[Mn(CO)5(CH3CN)],该配合物中与锰原子的配位有CO和CH3CN,配位数为6;故答案为6。
(5)CH3CN中有两个C原子,分别连接有4个和2个键,杂化类型为sp3、sp;故答案为sp3、sp。
(6)CH3CN和CO均含有2个π键,等物质的量的CH3CN和CO中,π键数目之比1:1;故答案为1:1。
(7)该晶胞中含有Ni3+个数为,含有As3-为4;即含有4个NiAs,其质量为,设其棱长为acm,所以,As3-位于其八分之一晶胞的中心,两个As3-之间的距离相当于面对角线长度的一半;所以两个As3-之间为;故答案为。
10. 醚键 硝基 提供碱性环境,消耗反应生成的HI,促使反应向正方向发生 取代反应 9 、
【分析】A为,和CH3I反应生成B,B为,B转化为C,C的分子式为C8H9NO4,C和PBr3反应生成D,D的结构简式为,由此推测C为。
【详解】(1)D的结构简式为,D中的官能团为溴原子、醚键、硝基;B的结构简式为;
(2)A→B的反应过程中,和CH3I反应生成和HI,K2CO3可以提供碱性环境,消耗反应生成的HI,促使反应向正方向发生;和PBr3反应生成,该反应为取代反应;
(3) 和HSCH2COOH反应生成和HBr,和NaOH反应生成和H2O,HBr和NaOH反应生成NaBr和H2O,化学方程式为:;
(4)A的芳香族同分异构体中和A具有完全相同官能团的物质还有:、、、、、、、、,共9种;某A的芳香族同分异构体M,分子结构中含有硝基,且核磁共振氢谱只有三种信号,表明M中含有两个取代基,且位于对位,符合条件的两种M的结构简式为:、;
(5) 和PBr3发生取代反应生成,和KHS在一定条件下反应生成,和发生取代反应生成,和H2O2反应生成,合成路线为:。
11.(1) 谷氨酸(2-氨基戊二酸或2-氨基-1,5-戊二酸)
(2)还原反应
(3)羧基、硝基、酰胺键(肽键)
(4)+→+HCl
(5)10
(6)
【分析】甲苯经硝化反应生成A,A中甲基被酸性高锰酸钾氧化生成B,B与SOCl2反应生成C,根据C中硝基的位置可知A为,B为;根据题目所给信息以及E的结构简式可知,D的结构简式为。
(1)
根据分析可知B的结构简式为;D为,主链上含有2个羧基,2号碳上有一个氨基,所以名称为谷氨酸(2-氨基戊二酸或2-氨基-1,5-戊二酸);
(2)
对比E和F的结构简式可知,硝基转化为氨基,所以为还原反应;
(3)
观察E的结构简式可知E中的含氧官能团为羧基、硝基、酰胺键(肽键);
(4)
根据题目所给信息可知反应④的化学方程式为+→+HCl;
(5)
D为,其同分异构体满足:属于α-氨基酸,则氨基和羧基在同一碳原子上,含有羟基、且能发生银镜反应,即还含有醛基,则符合条件的有、、、(序号表示羟基可能的位置),共有3+3+2+2=10种;
(6)
对二甲苯为,对苯二胺为;根据防弹材料的结构简式可知,其可以由和对苯二胺发生缩聚反应生成,而可以由与SOCl2反应生成,对二甲苯被酸性高锰酸钾氧化可以得到,所以合成路线为。
12.(1)氯原子 羰基(酮基)
(2) +H2O
(3) 取代反应 酸性KMnO4溶液等
(4)
(5)邻苯二甲酸二乙酯
(6)1
(7) 13
【分析】A()发生加成反应生成B(),B发生消去反应生成C(),C发生取代反应,生成D(),根据G的结构简式,E为,E发生氧化反应生成F ,F发生酯化反应,生成G ,再经过一系列反应,得到产品。
【详解】(1)根故A的结构简式,含有的官能团名称为:氯原子 羰基(酮基);
(2)B()发生消去反应生成C(),化学方程式为:+H2O;
(3)生成,发生取代反应;E()在酸性KMnO4溶液等氧化剂的条件下,生成F();
(4)根据以上分析,E为;
(5)F()与乙醇发生酯化反应生成G(),G的名称为:邻苯二甲酸二乙酯;
(6)I()与发生反应,生成,手性碳原子只有1个;
(7)B的结构简式:,①与FeCl3溶液发生显色反应,含有;
②含有2个甲基,且连在同一个碳原子上,有,邻、对、间3种,10种,共13种,其中核磁共振氢谱有四组峰,且峰面积之比为6:2:2:1的结构简式为:。
13. 将奶粉样品中的氮元素转化为铵盐,便于氮元素的测定 防止液体暴沸 温度降低,管路中压强减小,形成负压 +OH−NH3↑+H2O 2NH3+4H3BO3=(NH4)2B4O7+5H2O 保温使氨气完全蒸出 用pH试纸检验馏出液为中性(或撤去冷凝管末端的烧杯,将湿润的红色石蕊试纸靠近冷凝管下端出口,若试纸不变蓝) 或
【分析】本实验的目的是测定蛋白质中含氮量,奶粉样品“消化”将氮元素转化为硫酸铵,再将生成的硫酸铵与氢氧化钠溶液混合并加热反应生成氨气,生成的氨气通入H3BO3溶液中吸收,最后用标准盐酸溶液滴定,计算奶粉样品中的氮含量。
【详解】(1)本实验的目的是测定蛋白质中含氮量,奶粉样品“消化”的目的是将奶粉样品中的氮元素富集并转化为铵盐,便于氮元素的测定;
(2)①组装好仪器后,向水蒸气发生器内加蒸馏水,并加入数粒玻璃珠。加入玻璃珠相当于加沸石,其作用是防止液体暴沸;
②清洗仪器:打开K1,关闭K2。加热烧瓶使水蒸气充满管路,停止加热,关闭K1。烧杯中蒸馏水倒吸进入反应室,原因是关闭K1后,水蒸气冷却,则管内的压强减小,而外界的大气压不变,则大气压将蒸馏水压入反应室,引起倒吸;
③反应室内发生的反应是硫酸铵与氢氧化钠溶液反应制取氨气,离子方程式为+OH−NH3↑+H2O,生成的氨气通入烧瓶用H3BO3进行吸收生成(NH4)2B4O7,则烧杯中发生反应的化学方程式为2NH3+4H3BO3=(NH4)2B4O7+5H2O;
④反应装置使用了双层玻璃,可以起到保温的作用,减少热量散失,有利于氨气逸出;
⑤检验蒸馏操作中氨已完全蒸出的方法是撤去冷凝管末端的烧杯,将湿润的红色石蕊试纸靠近冷凝管下端出口,若试纸不变蓝,或用pH试纸检验馏出液为中性,说明氨气已经完全蒸出;
(3)根据题意,滴定过程中消耗盐酸的物质的量为cmol·L-1×v×10-3L=cv×10-3mol,根据反应(NH4)2B4O7+2HCl+5H2O=2NH4Cl+4H3BO3,n[(NH4)2B4O7]=n(HCl)= mol,则n(N)=2n[(NH4)2B4O7]= cv×10-3mol,则ag样品中氮元素的含量为×100%=或。
14.(1)硫酸亚铁的制备
(2)加快过滤速度,得到更干燥的固体
(3)蒸发皿
(4)FeSO4+(NH4)2SO4+6H2O=(NH4)2Fe(SO4)2·6H2O
(5) 表面有晶膜出现 防止杂质析出(并防止结晶水数量不足)
(6)产物在乙醇中溶解度小,减小溶解损失;乙醇挥发带走水分,产品能快速干燥
(7)Fe3+和SCN-反应生成红色的Fe(SCN)3,Fe3+浓度越大,溶液颜色越深
(8) 14.9 AD
【分析】本实验的目的是制备摩尔盐,加入碳酸钠溶液煮沸,除去表面油污,过滤分离洗涤后,加入硫酸反应制备FeSO4,趁热抽滤后加入硫酸铵固体,加热浓缩,冷却结晶,抽滤并洗涤,得到产品。
(1)
步骤2中Fe与稀硫酸反应得到FeSO4,所以该步骤的名称为硫酸亚铁的制备;
(2)
抽滤时抽滤瓶中形成真空,可以加快过滤速度,得到更干燥的固体;
(3)
加热浓缩时需要在蒸发皿中进行,蒸发皿也属于硅酸盐材质的仪器;
(4)
根据题意硫酸亚铁和硫酸铵反应可以得到摩尔盐,根据元素守恒可得化学方程式为FeSO4+(NH4)2SO4+6H2O=(NH4)2Fe(SO4)2·6H2O;
(5)
将滤液加热浓缩至表面有晶膜出现时,即停止加热,这样做可以防止杂质析出,同时也可以防止结晶水数量不足;
(6)
产物在乙醇中溶解度小,用乙醇洗涤可以减小溶解损失;同时乙醇易挥发,乙醇挥发带走水分,产品能快速干燥;
(7)
Fe3+和SCN-反应生成红色的Fe(SCN)3,该反应为可逆反应,Fe3+浓度越大,平衡正向移动,溶液颜色越深,所以可以根据颜色确定产品级别;
(8)
根据电子守恒可知滴定过程中存在数量关系n(Fe2+)=5n(KMnO4),所以25.00mL待测液中n(Fe2+)=5×0.1mol/L×0.016L=0.008mol,则250mL待测液中n(Fe2+)=0.08mol,则样品中Fe2+含量为×100%≈14.9%;
理论上Fe2+含量应为×100%≈14.3%;测定结果偏大;
A.配溶液定容时俯视刻度线,导致所配待测液浓度偏大,25.00mL待测液消耗的高锰酸钾溶液偏多,测定结果偏大,A符合题意;
B.取摩尔盐溶液的滴定管没有润洗,导致摩尔盐被稀释,25.00mL待测液消耗的高锰酸钾溶液偏少,测定结果应偏小,B不符合题意;
C.取待测液的锥形瓶洗净后未干燥对测定结果无影响,C不符合题意;
D.摩尔盐的结晶水数量不足导致30.00固体中所含Fe2+偏多,测定结果偏大,D符合题意;
综上所述答案为AD。
15.(1) 三颈烧瓶(三口烧瓶) 水浴加热
(2)或其它符合题意产物
(3)提高原料的利用率
(4) 做溶剂 避免乙酰水杨酸分解 防止乙酰水杨酸冷却结晶 86.25%
【详解】(1)如图所示,装置中仪器b的名称是三颈烧瓶(三口烧瓶);合成阿司匹林时,温度为85℃~90℃,最合适的加热方法是水浴加热;故答案为三颈烧瓶(三口烧瓶);水浴。
(2)阿司匹林由水杨酸和乙酸酐合成,可能的副产物为;故答案为或其它符合题意产物。
(3)装置中仪器a为冷凝管,起到冷凝回流的作用,目的是提高原料的利用率;故答案为提高原料的利用率。
(4)①反应时入乙酸乙酯为溶剂;为了避免乙酰水杨酸分解,加热回流时间不宜过长;故答案为做溶剂;避免乙酰水杨酸分解。
②为了防止乙酰水杨酸冷却结晶,需要“趁热过滤”;故答案为防止乙酰水杨酸冷却结晶。
③加入水杨酸质量为1.6g,乙酸酐质量为2.4g;,所以水杨酸物质的量少,应依次为标准计算;所以乙酰水杨酸的理论产量为;所以产率为;故答案为86.25%。
上海徐汇区2021届-2023届高考化学三年模拟(二模)按题型分类汇编-02非选择题: 这是一份上海徐汇区2021届-2023届高考化学三年模拟(二模)按题型分类汇编-02非选择题,共28页。试卷主要包含了原理综合题,填空题,有机推断题,实验题,结构与性质等内容,欢迎下载使用。
上海杨浦区2021届-2023届高考化学三年模拟(二模)按题型分类汇编-02非选择题: 这是一份上海杨浦区2021届-2023届高考化学三年模拟(二模)按题型分类汇编-02非选择题,共30页。试卷主要包含了原理综合题,工业流程题,有机推断题,实验题,结构与性质等内容,欢迎下载使用。
上海黄浦区2021届-2023届高考化学三年模拟(二模)按题型分类汇编-02非选择题: 这是一份上海黄浦区2021届-2023届高考化学三年模拟(二模)按题型分类汇编-02非选择题,共28页。试卷主要包含了结构与性质,填空题,有机推断题,实验题,原理综合题,工业流程题等内容,欢迎下载使用。

