高中化学人教版 (2019)必修 第二册第二节 乙烯与有机高分子材料学案
展开高一化学同步学习高效学讲练(精品学案)
第六章 化学反应与能量
第二节 化学反应的速率与限度
第1课时 化学反应的速率
课程学习目标
1.通过对反应平均速率的学习,了解化学反应平均速率的表示方法。
2.通过实验探究,了解影响化学反应速率的因素,能从化学反应快慢的角度解释生产、生活中简单的化学现象。
学科核心素养
宏观辨识与微观探析:能从宏观角度认识化学反应的快慢。
变化观念和平衡思想:认识反应条件对化学反应速率的影响,能运用化学反应原理分析影响化学变化的因素,初步学会运用变量控制的方法研究化学反应
科学探究和创新意识:能对化学反应速率的影响因素提出可能的假设,依据假设设计实验方案,完成实验操作,基于实验事实得出结论,提出自己的看法。
【新知学习】
一.化学反应速率
1.通常用化学反应速率来衡量化学反应进行的 快慢 ,化学反应速率可用单位时间内 反应物浓度的
减少量 或 生成物浓度的增加量 来表示。
表达式 v=,式中各符号的表示意义:
v——反应速率。
Δc——某一时间段浓度的变化量,单位: mol/L 。
Δt——反应时间,单位: min(分) 、 s(秒) 、 h(小时) 。
速率单位(常用): mol·L-1·min-1 、 mol·L-1·s-1 。
【注意】
应用化学反应速率需注意以下问题:
(1) 化学反应速率是标量,只有 数值 而没有 方向 ;
(2) 一般计算出来的化学反应速率是一段时间内的 平均 速率,不同时刻的化学反应速率是不相同的;
(3) 对于纯液体或固体物质,反应在其表面进行,它们的“浓度” 是 不 变的,因此一般 不能 用固体、纯液体表示化学反应速率;
(4) 对于同一化学反应,用不同的物质表示其化学反应速率在数值上可能 不 同,但其意义相同,化学反应速率之比等于 化学计量系数 之比。
2.化学反应速率的计算
(1)定义式法
利用公式v=计算化学反应速率,也可利用该公式计算浓度变化量或时间。
(2)关系式法
化学反应速率之比=物质的量浓度变化之比=物质的量变化之比=化学计量数之比。
3.反应速率大小比较的两种方法
同一化学反应速率用不同物质表示时数值可能不同,比较化学反应速率的快慢不能只看数值大小,还要进行一定的换算。
(1)方法一:换算成同一物质、同一单位表示,再比较数值大小。
(2)方法二:比较化学反应速率与化学计量数的比值。
【模型认知】“三段式”计算化学反应速率和转化率
mA(g)+nB(g)pC(g)+qD(g)
起始浓度/(mol·L-1) a b 0 0
转化浓度/(mol·L-1) mx nx px qx
终态浓度/(mol·L-1) a-mx b-nx px qx
①v(A)=,v(C)=。
②α(A)=×100%。
二..影响化学反应速率的因素
1.内因(主要因素)
化学反应速率的大小主要是由 物质本身的性质 决定的,即反应物的分子结构或原子结构决定的。
2.外界条件的影响(次要因素)
①催化剂的影响:
实验操作
实验现象
加入FeCl3溶液产生气泡的速率明显加快
实验结论
催化剂可以加快反应速率
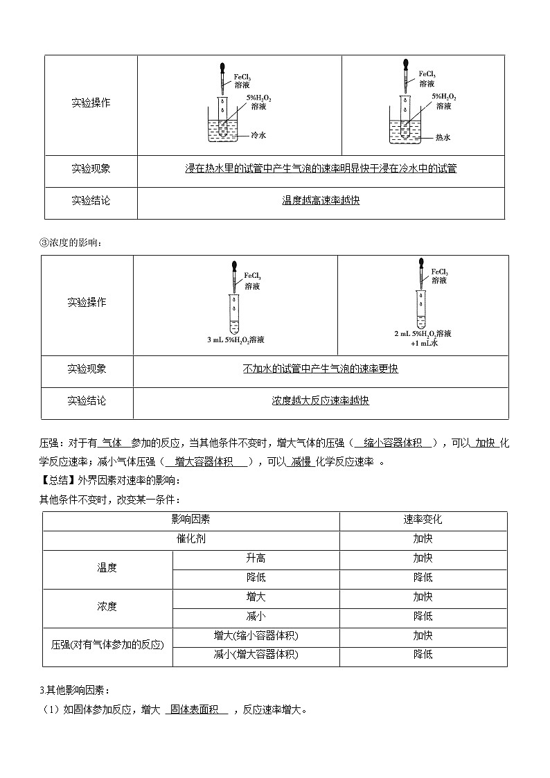
②温度的影响:
实验操作
实验现象
浸在热水里的试管中产生气泡的速率明显快于浸在冷水中的试管
实验结论
温度越高速率越快
③浓度的影响:
实验操作
实验现象
不加水的试管中产生气泡的速率更快
实验结论
浓度越大反应速率越快
压强:对于有 气体 参加的反应,当其他条件不变时,增大气体的压强( 缩小容器体积 ),可以 加快 化学反应速率;减小气体压强( 增大容器体积 ),可以 减慢 化学反应速率 。
【总结】外界因素对速率的影响:
其他条件不变时,改变某一条件:
影响因素
速率变化
催化剂
加快
温度
升高
加快
降低
降低
浓度
增大
加快
减小
降低
压强(对有气体参加的反应)
增大(缩小容器体积)
加快
减小(增大容器体积)
降低
3.其他影响因素:
(1)如固体参加反应,增大 固体表面积 ,反应速率增大。
(2) 反应物状态:一般来说,配制成溶液或反应物是气体,都能增大反应物之间的接触面积,有利于增大反应速率。
(3)形成原电池,可以增大氧化还原反应的反应速率。
【练习】将等物质的量的A、B混合于2 L的密闭容器中,发生如下反应:3A(g)+B(g)xC(g)+2D(g),经5 min后,测得D的浓度为0.5 mol·L-1,c(A)∶c(B)=3∶5,C的平均反应速率为0.1 mol·L-1·
min-1。求:
(1)5 min后A的浓度c(A)=________mol·L-1,反应开始前容器中的A、B的物质的量:
n(A)=n(B)=________mol。
(2)B的平均反应速率:v(B)=________mol·L-1·min-1。
(3)x的值为________。
【答案】 (1)0.75 3 (2)0.05 (3)2
【解析】(1)设原混合物中A、B的物质的量为a mol,列出起始时和5 min时有关物质的物质的量。
3A(g)+B(g)xC(g) + 2D(g)
起始时/mol a a 0 0
5 min时/mol a-1.5 a-0.5 0.1×2×5 0.5×2
根据c(A)∶c(B)=3∶5,可得=,解得a=3,即n(A)=n(B)=3 mol,5 min后c(A)==0.75 mol·L-1。
(2)v(B)==0.05 mol·L-1·min-1。
(3)由化学计量数之比等于物质的量的变化量之比,则=,解得x=2。
【知识进阶】
一.化学反应速率的正确理解与比较
【问题探究】
1.锌与稀硫酸反应制取氢气反应中,哪些物质可以表示该反应的速率?
硫酸、硫酸锌。硫酸、硫酸锌溶解于水中,浓度可以表示;锌是固体,浓度几乎不变;由于氢气脱离了溶液,故其浓度无法表示。
2.对于反应3A(g)+B(g)===2C(g)+2D(g),在不同条件下,用A、B表示的反应速率分别为条件①v(A)=0.6 mol·L-1·min-1;条件②v(B)=0.45 mol·L-1·min-1;则该反应在条件①的速率比条件②的速率快吗?
同一个化学反应,用不同物质表示其反应速率时,数值可能不同,所以比较同一个化学反应的反应速率的相对大小时,不能直接比较数值大小,应先转化为同一物质、同一单位,然后再比较其数值大小,数值越大表明反应越快。将条件①的速率换算成用B表示的速率为v(B)=0.2 mol·L-1·min-1,即条件②的速率比条件①的速率快。
【知识归纳总结】
1.正确理解化学反应速率
2.化学反应速率的比较方法:
(1)归一法:
(2)比值法:
比较化学反应速率与化学计量数的比值。如反应aA+bBcC,要比较v(A)与v(B)的相对大小:
若> ―→ v(A)>v(B)
3.化学反应速率的计算:
(1)公式法:
v(A)==
(2)“三段式”法:
①写出有关反应的化学方程式。
②找出各物质的起始量、转化量、某时刻量。
③根据已知条件列方程式计算。
例如,反应 mA + nB ===== pC
t0 s/mol·L-1 a b 0
转化/mol·L-1 x
t1 s/mol·L-1 a-x b-
则:v(A)= mol·L-1·s-1、
v(B)= mol·L-1·s-1、
v(C)= mol·L-1·s-1。
【典例1】一定温度下,向容积为2 L的密闭容器中通入两种气体发生化学反应,反应中各物质的物质的量变化如图所示,下列对该反应的推断合理的是( )
A.该反应的化学方程式为3B+4D6A+2C
B.反应进行到1 s时,v(A)=v(D)
C.反应进行到6 s时,B的平均反应速率为0.05 mol·L-1·s-1
D.反应进行到6 s时,各物质的反应速率相等
【答案】C
【解析】
由图知,A、D分别增加了1.2 mol和0.4 mol,B、C分别减少了0.6 mol和0.8 mol,所以A、D为生成物,B、C为反应物,A、B、C、D变化的物质的量比为6∶3∶4∶2,反应方程式为3B+4C===6A+2D,A错;反应到1 s时,v(A)=0.3 mol·L-1·s-1,v(D)=0.1 mol·L-1·s-1,B错;反应到6 s时,v(B)=0.05 mol·L-1·s-1,C正确;由于方程式中各物质系数不相等,用各物质表示的反应速率也不相等,D错。
(变式训练1)在2A+B===3C+4D反应中,表示该反应速率最快的是( )
A.v(A)=0.5 mol·L-1·s-1
B.v(B)=0.3 mol·L-1·s-1
C.v(C)=0.8 mol·L-1·s-1
D.v(D)=1 mol·L-1·s-1
【答案】B
【解析】
反应速率之比等于化学计量数之比,则化学反应速率与化学计量数的比值越大,反应速率越快,A.=0.25;B.=0.3;C.=0.267;D.=0.25;所以反应速率大小顺序为B>C>A=D,反应速率最快的是B。
二.化学反应速率的影响因素
【问题探究】
1.实验室常用30%左右的硫酸与足量的锌粒反应制取H2,当反应一段时间后,气泡变得稀少了,如果添加一些适当浓度的硫酸溶液到反应容器中,气泡又会重新增多起来,原因是什么?
反应的离子方程式为Zn+2H+===Zn2++H2↑。c(H+)的大小影响着该反应的反应速率。气泡变稀少了,是因为c(H+)减小了,反应速率减慢。添加一些适当浓度的硫酸溶液,由于溶液中c(H+)又迅速增大,因而反应速率加快,产生气泡的速率又加快了。
2.在恒压条件下,发生反应N2(g)+3H2(g)2NH3(g),向容器中通入氦气,化学反应速率如何变化?
减小。总压强不变,通入氦气体积增大,反应物的浓度减小,反应速率减小。
3.在恒容条件下,发生反应N2(g)+3H2(g)2NH3(g),向容器中通入氦气,化学反应速率如何变化?
不变。容器体积不变,通入氦气,反应物的浓度不变,反应速率不变。
【知识归纳总结】
1.内因
2.外因
在其他条件相同时,改变某一条件:
影响因素
影响结果
浓度
增大反应物的浓度,速率加快;
减小反应物的浓度,速率减慢
温度
升高温度,速率加快;
降低温度,速率减慢
压强
增大气态反应物的压强,速率加快;
减小气态反应物的压强,速率减慢
催化剂
使用催化剂能极大地加快反应速率
固体反应物
的表面积
增大固体反应物的表面积,化学反应速率加快;减小固体反应物的表面积,化学反应速率减慢
其他
形成原电池、使用合适的溶剂等也影响化学反应速率
点拨:(1)由于增大反应物浓度造成的反应速率减慢,此时要考虑常温下铁和铝在浓硫酸和浓硝酸中的钝化。例如,铁和稀硫酸生成氢气的反应,若将稀硫酸换成浓硫酸,发生钝化,反应不进行。
(2)中学阶段一般只讨论其他条件相同时,改变一个条件对化学反应速率的影响。
【典例2】下列条件一定能使化学反应速率增大的是( A )
①增加反应物的物质的量 ②升高温度
③缩小反应容器的体积 ④加入生成物
A.只有② B.②③
C.①② D.全部
【答案】A
【解析】
若增加固体反应物的物质的量,不会引起速率变化,①错;升温会使所有反应速率加快,②正确;缩小反应容器的体积,即增大压强,仅适用于有气体参加的反应,③错;加入固体生成物,不会引起速率变化,④错;所以选A。
(变式训练2)下列条件下的反应,放出氢气最快的是( )
金属(相同粉末状)
和物质的量(mol)
酸的浓度
和体积(mL)
反应
温度
A
Fe
0.1
3 mol·L-1 HCl
10
20 ℃
B
Al
0.1
3 mol·L-1 HCl
10
20 ℃
C
Cu
0.1
4 mol·L-1 H2SO4
10
20 ℃
D
Mg
0.1
6 mol·L-1 HNO3(稀)
10
20 ℃
【答案】B
【解析】
因决定化学反应速率的因素是反应物本身的性质,在上述金属中镁的活泼性最强,但硝酸与金属反应得不到氢气,4 mol·L-1 H2SO4中氢离子的浓度为8 mol·L-1,但Cu不与稀硫酸反应,金属与酸反应的本质是与氢离子反应,3 mol·L-1 HCl中氢离子的浓度为3 mol·L-1,Al比Fe活泼,所以放出氢气最快的是Al。
【效果检测】
1.(山东聊城·高一期末)化学在生活中的应用随处可见,下列措施不是为了改变化学反应速率的是
A.将食物存放在冰箱中 B.加工馒头时添加膨松剂
C.糕点包装袋内放置除氧剂 D.冶铁时将铁矿石粉碎
【答案】B
【详解】
A.食物存放在冰箱中,可降低温度,减缓食物氧化速率,与减小反应速率有关,故A不符合;
B.加工馒头时添加膨松剂,可使馒头疏松柔软,与改变反应速率无关,故B符合;
C.包装袋内放置除氧剂,可防止糕点被氧化,减缓食物氧化速率,与减小反应速率有关,故C不符合;
D.将铁矿石粉碎,可增大接触面积,可加快反应速率,与增大反应速率有关,故D不符合;
故选B。
2.(新疆伊犁·高一期末)在一定条件下发生反应:N2+3H22NH3,经2min后N2的物质的量浓度减小了0.4mol·L-1,则用H2表示的平均反应速率为
A.0.4mol·L-1·s-1 B.0.2mol·L-1·min-1
C.0.6mol·L-1·min-1 D.0.4mol·L-1·min-1
【答案】C
【详解】
经2min后N2的物质的量浓度减小了0.4mol·L-1,则v(N2)==0.2mol·L-1,不同物质表示的反应速率之比等于计量数之比,所以v(H2)=3v(N2)=0.6mol·L-1;
故答案为C。
3.(河北衡水·高一期中)下列措施中,不能加快化学反应速率的是
A.煤作燃料燃烧时,将煤块碾磨成煤粉
B.铝片与稀盐酸反应时,加入少量的蒸馏水
C.H2O2分解制取氧气时,加入适量的MnO2
D.合成氨厂制备氨气时,适当升高温度
【答案】B
【详解】
A.煤作燃料燃烧时,将煤块碾磨成煤粉,可以增大接触面积,加快化学反应速率,A项不选;
B.铝片与稀盐酸反应时,加入少量的蒸馏水,稀盐酸浓度降低,反应速率减慢,B项选;
C.H2O2分解制取氧气时,加入适量的MnO2,MnO2是催化剂,能加快化学反应速率,C项不选;
D.合成氨厂制备氨气时,适当升高温度,能加快化学反应速率,D项不选;
答案选B。
4.(黑龙江·大兴安岭实验中学高一期中)在某一化学反应中,反应物A的浓度在10s内从0.8mol·L-1变为0.2mol·L-1,则在这10s内A的化学反应速率为
A.0.02mol·L-1
B.0.02mol·L-1·s-1
C.0.06mol·L-1·s-1
D.0.06mol·L-1·min-1
【答案】C
【详解】
根据化学反应速率的计算公式,可得该反应的速率为v===0.06mol/(L·s),故选C。
5.(甘肃·舟曲县第一中学高一期末)已知某反应的各物质浓度数据如下:
据此可推算出上述反应化学方程式中,各物质的化学计量数之比是
A.9:3:4 B.3:1:2 C.2:1:3 D.3:2:1
【答案】B
【详解】
根据起始浓度和2s末浓度可知,∆c(A)=3.0mol/L-1.8mol/L =1.2mol/L,∆c(B)=1.0 mol/L-0.6 mol/L=0.4 mol/L,∆c(C)=0.8 mol/L,各物质浓度变化之比等于化学计量数之比,因此化学计量数之比=1.2:0.4:0.8=3:1:2;
故选B。
6.(福建·文博中学高一期中)下表中是各组反应的反应物和温度,反应刚开始时,放出H2速率最快的是
金属(粉末状)/mol
酸的浓度及体积
反应温度
A
Mg
0.1
6mol•L﹣1硝酸
10mL
60℃
B
Mg
0.1
3mol•L﹣1盐酸
10mL
60℃
C
Fe
0.1
3mol•L﹣1盐酸
10mL
60℃
D
Mg
0.1
3mol•L﹣1硫酸
10mL
60℃
【答案】D
【详解】
在其它条件不变的情况下,增大反应物浓度,或升高温度,或使用催化剂,或增大反应物的接触面积等均可以加快反应速率。由于硝酸是强氧化性酸,和金属反应得不到氢气。镁的活泼性强于铁,同浓度的硫酸和盐酸,硫酸中H+浓度大,所以反应放出氢气最快的是D,故选D。
7.(河北衡水·高一期中)对于反应C(s)+H2O(g)CO(g)+H2(g),现采取下列措施,其中能够使反应速率加快的措施是
A.恒容下充入氦气 B.增加碳的质量
C.缩小容器体积,增大压强 D.及时移出生成的CO
【答案】C
【详解】
A.恒容下充入氦气,反应速率不变,A项不选;
B.碳为固体,增加碳的质量,反应速率不变,B项不选;
C.缩小容器体积,增大压强,反应速率加快,C项选;
D.及时移出生成的CO,浓度减小,反应速率减小,D项不选;
答案选C。
8.(江苏·吴江市高级中学高一阶段练习)为了探究影响锌与盐酸反剧烈程度的因素,某学习小组设计了下列实验:
实验①(常温下)
实验②(常温下)
实验③
下列说法正确的是
A.对比实验①和②,可研究盐酸的浓度对反应剧列程度的影响
B.对比实验②和③,可研究盐酸的浓度对反应剧烈程度的影响
C.对比实验②和③,可研究温度对反应剧烈程度的影响
D.对比实验①和②,可研究温度对反应剧烈程度的影响
【答案】A
【详解】
A.对比实验①和②,锌的质量相同,稀盐酸的体积相同,反应条件相同,但稀盐酸的浓度不同,可研究盐酸的浓度对反应剧烈程度的影响;即10%的盐酸溶液比5%的稀盐酸反应更剧烈,故A正确;
B.对比实验②和③,锌的质量相同,稀盐酸的体积相同,因锌和稀盐酸反应的条件(温度)不同,稀盐酸的浓度不同,无法研究盐酸的浓度对反应剧烈程度的影响,故B错误;
C.对比实验②和③,锌的质量相同,稀盐酸的体积相同,但稀盐酸的浓度不同,无法研究温度对反应剧烈程度的影响,故C错误;
D.对比实验①和②,锌的质量相同,稀盐酸的体积相同,但稀盐酸的浓度不同,无法研究温度对反应剧烈程度的影响,故D错误;
故选:A。
9.(辽宁·大连市一0三中学高一期中)可使反应C(s)+CO2(g)=2CO(g)的反应速率增大的措施是:①增大压强 ②增加碳的用量 ③通入CO2 ④恒压下充入N2 ⑤恒容下充入N2 ⑥通入CO
A.①③⑤ B.②④⑥ C.①③⑥ D.③⑤⑥
【答案】C
【详解】
①由C(s)+CO2(g)=2CO(g)可知,增大压强,可增大反应速率,故①符合题意;
②由C(s)+CO2(g)=2CO(g)可知,碳为固体,增加碳的用量,对反应速率没有影响,故②不符合题意;
③由C(s)+CO2(g)=2CO(g)可知,通入CO2,反应物浓度增大,反应速率增大,故③符合题意;
④恒压下充入N2,体积增大,参加反应气体的浓度减小,反应速率减小,故④不符合题意;
⑤恒容下充入N2,参加反应气体的浓度不变,反应速率不变,故⑤不符合题意;
⑥由C(s)+CO2(g)=2CO(g)可知,通入CO,生成物浓度增大,反应速率增大,故⑥符合题意;
由上①③⑥符合题意,C选项正确;答案为C。
10.(广西·钦州一中高一期中)某小组设计如图所示实验探究影响H2O2分解速率的因素。下列分析错误的是
A.该实验探究的是温度对反应速率的影响
B.该实验要控制MnO2的质量、颗粒大小相同
C.实验中,H2O2的浓度越大越好
D.温度相同时,若用FeCl3代替MnO2,反应速率不相同
【答案】C
【详解】
A.两个装置中的变量是温度,所以该实验探究的是温度对反应速率的影响,A正确;
B.由于二氧化锰是催化剂,且探究的是温度对反应速率的影响,所以该实验要控制MnO2的质量、颗粒大小相同,B正确;
C.双氧水浓度过大,反应速率过快,不易控制,所以实验中H2O2的浓度不宜过大,C错误;
D.温度相同时,若用FeCl3代替MnO2,由于改变了催化剂,则反应速率不相同,D正确;
答案选C。
11.(新疆伊犁·高一期末)少量铁粉与100mL0.01mol·L-1的稀盐酸反应,反应速率太慢。为了加快此反应速率而不改变H2的产量,可以使用如下方法中的
①加H2O②适当升温③加NaOH固体④加NaCl溶液⑤滴入几滴硫酸铜溶液⑥改用10mL0.1mol/L盐酸
A.①③⑥ B.②⑥ C.③⑥ D.④⑤⑥
【答案】B
【分析】
为加快铁与盐酸的反应速率,可增大浓度,升高温度,形成原电池反应或增大固体的表面积,不改变生成氢气的总量,由于Fe不足,则铁的物质的量应不变,以此解答。
【详解】
①加水,稀释了盐酸的浓度,反应速率变慢,故①不符合题意;
②适当升温(不考虑盐酸挥发),反应速率加快,但铁的物质的量不变,所以生成氢气的物质的量不变,故②符合题意;
③加氢氧化钠固体,与盐酸反应,减少了盐酸的浓度,反应速率变慢,故③不符合题意;
④加NaCl溶液,相当于稀释盐酸浓度,反应速率变慢;故④不符合题意;
⑤滴入几滴硫酸铜溶液,铁把铜置换出来,形成原电池,反应速率加快,但与盐酸反应的铁减少,减少了产生氢气的量,故⑤不符合题意;
⑥改用10mL0.1mol/L盐酸,即增加了盐酸的浓度,反应速率加快,但铁的物质的量不变,所以生成氢气的物质的量不变,故⑥符合题意;
由上分析可知,②⑥符合加快反应速率而不改变H2的产量,B选项符合题意;答案为B。
12.(福建·泉州五中高一期中)现有反应3Fe(s)+4H2O(g)Fe3O4(s)+4H2(g),在一体积可调的密闭容器中进行,采取下列措施对其反应速率几乎无影响的是
A.保持容器内压强不变,增加H2的量
B.保持容器内压强不变,充入Ar
C.保持容器体积不变,充入Ar
D.将容器体积缩小一半
【答案】C
【详解】
A.保持容器内压强不变,增加H2的量,则容器的容积扩大,气体的浓度减小,化学反应速率减慢,A不符合题意;
B.保持容器内压强不变,充入Ar使容器的容积扩大,物质的浓度减小,化学反应速率减慢,B不符合题意;
C.保持容器体积不变,充入Ar,气体的浓度不变,因此反应速率不变,C符合题意;
D.将容器体积缩小一半,气体物质的浓度增大,化学反应速率加快,D不符合题意;
故合理选项是C。
13.(河南·辉县市第一高级中学高一阶段练习)将固体置于2L的密闭容器中,在恒温的条件下发生如下反应:,。2min时测得的浓度为,HBr的浓度为8,则上述反应中0~2min内生成的速率为
A.0.5 B.2
C.2.5 D.5
【答案】D
【详解】
此题为连锁反应,溴化铵分解生成的溴化氢又有一部分分解,故剩余的溴化氢的量为溴化铵分解生成的溴化氢的量减去分解的溴化氢的量,即c剩余(HBr)=c生成(HBr)-c分解(HBr),氢气的浓度为,则c分解(HBr)=2mol/L,HBr的的浓度为8,则c生成(HBr)=c分解(HBr)+c剩余(HBr)=10mol/L,溴化铵分解生成的氨气浓度与溴化氢浓度相等,则2min后溴化铵分解生成的氨气的浓度为:c(NH3)=c生成(HBr)=10mol/L,氨气的平均反应速率为:=5 mol/(L•min),答案选D。
14.(广东·广州市第八十九中学高一期中)在2A(g)+3B(g) = 2C(g)+D(g)反应中,表示反应速率最快的是
A.v(A)=0.5 mol/(Lmin) B.v(B)=0.6 mol/(Lmin)
C.v(C)=0.35 mol/(Lmin) D.v(D)=0.4 mol/(Lmin)
【答案】D
【分析】
根据化学反应速率之比等于化学计量数之比进行计算,以同一种物质的化学反应速率进行比较。
【详解】
A.v(A)=0.5 mol/(L·min),A错误;
B.v(B)=0.6 mol/(L·min),v(A)= 0.4 mol/(L·min),B错误;
C.v(C)=0.35 mol/(L·min),v(A)= 0.35 mol/(L·min),C错误;
D.v(D)=0.4 mol/(L·min),v(A)= 0.8 mol/(L·min),D正确;
故选D。
15.(河南·柘城县第四高级中学高一期末)反应在四种不同情况下的反应速率分别为:
① ②
③ ④
下列有关反应速率的比较中正确的是
A.④<③=②<① B.④>③>②>① C.④>③=②>① D.①>②>③>④
【答案】C
【详解】
不同物质表示的速率之比等于其化学计量数之比,故各物质表示的反应速率与其化学计量数之比越大,反应速率越快,①=0.0075mol•(L•s)-1②=0.20mol•(L•s)-1③=0.20mol•(L•s)-1④=0.2255mol•(L•s)-1反应速率④>③=②>①,故D正确;
答案:C。
16.(甘肃·兰州一中高一期中)足量的锌粉与100mL 0.2mol/L稀盐酸反应,为了减慢反应速率,但是又不影响生成的氢气总量,可以采取的措施共有多少种
①升温 ②加入适量醋酸钠固体 ③加入少量硫酸铜固体 ④再加入100mL 0.1mol/L稀盐酸 ⑤加入少量硫酸钠溶液 ⑥加适量水
A.2 B.3 C.4 D.5
【答案】B
【详解】
①升温加速化学反应速率,故①不符合题意;
②加入适量醋酸钠固体降低了溶液中氢离子的浓度,减慢反应速率,但是又不影响生成的氢气总量,故②符合题意;
③加入少量硫酸铜固体,溶解后与Zn形成原电池,加快了反应速率,故③不符合题意;
④再加入100mL 0.1mol/L稀盐酸相当于稀释了溶液中氢离子的浓度,减慢反应速率,但是酸量增多,生成的氢气总量增多了,故④不符合题意;
⑤加入少量硫酸钠溶液相当于稀释了酸的浓度,但总量没有改变,所以降低了溶液中氢离子的浓度,减慢反应速率,但是又不影响生成的氢气总量,故⑤符合题意;
⑥加适量水相当于稀释了酸的浓度,但总量没有改变,所以降低了溶液中氢离子的浓度,减慢反应速率,但是又不影响生成的氢气总量,故⑥符合题意;
故答案:B。
17.(湖北·襄阳市襄州区第一高级中学高一期末)某温度时,在4L的容器中,X、Y、Z三种物质的量随时间的变化曲线如图所示。
(1)由图中数据分析,该反应的化学方程式为:_______;
(2)反应从开始至2min内X的平均反应速率是:_______。
【答案】
(1)3Y + Z⇌2X (2)0.025mol·L-1·min-1
【解析】
(1)由图像可以看出,反应中Y、Z的物质的量减小,X的物质的量增多,则Y、Z为反应物,X为生成物,且Δn(Z):Δn(Y):Δn(X)=0.1mol:0.3mol:0.2mol=1:3:2,则反应的化学方程式为3Y+Z⇌2X,故答案为:3Y+Z⇌2X;
(2)由图像可以看出,v(X)==0.025mol·L-1·min-1,故答案为:0.025mol·L-1·min-1。
18.(吉林·乾安县第四中学高一期中)计算题
在2 L的密闭容器中,充入1 mol SO2和1 mol O2,在一定条件下发生反应:2SO2+O2⇌2SO3,当反应进行了10 s时,测得SO3的物质的量为0.6 mol,求:
(1)用SO2表示该化学反应速率为多少?_______。
(2)若改用O2表示化学反应速率又为多少?_______。
(3)若要提高反应速率为可采取的措施有哪些?______(写出一条即可)
【答案】
(1)0.03 mol/(L·s) (2)0.015 mol/(L·s) (3)增大反应物浓度、升高温度、增大压强等
【分析】
(1)当反应进行了10 s时,测得SO3的物质的量为0.6 mol,根据物质反应转化关系可知:10 s内SO2消耗的物质的量为0.6 mol,则用SO2表示该化学反应速率v(SO2)=;
(2)用不同物质表示反应速率时,速率比等于方程式中相应物质的化学计量数的比,则v(O2)=v(SO2)=0.015 mol/(L·s);
(3)若要提高反应速率为可采取的措施可以有:增大反应物浓度、升高温度、增大压强等。
19.(甘肃省临夏县中学高一期末)某温度下,在2L密闭容器中,X、Y、Z三种气态物质发生化学反应时,物质的量随时间变化的关系曲线如图所示:
(1)由图中的数据分析,该反应的化学方程式为___________。
(2)5min内用Z和Y表示的平均反应速率分别为___________、___________。
(3)化学反应速率受到很多因素的影响,如___________、___________。在本实验室制取氢气时一般用粗锌替代纯锌和稀硫酸反应,这是利用___________原理加快了氢气生成的速率。
【答案】
(1)3X+Y⇌3Z
(2) 0.06mol·L-1·min-1 0.02mol·L-1·min-1
(3) 温度 催化剂、浓度、表面积等 原电池
【分析】
(1)由图可知,反应中X、Y的物质的量减小,Z的物质的量增多,则X、Y为反应物,Z为生成物,且△n(X):△n(Y):△n(Z)=0.6mol:0.2mol:0.6mol=3:1:3,且5min达到平衡,为可逆反应,则反应化学方程式为3X+Y⇌3Z;
(2)5min内用Z表示的平均反应速率为,由反应速率与化学计量数成正比,;
(3)化学反应速率受到很多因素的影响,如温度、催化剂、浓度、表面积等;用粗锌替代纯锌和稀硫酸反应,这是利用原电池原理加快反应速率。
20.(甘肃·兰州一中高一期中)某研究性学习小组利用H2C2O4溶液和酸性KMnO4溶液之间的反应来探究“外界条件改变对化学反应速率的影响”,实验如下:(不考虑溶液混合引起的体积变化)
实验序号
实验温度/K
参加反应的物质
溶液颜色褪至无色时所需时间/s
KMnO4溶液(含硫酸)
H2C2O4溶液
H2O
V/mL
c/mol·L-1
V/mL
c/mol·L-1
V/mL
A
293
2.0
0.02
4.0
0.1
0
6
B
T1
2.0
0.02
3.0
0.1
V1
8
C
313
2.0
0.02
V2
0.1
1.0
t1
(1)通过实验A、B,可探究出浓度的改变对反应速率的影响,其中V1=___________,T1=___________,通过实验___________可探究出温度变化对化学反应速率的影响。
(2)C组实验中溶液褪色时间t1___________(填“>”或“<”或“=”)8s,C组实验的反应速率v(KMnO4)=___________。(用含有t1的式子表示)
(3)该小组的一位同学通过查阅资料发现,上述实验过程中n(Mn2+)随时间变化的趋势如图所示,并以此分析造成n(Mn2+)突变的可能的原因是___________。
(4)通过测定收集一定体积氢气所用的时间可以用于测定锌粒和稀硫酸反应的速率,于是某同学设计了如图所示的实验装置:
①装置中仪器A的名称为___________。
②定量分析:装置组装完成后需要先检查该装置的气密性。简述检查该装置气密性的方法
___________;实验时以收集到40mL气体为准,忽略其他可能影响实验的因素,实验中需要测量的数据是___________。
【答案】
(1) 1.0mL 293k B、C (2) <
(3)生成的Mn2+对反应有催化作用,使反应速率加快,单位时间内产生的n(Mn2+)突增
(4) 分液漏斗 闭分液漏斗活塞,拉动注射器,松手,注射器能恢复到原来的位置 收集40mL气体所需时间
【解析】
(1)因为实验A、B是探究出浓度的改变对反应速率的影响,所以温度需要相同即T1=293K,总溶液的体积也应该相等,所以V1=1 mL;根据表格可知:B与C只有温度不同,其他条件相同,所以通过B、C两个实验可探究出温度变化对化学反应速率的影响,故答案:1.0mL;293k;B、C。
(2)根据5H2C2O4+2MnO+6H+= 10CO2 +2Mn+8H2O和表中的数据可知,草酸过量,高锰酸钾完全反应,所以v= ,故答案:。
(3)由图可知,上述实验过程中n(Mn2+)随时间变化突然增大,可能是在反应过程中,生成的Mn2+对反应起了催化作用,使反应速率加快,使得单位时间内产生的n(Mn2+)突增;故答案:生成的Mn2+对反应有催化作用,使反应速率加快,单位时间内产生的n(Mn2+)突增。
(4)①由装置图可知:装置中仪器A为分液漏斗,故答案:分液漏斗。
②根据装置图采用关闭分液漏斗活塞,拉动注射器,松手,注射器能恢复到原来的位置的方法检查装置的气密性;为了测定锌粒和稀硫酸反应的速率,需要记录收集到40mL气体所用的时间,故答案:关闭分液漏斗活塞,拉动注射器,松手,注射器能恢复到原来的位置;收集40mL气体所需时间。
21.(北京·101中学高一期末)某化学小组为了研究外界条件对化学反应速率的影响,进行了如下实验:
(实验原理)2KMnO4+5H2C2O4+3H2SO4=K2SO4+2MnSO4+10CO2↑+8H2O
(实验内容及记录)
实验编号
室温下,试管中所加试剂及其用量/mL
室温下溶液颜色褪至无色所需时间/min
0.6mol/LH2C2O4溶液
H2O
0.04mol/LKMnO4溶液
3mol/L稀硫酸
1
3.0
2.0
3.0
2.0
4.0
2
2.0
3.0
3.0
2.0
5.2
3
1.0
4.0
3.0
2.0
6.4
请回答:
(1)根据上表中的实验数据,可以得到的结论是___________。
(2)利用实验1中数据计算,用KMnO4的浓度变化表示的反应速率为:υ(KMnO4)=________。
(3)实验中加入H2O的目的是___________。
(4)该小组同学根据经验绘制了n(Mn2+)随时间变化趋势的示意图,如图1所示。但有同学查阅已有的实验资料发现,该实验过程中n(Mn2+)随时间变化的趋势应如图2所示。
该小组同学根据图2所示信息提出了新的假设,并继续进行实验探究。
①该小组同学提出的假设:生成的Mn2+对该反应有催化作用。
②请你帮助该小组同学完成实验方案,并填写表中空白。
实验编号
室温下,试管中所加试剂及其用量/mL
再向试管中加入少量固体
室温下溶液颜色褪至无色所需时间/min
0.6mol/LH2C2O4溶液
H2O
0.04mol/LKMnO4溶液
3mol/L稀硫酸
4
3.0
2.0
3.0
2.0
__
t
③现象及结论:依据现象_____,得出该小组同学提出的假设成立。
【答案】
(1)其他条件相同时,增大H2C2O4浓度(或反应物浓度),反应速率增大
(2)3×10-3mol/(L·min)
(3)保证只有H2C2O4浓度不同,H2SO4和KMnO4的浓度均相同
(4) MnSO4 与实验1比较,溶液褪色所需时间短或所用时间(t)小于4.0min
【分析】
(1)从表中的实验数据可以看出,三次实验所用KMnO4、H2SO4的浓度都相同,但H2C2O4的浓度不同,H2C2O4的浓度越大,反应所用时间越短,由此可以得到的结论是:其他条件相同时,增大H2C2O4浓度(或反应物浓度),反应速率增大。答案为:其他条件相同时,增大H2C2O4浓度(或反应物浓度),反应速率增大;
(2)实验1中,在4min内,3.0mL0.04mol/LKMnO4溶液完全发生反应,所以用KMnO4的浓度变化表示的反应速率为:υ(KMnO4)== 3×10-3mol/(L·min)。答案为:3×10-3mol/(L·min);
(3)研究外界条件的改变对化学反应速率的影响时,我们通常只改变一个条件,由此可以看出,实验中加入H2O,可保证KMnO4和H2SO4的浓度不变,所以加入H2O的目的是:保证只有H2C2O4浓度不同,H2SO4和KMnO4的浓度均相同。答案为:保证只有H2C2O4浓度不同,H2SO4和KMnO4的浓度均相同;
(4)②因为实验研究的是Mn2+对反应是否有催化作用,而反应开始前,溶液中不含有Mn2+,所以可在反应物中加入可溶性锰盐,对比反应完成所需的时间,以判断反应速率的快慢,因此加入的少量固体为MnSO4。
③由前面分析可知,若Mn2+起催化作用,反应所需时间短,从而得出现象及结论为:依据现象“与实验1比较,溶液褪色所需时间短或所用时间(t)小于4.0min”,得出该小组同学提出的假设成立。答案为:MnSO4;与实验1比较,溶液褪色所需时间短或所用时间(t)小于4.0min。
【点睛】
比较外界条件对反应速率的影响时,若同时改变几个条件,我们很难判断是哪一条件对反应速率产生影响。
高中化学人教版 (2019)必修 第二册第七章 有机化合物第四节 基本营养物质学案及答案: 这是一份高中化学人教版 (2019)必修 第二册第七章 有机化合物第四节 基本营养物质学案及答案,共17页。学案主要包含了新知学习,知识进阶,问题探究,知识归纳总结,效果检测等内容,欢迎下载使用。
高中化学第七章 有机化合物第三节 乙醇与乙酸学案设计: 这是一份高中化学第七章 有机化合物第三节 乙醇与乙酸学案设计,共19页。学案主要包含了新知学习,知识进阶,问题探究,知识归纳总结,效果检测等内容,欢迎下载使用。
人教版 (2019)必修 第二册第四节 基本营养物质导学案: 这是一份人教版 (2019)必修 第二册第四节 基本营养物质导学案,共19页。学案主要包含了新知学习,知识进阶,问题探究,知识归纳总结,效果检测等内容,欢迎下载使用。

