山东省济南市长清区2023届中考数学专项突破模拟题库(二模)含解析
展开山东省济南市长清区2023届中考数学专项突破模拟题库(二模)
【原卷 1 题】 知识点 求一个数的算术平方根
【正确答案】
A
【试题解析】
1-1(基础) 4的算术平方根是( )
A.-2 B.2 C. D.
【正确答案】 B
1-2(基础) 9的算术平方根是( )
A.3 B. C. D.
【正确答案】 A
1-3(巩固) 的算术平方根是( )
A.8 B.±8 C. D.
【正确答案】 C
1-4(巩固) 的算术平方根为( )
A. B. C. D.
【正确答案】 B
1-5(提升) 若是169的算术平方根,是121的负的平方根,则(+)2的平方根为( )
A.2 B.4 C.±2 D.±4
【正确答案】 C
1-6(提升) 已知是二元一次方程组的解,则的算术平方根为( )
A.±2 B. C.2 D.4
【正确答案】 C
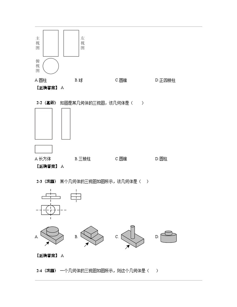
【原卷 2 题】 知识点 由三视图还原几何体
【正确答案】
C
【试题解析】
【分析】根据主视图、左视图、俯视图是分别对几何体从物体正面、左面和上面进行判断即可.
【详解】解:根据图中三视图可知该几何体是三棱柱.故选:C.
本题考查了由三视图确定几何体的形状,掌握三视图与原几何体之间的关系是解题的关键.
2-1(基础) 如图是某几何体的三视图,该几何体是( )
A.圆柱 B.球 C.圆锥 D.正四棱柱
【正确答案】 A
2-2(基础) 如图是某几何体的三视图,该几何体是( )
A.长方体 B.三棱柱 C.圆锥 D.圆柱
【正确答案】 A
2-3(巩固) 某个几何体的三视图如图所示,该几何体是( )
A. B. C. D.
【正确答案】 A
2-4(巩固) 一个几何体的三视图如图所示,则这个几何体是( )
A. B. C. D.
【正确答案】 C
2-5(提升) 如图是由10个同样大小的小正方体摆成的几何体.将小正方体①移走后,则关于新几何体的三视图描述正确的是( )
A.俯视图不变,左视图不变 B.主视图改变,左视图改变
C.俯视图不变,主视图不变 D.主视图改变,俯视图改变
【正确答案】 A
2-6(提升) 如图是由6个同样大小的正方体摆成的几何体.将正方体①移走后,所得几何体( )
A.主视图改变,左视图改变 B.俯视图不变,左视图不变
C.俯视图改变,左视图改变 D.主视图改变,左视图不变
【正确答案】 D
【原卷 3 题】 知识点 根据平行线的性质求角的度数,等腰三角形的性质和判定
【正确答案】
B
【试题解析】
3-1(基础) 如图,ABCD,点E在线段BC上,CD=CE.若∠D=75°,则∠B的度数为( )
A.50° B.40°
C.30° D.25°
【正确答案】 C
3-2(基础) 如图,,,垂足为,点在上,且,,则的度数为( )
A.32° B.58°
C.74° D.106°
【正确答案】 B
3-3(巩固) 如图,将一副直角三角尺重叠摆放,使得角的顶点与等腰直角三角形的直角顶点重合,且于点,与交于点,则的度数为( )
A. B. C. D.
【正确答案】 B
3-4(巩固) 在螳螂的示意图中,AB∥DE,△ABC是等腰三角形,∠ABC=124°,∠CDE=72°,则∠ACD=( )
A.16° B.28° C.44° D.45°
【正确答案】 C
3-5(提升) 如图所示,E,F分别在矩形ABCD的边BC,AB上,BF=3,BE=4,CE=3.AE与CF交于点P,且∠APC=∠AEB+∠CFB,则矩形ABCD的面积为( )
A.70 B.63 C.77 D.65.8
【正确答案】 A
3-6(提升) 如图,在中,,,CD是的平分线,点E在上,且,连接,则的度数为( )
A. B. C. D.
【正确答案】 D
【原卷 4 题】 知识点 用科学记数法表示绝对值大于1的数
【正确答案】
D
【试题解析】
4-1(基础) 根据国家统计局调查显示,2022年我国全年出生人口956万人,出生率为6.77‰,9560000用科学记数法可以表示为( )
A. B. C. D.
【正确答案】 C
4-2(基础) 中国互联网络显示,截止2020年6月,我国网民规模达940000000人,将数据940000000用科学记数法表示为( )
A.0.94×109 B.9.4×108 C.9.4×109 D.94×107
【正确答案】 B
4-3(巩固) 受疫情影响,2022年某县经济出现逆势增长,上半年该县生产总值约为11.7亿元,将数据11.7亿用科学记数法表示为( )
A. B. C. D.
【正确答案】 B
4-4(巩固) 某地区计划到2025年建成6470万亩高标准农田,其中6470万用科学记数法表示为( )
A. B. C. D.
【正确答案】 D
4-5(提升) 恩施生态旅游初步形成,2011年全年实现旅游综合收入9 086 600 000元,数9 086 600 000用科学记数法精确到千万是( )
A.9.09×109 B.9.087×1010 C.9.08×109 D.9.09×108
【正确答案】 A
4-6(提升) 年月日,搭载神舟十五号载人飞船的长征二号遥十五运载火箭在酒泉卫星发射中心发射,月日名航天员进驻中国空间站,会师神舟十四乘组,两个航天员乘组首次实现“太空会师”,神舟十五号飞船远地点高度约,近地点高度约,将数字用科学记数法并保留三位有效数字表示为( )
A. B. C. D.
【正确答案】 C
【原卷 5 题】 知识点 轴对称图形的识别,中心对称图形的识别
【正确答案】
D
【试题解析】
【分析】根据中心对称图形与轴对称图形的概念进行判断即可.
【详解】解:A、是轴对称图形,不是中心对称图形,故此选项不合题意;
B、既不是轴对称图形,也不是中心对称图形,故此选项不合题意;
C、既不是轴对称图形,也不是中心对称图形,故此选项不合题意;
D、既是轴对称图形,又是中心对称图形,故此选项符合题意;故选:D.
本题考查的是中心对称图形与轴对称图形的概念.轴对称图形的关键是寻找对称轴,图形两部分折叠后可重合,中心对称图形是要寻找对称中心,旋转180度后与自身重合.
5-1(基础) 下列图形是中心对称图形的是( )
A. B. C. D.
【正确答案】 D
5-2(基础) 加强生活垃圾管理,维护公共环境和节约资源是全社会公共的责任.我市将全面推行生活垃圾强制分类.下列四个垃圾分类标识中的图形是轴对称图形的是( )
A. B. C. D.
【正确答案】 D
5-3(巩固) 下列图形中,既是轴对称图形又是中心对称图形的是( )
A. B. C. D.
【正确答案】 D
5-4(巩固) 垃圾分类一小步,低碳生活一大步,垃圾桶上常有以下四种垃圾分类标识的图案,下列图案既是轴对称图形又是中心对称图形的是( )
A. B. C. D.
【正确答案】 A
5-5(提升) 将一张正方形纸片,按如图①,②的步骤,沿虚线对折两次,然后沿图③中的虚线剪去一个角得到图④,将图④展开铺平后的图形( )
A.是轴对称图形,但不是中心对称图形 B.是中心对称图形,但不是轴对称图形
C.不是轴对称图形,也不是中心对称图形 D.是中心对称图形,也是轴对称图形
【正确答案】 D
5-6(提升) 在下列四种图形变换中,本题图案不包含的变换是( )
A.位似 B.旋转 C.轴对称 D.平移
【正确答案】 A
【原卷 6 题】 知识点 异分母分式加减法
【正确答案】
A
【试题解析】
6-1(基础) 化简的结果是( )
A.x B.x-1 C.-x D.x+1
【正确答案】 A
6-2(基础) 化简的结果为( )
A. B.a C.3 D.
【正确答案】 A
6-3(巩固) 已知两个分式:,,其中x≠±2,则A与B的关系是( )
A.相等 B.互为倒数 C.互为相反数 D.A大于B
【正确答案】 C
6-4(巩固) 计算﹣a+1的正确结果是( )
A. B. C. D.
【正确答案】 A
6-5(提升) 化简等于( )
A. B. C.﹣ D.﹣
【正确答案】 B
6-6(提升) 计算,结果正确的是( )
A. B. C. D.
【正确答案】 D
【原卷 7 题】 知识点 求扇形面积,求其他不规则图形的面积
【正确答案】
D
【试题解析】
7-1(基础) 如图,点A、B、C是⊙O上的点,∠ACB=40°,⊙O的半径为3,则阴影部分的面积为( )
A.π B.2π C.3π D.4π
【正确答案】 B
7-2(基础) 半径为6,圆心角为的扇形面积为( )
A. B. C. D.
【正确答案】 B
7-3(巩固) 如图,已知点是以为直径的半圆的三等分点,圆的半径为1,则图中阴影部分的面积为( )
A. B. C. D.
【正确答案】 A
7-4(巩固) 如图,AB为半圆的直径,其中,半圆绕点B顺时针旋转,点A旋转到点的位置,则图中阴影部分的面积为( )
A. B. C. D.
【正确答案】 B
7-5(提升) 如图,⊙O中,AB=AC,∠ACB=75°,BC=1,则阴影部分的面积是( )
A.1+π B.π C.π D.1+π
【正确答案】 B
7-6(提升) 如图,点C是直径为4的半圆的中点,连接,分别以点B和C为圆心,以大于的长为半径作弧,两弧相交于点D,作直线交于点E,连接,则阴影部分的面积为( )
A. B. C. D.
【正确答案】 A
【原卷 8 题】 知识点 三角形内角和定理的应用,含30度角的直角三角形,其他问题(解直角三角形的应用)
【正确答案】
C
【试题解析】
8-1(基础) 某停车场入口的栏杆如图所示,栏杆从水平位置绕点O旋转到的位置,已知米,若栏杆的旋转角,则栏杆最外点A升高的高度为( )
A.米 B.米 C.米 D.米
【正确答案】 C
8-2(基础) 如图,小明为了测量遵义市湘江河的对岸边上B,C两点间的距离,在河的岸边与平行的直线上点A处测得,,已知河宽18米,则B,C两点间的距离为( )(参考数据:,,)
A.米 B.米 C.米 D.米
【正确答案】 C
8-3(巩固) 如图1是一个手机的支架,由底座、连杆和托架组成(连杆始终在同一平面内),垂直于底座且长度为的长度为的长度可以伸缩调整.如图2,保持不变,转动,使得,假如时为最佳视线状态,则此时的长度为(参考数据:)( )
A. B. C. D.
【正确答案】 C
8-4(巩固) 如图1是一台手机支架,图2是其侧面示意图,可分别绕点A,B转动,测量知.当转动到时,点C到的距离是( )(结果保留小数点后一位,参考数据:)
A. B. C. D.
【正确答案】 D
8-5(提升) 如图,在一块矩形ABCD区域内,正好划出5个全等的矩形停车位,其中EF=a米,FG=b米,∠AEF=30°,则AD等于( )
A.(a+b)米 B.(a+b)米
C.(a+b)米 D.(a+b)米
【正确答案】 A
8-6(提升) 如图,已知△ABC内接于半径为1的⊙O,∠BAC=θ(θ是锐角),则△ABC的面积的最大值为( )
A. B.
C. D.
【正确答案】 D
【原卷 9 题】 知识点 矩形的性质,相似三角形的判定与性质综合,求角的正弦值
【正确答案】
D
【试题解析】
9-1(基础) 如图,在平行四边形中::若,则( )
A. B. C. D.
【正确答案】 A
9-2(基础) 如图,在中,,于点,则下列结论不正确的是( ).
A. B.
C. D.
【正确答案】 C
9-3(巩固) 如图,在由边长为1的小正方形组成的网格中,点A,B,C,D都在这些小正方形的格点上,AB,CD相交于点E,则( )
A. B. C. D.
【正确答案】 A
9-4(巩固) 如图,在中,,于点,为上一点,使得.若,则( )
A. B. C. D.
【正确答案】 C
9-5(提升) 如图,在矩形中,,,平分,与对角线相交于点,是线段的中点,则下列结论中:①;②;③;④,正确的有( )个
A.1 B.2 C.3 D.4
【正确答案】 C
9-6(提升) 如图,已知E是正方形中边延长线上一点,且,连接和,与交于点N,F是的中点,连接交于点M,连接.有如下结论:①;②;③;④.其中正确的是( )
A.①②③ B.①③④ C.①②④ D.②③④
【正确答案】 B
【原卷 10 题】 知识点 判断三边能否构成直角三角形,其他问题(二次函数综合)
【正确答案】
C
【试题解析】
10-1(基础) 抛物线与轴的交点为,与轴的交点为,那么的面积为( )
A.30 B.40 C.50 D.60
【正确答案】 D
10-2(基础) 如图,二次函数的图象与轴交于点,两点,对称轴是直线,下列说法正确的是( )
A. B.当时,的值随的增大而增大
C.点的坐标为 D.
【正确答案】 D
10-3(巩固) 在平面直角坐标系内,已知点A(﹣1,0),点B(1,1)都在直线上,若抛物线y=ax2﹣x+1(a≠0)与线段AB有两个不同的交点,则a的取值范围是( )
A.a≤﹣2 B.a< C.1≤a<或a≤﹣2 D.﹣2≤a<
【正确答案】 C
10-4(巩固) 如图,在平面直角坐标系中,抛物线y=﹣x2+2x的顶点为A点,且与x轴的正半轴交于点B,P点为该抛物线对称轴上一点,则OP+AP的最小值为( ).
A. B. C.3 D.2
【正确答案】 C
10-5(提升) 已知A(−3,−2) ,B(1,−2),抛物线y=ax2+bx+c(a>0)顶点在线段AB上运动,形状保持不变,与x轴交于C,D两点(C在D的右侧),下列结论:
①c≥−2 ;
②当x>0时,一定有y随x的增大而增大;
③若点D横坐标的最小值为−5,点C横坐标的最大值为3;
④当四边形ABCD为平行四边形时,a=.
其中正确的是( )
A.①③ B.②③ C.①④ D.①③④
【正确答案】 D
10-6(提升) 在学习二次函数时,小明了解到二次函数的系数a,b,c对函数图象的影响,于是他尝试用自己所学解释函数的性质并得到以下结论,请你判断小明得到的这些结论中正确的是( )
①函数图象与轴交点为;②若,则有最小值为;③若,则当时,随的增大而减小;④若,则直线为任意实数)与函数图象的交点个数最多是4个.
A.①②③ B.①②④ C.①③ D.②④
【正确答案】 B
【原卷 11 题】 知识点 运用平方差公式分解因式
【正确答案】
【试题解析】
11-1(基础) 把多项式x2﹣16分解因式的结果为 _____.
【正确答案】
11-2(基础) 多项式分解因式的结果是______.
【正确答案】
11-3(巩固) 因式分解:___.
【正确答案】
11-4(巩固) 分解因式:(a﹣b)2﹣4b2=_____.
【正确答案】 (a+b)(a﹣3b)
11-5(提升) 分解因式:(a2+1)2﹣4a2=_____.
【正确答案】
11-6(提升) 如果m+n=1,那么代数式(+)•(m2﹣n2)的值为_____.
【正确答案】 3
【原卷 12 题】 知识点 列表法或树状图法求概率
【正确答案】
【试题解析】
12-1(基础) 从,,1,2四个数中随机取出一个数,其绝对值等于本身的概率为___________.
【正确答案】
12-2(基础) 如图是一个寻宝游戏的戴宝图,分别有“花朵”,“太阳”,“月亮”三种图案,宝物(只有一个)藏在“月亮”下的概率是_________.
【正确答案】
12-3(巩固) 在一个布袋中,装有除颜色外其他完全相同的2个红球和2个白球,如果从中随机摸出两个球,那么摸到的两个球颜色相同的概率是_____.
【正确答案】
12-4(巩固) 盒子里有3张形状、大小、质地完全相同的卡片,上面分别标着数字2,3,4,从中随机抽出1张后不放回,再随机抽出1张,则两次抽出的卡片上的数字之和为奇数的概率是____
【正确答案】
12-5(提升) 一只袋中装有三只完全相同的小球,三只小球上分别标有1,﹣2,3,把这只小球的标号数字记作一次函数y=kx+b中的k,然后放回袋中搅匀后,把这只小球的标号数字记作一次函数y=kx+b中的b.则一次函数y=kx+b的图象经过一,二,三象限的概率____.
【正确答案】
12-6(提升) 桌上放有完全相同的三张卡片,卡片上分别标有数字2,1,4,随机摸出一张卡片(不放回),其数字为p,随机摸出另一张卡片,其数字记为q,则满足关于x的方程x2+px+q=0有实数根的概率是_____.
【正确答案】 或0.5
【原卷 13 题】 知识点 多边形内角和问题
【正确答案】
【试题解析】
13-1(基础) 七边形内角和的度数是__________.
【正确答案】 900°或900度
13-2(基础) 如图是中国古代建筑中的一个正六边形的窗户,则它的内角和为 _____.
【正确答案】 720°或720度
13-3(巩固) 经过多边形的任意一个顶点的对角线将多边形分成了五个三角形,则多边形有___条边.
【正确答案】 7
13-4(巩固) 一个多边形的内角和是,则这个多边形的边数为________.
【正确答案】 10
13-5(提升) 如图,的度数为_____ .
【正确答案】 或360度
13-6(提升) 如图,六边形ABCDEF中,∠A=∠B=∠C=∠D=∠E=∠F,且AB+BC=11,FA﹣CD=3,则BC+DE=_____.
【正确答案】 14
【原卷 14 题】 知识点 增长率问题(一元二次方程的应用)
【正确答案】
10%
【试题解析】
14-1(基础) 某呼吸机制造商2020年一月份生产呼吸机1000台,2020年三月份生产呼吸机4000台,设二、三月份每月的平均增长率为x,根据题意,可列方程为_____.
【正确答案】 1000(1+x)2=4000.
14-2(基础) 某厂家今年一月份的口罩产量是万个,三月份的口罩产量是万个,若设该厂家一月份到三月份的口罩产量的月平均增长率为x.则所列方程为___________
【正确答案】
14-3(巩固) 某果园2011年水果产量为100吨,2013年水果产量为144吨,则该果园水果产量的年平均增长率为___________.
【正确答案】 20%
14-4(巩固) 为了加快发展新能源和清洁能源,助力实现“双碳”目标,大力发展高效光伏发电关键零部件制造.青岛某工厂今年第一季度生产某种零件的成本是20万元,由于技术升级改进,生产成本逐季度下降,第三季度的生产成本为万元,设该公司每个季度的下降率都相同.则该公司每个季度的下降率是__________.
【正确答案】
14-5(提升) 两年前生产1吨甲种药品的成本是5000元,生产1吨乙种药品的成本是6000元,随着生产技术的进步,现在生产1吨甲种药品的成本是3000元,生产1吨乙种药品的成本是3600元,则甲药品成本的年平均下降率___乙药品成本的年平均下降率(用“大于”“小于”或“等于”填空)
【正确答案】 等于.
14-6(提升) 某农户种植花生,原来种植的花生亩产量为200千克,出油率为50%(即每100千克花生可加工成花生油50千克).现在种植新品种花生后,每亩收获的花生可加工成花生油132千克,其中花生出油率的增长率是亩产量的增长率的二分之一.则新品种花生亩产量的增长率为________.
【正确答案】 20%.
【原卷 15 题】 知识点 从函数的图象获取信息,求一次函数解析式,其他问题(一次函数的实际应用)
【正确答案】
20##二十
【试题解析】
15-1(基础) 如图,梯形的上底是x,高是8,下底是15,面积是y,当x增加4时,y增加_________.
【正确答案】 16
15-2(基础) 国内航空规定,乘坐飞机经济舱旅客所携带行李的重量x(kg)与其运费y(元)之间是一次函数关系,其函数图象如图所示,那么,旅客携带的免费行李的最大重量为__________kg.
【正确答案】 20
15-3(巩固) 某市为提倡居民节约用水,自今年1月1日起调整居民用水价格.图中、分别表示去年、今年水费(元)与用水量()之间的关系.小雨家去年用水量为150,若今年用水量与去年相同,水费将比去年多_____元.
【正确答案】 210.
15-4(巩固) 疫苗接种,利国利民.甲、乙两地分别对本地各40万人接种新冠疫苗.甲地在前期完成5万人接种后,甲、乙两地同时以相同速度接种.甲地经过a天后接种人数达到30万人,由于情况变化,接种速度放缓,结果100天完成接种任务,乙地80天完成接种任务,在某段时间内,甲、乙两地的接种人数y(万人)与各自接种时间x(天)之间的关系如图所示,当乙地完成接种任务时,甲地已接种疫苗的人数为______万人.
【正确答案】 36
15-5(提升) 如图,已知a,b,c分别是Rt△ABC的三条边长,∠C=90°,我们把关于x的形如y=的一次函数称为“勾股一次函数”,若点P(1,)在“勾股一次函数”的图象上,且Rt△ABC的面积是5,则c的值是_____.
【正确答案】 5
15-6(提升) 秤是我国传统的计重工具.如图,可以用秤砣到秤纽的水平距离,来得出秤钩上所挂物体的重量.称重时,秤钩所挂物重为y(斤)是秤杆上秤砣到秤纽的水平距离x(厘米)的一次函数.下表中为若干次称重时所记录的一些数据:
x(厘米)
1
3
4
6
11
12
y(斤)
0.75
1.25
1.50
2.25
3.25
3.50
其中有一个y值记录错误,请排除后,利用正确数据确定当厘米时,对应的y为____斤.
【正确答案】 6.5或
【原卷 16 题】 知识点 相似三角形的判定与性质综合,根据正方形的性质与判定证明,已知正弦值求边长
【正确答案】
①②③④⑤
【试题解析】
16-1(基础) 如图,在中,,于点D,,,则BC的值为______________.
【正确答案】
16-2(基础) 如图,在中,于点,是边上一点,如果,,,则______.
【正确答案】 9
16-3(巩固) 如图,在等边中,,,,分别为边,上的点,将沿所在直线翻折,点落在点,得到三角形,则的面积为____________.
【正确答案】
16-4(巩固) 如图,在中,,点C关于直线AB的对称点为D点E为边AC上不与点A,C重合的动点,过点D作BE的垂线交BC于点F,则的值为________.
【正确答案】
16-5(提升) 如图,点O是正方形的中心,.中,,过点D.分别交于点G、M,连接.若, ,则的长______.
【正确答案】
16-6(提升) 如图(1),在中,,,边上的点D从顶点A出发,向顶点B运动,同时,边上的点E从顶点B出发,向顶点C运动,D,E两点运动速度的大小相等,设,,y关于x的函数图象如图(2),图象过点,则图象最低点的横坐标是______.
【正确答案】
【原卷 17 题】 知识点 求一个数的算术平方根,零指数幂,分数指数幂,求特殊角的三角函数值
【正确答案】
4
【试题解析】
17-1(基础) 计算:
【正确答案】
17-2(基础) 计算:.
【正确答案】
17-3(巩固) 计算:
【正确答案】 6
17-4(巩固) 计算:
【正确答案】
17-5(提升) 计算:
1、
2、已知是锐角,且,计算的值.
【正确答案】 1、
2、3
17-6(提升) 计算:
1、
2、
【正确答案】 1、(或)
2、
【原卷 18 题】 知识点 求不等式组的解集
【正确答案】
解集为﹣1<x<3,整数解为:0、1、2.
【试题解析】
18-1(基础) 解不等式组:
【正确答案】 ﹣1<x≤2
18-2(基础) 解不等式组
【正确答案】 1≤x<10
18-3(巩固) 解不等式组,并写出它的所有整数解.
【正确答案】 2<x≤3,整数解为:,0,1,2,3.
18-4(巩固) 解不等式组,并求它的所有整数解的和.
【正确答案】 −3⩽x<2,-5
18-5(提升) (1).
(2)把它的解集表示在数轴上,并求出这个不等式组的整数解.
【正确答案】 (1);(2)2,3.
18-6(提升) 解不等式或不等式组
(1)解不等式,并把解集在数轴上表示出来.
(2)解不等式组.
(3)解不等式组并写出它的整数解.
【正确答案】 (1)x>﹣1,数轴上表示见解析;(2)x<﹣6;(3)2<x≤6,不等式的整数解为3,4,5,6
【原卷 19 题】 知识点 全等的性质和SAS综合,利用菱形的性质证明
【正确答案】
19-1(基础) 如图,四边形是菱形,点、分别在边、的延长线上,且.连接、.
求证:.
【正确答案】 见解析
19-2(基础) 如图,在菱形ABCD中,对角线AC与BD交于点O,过点C作BD的平行线,过点D作AC的平行线,两直线相交于点E,判断四边形OCED的形状,并说明理由.
【正确答案】 平行四边形OCED是矩形,理由见解析.
19-3(巩固) 如图,四边形ABCD是菱形,E是BD上一点,AE的延长线交CD于点F.求证:∠AFD=∠ECB.
【正确答案】 见解析
19-4(巩固) 如图,在菱形中,、分别为边和上的点,且.连接、交于点.求证:.
【正确答案】 证明见解析.
19-5(提升) 如图,点P是菱形ABCD的对角线BD上一点,连结CP并延长,交AD于E,交BA的延长线点F.问:
(1)求证:△APE ∽△FPA.
(2)线段PC、PE、PF之间存在什么关系?说明理由.
【正确答案】 (1)见解析;(2),理由见解析
19-6(提升) 如图,在菱形中,点、分别在边、上,,连接、.
(1)求证:;
(2)点、分别是、上的点,若,,试判断四边形是什么图形,并证明你的结论.
【正确答案】 (1)详见解析;(2)四边形HEGF是矩形,证明详见解析
【原卷 20 题】 知识点 列表法或树状图法求概率,条形统计图和扇形统计图信息关联
【正确答案】
【试题解析】
20-1(基础) 某校决定午餐后免费供应水果以加强初中生体质.每名学生可在香蕉、苹果、梨子中任选一样,现从全校学生中随机抽取部分学生进行调查,并将调查结果绘制成了如图所示的统计图(部分信息未给出).已知被调查的男生人数为100人,选择梨子的女生人数是选择梨子的男生人数的2倍,选择香蕉的女生人数是选择苹果的女生人数的3倍.
1、求被调查学生的总人数;
2、补全条形统计图和扇形统计图.
【正确答案】 1、被调查学生的总人数为250人
2、补全条形统计图和扇形统计图见解析
20-2(基础) 为落实“双减”政策,某校利用课后服务开展了“书香校园”的读书活动,活动中,为了解学生对书籍种类(A:艺术类,B:科技类,C:文学类,D:体育类)的喜欢情况,在全校范围内随机抽取若干名学生,进行问卷调查(每个被调查的学生必须选择而且只能在这四种类型中选择一项)将数据进行整理并绘制成下面两幅不完整的统计图.
1、这次调查中,一共调查了___________名学生;
2、在扇形统计图中,“D”部分所对应的圆心角的度数为___________度;并补全条形统计图.
3、若全校有4800名学生,请估计喜欢B(科技类)的学生有多少名?
【正确答案】 1、200 2、,见解析
3、1680名
20-3(巩固) 某中学积极落实国家“双减”教育政策,决定增设“礼仪”“陶艺”“园艺”“厨艺”及“编程”等五门校本课程以提升课后服务质量,促进学生全面健康发展.学校面向七年级参与课后服务的部分学生开展了“你选修哪门课程?(要求必须选修一门且只能选修一门)”的随机问卷调查,并根据调查数据绘制了如下两幅不完整的统计图:请结合上述信息,解答下列问题:
1、共有_______名学生参与了本次问卷调查;
2、“陶艺”在扇形统计图中所对应的圆心角是_______度;
3、小刚和小强分别从“礼仪”“陶艺”“编程”这三门校本课程中任选一门,请用列表法或画树状图法求出两人恰好选到同一门课程的概率.
【正确答案】 1、
2、
3、小刚和小强两人恰好选到同一门课程的概率为
20-4(巩固) 2021年,“碳中和、碳达峰”成为高频热词.为了解学生对“碳中和、碳达峰”知识的知晓情况,某校团委随机对该校九年级部分学生进行了问卷调查,调查结果共分成四个类别:A表示“从未听说过”,B表示“不太了解”,C表示“比较了解”,D表示“非常了解”.根据调查统计结果,绘制成两种不完整的统计图.请结合统计图,回答下列问题.
1、参加这次调查的学生总人数为____________人;
2、扇形统计图中,B部分扇形所对应的圆心角是__________;
3、将条形统计图补充完整;
4、在D类的学生中,有2名男生和2名女生,现需从这4名学生中随机抽取2名“碳中和、碳达峰”知识的义务宣讲员,请利用画树状图或列表的方法,求所抽取的2名学生恰好是1名男生和1名女生的概率.
【正确答案】 1、40人 2、108°
3、见解析 4、
20-5(提升) 某中学决定在本校学生中,开展足球、篮球、羽毛球、乒乓球四种活动,为了了解学生对这四种活动的喜爱情况,学校随机调查了该校m名学生,看他们喜爱哪一种活动(每名学生必选一种且只能从这四种活动中选择一种),现将调查的结果绘制成的不完整的统计图(如图所示).
1、 ,
2、请补上全图中的条形统计图;
3、根据抽样调查的结果,请估算全校2000名学生中,大约有多少人喜爱踢足球;
4、在抽查的m名学生中,喜爱乒乓球的有10名同学(其中有4名女生,包括小花,小颖),现将喜爱打乒乓球的同学平均分成两组进行训练,且女生每组分两人,求小花、小颖能分在同一组的概率.
【正确答案】 1、100,15 2、图见解析
3、800人 4、
20-6(提升) 某中学举行了防疫知识竞赛,为了解学生竞赛成绩的情况,该校随机抽取了部分参赛学生,根据成绩(单位:分)分成:E(),D(),C(),B(),A()五个组,并绘制了如图1和图2所示的统计图.
请根据图中提供的信息,回答下列问题.
1、本次随机调查的学生有___________人,___________;
2、补全图1中的统计图,并求扇形统计图中E组所占扇形圆心角的度数;
3、学校决定在A组4名学生(3男1女)中随机选取两名学生走进社区进行防疫知识宣传,求恰好选中一男一女的概率是多少;
4、若全校共有2000名学生,成绩大于或等于80分为优秀,请你估计该校举行的防疫知识竞赛,成绩优秀的学生有多少人?
【正确答案】 1、40,20 2、图见解析,
3、
4、人
【原卷 21 题】 知识点 仰角俯角问题(解直角三角形的应用),坡度坡比问题(解直角三角形的应用)
【正确答案】
(1)9m (2)24m
【试题解析】
21-1(基础) 如图,学校教学楼附近有一个斜坡,王老师发现教学楼在水平地面与斜坡处形成的投影中,在斜坡上的影子,坡角点到楼房的距离,在点处观察点的仰角为,已知坡角为,请帮王老师求出楼房的高度.
【正确答案】 楼房AB的高度为.
21-2(基础) 如图,一座山的一段斜坡的长度为米,且这段斜坡的坡度.已知在地面B处测得山顶A的仰角为,在斜坡D处测得山顶A的仰角为.求山顶A到地面的高度是多少米?
【正确答案】 米
21-3(巩固) 如图,线段表示一信号塔,表示一斜坡,.且三点在同一水平线上,点在同一平面内,斜坡的坡比为,米.某人站在坡顶处测得塔顶点的仰角为,站在坡底处测得塔顶点的仰角为(人的身高忽略不计).
1、求的长;
2、求信号塔的高度.(结果精确到1米)(参考数据:,,,)
【正确答案】 1、36米 2、113米
21-4(巩固) 教育部颁布的《基础教育课程改革纲要》要求每位学生每学年都要参加社会实践活动,某学校组织了一次测量探究活动.如图,某大楼的顶部竖有一块广告牌,小明与同学们在山坡的坡脚A处测得广告牌底部D的仰角为,沿坡面向上走到B处测得广告牌顶部C的仰角为,已知山坡的坡度,米,米.(测角器的高度忽略不计,结果精确到米,参考数据,,)
1、求点B距水平地面的高度;
2、若市政规定广告牌的高度不得大于7米,请问该公司的广告牌是否符合要求,并说明理由.
【正确答案】 1、点B距水平地面的高度为5米
2、该公司的广告牌不符合要求,理由见解析
21-5(提升) (1)近年来,我市大力发展城市快速交通,小王开车从家到单位有两条路线可选择,路线A为全程25km的普通道路,路线B包含快速通道,全程30km,走路线B比走路线A平均速度提高50%,时间节省6min,求走路线B的平均速度;
(2)如图,在距某居民楼AB楼底B点左侧水平距离60m的C点处有一个山坡,山坡CD的坡度(或坡比)i=1:0.75,山坡坡底C点到坡顶D点的距离CD=50m,在坡顶D点处测得居民楼楼顶A点的仰角为28°,居民楼AB与山坡CD的剖面在同一平面内,求居民楼AB的高度.(参考数据:sin28°≈0.47,cos28°≈0.88,tan28°≈0.53)
(3)已知飞机着陆后滑行的距离y(单位:m)关于滑行时间t(单位:s)的函数解析式是y=60t﹣t2,求在飞机着陆滑行中最后4s滑行的距离.
【正确答案】 (1)75km/h;(2)87.7m;(3)在飞机着陆滑行中最后4s滑行的距离为24米
21-6(提升) 如图,坡的坡度为,坡面长26米,,现计划在斜坡中点D处挖去部分坡体(用阴影表示)修建一个平行于水平线的平台和一条新的斜坡(请将下面两小题的结果都精确到米,参考数据:).
1、若修建的斜坡的坡角(即)恰为,则此时平台的长为多少米?
2、坡前有一建筑物,小明在D点测得建筑物顶部H的仰角为30°,在坡底A点测得建筑物顶部H的仰角为60°,点B、C、A、G、H在同一平面内,点C、A、G在同一条水平直线上,问建筑物高为多少米?
【正确答案】 1、7米 2、建筑物高约为米.
【原卷 22 题】 知识点 相似三角形的判定与性质综合,切线的性质和判定的综合应用
【正确答案】
【试题解析】
22-1(基础) 如图,AB是半圆O的直径,点P是BA延长线上一点,PC是⊙O的切线,切点为C,过点B作BD⊥PC交PC的延长线于点D,连接BC.求证:
(1)∠PBC=∠CBD;
(2)=AB•BD.
【正确答案】 (1)证明见解析;(2)证明见解析.
22-2(基础) 如图,BE是⊙O的直径,点A和点D是⊙O上的两点,过点A作⊙O的切线交BE延长线于点C.
(1)若∠ADE=28°,求∠C的度数;
(2)若AC=2,CE=2,求⊙O半径的长.
【正确答案】 (1)34°;(2)2
22-3(巩固) 已知在Rt△ABC中,∠C=90°;以斜边AB上的一点O为圆心作圆O,与AC、BC分别相切与点D、E.
(1)求证:CD=CE;
(2)若AC=8,AB=10;求AD的长.
【正确答案】 (1)见解析;(2)
22-4(巩固) 如图,AD是⊙O的直径,AB为⊙O的弦,OP⊥AD,OP与AB的延长线交于点P,过点B的切线交OP于点C.
(1)求证:∠CBP=∠ADB;
(2)若OA=6,AB=4,求线段BP的长.
【正确答案】 (1)见解析;(2)
22-5(提升) 如图,点P为正方形ABCD的对角线AC上的一点,连接BP并延长交CD于点E,交AD的延长线于点F,⊙O是△DEF的外接圆,连接DP.
(1)求证:DP是⊙O的切线;
(2)若tan∠PDC=,正方形ABCD的边长为4,求⊙O的半径和线段OP的长.
【正确答案】 (1)见解析;(2)⊙O的半径,.
22-6(提升) 如图,O为∠MBN角平分线上一点,⊙O与BN相切于点C,连结CO并延长交BM于点A,过点A作AD⊥BO于点D.
(1)求证:AB为⊙O的切线;
(2)若BC=6,tan∠ABC=,求AD的长.
【正确答案】 (1)见解析;(2)AD=2.
【原卷 23 题】 知识点 分式方程的实际应用,最大利润问题(一次函数的实际应用)
【正确答案】
【试题解析】
23-1(基础) 济南市为了治理城市污水,需要铺设一段全长为300米的污水排放管道,铺设120米后,为了尽可能减少施工对城市交通所造成的影响,后来每天的工作量比原计划增加20%,结果共用了9天完成了这一任务,求原计划每天铺设管道多少米?
【正确答案】 30米
23-2(基础) 为了加强学生球类运动的训练,某学校计划购买篮球和排球共30个,已知每个篮球80元,每个排球60元,设购买排球x个,购买排球和篮球的总费用为y元
(1)求y与x的函数表达式;
(2)如果要求篮球的个数不少于排球个数的5倍,应如何购买才能使总费用最少?最少费用是多少?
【正确答案】 (1);
(2)购买排球5个,篮球25个,最小值为2300.
23-3(巩固) 某超市经销甲、乙两种品牌的洗衣液,进货时发现,甲品牌洗衣液每瓶的进价比乙品牌高6元,用1800元购进甲品牌洗衣液的数量是用1800元购进乙品牌洗衣液数量的.销售时,甲品牌洗衣液的售价为36元/瓶,乙品牌洗衣液的售价为28元/瓶.
(1)求两种品牌洗衣液的进价;
(2)若超市需要购进甲、乙两种品牌的洗衣液共120瓶,且购进两种洗衣液的总成本不超过3120元,超市应购进甲、乙两种品牌洗衣液各多少瓶,才能在两种洗衣液完全售出后所获利润最大?最大利润是多少元?
【正确答案】 (1)甲品牌洗衣液进价为30元/瓶,乙品牌洗衣液进价为24元/瓶;
(2)购进甲品牌洗衣液40瓶,乙品牌洗衣液80瓶时所获利润最大,最大利润是560元
23-4(巩固) 时代的到来,给人类生活带来巨大改变.现有A,B两种型号的手机,B手机的进价比A手机高500元,某营业厅购进A手机花费了18000元,购买B手机花费了10500元,购进A手机的数量是购进B手机的数量的2倍.
1、A,B两种型号手机的进价各是多少?
2、若A手机的售价为3400元/部,B手机的售价为4000元/部.营业厅再次购进A,B两种型号手机共30部,其中B型手机的数量不多于A型手机数量的2倍,请设计一个方案:营业厅再次购进两种型号手机各多少部时获得最大利润,最大利润是多少?
【正确答案】 1、型号手机进价为3000元/部,型号手机进价为3500元/部
2、当营业厅再次购进A型号手机各10部,B型号售价20部时获得最大利润,最大利润14000元
23-5(提升) 某电脑公司经销甲种型号电脑,受经济危机影响,电脑价格不断下降.今年三月份的电脑售价比去年同期每台降价1000元,如果卖出相同数量的电脑,去年销售额为10万元,今年销售额只有8万元.
(1)今年三月份甲种电脑每台售价多少元?
(2)为了增加收入,电脑公司决定再经销乙种型号电脑,已知甲种电脑每台进价为3500元,乙种电脑每台进价为3000元,公司预计用不多于5万元且不少于4.8万元的资金购进这两种电脑共15台,有几种进货方案?
(3)如果乙种电脑每台售价为3800元,为打开乙种电脑的销路,公司决定每售出一台乙种电脑,返还顾客现金元,要使(2)中所有方案获利相同,值应是多少?此时,哪种方案对公司更有利?
【正确答案】 (1)甲种电脑今年每台售价4000元;
(2)共有5种进货方案;
(3)购买甲种电脑6台,乙种电脑9台时对公司更有利.
23-6(提升) 疫情期间,为满足市民的防护需求,某医药公司想要购买A、B两种口罩,在进行市场调研时发现:A型口罩比B型口罩每包进价多了10元,用68000元购买A型口罩的包数是用32000元购买B型口罩包数的2倍.
(1)A、B型口罩进价分别为每包多少元?
(2)若该公司计划购买A、B型口罩共200包,其中A型口罩的包数不大于B型口罩的包数,且用于购买A型口罩的钱数多于购买B型口罩的钱数.设购买A型口罩x包,则符合条件的进货方案共多少种?(包数均为整数,不用列出方案)
(3)在(2)的条件下,已知该公司A型口罩的售价为240元/包,B型口罩的售价为220元/包.假设所有口罩均能全部售出,请求出采用哪种方案时,该公司获得的收益最大?最大收益为多少?
【正确答案】 (1)A型口罩每件的进价为170元,B型口罩每件的进价为160元;
(2)符合条件的进货方案共4种;
(3)当购买A型口罩100件,B型口罩100件时,该公司获得的收益最大,最大收益为13000元.
【原卷 24 题】 知识点 反比例函数与几何综合,相似三角形——动点问题,解直角三角形
【正确答案】
【试题解析】
24-1(基础) 如图,一次函数的图象与轴、轴分别相交于、两点,与反比例函数的图象相交于点.
1、求反比例函数的表达式;
2、点的横坐标为,过点作轴平行线,交反比例函数的图象于点,连接 求的面积.
【正确答案】 1、 2、
24-2(基础) 如图,矩形的顶点O与坐标原点重合,点C在x轴上,点A在对角线OB上,且,.反比例函数的图象经过点A,交,于点M,N,,连接,,.
1、求反比例函数的解析式及点N的坐标;
2、若点P在x轴上,且的面积与四边形的面积相等,求点P的坐标.
【正确答案】 1、反比例函数的解析式为,点N的坐标为
2、点P的坐标为或
24-3(巩固) 图,在平面直角坐标系中,矩形的顶点的坐标为,,分别落在轴和轴上,是矩形的对角线,将绕点逆时针旋转,使点落在轴上,得到,与相交于点,反比例函数的图象经过点,交于点.
1、求的值及反比例函数表达式.
2、在x轴上是否存在一点M,使的值最大?若存在,求出点M;若不存在,说明理由.
3、在线段上存在这样的点P,使得是等腰三角形,请直接写出的长.
【正确答案】 1、; 2、存在;M(5,0)
3、或或
24-4(巩固) Rt△ABC在直角坐标系内的位置如图所示,反比例函数y=(k≠0)在第一象限内的图象与BC边交于点D(4,1),与AB边交于点E(2,n).
(1)求反比例函数的解析式和n值;
(2)当=时,求直线AB的解析式;
(3)设P是线段AB边上的点,在(2)的条件下,是否存在点P,以B、C、P为顶点的三角形与△EDB相似?若存在,请直接写出此时点P的坐标;若不存在,请说明理由.
【正确答案】 (1),n=2;(2);(3)(1,),
24-5(提升) 如图1,点P为∠MON的平分线上一点,以P为顶点的角的两边分别与射线OM,ON交于A,B两点,如果∠APB绕点P旋转时始终满足OA•OB=OP2,我们就把∠APB叫做∠MON的智慧角.
(1)如图2,已知∠MON=90°,点P为∠MON的平分线上一点,以P为顶点的角的两边分别与射线OM,ON交于A,B两点,且∠APB=135°.求证:∠APB是∠MON的智慧角.
(2)如图1,已知∠MON=α(0°<α<90°),OP=2.若∠APB是∠MON的智慧角,连结AB,用含α的式子表示∠APB的度数.
(3)如图3,C是函数 图象上的一个动点,过C的直线CD分别交x轴和y轴于A,B两点,且满足BC=2CA,请求出∠AOB的智慧角∠APB的顶点P的坐标.
【正确答案】 (1)详见解析;(2)∠APB=180°﹣α;(3)点P的坐标为:,或.
24-6(提升) 正方形的边长为4,,交于点E.在点A处建立平面直角坐标系如图所示.
1、如图(1),双曲线过点E,完成填空:点C的坐标是___________.点E的坐标是___________,双曲线的解析式是___________;
2、如图(2),双曲线与,分别交于点M,N(反比例图像不一定过点E).求证;
3、如图(3),将正方形向右平移个单位长度,使过点E的双曲线与交于点P.当是以为腰的等腰三角形时,求m的值.
【正确答案】 1、,
2、证明见解析 3、2或
【原卷 25 题】 知识点 全等三角形的性质,用SAS直接证明三角形全等
【正确答案】
【试题解析】
25-1(基础) 如图,点B、C、E、F在同一直线上,点A、D在BC的异侧,AB=CD,BF=CE,∠B=∠C.
1、△ABE和△DCF全等吗?请说明理由;
2、若∠A+∠D=144°,∠C=30°,求∠CFD的度数.
【正确答案】 1、见解析; 2、102°.
25-2(基础) 如图,在和中,,,;延长至点,使;延长至点,使.连接,,,.延长交于点.
(1)求证:;
(2)求证:.
【正确答案】 (1)证明见解析;(2)证明见解析
25-3(巩固) 如图,△ABC是等腰直角三角形,∠ACB=90°,AC=BC=6,D在线段BC上,E是线段AD的一点.现以CE为直角边,C为直角顶点,在CE的下方作等腰直角△ECF,连接BF.
(1)如图1,求证:AE=BF;
(2)当A、E、F三点共线时,如图2,若BF=2,求AF的长;
(3)如图3,若∠BAD=15°,连接DF,当E运动到使得∠ACE=30°时,求△DEF的面积.
【正确答案】 (1)见解析;(2)AF=2;(3)S△EDF=3﹣3.
25-4(巩固) 已知:如图,、都是等边三角形,、相交于点,点、分别是线段、的中点.
(1)求证:;
(2)求的度数;
(3)试判断的形状,并说明理由.
【正确答案】 (1)见解析;(2)60°;(3)等边三角形,理由见解析
25-5(提升) 如图1,在和中,,,点D是线段上一动点,连接.
1、填空:①的值为 ;②的度数为 .
2、类比探究:如图2,在和中,,,点D是线段上一动点,连接.请求出的值及的度数,并说明理由.
3、拓展延伸:如图3,在和中,,,点D是线段上一动点,连接,P为中点.若,,在点D从A点运动到B点的过程中,请直接写出点P经过的路径长.
【正确答案】 1、①1;②;
2、,见解析
3、
25-6(提升) 某校数学兴趣学习小组在一次活动中,对一些特殊几何图形具有的性质进行了如下探究:
1、发现问题:如图1,在等腰中,,点是边上任意一点,连接,以为腰作等腰,使,,连接.求证:.
2、类比探究:如图2,在等腰中,,,,点是边上任意一点,以为腰作等腰,使,.在点运动过程中,是否存在最小值?若存在,求出最小值,若不存在,请说明理由.
3、拓展应用:如图3,在正方形中,点是边上一点,以为边作正方形,是正方形的中心,连接.若正方形的边长为,,求的面积.
【正确答案】 1、见解析 2、存在最小值,最小值为4
3、
【原卷 26 题】 知识点 求一次函数解析式,解直角三角形,面积问题(二次函数综合),特殊四边形(二次函数综合)
【正确答案】
【试题解析】
26-1(基础) 如图,在平面直角坐标系中,抛物线与x轴交于A、B两点(点A在点B的左侧),与y轴交于C,点.
1、求抛物线的表达式;
2、若点P在抛物线上,且在线段的上方,的面积为3,求点P的坐标.
【正确答案】 1、 2、或
26-2(基础) 如图,抛物线与x轴相交于A(-1,0),B(3,0)两点,与y轴相交于点C,且OC=3.
1、求抛物线的表达式;
2、若点N是第一象限内抛物线上的一个动点,连接BN、CN,求BCN面积的最大值及此时点N的坐标.
【正确答案】 1、
2、,
26-3(巩固) 如图,已知抛物线经过A(1,0),B(0,3)两点,对称轴是x=﹣1.
(1)求抛物线对应的函数关系式;
(2)动点Q从点O出发,以每秒1个单位长度的速度在线段OA上运动,同时动点M从M从O点出发以每秒3个单位长度的速度在线段OB上运动,过点Q作x轴的垂线交线段AB于点N,交抛物线于点P,设运动的时间为t秒.
①当t为何值时,四边形OMPQ为矩形;
②△AON能否为等腰三角形?若能,求出t的值;若不能,请说明理由.
【正确答案】 (1);(2)①;②能,或或1﹣.
26-4(巩固) 如图1,抛物线与轴交于点、(点在点左侧),与轴交于点,点是抛物线上一个动点,连接
1、求抛物线的函数表达式;
2、如图2所示,当点在直线上方运动时,连接,求四边形面积的最大值,并写出此时点坐标.
3、若点是轴上的一个动点,点是抛物线上一动点,的横坐标为.试判断是否存在这样的点,使得以点为顶点的四边形是平行四边形,若存在,请直接写出点的坐标;若不存在,请说明理由.
【正确答案】 1、
2、时,有最大值,最大值为,点的坐标为
3、存在,点的坐标为或或或
26-5(提升) 如图,在平面直角坐标系中,抛物线y=x2+bx+c经过点A(﹣4,0),点M为抛物线的顶点,点B在y轴上,且OA=OB,直线AB与抛物线在第一象限交于点C(2,6).
1、求抛物线的解析式及顶点M的坐标;
2、求直线AB的函数解析式及sin∠ABO的值;连接OC.若过点O的直线交线段AC于点P,将三角形AOC的面积分成1:2的两部分,请求出点P的坐标;
3、在坐标平面内是否存在点N,使以点A、O、C、N为顶点的四边形是平行四边形?若存在,请直接写出点N的坐标;若不存在,请说明理由.
【正确答案】 1、y=x2+2x,(﹣2,﹣2) 2、(﹣2,2)或(0,4)
3、存在,N的坐标为:(6,6)或(﹣2,6)或(﹣6,﹣6)
26-6(提升) 如图,抛物线y=ax2+bx+c的图象经过点A(﹣2,0),点B(4,0),点D(2,4),与y轴交于点C,作直线BC,连接AC,CD.
(1)求抛物线的函数表达式;
(2)E是抛物线上的点,求满足∠ECD=∠ACO的点E的坐标;
(3)点M在y轴上且位于点C上方,点N在直线BC上,点P为第一象限内抛物线上一点,若以点C,M,N,P为顶点的四边形是菱形,求菱形的边长.
【正确答案】 (1)y=﹣x2+x+4;(2)点E的坐标为(1,),(3,);(3)菱形的边长为4﹣4.
答案解析
1-1【基础】 【正确答案】 B
【试题解析】 分析:
根据算数平方根的意义求解.
详解:
∵22=4,
∴4的算术平方根是2.
故选:B.
点睛:
本题考查了算术平方根的概念,理解算术平方根的定义:一个数的平方等于,这个数是的平方根,平方根中正的平方根叫算术平方根是解题的关键.
1-2【基础】 【正确答案】 A
【试题解析】 分析:
根据,即可得出9的算术平方根.
详解:
因为,
所以,
故选:A.
点睛:
本题主要考查了算术平方根的判断,掌握定义是解题的关键.
1-3【巩固】 【正确答案】 C
【试题解析】 分析:
先化简,再求算术平方根即可.
详解:
=8,
8的算术平方根是2,
即的算术平方根是2.
故选择:C.
点睛:
本题考查一个数的算术平方根的算术平方根,掌握求算式的平方根,一定要把算式化简得到结果后再求是解题关键.
1-4【巩固】 【正确答案】 B
【试题解析】 分析:
先求得的值,再继续求所求数的算术平方根即可.
详解:
解:∵=2,2的算术平方根是,
∴的算术平方根是,
故选B.
点睛:
此题主要考查了算术平方根的定义,解题时应先明确是求哪个数的算术平方根,否则容易出现选A的错误.
1-5【提升】 【正确答案】 C
【试题解析】 分析:
求出m、n的值,求出m+n的值,再根据平方根定义求出即可.
详解:
解:∵m是169的算术平方根,n是121的负的平方根,
∴m=13,n=-11,
∴m+n=2,
∴(m+n)2的平方根是±=±2,
故答案为C.
点睛:
本题主要考查了平方根的定义和性质,以及根据平方根求被开方数;注意:一个正数有两个平方根,它们互为相反数.
1-6【提升】 【正确答案】 C
【试题解析】 分析:
把x与y的值代入方程组求出m与n的值,即可求出所求.
详解:
∵是二元一次方程组的解,
∴,
解得
∴
即的算术平方根为2
故选C.
点睛:
此题考查了解二元一次方程组,以及算术平方根,熟练掌握运算法则是解本题的关键.
2-1【基础】 【正确答案】 A
【试题解析】 分析:
由主视图和左视图确定是柱体,锥体还是球体,再由俯视图确定具体形状.
详解:
解:主视图和左视图都是长方形,那么此几何体为柱体,由俯视图为圆,可得此几何体是圆柱.
故选:A.
点睛:
此题考查了由三视图判断几何体,主视图和左视图的大致轮廓为三角形的几何体为锥体.
2-2【基础】 【正确答案】 A
【试题解析】 分析:
结合长方体的三视图特征判断即可;
详解:
解:∵长方体的三视图都是长方形;三棱柱的三视图中有三角形;圆锥和圆柱的三视图中有圆;
∴该几何体符合长方体的三视图特征,
故选: A.
点睛:
本题考查了三视图:在正面内得到的由前向后观察物体的视图,叫做主视图;在水平面内得到的由上向下观察物体的视图,叫做俯视图;在侧面内得到的由左向右观察物体的视图,叫做左视图;掌握常见几何体的三视图特征是解题关键.
2-3【巩固】 【正确答案】 A
【试题解析】 分析:
由三视图可知:该几何体为上下两部分组成,上面是一个圆柱,下面是一个长方体.
详解:
解:由三视图可知:该几何体为上下两部分组成,上面是一个圆柱,下面是一个长方体且圆柱的高度和长方体的高度相当.
故选:.
点睛:
本题考查了由三视图判断几何体的知识,解题的关键是具有较强的空间想象能力,难度不大.
2-4【巩固】 【正确答案】 C
【试题解析】 分析:
主视图、左视图、俯视图是分别从物体正面、左面和上面看,所得到的图形.
详解:
解:由于主视图和左视图为长方形可得此几何体为柱体,
由俯视图为四边形,只有C符合条件;
故选:C.
点睛:
本题考查由三视图想象立体图形.做这类题时要借助三种视图表示物体的特点,从主视图上弄清物体的上下和左右形状;从俯视图上弄清物体的左右和前后形状;从左视图上弄清楚物体的上下和前后形状,综合分析,合理猜想,结合生活经验描绘出草图后,再检验是否符合题意.
2-5【提升】 【正确答案】 A
【试题解析】 分析:
结合几何体的形状,结合三视图可得出俯视图和左视图没有发生变化.
详解:
将正方体①移走后,
新几何体的三视图与原几何体的三视图相比,俯视图和左视图没有发生改变,主视图发生了改变,
故选A.
点睛:
本题考查了简单组合体的三视图,根据题意正确掌握三视图的观察角度是解题关键.
2-6【提升】 【正确答案】 D
【试题解析】 详解:
解:将正方体①移走前的主视图正方形的个数为1,2,1;正方体①移走后的主视图正方形的个数为1,2;发生改变.
将正方体①移走前的左视图正方形的个数为2,1,1;正方体①移走后的左视图正方形的个数为2,1,1;没有发生改变.
将正方体①移走前的俯视图正方形的个数为1,3,1;正方体①移走后的俯视图正方形的个数,1,3;发生改变.
故选D.
3-1【基础】 【正确答案】 C
【试题解析】 分析:
通过判断三角形是等腰三角形,求得顶角的度数,根据平行,内错角相等求得答案.
详解:
∵
∴
∴
又∵AB // CD
∴
故选:C
点睛:
本题考查等腰三角形的性质,平行线的性质定理,能根据条件推导出相关的角度是解题关键.
3-2【基础】 【正确答案】 B
【试题解析】 分析:
根据CD=CE,可知△CDE为等腰三角形,进而求出∠C的度数,再根据平行条件和垂直条件求出∠A的度数.
详解:
∵,∠D=74°,
∴∠DEC=∠D=74°,
∴∠C=180°-74°-74°=32°,
∵AB//CD,
∴∠B=∠C=32°,
∵AF⊥BC,
∴∠A=180°-90°-32°=58°,
故选:B.
点睛:
本题考查了等腰三角形的性质和平行线的性质,属于常规题.
3-3【巩固】 【正确答案】 B
【试题解析】 分析:
根据一副直角三角板可知,,,根据可知,进一步可知,即可求出的度数.
详解:
解:在等腰中,,
在直角中,,,
,
,
,
,
,
,
故选:B.
点睛:
本题考查了等腰直角三角形的性质,直角三角形的性质,三角形的内角和定理等,熟练掌握三角板各内角的度数是解题的关键.
3-4【巩固】 【正确答案】 C
【试题解析】 分析:
延长,交于,根据等腰三角形的性质得出,根据平行线的性质得出,
详解:
解:延长,交于,
是等腰三角形,,
,
,
,
,
,
故选:.
点睛:
本题考查了等腰三角形的性质,平行线的性质,三角形外角的性质,熟练掌握性质定理是解题的关键.
3-5【提升】 【正确答案】 A
【试题解析】 分析:
过点作,过点作的平行线交于,连接、,则四边形为平行四边形,证明是等腰直角三角形,得,则、、、四点共圆,再由圆周角定理得,然后证,得,则,即可求解.
详解:
解:过点作,过点作的平行线交于,连接、,如图所示:
则四边形为平行四边形,
四边形是矩形,
,,
,,
,
,
,
,
,,
,
,
,
是等腰直角三角形,
,
、、、四点共圆,
,
,
,
在和中,
,
,
,
,
.
故选:A.
点睛:
本题考查了矩形的性质、平行四边形的判定与性质、平行线的性质、等腰直角三角形的判定与性质、全等三角形的判定与性质、四点共圆等知识;证明为等腰直角三角形和是解题的关键.
3-6【提升】 【正确答案】 D
【试题解析】 分析:
根据,,可知,,,可得为等腰三角形,可知,,可证,从而可得,本题可解.
详解:
∵,
∴
∵
∴,,
∴为等腰三角形
∴
∴
∵,
∴
∴
∴
故本题答案为D.
点睛:
本题考查了平行线的性质及角平分线的性质,三角形全等的判定及性质,熟练掌握上述知识点是解答本题的关键.
4-1【基础】 【正确答案】 C
【试题解析】 分析:
科学记数法的表示形式为的形式,其中,为整数.确定的值时,要看把原数变成时,小数点移动了多少位,的绝对值与小数点移动的位数相同.当原数绝对值时,是正数;当原数的绝对值时,是负数.
详解:
解:将数据9560000科学记数法表示为.
故选:C.
点睛:
此题主要考查科学记数法的表示方法.科学记数法的表示形式为的形式,其中,为整数,表示时关键要正确确定的值以及的值.
4-2【基础】 【正确答案】 B
【试题解析】 分析:
科学记数法的表示形式为a×10n的形式,其中1≤|a|<10,n为整数.确定n的值时,要看把原数变成a时,小数点移动了多少位,n的绝对值与小数点移动的位数相同.当原数绝对值≥10时,n是正整数;当原数的绝对值<1时,n是负整数.
详解:
解:940000000=9.4×108,
故选:B.
点睛:
此题考查科学记数法,注意n的值的确定方法是解题的关键.
4-3【巩固】 【正确答案】 B
【试题解析】 分析:
根据科学记数法的表示方法求解即可.
详解:
11.7亿.
故选:B.
点睛:
本题主要考查科学记数法.科学记数法的表示形式为的形式,其中,n为整数.解题关键是正确确定a的值以及n的值.
4-4【巩固】 【正确答案】 D
【试题解析】 分析:
利用科学记数法的定义解决.科学记数法的表示形式为的形式,其中,n为整数.确定n的值时,要看把原数变成a时,小数点移动了多少位,n的绝对值与小数点移动的位数相同.当原数绝对值时,n是正整数;当原数的绝对值时,n是负整数.
详解:
解: 6470万.
故选:D.
点睛:
此题考查科学记数法的定义,关键是理解运用科学记数法.
4-5【提升】 【正确答案】 A
【试题解析】 分析:
9 086 600 000的千万位数字是8,精确到千万位即是保留三位有效数字.用科学记数法保留有效数字,对8后面一位的数字6根据四舍五入的原理进行取舍.
详解:
解:9 086 600 000的千万位数字是8,精确到千万位即是保留三位有效数字,
所以9 086 600 000=9.0866×109≈9.09×109
故选:A.
点睛:
本题考查了科学记数法及近似值的取法.科学记数法的表示形式为a×10n的形式,其中1≤|a|<10,n为整数.确定n的值时,要看把原数变成a时,小数点移动了多少位,n的绝对值与小数点移动的位数相同.当原数绝对值≥10时,n是正数;当原数的绝对值<1时,n是负数..
4-6【提升】 【正确答案】 C
【试题解析】 分析:
科学记数法就是将一个数字表示成的形式,其中,表示整数.为整数位数减,即从左边第一位开始,在首位非零的后面加上小数点,再乘以的次幂.用科学记数法是正整数表示的数的有效数字应该由首数来确定,首数中的数字就是有效数字.
详解:
解:.
故选:C.
点睛:
本题考查了科学记数法和有效数字,掌握科学记数法和有效数字的概念是解题的关键.
5-1【基础】 【正确答案】 D
【试题解析】 分析:
一个图形绕着一个点旋转180°,与原图形重合,叫做中心对称图形,据此逐一判断各个图形即可求解.
详解:
解:A、是轴对称图形不是中心对称图形,不符合题意;
B、不是中心对称图形,不符合题意;
C、不是中心对称图形,不符合题意;
D、是中心对称图形,符合题意;
故选D.
点睛:
本题主要考查中心对称图形的识别,掌握中心对称图形的定义是关键.
5-2【基础】 【正确答案】 D
【试题解析】 分析:
根据轴对称图形的概念:如果一个图形沿一条直线折叠,直线两旁的部分能够互相重合,这个图形叫做轴对称图形,即可得到答案.
详解:
解:A、不是轴对称图形,故该选项不符合题意;
B、不是轴对称图形,故该选项不符合题意;
C、不是轴对称图形,故该选项不符合题意;
D、是轴对称图形,故该选项符合题意;
故选:D.
点睛:
本题考查了轴对称图形,掌握轴对称图形的概念是解题关键.
5-3【巩固】 【正确答案】 D
【试题解析】 分析:
直接根据轴对称图形和中心对称图形的定义判断即可.
详解:
A不是轴对称图形,是中心对称图形,故不合题意;
B是轴对称图形,不是中心对称图形,故不合题意;
C不是轴对称图形,不是中心对称图形,故不合题意;
D是轴对称图形,是中心对称图形,故符合题意;
故选D
点睛:
本题考查了轴对称图形和中心对称图形的识别,熟练掌握轴对称图形和中心对称图形的定义是解答本题的关键.
5-4【巩固】 【正确答案】 A
【试题解析】 分析:
根据中心对称图形与轴对称图形的概念逐项判断即可解答.
详解:
解:A.该图形是轴对称图形,是中心对称图形,故此选项合题意;
B.该图形不是中心对称图形,不是轴对称图形,故此选项不合题意;
C.该图形是轴对称图形,不是中心对称图形,故此选项不合题意;
D.该图形是轴对称图形,不是中心对称图形,故此选项不符合题意.
故选:A.
点睛:
本题主要考查了中心对称图形与轴对称图形的概念,把一个图形绕某一点旋转,如果旋转后的图形能够与原来的图形重合,那么这个图形就叫做中心对称图形;如果一个图形沿一条直线折叠,直线两旁的部分能够互相重合,这个图形叫做轴对称图形.
5-5【提升】 【正确答案】 D
【试题解析】 分析:
按如图所示的方法折叠后,剪去一个角后,由于是斜剪的,展开后一定不是直角,即是一个非正方形的菱形,据此判断即可.
详解:
解:将图④展开铺平后的图形大致如下:
故图④展开铺平后的图形是中心对称图形,也是轴对称图形.
故选:D.
点睛:
此题主要考查了剪纸问题,此类问题应亲自动手折一折,剪一剪看看,可以培养空间想象能力.
5-6【提升】 【正确答案】 A
【试题解析】 分析:
观察本题中图案的特点,根据对称、平移、旋转、位似的定义作答.
详解:
解:A、不符合位似图形的定义,本题图案包含位似变换.符合题意;
B、将图形绕着中心点旋转40°的整数倍后均能与原图形重合,本题图案包含旋转变换.不符合题意;
C、有9条对称轴,本题图案包含轴对称变换.不符合题意;
D、每一组图形中存在平移变换,不符合题意.
故选:A.
点睛:
考查图形的四种变换方式:对称、平移、旋转、位似.对称有轴对称和中心对称,轴对称的特点是一个图形绕着一条直线对折,直线两旁的图形能够完全重合;中心对称的特点是一个图形绕着一点旋转180°后与另一个图形完全重合,它是旋转变换的一种特殊情况.
平移是将一个图形沿某一直线方向移动,得到的新图形与原图形的形状、大小和方向完全相同.旋转是指将一个图形绕着一点转动一个角度的变换.位似的特点是几个相似图形的对应点所在的直线交于一点.观察时要紧扣图形变换特点,认真判断.
6-1【基础】 【正确答案】 A
【试题解析】 详解:
试题解析:原式=.
故选A.
考点:分式的加减法.
6-2【基础】 【正确答案】 A
【试题解析】 分析:
先化成同分母分式,再根据同分母分式加法的法则计算即可.
详解:
解:
=a-3.
故选:A.
点睛:
本题考查分式的加减运算,解答本题的关键是明确分式加法的运算法则和因式分解的方法.
6-3【巩固】 【正确答案】 C
【试题解析】 详解:
∵B====,
又∵A=,
∴A+B=+=0,
∴A与B的关系是互为相反数.
故选:C.
6-4【巩固】 【正确答案】 A
【试题解析】 分析:
根据分式的运算法则即可求出答案.
详解:
原式=
= ,
故选:A.
点睛:
本题主要考查分式的加减运算,掌握分式的通分是解题的关键.
6-5【提升】 【正确答案】 B
【试题解析】 详解:
试题分析:原式=====,故选B.
考点:分式的加减法.
6-6【提升】 【正确答案】 D
【试题解析】 分析:
先通分,再化简计算.
详解:
=,
故选D.
点睛:
通分的方法:把各分式变为同分母.首先要把各个分母进行因式分解,找出各自分母中所含的因式,然后再求最简公分母,最后再计算.
7-1【基础】 【正确答案】 B
【试题解析】 分析:
先根据圆周角定理求出∠AOB=80°,可根据扇形面积公式直接求出阴影部分的面积.
详解:
解:∵在⊙O上,∠ACB=40°,
∴∠AOB=2∠ACB=80°,
∴,
故选:B.
点睛:
本题主要考查了求扇形的面积,根据圆周角定理求出∠AOB的度数是解题的关键.
7-2【基础】 【正确答案】 B
【试题解析】 分析:
利用扇形的面积公式计算即可.
详解:
解:扇形的面积==6π,
故选B.
点睛:
本题考查扇形的面积,解题的关键是记住扇形的面积公式.
7-3【巩固】 【正确答案】 A
【试题解析】 分析:
连接、,根据,是以为直径的半圆的三等分点,可得,是等边三角形,将阴影部分的面积转化为扇形的面积,根据求解即可.
详解:
解:连接、、,
,是以为直径的半圆的三等分点,
,,
又,
、是等边三角形,
,
∴,
,
,
.
故选:A.
点睛:
本题考查了扇形面积的计算,解答本题的关键是将阴影部分的面积转化为扇形的面积,难度一般.
7-4【巩固】 【正确答案】 B
【试题解析】 分析:
由旋转的性质可得:,从而可得,利用扇形面积公式计算即可.
详解:
解:半圆AB绕点B顺时针旋转,点A旋转到的位置,
,.
,
.
故选B.
点睛:
本题考查的是旋转的性质,扇形面积的计算,掌握以上知识是解题的关键.
7-5【提升】 【正确答案】 B
【试题解析】 分析:
连接OB、OC,先利用同弧所对的圆周角等于所对的圆心角的一半,求出扇形的圆心角为60度,即可求出半径的长1,利用三角形和扇形的面积公式即可求解;
详解:
解:作OD⊥BC,则BD=CD,连接OA,OB,OC,
∴OD是BC的垂直平分线 ∴,
∴AB=AC, ∴A在BC的垂直平分线上,
∴A、O、D共线,
∵∠ACB=75°,AB=AC, ∴∠ABC=∠ACB=75°,
∴∠BAC=30°, ∴∠BOC=60°,
∵OB=OC, ∴△BOC是等边三角形,
∴OA=OB=OC=BC=1,
∵AD⊥BC,AB=AC, ∴BD=CD,
∴OD==,
∴AD=,
∴,,
∴阴影=+扇形BOC-=,
故选:B.
点睛:
本题主要考查了扇形的面积公式,圆周角定理,垂径定理等,明确阴影=+扇形BOC-是解题的关键.
7-6【提升】 【正确答案】 A
【试题解析】 分析:
连接,证明是等腰直角三角形,根据勾股定理可求出,由作图知是的垂直平分线,可得、均为等腰直角三角形,即可得,过点作,可求出,再根据可得结论.
详解:
连接,如图,
∵点是的中点,
,即
由作图知是的垂直平分线,
∴、均为等腰直角三角形,且
过点作于点,则是等腰直角三角形,
∴
故选:A.
点睛:
本题主要考查了作垂线,勾股定理,等腰直角三角形的判定与性质,扇形的面积以及不规则图形面积的计算,正确作出辅助线是解答本题的关键.
8-1【基础】 【正确答案】 C
【试题解析】 分析:
过点作于点D,解直角三角形即可.
详解:
过点作于点D,
则.
故选C.
点睛:
本题考查了解直角三角形,熟练掌握解直角三角形的基本要领是解题的关键.
8-2【基础】 【正确答案】 C
【试题解析】 分析:
根据题意和题目中的数据,利用平行线的性质和锐角三角函数,可以表示出和,然后即可得到的长.
详解:
解:作于点D,如图,
∵,
∴,,
∵,,
∴,,
∵米,,,
∴,,
解得米,米,
∴米,
故选:C.
点睛:
本题考查解直角三角形的应用,解答本题的关键是作出合适的辅助线,利用数形结合的思想解答.
8-3【巩固】 【正确答案】 C
【试题解析】 分析:
作BE⊥AD于点E,CF⊥AD于点F,解直角三角形求出CF,CD即可解决问题.
详解:
解:如图:作BE⊥AD于点E,CF⊥AD于点F
∴BE//CF
∵,BC//AD
∴∠BAE=30°,四边形BEFC是矩形
∴BE=AB=4.5cm
∵四边形BEFC是矩形
∴CF=BE=4.5cm
∵,BC//AD
∴∠ADC=37°
∵CF⊥AD
∴sin∠ADC==sin37°=cos53°=0.6,即CD=CF÷0.6=4.5÷0.6=7.5cm
故选C.
点睛:
本题主要考查了解直角三角形的应用,正确添加常用辅助线、构造直角三角形解决问题成为解答本题的关键.
8-4【巩固】 【正确答案】 D
【试题解析】 分析:
通过作垂线构造直角三角形,在Rt△ABM中,求出BM,在Rt△BCD中,求出BD,即可求出CN,从而解决问题.
详解:
如图,过点B、C分别作AE的垂线,垂足分别为M、N,过点C作CD⊥BM,垂足为D,
在Rt△ABM中,
∵∠BAE=60°,AB=16,
∴(cm),
∠ABM=90°-60°=30°,
在Rt△BCD中,
∵∠DBC=∠ABC-∠ABM=50°-30°=20°,
∴∠BCD=90°-20°=70°,
又∵BC=8,
∴BD=sin70°×8≈0.94×8=7.52(cm),
∴CN=DM=BM-BD=8-7.52≈6.3(cm),
即点C到AE的距离约为6.3cm,
故选:D.
点睛:
本题考查解直角三角形,构造直角三角形,利用直角三角形的边角关系是解决问题的关键.
8-5【提升】 【正确答案】 A
【试题解析】 分析:
在Rt△AEF中,通过解直角三角形求得AF,再在Rt△FMG和Rt△DQK中,通过解直角三角形求得FM,最后由AD=AF+4FM+DQ得结果.
详解:
解:∵EF=a米,∠A=90°,∠AEF=30°,
∴AF=EF=a米,∠AFE=60°,
∵∠EFG=90°,
∴∠MFG=30°,
∴PQ=NP=MN=FM=(米),
DQ=QK•cos30°=(米),
∴AD=AF+4FM+DQ=a+4×+=a+b(米),
故选:A.
点睛:
本题主要考查了矩形的性质,解直角三角形的应用,关键是通过解直角三角形求出AF、FM、DQ.
8-6【提升】 【正确答案】 D
【试题解析】 分析:
要使△ABC的面积S=BC•h的最大,则h要最大,当高经过圆心时最大.
详解:
解:当△ABC的高AD经过圆的圆心时,此时△ABC的面积最大,
如图所示,
∵A'D⊥BC,
∴BC=2BD,∠BOD=∠BAC=θ,
在Rt△BOD中,
sinθ= ,cosθ=,
∴BD=sinθ,OD=cosθ,
∴BC=2BD=2sinθ,
A'D=A'O+OD=1+cosθ,
∴S△A'BC=AD•BC=•2sinθ(1+cosθ)=sinθ(1+cosθ).
故选:D.
点睛:
本题主要考查锐角三角函数的应用与三角形面积的求法.
9-1【基础】 【正确答案】 A
【试题解析】 分析:
先根据平行四边形的性质得到AB=CD,AB∥CD,再计算出AE:CD=1:3,接着证明△AEF∽△CDF,然后根据相似三角形的性质求解.
详解:
∵四边形ABCD为平行四边形,
∴AB=CD,AB∥CD,
∵,
∴,
∴,
∵AE∥CD,
∴,
∴,
∴.
故选:A.
点睛:
本题考查的是相似三角形的判定与性质,熟知相似三角形面积的比等于相似比的平方是解答此题的关键.
9-2【基础】 【正确答案】 C
【试题解析】 详解:
由题意可知,三角形ABD,三角形ACD和三角形ABC都是直角三角形,
在直角三角形ABD中,∠B的正弦等于∠B的对边AD比斜边AB,故A正确;
在直角三角形ABC中,∠B的正弦等于∠B的对边AC比斜边BC,故B正确;
又因为∠B=∠DAC,而sin∠DAC=,所以sin∠B=,故D正确;
而AD:AC是∠DAC的余弦,也是∠B的余弦,故结论不正确的是C;
故选C.
9-3【巩固】 【正确答案】 A
【试题解析】 分析:
过点A作AF⊥CD于F,根据勾股定理求出AB、CD的长度,由等积法求出AF,由△CEA∽△DEB求出AE,根据正弦的定义求出即可.
详解:
解:如图,过点A作AF⊥CD于F,
在Rt△ADB中,BD=3,AD=3,
由勾股定理得:AB=
在Rt△CAD中,AC=1,AD=3,
由勾股定理得:CD=,
∵ ,
∴
解得:AF=
∵ACBD,
∴∠ACE=∠BDE,∠CAE=∠DBE
∴△CEA∽△DEB,
∴
∴
∴AE=
∴sin∠AEC=
故选:A.
点睛:
本题考查了勾股定理、相似三角形的性质和判定、锐角三角函数等知识点,能够正确作出辅助线是解此题的关键.
9-4【巩固】 【正确答案】 C
【试题解析】 分析:
过E作于点F,根据等腰三角形三线合一的性质,得到,设,则,,,证明,得到,即可求出.
详解:
解:过E作于点F,
,,
,
设,则,
,
,
,
,,
,
,
,
,
,
故选C.
点睛:
本题考查了锐角三角函数和相似三角形,熟练掌握求三角函数的方法以及相似三角形的判定和性质是解题关键.
9-5【提升】 【正确答案】 C
【试题解析】 分析:
过点E作,证明,可得到①,根据平行证出,根据比例可得到②,根据勾股定理求出EC,再由正弦的意义可得出④,根据已知线段的长度,可求出△NOF与△NBE的相似比是,分别计算△NOF和△OFC的面积相加即可;
详解:
如图,过点E作,
∵CE是的角平分线,,,
∴BE=EG,
∴GC=BC=4,
又∵,,
∴AC=5,
∴AG=1,
在Rt△AGE中,
,
得,,
∵O、F分别是AC、EC的中点,
∴,
∴,
∴,
∴,故①正确;
由得,
∴,,
∵,
∴,
∴,
∴,故②正确;
∵,
∴,故④错误;
∵,
∴,
∴,
∴△NOF与△NBE的相似比是,
,
∵
∴,
同理可得:,
∴,故③正确;
故答案选:C.
点睛:
本题考查矩形性质的同时,结合考查了角的正弦,相似三角形、中位线定理和勾股定理的知识点,熟练掌握每一个知识点应用非常重要.
9-6【提升】 【正确答案】 B
【试题解析】 分析:
证明可判定①正确;运用两边对应成比例及其夹角相等可判定②;根据得到,过点F作于点G,根据三角函数可判定③;根据,设,则可判定④.
详解:
解:∵正方形,,
∴,
∴,
∴,
∴,
故①正确;
∵正方形,,
∴,
∴,,
∵F是的中点,
∴,
∴,
∴,
∴,
∴,,
∴,
故②正确;
∵,
∴,
过点F作于点G,
∵,,
∴,
∴,
∴,
故③错误;
∵,
∴,
∴,,
∴,
∵F是的中点,
∴,
设,则,
∴
故④正确;
故选B.
点睛:
本题考查了正方形的性质,等腰直角三角形的判定和性质,三角形相似的判定和性质,三角形中线的性质,锐角三角函数,熟练掌握相应的知识是解题的关键.
10-1【基础】 【正确答案】 D
【试题解析】 分析:
先分别求出A、B、C的坐标,然后画出图象,根据三角形的面积公式计算即可.
详解:
解:将y=0代入解析式中,得
解得:
∴点的坐标分别为(-5,0)和(3,0)
将x=0代入解析式中,得
y=-15
∴点C的坐标为(0,-15)
大致画出图象如下,(假设点A在点B左侧)
则AB=3-(-5)=8
OC=15
∴的面积为AB·OC=60
故选D.
点睛:
此题考查的是求二次函数图象与坐标轴的交点坐标和求三角形的面积,掌握坐标轴上点的坐标特征是解题关键.
10-2【基础】 【正确答案】 D
【试题解析】 分析:
根据二次函数的性质对每一项判断即可.
详解:
解:∵由图可知:二次函数开口向下,∴,故项不符合题意;
∵由图象可知:当,随增大而减小,故不符合题意;
∵点,对称轴是直线,∴点,故不符合题意;
∵当时,,∴当时,,故符合题意.
故选.
点睛:
本题考查了二次函数的性质及图象,掌握二次函数的性质是解题的关键.
10-3【巩固】 【正确答案】 C
【试题解析】 分析:
分a>0,a<0两种情况讨论,根据题意列出不等式组,可求a的取值范围.
详解:
∵抛物线y=ax2﹣x+1(a≠0)与线段AB有两个不同的交点,
∴令=ax2﹣x+1,则2ax2﹣3x+1=0
∴△=9﹣8a>0
∴a<
①当a<0时,
解得:a≤﹣2
∴a≤﹣2
②当a>0时,
解得:a≥1
∴1≤a<
综上所述:1≤a<或a≤﹣2
故选C.
点睛:
本题考查二次函数图象与系数的关系,一次函数图象上点的坐标特征,二次函数图象点的坐标特征,利用分类讨论思想解决问题是本题的关键.
10-4【巩固】 【正确答案】 C
【试题解析】 分析:
连接AO、AB,PB,作PH⊥OA于H,BC⊥AO于C,如图,解方程得到﹣x2+2x=0得B(2,0),利用配方法得到A(,3),则OA=2,从而可判断△AOB为等边三角形,接着利用∠OAP=30°得到PH=AP,利用抛物线的对称性得到PO=PB,所以OP+AP=PB+PH,根据两点之间线段最短得到当H、P、B共线时,PB+PH的值最小,最小值为BC的长,然后计算出BC的长即可.
详解:
解:连接AO、AB,PB,作PH⊥OA于H,BC⊥AO于C,如图所示,
当y=0时,﹣x2+2x=0,解得x1=0,x2=2,则B(2,0),
y=﹣x2+2x=﹣(x﹣)2+3,则A(,3),
∴OA==2,
而AB=AO=2,
∴AB=AO=OB,
∴△AOB为等边三角形,
∴∠OAP=30°,
∴PH=AP,
∵AP垂直平分OB,
∴PO=PB,
∴OP+AP=PB+PH,
当H、P、B共线时,PB+PH的值最小,最小值为BC的长,
而BC=AB=×2=3,
∴OP+AP的最小值为3,故C正确.
故选:C.
点睛:
本题考查了二次函数的性质,勾股定理的应用,等边三角形的判定与性质以及最短路径的解决方法,将转化为PB+PH,根据当H、P、B共线时,PB+PH的值最小,最小值为BC的长是解决本题的关键.
10-5【提升】 【正确答案】 D
【试题解析】 分析:
根据顶点在线段AB上抛物线与y轴的交点坐标为(0,c)可以判断出c的取值范围,可判断①;根据二次函数的增减性判断②;先确定x=1时,点D的横坐标取得最大值,然后根据二次函数的对称性求出此时点C的横坐标,即可判断③;令y=0,利用根与系数的关系与顶点的纵坐标求出CD的长度的表达式,然后根据平行四边形的对边平行且相等可得AB=CD,然后列出方程求出a的值,判断④.
详解:
解:∵点A,B的坐标分别为(-3,-2)和(1,-2),
∴线段AB与y轴的交点坐标为(0,-2),
又∵抛物线的顶点在线段AB上运动,抛物线与y轴的交点坐标为(0,c) ,
∴C≥-2,(顶点在y轴上时取“=”),故①正确;
∵抛物线的顶点在线段AB上运动,开口向上,
∴当x>1时,一定有y随x的增大而增大,故②错误;
若点D的横坐标最小值为-5,则此时对称轴为直线x=-3,
根据二次函数的对称性,点C的横坐标最大值为1+2=3,故③正确;
令y=0,则ax2+bx+c=0,
设该方程的两根为x1,x2,则x1+x2=-,x1x2=,
∴CD2=( x1-x2) 2=( x1+x2) 2-4x1x2,
根据顶点坐标公式,,
∴,即,
∵四边形ACDB为平行四边形,
∴CD=AB=1-(-3)=4,
∴=42=16,解得a=,故④正确;
综上所述,正确的结论有①③④.
故选:D.
.
点睛:
本题考查了二次函数的综合题型,主要利用了二次函数的顶点坐标,二次函数的对称性,根与系数的关系,平行四边形的对边平行且相等的性质,要注意顶点在y轴上的情况.
10-6【提升】 【正确答案】 B
【试题解析】 分析:
将代入函数解析式可判断①,分两种情况得出抛物线的对称轴,可判断②③;由图象法可判断④.
详解:
解:①将代入函数得:,
函数图象与轴交点为,①正确;
②当时,,
有最小值为,
当时,,
有最小值为,②正确;
③当时,,
对称轴为,
,
当时,随的增大而减小;
当时,,
对称轴为,
,
当时,随的增大而减小,当时,随的增大而增大,③不正确;
④函数的图象为:
正确的为:①②④.
故选:B.
点睛:
本题考查二次函数的性质,解题关键是掌握二次函数的性质,二次函数图象与系数的关系.
11-1【基础】 【正确答案】
【试题解析】 分析:
直接利用平方差公式分解因式得出答案.
详解:
解:.
故.
点睛:
本题主要考查了公式法分解因式,解题的关键是掌握正确应用平方差公式.
11-2【基础】 【正确答案】
【试题解析】 分析:
原式利用平方差公式分解即可.
详解:
解:原式=(x+y)(x-y),
故(x+y)(x-y).
点睛:
此题考查了因式分解-运用公式法,熟练掌握平方差公式是解本题的关键.
11-3【巩固】 【正确答案】
【试题解析】 分析:
根据平方差公式即可求解.
详解:
解:,
故.
点睛:
本题主要考查因式分解,理解并掌握公式法因式分解的知识是解题的关键.
11-4【巩固】 【正确答案】 (a+b)(a﹣3b)
【试题解析】 分析:
直接利用平方差公式分解因式得出即可.
详解:
解:(a﹣b)2﹣4b2
=(a﹣b+2b)(a﹣b﹣2b)
=(a+b)(a﹣3b).
故(a+b)(a﹣3b).
点睛:
本题主要考查了公式法进行因式分解的知识,解题的关键是熟练掌握平方差公式分解因式,注意因式分解要彻底.
11-5【提升】 【正确答案】
【试题解析】 分析:
利用平方差公式进行因式分解后,在利用完全平方公式进一步因式分解即可.
详解:
解:
,
故.
点睛:
本题考查因式分解,熟练掌握公式法涉及到的平方差公式及完全平方公式是解决问题的关键.
11-6【提升】 【正确答案】 3
【试题解析】 分析:
原式化简后,约分得到最简结果,把已知等式代入计算即可求出值.
详解:
解:原式=
=
=3(m+n),
当m+n=1时,原式=3,
故3.
点睛:
此题考查了分式的化简求值,熟练掌握运算法则是解本题的关键.
12-1【基础】 【正确答案】
【试题解析】 分析:
4个数中,绝对值等于本身的只有1、2,利用概率公式求解即可.
详解:
在,,1,2四个数中,其绝对值等于本身的有1、2这两个数,
∴在四个数中随机取出一个数,其绝对值等于本身的概率为,
故.
点睛:
本题考查了概率公式,解题的关键是掌握随机事件的概率计算公式.
12-2【基础】 【正确答案】
【试题解析】 分析:
根据概率公式解答即可.
详解:
解:∵共有12个方格,其中月亮占5个方格,
∴宝物(只有一个)藏在“月亮”下的概率是:,
故
点睛:
本题考查了概率的知识.一般地,如果在一次试验中,有n种可能的结果,并且它们发生的可能性都相等,事件A包含其中的m种结果,那么事件A发生的概率.
12-3【巩固】 【正确答案】
【试题解析】 分析:
画树状图,共有12个等可能的结果,摸到的两个球颜色相同的结果有4个,再由概率公式求解即可.
详解:
解:画树状图如图:
共有12个等可能的结果,摸到的两个球颜色相同的结果有4个,
∴摸到的两个球颜色相同的概率为=,
故.
点睛:
本题考查列表法或画树状图求概率,解题的关键是准确画出树状图或列出表格.
12-4【巩固】 【正确答案】
【试题解析】 分析:
列表法求出概率即可.
详解:
解:由题意,列表如下:
2
3
4
2
5
6
3
5
7
4
6
7
共有6种等可能的结果,其中和为奇数的结果有4种,
∴两次抽出的卡片上的数字之和为奇数的概率是;
故.
点睛:
本题考查列表法求概率.熟练掌握列表法求概率,是解题的关键.注意放回和不放回的区别.
12-5【提升】 【正确答案】
【试题解析】 分析:
画出树状图展示所有9种可能的结果数,再找出k>0,b>0的结果数,然后根据一次函数和概率公式求解.
详解:
画树状图为:
共有9种可能的结果数,其中k>0,b>0的结果数为4
所以一次函数经过一、二、三象限的概率为
故答案为.
点睛:
本题考查了列表法与树状图法、利用概率公式计算事件A或事件B的概率,也考查了一次函数的性质,掌握这些是本题解题关键.
12-6【提升】 【正确答案】 或0.5
【试题解析】 分析:
画树状图列出所有等可能结果,从中依据根的判别式找到使方程x2+px+q=0有实数根的结果数,利用概率公式计算可得.
详解:
解:画树状图如下:
由树状图知共有6种等可能结果,其中使关于x的方程x2+px+q=0有实数根的结果有3种结果,
∴关于x的方程x2+px+q=0有实数根的概率为,
故答案为.
点睛:
本题考查的是用列表法或画树状图法求概率.列表法或画树状图法可以不重复不遗漏的列出所有可能的结果,列表法适合于两步完成的事件,树状图法适合两步或两步以上完成的事件.用到的知识点为:概率=所求情况数与总情况数之比.
13-1【基础】 【正确答案】 900°或900度
【试题解析】 分析:
根据多边形内角和公式计算即可.
详解:
解:七边形内角和的度数是,
故900°.
点睛:
本题考查了多边形内角和公式,解题关键是熟记n边形内角和公式:.
13-2【基础】 【正确答案】 720°或720度
【试题解析】 分析:
根据多边形内角和可直接进行求解.
详解:
解:由题意得:该正六边形的内角和为;
故答案为720°.
点睛:
本题主要考查多边形内角和,熟练掌握多边形内角和公式是解题的关键.
13-3【巩固】 【正确答案】 7
【试题解析】 分析:
根据从同一个顶点引对角线将多边形分成(n-2)个三角形解答.
详解:
解:∵经过多边形的任意一个顶点的对角线将多边形分成了五个三角形,
∴多边形的边数为5+2=7.
故7.
点睛:
本题考查了多边形的对角线,熟记多边形的边数与分成的三角形的个数的公式是解题的关键.
13-4【巩固】 【正确答案】 10
【试题解析】 分析:
设这个多边形的边数为,根据多边形内角和公式列出方程,解方程即可求解.
详解:
解:设这个多边形的边数为,
则,
解得.
故10.
点睛:
本题考查了多边形内角和公式,熟练掌握多边形内角和公式是解题的关键.
13-5【提升】 【正确答案】 或360度
【试题解析】 分析:
根据三角形外角的性质可得,,从而得出,然后根据多边形内角和定理求解即可.
详解:
解:如图,
∵,,
∴,
又,
∴,
故.
点睛:
本题考查了多边形内角和定理,三角形外角的性质等知识,掌握多边形内角和定理,三角形外角的性质是解题的关键.
13-6【提升】 【正确答案】 14
【试题解析】 分析:
AB、CD、EF分别向两方延长,交于点G、H、P,证明△APF、△BCG、△DEH是等边三角形,得出∠P=∠G=∠H=60°,AF=PA,BC=BG=CG,DE=DH,证出△PGH是等边三角形,得出PG=GH,即PA+AB+BG=CG+CD+DH,得出AF+AB+BC=BC+CD+DE,即可得出答案.
详解:
解:把AB、CD、EF分别向两方延长,交于点G、H、P,如图所示:
∵∠BAF=∠ABC=∠BCD=∠CDE=∠DEF=∠EFA,∠BAF+∠ABC+∠BCD+∠CDE+∠DEF+∠EFA=(6﹣2)×180°=720°,
∴∠BAF=∠ABC=∠BCD=∠CDE=∠DEF=∠EFA=120°,
∴∠PAF=∠GBC=∠GCB=∠HDE=∠DEH=∠PFA=60°,
∴△APF、△BCG、△DEH是等边三角形,
∴∠P=∠G=∠H=60°,AF=PA,BC=BG=CG,DE=DH,
∴△PGH是等边三角形,
∴PG=GH,
即PA+AB+BG=CG+CD+DH,
∴AF+AB+BC=BC+CD+DE,
∴BC+DE=AF﹣CD+AB+BC,
∵AB+BC=11,FA﹣CD=3,
∴BC+DE=3+11=14.
故14.
点睛:
本题考查了等边三角形的判定与性质、多边形内角和定理等知识;证明△PGH为等边三角形是解题的关键.
14-1【基础】 【正确答案】 1000(1+x)2=4000.
【试题解析】 分析:
由该呼吸机制造商2020年一月份及三月份生产呼吸机的数量,即可得出关于x的一元二次方程,即可求解.
详解:
解:依题意,得:1000(1+x)2=4000.
故1000(1+x)2=4000.
点睛:
本题考查了由实际问题抽象出一元二次方程,找准等量关系,正确列出一元二次方程是解题的关键.
14-2【基础】 【正确答案】
【试题解析】 分析:
根据题意,月平均增长率指的是在上月的基础上增长的,据此可求得二月的产量,进而可得到三月的产量
详解:
根据题意知口罩产量的月平均增长率为,
∴二月的产量是:,
∴三月的产量是:,且三月份的口罩产量是万个,
∴所列方程为:,
故
点睛:
本题考查了由实际问题抽象出一元二次方程,找准等量关系,正确列出一元二次方程是解题的关键
14-3【巩固】 【正确答案】 20%
【试题解析】 分析:
设该果园水果产量的年平均增长率为x,根据“2013年的产量=2011年的产量×(1+年平均增长率)2”列出方程,解方程即可.
详解:
设该果园水果产量的年平均增长率为x,则2012年的产量为100(1+x)吨,2013年的产量为100(1+x)(1+x)=100(1+x)2吨,根据题意,得
100(1+x)2=144,
解得x1=0.2,x2=-2.2(舍去).
所以年平均增长率为20%.
故20%.
点睛:
考查了一元二次方程的应用,解题关键得到关系式:2013年的产量=2011年的产量×(1+年平均增长率)2.
14-4【巩固】 【正确答案】
【试题解析】 分析:
设该公司每个季度的下降率是x ,根据该公司第一季度及第三季度的生产成本,即可得出关于x的一元二次方程,解之取其符合题意的值,即可得出结论.
详解:
解∶设该公司每个季度的下降率是x,
依题意,得∶,
解得∶, (不符合题意,舍去).
即该公司每个季度的下降率是,
故答案为∶ .
点睛:
本题考查了一元二次方程的应用,解题的关键是找准等量关系,正确列出一元二次方程.
14-5【提升】 【正确答案】 等于.
【试题解析】 分析:
设甲药品成本的年平均下降率为,列方程得,化简为,设乙药品成本的年平均下降率为,列方程得,化简为,比较得,求出x与y的大小即可.
详解:
设甲药品成本的年平均下降率为,由题意得:
化简得:①
设乙药品成本的年平均下降率为,由题意得:
化简得:②
比较①②得:
或
或(不合题意,舍去)
故等于.
点睛:
此题考查一元二次方程的实际应用,正确理解题意并解方程是解题的关键.
14-6【提升】 【正确答案】 20%.
【试题解析】 分析:
本题为增长率问题,增长后的量=增长前的量×(1+增长率).则每亩收获的花生可加工成花生油的质量是200×(1+x)×(1+x)×50% ,即可列方程求解.
提示2:本题为一般的增长率问题,可根据题意列出方程,判断所求的解是否符合题意,舍去不合题意的解.找到关键描述语,找到等量关系准确的列出方程是解决问题的关键.解:设新品种花生亩产量的增长率为x,
详解:
解:根据题意得200×(1+x)×(1+x)×50%=132
解得:x1=0.2=20%,x2=3.2(不合题意,舍去).
故20%
点睛:
本题考查一元二次方程的实际应用—增长率问题.
15-1【基础】 【正确答案】 16
【试题解析】 分析:
根据梯形的面积公式求出y与x的函数关系式,根据函数关系式即可求出答案.
详解:
解:由题意可知:,
由梯形面积公式的函数关系可知,
当x每增加1时,y增加4,当x增加4时,y增加16,
故16.
点睛:
本题考查了一次函数的应用.关键是根据梯形面积公式列出一次函数关系式,利用函数关系式解答问题.
15-2【基础】 【正确答案】 20
【试题解析】 分析:
设携带行李的重量x与其运费y(元)之间的函数关系式为y=kx+b,由待定系数法求出解析式,当y=0时求出x的值即可.
详解:
解:设携带行李的重量x与其运费y(元)之间的函数关系式为y=kx+b,由题意,得
解得
∴y=30x-600.
当y=0时,30x-600=0,
∴x=20.
故答案为20.
点睛:
本题考查了与一次函数图象结合用一次函数解决实际问题,本题关键是理解一次函数图象的意义以及与实际问题的结合.
15-3【巩固】 【正确答案】 210.
【试题解析】 分析:
根据函数图象中的数据可以求得时,对应的函数解析式,从而可以求得时对应的函数值,由的的图象可以求得时对应的函数值,从而可以计算出题目中所求问题的答案,本题得以解决.
详解:
设当时,对应的函数解析式为,
,得,
即当时,对应的函数解析式为,
当时,,
由图象可知,去年的水价是(元/),故小雨家去年用水量为150,需要缴费:(元),
(元),
即小雨家去年用水量为150,若今年用水量与去年相同,水费将比去年多210元,
故答案为210.
点睛:
本题考查一次函数的应用,解答本题的关键是明确题意,利用一次函数的性质和数形结合的思想解答.
15-4【巩固】 【正确答案】 36
【试题解析】 分析:
由题意可得,甲乙两地速度相同求得a=50,然后用待定系数法求出一次函数表达式,然后甲地已接种疫苗的人数.
详解:
解:乙接种速度为40 80=0.5(万人/天)
0.5a=30-5
解得a=50
设 ,将(50,30),(100,40)代入解析式得
解得
一次函数表达式为
当x=80时,y=36
故36.
点睛:
此题考查了一次函数的应用,解题的关键是熟练掌握待定系数法.
15-5【提升】 【正确答案】 5
【试题解析】 分析:
依据题意得到三个关系式:,ab=10,a2+b2=c2,运用完全平方公式
即可得到c的值.
详解:
解:∵点P在“勾股一次函数”y=的图象上,
∴,
即,
又∵a,b,c分别是Rt△ABC的三条变长,∠C=90°,Rt△ABC的面积是5,
∴,即ab=10,
又∵a2+b2=c2,
∴(a+b)2﹣2ab=c2,
即∴
解得c=5,
故5.
点睛:
此类考查了一次函数图象上点的坐标特征以及勾股定理的应用,解题的关键是根据题目中所给的材料结合勾股定理和乘法公式进行解答.
15-6【提升】 【正确答案】 6.5或
【试题解析】 分析:
根据,,发现2.25记录错误,更正为,设y=0.25x+b,将(1,0.75)代入,求得b=0.5,得到y=0.25x+0.5,把x=24代入, 得到结果.
详解:
解:∵,
,
∴2.25记录错误,应为,
x(厘米)
1
3
4
6
11
12
y(斤)
0.75
1.25
1.50
2.00
3.25
3.50
设y=0.25x+b,
将(1,0.75)代入,得0.75=0.25+b,
∴b=0.5,
∴y=0.25x+0.5,
当x=24时, ,
故6.5.
点睛:
本题考查了表格数据纠错,一次函数的表示方法和一次函数的应用,熟练掌握数据用比例查错纠错,函数的三种表示方法,由表格数据求函数解析式,是解决此类问题的关键.
16-1【基础】 【正确答案】
【试题解析】 分析:
解直角三角形分别求出BD,DC即可解决问题.
详解:
∵,,
∴,
∴,,
∴,
∴,
∴,
∴,
∴,,
∴,
故.
点睛:
本题考查了解直角三角形,锐角三角函数,解题的关键是熟练掌握基本知识.
16-2【基础】 【正确答案】 9
【试题解析】 分析:
根据题意和锐角三角函数可以求得DF的长,再根据三角形相似可以求得AE的长,本题得以解决.
详解:
作DF⊥BC于点F,则∠DFC=90°,
∵CD=8,sin∠BCD=0.75,
∴,
∴DF==6,
∵DF⊥BC,AE⊥BC,
∴DF∥AE,
∴△BDF∽△BAE,
∴
∵BD=2AD,
∴
∴,
即,
解得:AE=9,
故9.
点睛:
本题考查了解直角三角形、三角形相似的判定和性质,解答本题的关键是明确题意,利用数形结合的思想解答.
16-3【巩固】 【正确答案】
【试题解析】 分析:
如图,过作于 证明利用相似三角形的性质求解 再利用锐角三角函数求解 从而可得答案.
详解:
解:如图,过作于
由对折,为等边三角形可得:
,
而
解得:
经检验符合题意,则
故答案为.
点睛:
本题考查的是相似三角形的判定与性质,锐角三角函数的应用,等边三角形的应用,灵活应用以上知识解题的关键.
16-4【巩固】 【正确答案】
【试题解析】 分析:
设交于点,交于点,交于点,设,利用等积法解得CD的长,再证明,利用相似三角形对应边成比例解题即可.
详解:
解:如图,设交于点,交于点,交于点,
设
关于对称
,
故答案为: .
点睛:
本题考查解直角三角形,涉及正弦、相似三角形的判定与性质、轴对称等知识,是重要考点,难度较易,掌握相关知识是解题关键.
16-5【提升】 【正确答案】
【试题解析】 分析:
过点F做于点H,根据求出的长度,再证明,求出的长度,证得,得出的结论,进而求得的长度.
详解:
解:如图,过点F做于点H,
正方形,
,,
,
,
,,
,,
,
,
,
,
故.
点睛:
此题考查了正方形的性质,解直角三角形,相似三角形和全等三角形的判定,解题的关键是正确添加辅助线构造全等三角形.
16-6【提升】 【正确答案】
【试题解析】 分析:
观察函数图象,根据图象经过点即可推出和的长,构造,当A、、三点共线时,取得最小值,利用三角形相似求出此时的值即可.
详解:
解:∵图象过点,
即当时,点与A重合,点与重合,
此时,
为等腰直角三角形,
,
过点A作于点,过点作,并使得,连接,
如图所示:
,,
,
,
又,
,
当A、、三点共线时,取得最小值,如图所示,此时:
,,
,
又,
,
即,
解得:,
图象最低点的横坐标为:.
故.
点睛:
本题考查动点问题的函数图象,三角形全等的判定与性质,相似三角形的判定与性质,通过分析动点位置结合函数图象推出、的长再通过构造三角形全等找到最小值是解决本题的关键.
17-1【基础】 【正确答案】
【试题解析】 分析:
根据零指数幂,负整数指数幂,算术平方根和绝对值的性质求解即可.
详解:
解:原式=
=
点睛:
此题考查了零指数幂,负整数指数幂,算术平方根和绝对值的性质,解题的关键是熟练掌握零指数幂,负整数指数幂,算术平方根和绝对值的性质.
17-2【基础】 【正确答案】
【试题解析】 分析:
先计算绝对值、负指数和0指数,再加减即可.
详解:
解:
.
点睛:
本题考查了含负指数和0指数的实数运算,解题关键是明确负指数和0指数的算法,准确进行计算.
17-3【巩固】 【正确答案】 6
【试题解析】 分析:
运用零指数幂公式,负整数指数幂公式,特殊角三角函数值,算术平方根的定义计算即可.
详解:
解:
.
点睛:
本题考查实数的运算,掌握零指数幂公式,负整数指数幂公式,特殊角三角函数值,算术平方根的定义是解题的关键.
17-4【巩固】 【正确答案】
【试题解析】 分析:
根据绝对值的性质,特殊角的三角函数值,负整数指数幂,零指数幂和二次根式的性质计算即可.
详解:
解:原式
点睛:
本题考查绝对值的性质,特殊角的三角函数值,负整数指数幂,零指数幂和二次根式的性质,熟练掌握这些知识点是解题关键.
17-5【提升】 【正确答案】 1、
2、3
【试题解析】 分析:
(1)根据负整数指数幂、三角函数、零指数幂的性质计算,即可得到答案;
(2)根据是锐角,且,得;再根据二次根式、三角函数、零指数幂、负整数指数幂的性质计算,即可得到答案.
解:
∵
∴
∴
.
点睛:
本题考查了二次根式、三角函数、零指数幂、负整数指数幂的知识;解题的关键是熟练掌握二次根式、三角函数、零指数幂、负整数指数幂的的性质,从而完成求解.
17-6【提升】 【正确答案】 1、(或)
2、
【试题解析】 分析:
(1)由特殊角的三角函数值、绝对值的运算、零指数幂,代入数计算可得到答案.
(2)由绝对值的定义、求一个数的立方根、负整数指数幂的公式、、零指数幂、二次根式的化简、特殊角的三角函数值,代入数计算可得到答案.
解:原式=
=
=
解:原式=
=
点睛:
本题考查求一个数的绝对值、指数幂的运算、二次根式的化简、立方根的运算、特殊角的三角函数值,熟练掌握相关定义、公式和计算方法是解题的关键.
18-1【基础】 【正确答案】 ﹣1<x≤2
【试题解析】 分析:
分别求出各不等式的解集,再求出其公共解集即可.
详解:
解:解不等式2x﹣1≤3得x≤2,
解不等式得x>﹣1,
所以不等式的解集为﹣1<x≤ 2.
故答案为﹣1<x≤ 2.
点睛:
本题考查的是解一元一次不等式组,熟知“同大取大;同小取小;大小小大中间找;小小找不到”的原则是解答此题的关键.
18-2【基础】 【正确答案】 1≤x<10
【试题解析】 分析:
首先分别计算出两个不等式的解集,再根据解集的规律确定不等式组的解集.
详解:
解:,
解①得:x<10,
解②得:1≤x,
故不等式组的解为:1≤x<10.
点睛:
此题主要考查不等式组的求解,解题的关键是熟知不等式的解法.
18-3【巩固】 【正确答案】 2<x≤3,整数解为:,0,1,2,3.
【试题解析】 分析:
根据解一元一次不等式组的方法,可以求得原不等式组的解集,从而可以写出它的所有整数解.
详解:
解:
由不等式①,得:x>2,
由不等式②,得:x≤3,
故原不等式组的解集是:2<x≤3,
∴整数解有:,0,1,2,3.
点睛:
本题考查一元一次不等式组的整数解,解答本题的关键是明确解一元一次不等式组的方法.
18-4【巩固】 【正确答案】 −3⩽x<2,-5
【试题解析】 分析:
先求出两个不等式的解集,再求其公共部分,然后找出整数解,即可求解.
详解:
解不等式,得;
解不等式,得.
所以,不等式组的解集为.
该不等式组的所有整数解为-3,-2,-1,0,1.
所以,该不等式组的所有整数解的和为.
点睛:
本题考查了解一元一次不等式组、一元一次不等式组的整数解,解决的关键是正确解出每个不等式的解集,然后根据限制条件求出不等式的整数解.
18-5【提升】 【正确答案】 (1);(2)2,3.
【试题解析】 分析:
(1)去分母,去括号,移项,合并同类项,最后不等式的两边都除以-11即可;
(2)先求出两个不等式的解集,再求出不等式组的解集,最后在数轴上表示出不等式组的解集即可.
详解:
解:(1),
去分母,得,
去括号,得,
移项得,
合并同类项,得,
系数化为1,得 ;
(2),
解不等式①得: ,
解不等式②得: ,
在同一数轴上表示不等式的解集:
∴不等式组的解集为:,
∴这个不等式组的整数解为:2,3.
点睛:
本题考查了解一元一次不等式,解一元一次不等式组和在数轴上表示不等式组的解集等知识点,能正确根据不等式的性质进行变形是解(1)的关键,能根据不等式的解集求出不等式组的解集是解(2)的关键.
18-6【提升】 【正确答案】 (1)x>﹣1,数轴上表示见解析;(2)x<﹣6;(3)2<x≤6,不等式的整数解为3,4,5,6
【试题解析】 分析:
(1)根据不等式的基本性质解不等式,然后把解集在数轴上表示出即可;
(2)先求出每个不等式的解集,再根据不等式的解集求出不等式组的解集即可;
(3)分别求出各不等式的解集,再求出其公共解集,在其公共解集内找出符合条件的x的整数解即可.
详解:
解:(1),
2(x﹣2)+6<3(x+1),
2x﹣4+6<3x+3,
2x﹣3x<3+4﹣6,
﹣x<1,
∴x>﹣1,
把解集在数轴上表示为:
(2)
解第一个不等式得x<﹣6,
解第二个不等式得x≤3,
则不等式组的解集为x<﹣6;
(3),
解第一个不等式得x>2,
解第二个不等式得x≤6,
∴不等式组的解集为2<x≤6,
∴不等式的整数解为3,4,5,6.
点睛:
此题考查的是解不等式(组),掌握不等式的基本性质是解决此题的关键.
19-1【基础】 【正确答案】 见解析
【试题解析】 分析:
根据菱形的性质得到BC=CD,∠ADC=∠ABC,根据SAS证明△BEC≌△DFC,可得CE=CF.
详解:
解:∵四边形ABCD是菱形,
∴BC=CD,∠ADC=∠ABC,
∴∠CDF=∠CBE,
在△BEC和△DFC中,
,
∴△BEC≌△DFC(SAS),
∴CE=CF.
点睛:
本题考查了菱形的性质,全等三角形的判定和性质,解题的关键是根据菱形得到判定全等的条件.
19-2【基础】 【正确答案】 平行四边形OCED是矩形,理由见解析.
【试题解析】 分析:
证明四边形OCED是矩形,首先证明四边形OCED是平行四边形,然后证明有一内角为90度即可.
详解:
解:平行四边形OCED是矩形,理由如下:
∵四边形ABCD是菱形,
∴AC⊥BD,
∴∠COD=90°.
∵CE∥OD,DE∥OC,
∴四边形OCED是平行四边形,
又∠COD=90°,
∴平行四边形OCED是矩形.
点睛:
本题考查矩形的判定方法,菱形的性质.解题的关键是掌握菱形的性质以及矩形的判定方法.
19-3【巩固】 【正确答案】 见解析
【试题解析】 分析:
根据菱形的性质,推知△ABE≌△CBE(SAS),所以由全等三角形的对应角相等得到∠EAB=∠ECB,再由平行线的性质和等量代换证得结论.
详解:
证明:∵四边形ABCD是菱形,
∴AB=BC,∠ABE=∠CBE.
又∵EB=EB,
∴△ABE≌△CBE(SAS),
∴∠EAB=∠ECB.
∵AB∥DC,
∴∠AFD=∠EAB.
∴∠AFD=∠ECB.
点睛:
本题考查了菱形的性质,全等三角形的判定与性质,此题难度适中,重点把握菱形的邻边相等,对角线平分对角的性质.
19-4【巩固】 【正确答案】 证明见解析.
【试题解析】 分析:
先证△DAF≌△DCE,再证△AEG≌△CFG,最后证△DGE≌△DGF,根据全等三角形的性质即可得到∠DGE=∠DGF.
详解:
证明:∵四边形ABCD是菱形,
∴DA=DC=AB=BC,
∵AE=CF,
∴DE=DF
在△DAF和△DCE中,
,
∴△DAF≌△DCE(SAS),
∴∠EAG=∠FCG,
在△AEG和△CFG中,
,
∴△AEG≌△CFG(AAS),
∴EG=FG,
在△DGE和△DGF中,
,
∴△DGE≌△DGF(SSS),
∴∠DGE=∠DGF.
点睛:
本题考查菱形的性质,全等三角形的判定和性质等知识,解题的关键是正确寻找全等三角形解决问题,属于中考常考题型.
19-5【提升】 【正确答案】 (1)见解析;(2),理由见解析
【试题解析】 分析:
(1)根据菱形的性质可得DA=DC,∠ADP=∠CDP,再根据DP是公共边即可证得△APD≌△CPD从而得到∠PAE=∠PCD,即可推出∠PAE=∠PFA,再由∠APE=∠APF,即可证明△APE∽△FPA;
(2)根据相似三角形的性质可得则可推出,再由全等三角形的性质可得PA=PC,即可证明.
详解:
解:(1)∵四边形ABCD是菱形,
∴DA=DC,∠ADP=∠CDP,DC//AB,
∴∠PFA=∠PCD,
在△APD和△CPD中,
,
∴△APD≌△CPD(SAS);
∴∠PAE=∠PCD,
∴∠PAE=∠PFA,
又∵∠APE=∠APF,
∴△APE∽△FPA;
(2)线段PC、PE、PF之间的关系是:,理由如下:
由(1)得△APE∽△FPA,△APD≌△CPD
∴,PA=PC,
∴,
又∵PC=PA,
∴.
点睛:
本题主要考查了菱形的性质,全等三角形的性质与判定,相似三角形的性质与判定,解题的关键在于能够熟练掌握相关知识进行求解.
19-6【提升】 【正确答案】 (1)详见解析;(2)四边形HEGF是矩形,证明详见解析
【试题解析】 分析:
(1)根据菱形的性质得出∠D=∠B,AD=BC,根据全等三角形的判定推出△ADF≌△CBE,根据全等三角形的性质得出即可;
(2)根据全等三角形的性质得出AF=CE,∠AFD=∠CEB,求出∠AFD=∠CEB=∠DCE,求出HF=EG,HF∥EG,求出∠HEG=90°,根据平行四边形的判定和矩形的判定得出即可.
详解:
证明:(1)∵四边形是菱形
∴,,
又
∴
∴
(2)四边形HEGF是矩形.
证明如下:
∵四边形是菱形,
∴,
∴四边形是平行四边形
∴,
又,
∴,
∴四边形是平行四边形,
∵,,
∴
∴
∴四边形是矩形.
点睛:
本题考查了菱形的性质,矩形的判定,平行四边形的判定,全等三角形的性质和判定,平行线的性质和判定等知识点,能综合运用知识点进行推理是解题的关键.
20-1【基础】 【正确答案】 1、被调查学生的总人数为250人
2、补全条形统计图和扇形统计图见解析
【试题解析】 分析:
(1)根据题意得出男生选择梨子的人数,即可确定女生选择梨子的人数,得出女生总人数,由此即可求总人数;
(2)根据(1)中结果补全条形统计图,根据选择香蕉的女生人数是选择苹果的女生人数的3倍补全扇形统计图即可.
男生选择梨子的有:(人),
女生选择梨子的有:(人),
女生总人数为:(人),
被调查的总人数为:(人),
即被调查的总人数为250人;
由(1)可知,
男生选择梨子的有45人,
女生选择苹果的学生所占的百分比为,
选择香蕉的学生所占的百分比为,
补全的统计图如图所示.
点睛:
题目主要考查条形统计图与扇形统计图,根据两个统计图获取相关信息进行计算是解题关键.
20-2【基础】 【正确答案】 1、200 2、,见解析
3、1680名
【试题解析】 分析:
(1)根据A类的人数和所占的百分比,即可求出总人数;
(2)用整体1减去A、C、D类所占的百分比,即可求出扇形统计图中“D”所在扇形的圆心角的度数以及B所占的百分比;用总人数乘以所占的百分比,求出C的人数,从而补全图形;
(3)总人数乘以样本中B所占百分比即可得.
解:40÷20%=200(名),
答:调查的总学生是200名;
解:D所占百分比为,
扇形统计图中“D”所在扇形的圆心角的度数为:;
B所占的百分比是,
C的人数是:(名),
补图如下:
解:(名),
答:估计喜欢B(科技类)的学生大约有1680名.
点睛:
此题主要考查了条形统计图和扇形统计图的应用,正确利用条形统计图得出正确信息是解题关键.
20-3【巩固】 【正确答案】 1、
2、
3、小刚和小强两人恰好选到同一门课程的概率为
【试题解析】 分析:
(1)用“礼仪”的人数除以占比得到总人数;
(2)用“陶艺”的人数除以总人数再乘以即可求解;
(3)用画树状图法求得概率即可求解.
解:(人)
故.
“陶艺”在扇形统计图中所对应的圆心角是,
故.
把“礼仪”“陶艺”“编程”三门校本课程分别记为A、B、C
共有9种等可能的结果,其中小刚和小强两人恰好选到同一门课程的结果有3种,
∴小刚和小强两人恰好选到同一门课程的概率为.
点睛:
本题考查的是条形统计图和扇形统计图的综合运用,用列表法或画树状图法求概率;列表法或画树状图法可以不重复不遗漏的列出所有可能的结果数,概率=所求情况数与总情况数之比.能对图表信息进行具体分析和熟练掌握概率公式.
20-4【巩固】 【正确答案】 1、40人 2、108°
3、见解析 4、
【试题解析】 分析:
(1)合两个图表可得:A类别人数为6人,所占比例为15%,据此即可得出总人数;
(2)结合条形统计图可得:B部分人数为12人,总人数为40人,得出比例乘以即可得;
(3)根据题意可得C类别人数为18人,据此补全条形统计图即可;
(4)画出树状图,利用树状图求解即可得.
解:结合两个图表可得:A类别人数为6人,所占比例为15%,
∴参加这次调查的学生总人数为(人),
故40;
解:结合条形统计图可得:B部分人数为12人,总人数为40人,
∴扇形统计图中,B部分扇形所对应的圆心角是,
故;
解:C类别人数为(人),
补全图形如下:
解:画树状图为:
共有12种等可能的结果数,其中恰好选中1名男生和1名女生的结果数为8,
∴所抽取的2名学生恰好是1名男生和1名女生的概率.
点睛:
题目主要考查结合扇形统计图与条形统计图获取相关信息,包括利用部分得出总体,扇形圆心角度数,补全条形统计图,根据树状图或列表法计算概率等,理解题意,综合运用这些知识点是解题关键.
20-5【提升】 【正确答案】 1、100,15 2、图见解析
3、800人 4、
【试题解析】 分析:
(1)根据喜爱乒乓球的有10人,占10%可以求得m的值,从而可以求得n的值;
(2)根据题意和m的值可以求得喜爱篮球的人数,从而可以将条形统计图补充完整;
(3)先用喜欢足球的人数用除以总人数,求出喜欢足球的人数占总人数的百分比,后用这个百分比乘以2000计算.
(4)先列表或树状图的方法求出总共的情况以及恰好小花,小颖能分在一组的情况数,进而用概率进行计算即可.
,
故100,15;
喜爱篮球的有:(人),
补全的条形统计图,如下图所示;
(人),
答:全校2000名学生中,大约有800人喜爱踢足球.
把小花标记为A、小颖标记为B、另外两名同学分别标记为C和D,列表如下:
A
B
C
D
A
(A,B)
(A,C)
(A,D)
B
(B,A)
(B,C)
(B,D)
C
(C,A)
(C,B)
(C,D)
D
(D,A)
(D,B)
(D,C)
由上表可知,共有12种等可能的情况,其中,小花,小颖分别在同一组的情况有共4种.
∴P(小花,小颖分在同一组)=.
点睛:
本题考查学生数据的分析和数据的整合能力,这是一道概率统计与应用题,侧重数据分析和模型构建.本题来源于真实的数学情境,联系生活实际对本题进行解读的话,会很容易理解,但如果没有联系生活实际,在最后一小题,是很容易忽略掉最后两种情况的.此题贴近生活、常中见拙、拙中藏巧、一题多问、层层递进,为不同层次的学生展示自己的才华创设了平台,培养了学生的数学综合素养.
20-6【提升】 【正确答案】 1、40,20 2、图见解析,
3、
4、人
【试题解析】 分析:
(1)根据C组的频数和所占的百分比,可求出调查总人数,再利用D组人数进而求出m的值;
(2)根据B组的百分比和总人数得出B组的人数,从而补全频数分布直方图;求出E组的百分比乘以即可
(3)列表得出共有12种等可能的结果,其中选取的2名学生恰好是一男一女的结果有6种,再由概率公式求解即可;
(4)利用总人数乘以A、B、C、D的人数所占比例即可得;
解:(人),
则本次随机调查的学生有40人,
(人)
∴补全图1中统计图,如图所示
∴E组所占扇形圆心角的度数为54度
根据题意列表如下:
男1
男2
男3
女
男1
--
男2男1
男3男1
女男1
男2
男1男2
--
男3男2
女男2
男3
男1男3
男2男3
--
女男3
女
男1女
男2女
男3女
--
由表格可知,共有12种等可能的结果,其中选取的2名学生恰好是一男一女的结果有6种,
∴恰好选中一男一女的概率是
(人)
∴成绩优秀的学生大约有人.
点睛:
本题考查的是条形统计图和扇形统计图的综合运用以及概率的知识,读懂统计图,从不同的统计图中得到必要的信息是解决问题的关键.条形统计图能清楚地表示出每个项目的数据;扇形统计图直接反映部分占总体的百分比大小.
21-1【基础】 【正确答案】 楼房AB的高度为.
【试题解析】 分析:
作DH⊥AB,根据Rt△CDE和Rt△ADH中三角函数值得出BH和AH的长度,从而得出答案.
详解:
解:作于H, 在中,,,
,
在中,,
,
答:楼房AB的高度为.
.
点睛:本题主要考查的是解直角三角形的性质,属于基础题型.作出辅助线构造出直角三角形是解决这个问题的关键.
21-2【基础】 【正确答案】 米
【试题解析】 分析:
作于H,于点E,则, 设.在中,根据,构建方程即可解决问题.
详解:
解:作于H,于点E,则,
设米.
∵,
∴,
在中,,
∴
∴米,米,
在中,∵,
∴米,
∵又,
∴米,米,
在中,,
∴,
即米,
∴米
答:山顶A到地面的高度是米.
点睛:
本题考查仰角的定义,要求学生能借助仰角构造直角三角形并解直角三角形.解此题的关键是掌握数形结合思想与方程思想的应用.
21-3【巩固】 【正确答案】 1、36米 2、113米
【试题解析】 分析:
(1)根据坡比定义求解即可;
(2)过点作于点,易知四边形是矩形,则有米,,由题意可知,,,,解得,由即可获得答案.
解:∵斜坡的坡比为,米,
∴,
∴米;
过点作于点,
∵,,,
∴四边形是矩形,
∴米,,
由题意可知,,,,,, ,
∴,,
解得,
∴米.
点睛:
本题主要考查了解直角三角形的应用、锐角三角函数的应用、仰角、俯角等问题,根据题意作出辅助线,构造出直角三角形是解答此题的关键.
21-4【巩固】 【正确答案】 1、点B距水平地面的高度为5米
2、该公司的广告牌不符合要求,理由见解析
【试题解析】 分析:
(1)过点B作于点M,根据坡度得到,设米,米,利用勾股定理求得米,进而解方程即可;
(2)作于点N,则四边形是矩形.分别在和中解直角三角形即可求解.
解:过点B作于点M,
由题意可知,,
设米,米,
则米
∴,解得,
∴米,米,
即点B距水平地面的高度为5米.
解:作于点N,
∵,,
∴四边形是矩形.
∴米,米.
在中,,
∴米,米,
在中,,米,
∴米
∴米
∵,
∴该公司的广告牌不符合要求.
点睛:
本题主要考查解直角三角形的应用,涉及矩形的判定与性质、勾股定理,理解题意,作辅助线构造直角三角形和矩形进行求解是解答的关键.
21-5【提升】 【正确答案】 (1)75km/h;(2)87.7m;(3)在飞机着陆滑行中最后4s滑行的距离为24米
【试题解析】 分析:
(1)设走路线A的平均速度为xkm/h,根据路线A、路线B所用时间的关系列方程即可求解;
(2)过点D作DF⊥AB,垂足为F,作DE⊥BC交BC的延长线于点E,通过已知信息解三角形求出AF和FB的长度即可求解;
(3)将已知函数解析式转化为顶点式,求出飞机停止所用时间及总滑行距离,再求出飞机停止4秒前滑行距离,即可求解.
详解:
(1)解:设走路线A的平均速度为xkm/h,则走路线B的平均速度为(1+50%)x=(1+0.5)xkm/h,
依题意,得:,
解得:x=50,
经检验,x=50是原方程的解,且符合题意,
∴(1+50%)x=75.
答:走路线B的平均速度为75km/h;
(2)解:如图,过点D作DF⊥AB,垂足为F,作DE⊥BC交BC的延长线于点E,
由题意得,∠ADF=28°,CD=50m,BC=60m,
在Rt△DEC中,
∵山坡CD的坡度i=1:0.75,
∴,
设DE=4xm,则EC=3xm,由勾股定理可得CD=5xm,
又CD=50m,即5x=50,
∴x=10,
∴EC=3x=30(m),DE=4x=40(m)=FB,
∴BE=BC+EC=60+30=90(m)=DF,
在Rt△ADF中,
AF=tan28°×DF≈0.53×90≈47.7(m),
∴AB=AF+FB=47.7+40≈87.7(m),
即居民楼AB的高度约为87.7m.
(3)解:当y取得最大值时,飞机停下来,
则y=60t﹣1.5t2=﹣1.5(t﹣20)2+600,
此时t=20,飞机着陆后滑行600米才能停下来.
因此t的取值范围是0≤t≤20;
当t=16时,解得y=576,
所以600﹣576=24(米).
答:在飞机着陆滑行中最后4s滑行的距离为24米.
点睛:
本题考查分式方程、解直角三角形二次函数的实际应用,熟练运用相关知识解决实际问题是解题关键.
21-6【提升】 【正确答案】 1、7米 2、建筑物高约为米.
【试题解析】 分析:
(1)根据题意解直角三角形即可得出答案;
(2)过点D作,垂足为P,再解直角三角形即可得到结论.
解:∵坡的坡度为,坡面长26米,D为的中点,
∴,,
∴,
∴,,
∵,
∴,而,
∴,,
∴(米);
则平台的长为7米;
过点D作,垂足为P.
在中,,
同理可得:,
在矩形中,,,
在中, ,
∴,
∵,
∴ ,
解得:,
∴(米),
答:建筑物高约为米.
点睛:
本题主要考查了解直角三角形中坡角问题,仰角问题,根据图形构建直角三角形,进而利用锐角三角函数得出答案是解题关键.
22-1【基础】 【正确答案】 (1)证明见解析;(2)证明见解析.
【试题解析】 分析:
(1)连接OC,由PC为圆O的切线,利用切线的性质得到OC垂直于PC,再由BD垂直于PD,得到一对直角相等,利用同位角相等两直线平行得到OC与BD平行,进而得到一对内错角相等,再由OB=OC,利用等边对等角得到一对角相等,等量代换即可得证;
(2)连接AC,由AB为圆O的直径,利用圆周角定理得到∠ACB为直角,利用两对角相等的三角形相似得到三角形ABC与三角形CBD相似,利用相似三角形对应边成比例,变形即可得证.
详解:
解:(1)连接OC,∵PC与圆O相切,∴OC⊥PC,即∠OCP=90°,
∵BD⊥PD,∴∠BDP=90°,∴∠OCP=∠PDB,∴OC∥BD,
∴∠BCO=∠CBD,∵OB=OC,∴∠PBC=∠BCO,
∴∠PBC=∠CBD;
(2)连接AC,∵AB为圆O的直径,
∴∠ACB=90°,∴∠ACB=∠CDB=90°,
∵∠ABC=∠CBD,∴△ABC∽△CBD,
∴,则=AB•BD.
点睛:
本题考查相似三角形的判定与性质;切线的性质.
22-2【基础】 【正确答案】 (1)34°;(2)2
【试题解析】 分析:
(1)连接OA,根据圆周角定理求出∠AOC,根据切线的性质求出∠OAC,根据三角形内角和定理求出即可;
(2)设OA=OE=r,根据勾股定理得出方程,求出方程的解即可.
详解:
解:(1)连接OA,
∵∠ADE=28°,
∴由圆周角定理得:∠AOC=2∠ADE=56°,
∵AC切⊙O于A,
∴∠OAC=90°,
∴∠C=180°﹣∠AOC﹣∠OAC=180°﹣56°﹣90°=34°;
(2)设OA=OE=r,
在Rt△OAC中,由勾股定理得:OA2+AC2=OC2,
即r2+(2)2=(r+2)2,
解得:r=2,
答:⊙O半径的长是2.
点睛:
本题考查的是切线的性质、垂径定理、圆周角定理,掌握圆的切线垂直于经过切点的半径是解题的关键.
22-3【巩固】 【正确答案】 (1)见解析;(2)
【试题解析】 分析:
(1)连接OD、OE,根据切线的性质、正方形的判定定理得到四边形OECD为正方形,根据正方形的性质证明结论;
(2)根据勾股定理求出BC,证明△AOD∽△ABC,根据相似三角形的性质列出比例式,计算即可.
详解:
(1)连接OD、OE,
∵AC、BC都与圆O相切,
∴OE⊥BC,OD⊥AC,又∠C=90°,
∴四边形OECD为矩形,
∵OD=OE,
∴四边形OECD为正方形,
∴CD=CE;
(2)设圆O的半径为r,
在Rt△ABC中,BC=
∵OD⊥AC,∠C=90°,∠A=∠A,
∴△AOD∽△ABC,
∴=即
解得,r=
∴AD=AC﹣CD=8﹣=
故
点睛:
本题考查了切线的性质,正方形的判定和性质,相似三角形的判定和性质,以及用勾股定理解直角三角形.根据三角形相似得到相似比是求解线段长度的一种方法.
22-4【巩固】 【正确答案】 (1)见解析;(2)
【试题解析】 分析:
(1)连接OB,根据圆周角定理得∠ABD=90°,根据切线的性质定理得到OBBC,根据同角的余角相等证明即可;
(2)证明,根据相似三角形的性质列出比例式,把已知数据代入计算即可.
详解:
(1) 证明 :连 接 OB, 如图
是的直径
为切线
(2)
即
点睛:
本题考查的是切线的性质、圆周角定理,掌握圆的切线垂直于经过切点的半径是解题的关键.
22-5【提升】 【正确答案】 (1)见解析;(2)⊙O的半径,.
【试题解析】 分析:
(1)连接OD,可证△CDP≌△CBP,可得∠CDP=∠CBP,由∠CBP+∠BEC=90°,∠BEC=∠OED=∠ODE,可证出∠ODP=90°,则DP是⊙O的切线;
(2)先求出CE长,在Rt△DEF中可求出EF长,证明△DPE∽△FPD,由比例线段可求出EP长,则OP可求出.
详解:
解:(1)连接OD,
∵正方形ABCD中,CD=BC,CP=CP,∠DCP=∠BCP=45°,
∴△CDP≌△CBP(SAS),
∴∠CDP=∠CBP,
∵∠BCD=90°,
∴∠CBP+∠BEC=90°,
∵OD=OE,
∴∠ODE=∠OED,
又∵∠OED=∠BEC,
∴∠BEC=∠OED=∠ODE,
∴∠CDP+∠ODE=90°,
∴∠ODP=90°,
∴DP是⊙O的切线;
(2)∵∠CDP=∠CBE,
∴tan,
∴CE=,
∴DE=2,
∵∠EDF=90°,
∴EF是⊙O的直径,
∴∠F+∠DEF=90°,
∴∠F=∠CDP,
在Rt△DEF中,,
∴DF=4,
∴==2,
∴,
∵∠F=∠PDE,∠DPE=∠FPD,
∴△DPE∽△FPD,
∴,
设PE=x,则PD=2x,
∴,
解得x=,
∴OP=OE+EP=.
点睛:
本题考查了切线的判定与性质、圆周角定理、正方形的性质、全等三角形的判定与性质、相似三角形的判定与性质、锐角三角函数的运用;熟练掌握切线的判定与性质并结合锐角三角函数进行计算是解决问题的关键.
22-6【提升】 【正确答案】 (1)见解析;(2)AD=2.
【试题解析】 分析:
(1)作OE⊥AB,先由∠AOD=∠BAD求得∠ABD=∠OAD,再由∠BCO=∠D=90°及∠BOC=∠AOD求得∠OBC=∠OAD=∠ABD,最后证△BOC≌△BOE得OE=OC,依据切线的判定可得;
(2)先求得∠EOA=∠ABC,在Rt△ABC中求得AC=8,AB=10,由切线长定理知BE=BC=6,AE=4,OE=3,继而得BO=3,根据相似三角形的性质即可得出结论.
详解:
解:(1)过点O作OE⊥AB于点E,
∵O为∠MBN角平分线上一点,
∴∠ABD=∠CBD,
又∵BC为⊙O的切线,
∴AC⊥BC,
∵AD⊥BO于点D,
∴∠D=90°,
∴∠BCO=∠D=90°,
∵∠BOC=∠AOD,
∴∠BAD+∠ABD=90°,∠AOD+∠OAD=90°,
∵∠AOD=∠BAD,
∴∠ABD=∠OAD,
∴∠OBC=∠OAD=∠ABD,
在△BOC和△BOE中,
∵,
∴△BOC≌△BOE(AAS),
∴OE=OC,
∵OE⊥AB,
∴AB是⊙O的切线;
(2)∵∠ABC+∠BAC=90°,∠EOA+∠BAC=90°,
∴∠EOA=∠ABC,
∵tan∠ABC=、BC=6,
∴AC=BC•tan∠ABC=8,
则AB=10,
由(1)知BE=BC=6,
∴AE=4,
∵tan∠EOA=tan∠ABC=,
∴,
∴OE=3,OB==3,
∵∠ABD=∠OBC,∠D=∠ACB=90°,
∴△ABD∽△OBC,
∴,即,
∴AD=2.
故AD=2.
点睛:
本题主要考查了切线的判定与性质. 解题的关键是掌握切线的判定,切线长定理,全等与相似三角形的判定与性质及解直角三角形的应用.
23-1【基础】 【正确答案】 30米
【试题解析】 分析:
设原计划每天铺设管道x米,根据相等关系列出方程,求出方程的解即可.
详解:
解:设原计划每天铺设管道x米,1+20%=1.2
根据题意得: +=9,
解得:x=30,
经检验x=30是所列方程的解,
答:原计划每天铺设管道30米.
故答案为30米.
点睛:
本题考查了分式方程的应用,能根据题意列出方程是解此题的关键.
23-2【基础】 【正确答案】 (1);(2)购买排球5个,篮球25个,最小值为2300.
【试题解析】 分析:
(1)由总费用等于购买篮球与购买排球的费用之和,可得答案;
(2)先求解购买排球的数量的范围,利用(1)中的函数关系式,利用函数性质求解最小费用即可.
详解:
解:(1)根据题意得,购买的篮球数为(30-x)个,
(2)
由(1)知:,
<
所以:随x的增大而减少
所以:当x=5时有最小值,
此时购买排球5个;篮球25个;
最小值为.
答:购买排球5个;篮球25个时的费用最小,最小费用为元.
点睛:
本题考查的是一次函数的应用,同时考查了一元一次不等式的应用,利用一次函数的性质求最小值,掌握以上知识是解题的关键.
23-3【巩固】 【正确答案】 (1)甲品牌洗衣液进价为30元/瓶,乙品牌洗衣液进价为24元/瓶;(2)购进甲品牌洗衣液40瓶,乙品牌洗衣液80瓶时所获利润最大,最大利润是560元
【试题解析】 分析:
(1)设甲品牌洗衣液每瓶的进价是x元,则乙品牌洗衣液每瓶的进价是(x-6)元,根据数量=总价÷单价,结合用1800元购进乙品牌洗衣液数量的,即可得出关于x的分式方程,解之经检验后即可得出结论;
(2)设可以购买m瓶乙品牌洗手液,则可以购买(100-m)瓶甲品牌洗手液,根据总价=单价×数量,结合总费用不超过1645元,即可得出关于m的一元一次不等式,解之即可得出m的取值范围,再取其中的最大整数值即可得出结论.
详解:
解:(1)设甲品牌洗衣液进价为元/瓶,则乙品牌洗衣液进价为元/瓶,
由题意可得,,
解得,
经检验是原方程的解.
答:甲品牌洗衣液进价为30元/瓶,乙品牌洗衣液进价为24元/瓶.
(2)设利润为元,购进甲品牌洗衣液瓶,
则购进乙品牌洗衣液瓶,
由题意可得,,
解得,
由题意可得,,
∵,∴随的增大而增大,
∴当时,取最大值,.
答:购进甲品牌洗衣液40瓶,乙品牌洗衣液80瓶时所获利润最大,最大利润是560元.
点睛:
本题考查分式方程的应用,一次函数的应用,一元一次不等式的应用,解题的关键是灵活运用所学知识解决问题.
23-4【巩固】 【正确答案】 1、型号手机进价为3000元/部,型号手机进价为3500元/部
2、当营业厅再次购进A型号手机各10部,B型号售价20部时获得最大利润,最大利润14000元
【试题解析】 分析:
(1)设型号手机进价为元/部,型号手机进价为元/部,再根据营业厅购进A手机花费了18000元,购买B手机花费了10500元,购进A手机的数量是购进B手机的数量的2倍列出方程求解即可;
(2)设再次购进种手机部,则再次购进种手机部,根据B型手机的数量不多于A型手机数量的2倍,求出,在列出W关于m的一次函数关系,利用一次函数的性质求解即可.
解:设型号手机进价为元/部,型号手机进价为元/部,
根据题意得:,
解得,
经检验,是原方程的解,
,
型号手机进价为3000元/部,型号手机进价为3500元/部;
解:设再次购进种手机部,则再次购进种手机部,
依题意有:,
解得:.
,
∵,
∴随着的增大而减小.
∴当时,第二次利润最大,此时元.
∴当营业厅再次购进A型号手机各10部,B型号售价20部时获得最大利润,最大利润14000元.
点睛:
本题主要考查了分式方程的实际应用,一元一次不等式的实际应用,一次函数的实际应用,正确理解题意列出对应的方程和关系是解题的关键.
23-5【提升】 【正确答案】 (1)甲种电脑今年每台售价4000元;(2)共有5种进货方案;(3)购买甲种电脑6台,乙种电脑9台时对公司更有利.
【试题解析】 (1)设今年三月份甲种电脑每台售价元,
,
解得:x=4000
经检验:x=4000是原方程的根,
所以甲种电脑今年每台售价4000元.
设购进甲种电脑x台,
48000≤3500x+3000(15-x)≤5000
解得6≤x≤10
因为x的正整数解为6,7,8,9,10,所以共有5种进货方案
设总获利为W元,
W=(4000-3500)x+(3800-3000-a)
=(a-300)x+12000-15a
当a=300时,(2)中方案获利相同.
此时,购买甲种电脑6台,乙种电脑9台时对公司更有利(利润相同,成本最低).
23-6【提升】 【正确答案】 (1)A型口罩每件的进价为170元,B型口罩每件的进价为160元;(2)符合条件的进货方案共4种;(3)当购买A型口罩100件,B型口罩100件时,该公司获得的收益最大,最大收益为13000元.
【试题解析】 分析:
(1)设B型口罩每件的进价为y元,则A型口罩每件的进价为(y+10)元,根据用68000元购买A型口罩的件数是用32000元购买B型口罩件数的2倍,即可得出关于y的分式方程,解之经检验后即可得出结论;
(2)设购买A型口罩x件,则购买B型口罩(200−x)件,根据“A型口罩的件数不大于B型口罩的件数,且用于购买A型口罩的钱数多于购买B型口罩的钱数”,即可得出关于x的一元一次不等式组,解之即可得出x的取值范围,再结合x为正整数即可得出符合条件的进货方案的数量;
(3)设该公司捐献后获得的收益为w元,根据获得的收益=销售每件的收益×销售数量,即可得出w关于x的函数关系式,再利用一次函数的性质即可解决最值问题.
详解:
解:(1)设B型口罩每件的进价为y元,则A型口罩每件的进价为(y+10)元,
依题意得: =2×,解得:y=160,
经检验,y=160是原方程的解,且符合题意,
∴y+10=170.
答:A型口罩每件的进价为170元,B型口罩每件的进价为160元;
(2)设购买A型口罩x包,则购买B型口罩(200−x)包,
依题意得:,
解得:96<x≤100,
又∵x为正整数,
∴x可以取97,98,99,100,
∴符合条件的进货方案共4种;
(3)设该公司获得的收益为w元,
则w=(240−170)x+(220−160)(200−x)=10x+12000.
∵k=10>0,
∴w随x的增大而增大,
∴当x=100时,w取得最大值,最大值=10×100+12000=13000.
答:当购买A型口罩100件,B型口罩100件时,该公司获得的收益最大,最大收益为13000元.
点睛:
本题考查了一元一次不等式组的应用、分式方程的应用以及一次函数的应用,解题的关键是:(1)找准等量关系,正确列出分式方程;(2)根据各数量之间的关系,正确列出一元一次不等式组;(3)根据各数量之间的关系,找出w关于x的函数关系式.
24-1【基础】 【正确答案】 1、
2、
【试题解析】 分析:
(1)将代入得,则点坐标为,代入反比例函数解析式即可求解;
(2)先把点代入直线表达式求出点坐标,进而根据两点横坐标一直代入反比例函数表达式求出点坐标根据可求出答案。
解:将代入得
点坐标为
点在反比例函数的图象上,
.
反比例函数的表达式为:.
解:将代入一次函数得
即点的坐标为,
将代入反比例函数得
即点坐标为,
,
点睛:
本题考查了反比例函数与一次函数综合,掌握一次函数与反比例数的性质是解题的关键.
24-2【基础】 【正确答案】 1、反比例函数的解析式为,点N的坐标为
2、点P的坐标为或
【试题解析】 分析:
(1)作轴于点E,由点的坐标与图形的性质求得点,代入反比例函数解析式求得该双曲线方程;由点M的坐标易得点B的坐标,再由此设点N的坐标为,代入求得n的值即可;
(2).设点P的坐标为,由“的面积与四边形的面积相等”可得,由此求得p的值即可.
解:作轴,由,,可得,.
∴点A的坐标为.
∴反比例函数的解析式为,
由,,
可得点M的坐标为.
由,,
可得.
∴点B的坐标为.
设点N的坐标为,代入中,得.
∴点N的坐标为.
解:
.
设点P的坐标为.
由,得.
∴点P的坐标为或.
点睛:
本题考查了反比例函数综合题,涉及到了待定系数法求反比例函数解析式,矩形的面积公式,三角形的面积公式,锐角三角函数的定义以及反比例函数图象上点的坐标特征等知识点,综合性比较强,但是难度不是很大.
24-3【巩固】 【正确答案】 1、;
2、存在;M(5,0)
3、或或
【试题解析】 分析:
(1)利用,,得,从而求出点的坐标,得出的值;
(2)利用三角形三边关系可得,延长交轴于,此时的值最大,利用待定系数法求出直线的解析式即可得出点的坐标;
(3)设点,利用两点间的距离公式得,,,再分类讨论即可.
解:,
,,
将绕点逆时针旋转,使点落在轴上,得到,
,
,
,
,
,
,
,
;
解:由(1)知,,
当时,,
延长交轴于,
此时的值最大,
设直线的解析式为,将点、坐标代入得,
,
解得,
,
当时,,
;
解:设点,
,,
,,,
当时,,
解得:或(负值舍去),
当时,同理可得:;
当时,同理可得:或(大于4舍去),
综上,的长为:或或.
点睛:
本题是反比例函数综合题,考查了相似三角形的判定与性质,待定系数法求函数解析式,等腰三角形,解题的关键是表示出的三边长度,运用分类思想求解.
24-4【巩固】 【正确答案】 (1),n=2;(2);(3)(1,),
【试题解析】 分析:
(1)将、代入反比例函数解析式,进而得出的值;
(2)根据题意进而得出,,的坐标,利用待定系数法求出一次函数与反比例函数关系式即可;
(3)利用与 相似存在两种情况,分别利用图形分析得出即可.
详解:
解:(1)、在反比例函数的图象上,
,,
,,
反比例函数的解析式为;
(2)如图1,过点作,垂足为.
在中,,
,,
,
.
.
设直线的解析式为,代入、,
得,解得:,
因此直线的函数解析式为:;
(3)存在,
如图2,作于,于,
当时,,
,
,
,
,可得,,
点的坐标为;
如图3,当时,,
,,由勾股定理,,
,
,
,,,
,可得,,
点的坐标为,,
点的坐标为;,.
点睛:
本题属于反比例函数综合题,主要考查的是反比例函数的性质,待定系数法求出一次函数解析式,相似三角形的判定等知识,解题的关键是学会用分类讨论的思想思考问题,属于中考压轴题.
24-5【提升】 【正确答案】 (1)详见解析;(2)∠APB=180°﹣α;(3)点P的坐标为:,或.
【试题解析】 分析:
(1)只要证明△AOP∽△POB,可得=,即可证明;
(2)由∠APB是∠MON的智慧角,可得=,即可推出△AOP∽△POB,推出∠OAP=∠OPB,推出∠APB=∠OPB+∠OPA=∠OAP+∠OPA=180°-α;
(3)设点C(a,b),则ab=3,过点C作CH⊥OA于H;发三种情形情况:①当点B在y轴正半轴上时;当点A在x轴的负半轴上时,如图3所示:②当点A在x轴的正半轴上时,如图4所示:③当点B在y轴的负半轴上时,如图5所示,分别求解即可.
详解:
(1)如图2中,
∵∠MON=90°,P为∠MON的平分线上一点,
∴∠AOP=∠BOP=∠MON=45°,
∵∠AOP+∠OAP+∠APO=180°,
∴∠OAP+∠APO=135°,
∵∠APB=135°,
∴∠APO+∠OPB=135°,
∴∠OAP=∠OPB,
∴△AOP∽△POB,
∴,
∴OP2=OA•OB,
∴∠APB是∠MON的智慧角;
(2)如图1中,
∵∠APB是∠MON的智慧角,
∴OA•OB=OP2,
∴,
∵P为∠MON的平分线上一点,
∴∠AOP=∠BOP=α,
∴△AOP∽△POB,
∴∠OAP=∠OPB,
∴∠APB=∠OPB+∠OPA=∠OAP+∠OPA=180°﹣α,
即∠APB=180°﹣α;
(3)设点C(a,b),则ab=3,过点C作CH⊥OA于H;分两种情况:
①当点B在y轴正半轴上时;当点A在x轴的负半轴上时,如图3所示:
BC=2CA不可能;
②当点A在x轴的正半轴上时,如图4所示:
∵BC=2CA,
∴,
∵CH∥OB,
∴△ACH∽△ABO,
∴,
∴OB=3b,OA=a,
∴OA•OB=a•3b==,
∵∠APB是∠AOB的智慧角,
∴,
∵∠AOB=90°,OP平分∠AOB,
∴点P的坐标为:;
③当点B在y轴的负半轴上时,如图5所示,
∵BC=2CA,
∴AB=CA,
在△ACH和△ABO中,
,
∴△ACH≌△ABO(AAS),
∴OB=CH=b,OA=AH=a,
∴OA•OB= a•b=,
∵∠APB是∠AOB的智慧角,
∴OP===,
∵∠AOB=90°,OP平分∠AOB,
∴点P的坐标为:;
综上所述:点P的坐标为:,或.
点睛:
本题考查反比例函数综合题目、角平分线的性质、相似三角形的判定与性质、新定义以及运用、三角形面积的计算、全等三角形的判定与性质等知识,解题的关键是灵活运用所学知识解决问题,正确寻找相似三角形的条件是突破点,学会用分类讨论的思想思考问题,属于中考压轴题.
24-6【提升】 【正确答案】 1、,
2、证明见解析 3、2或
【试题解析】 分析:
(1)根据正方形的边长可确定C点的坐标,再利用正方形的性质得出E点坐标,用待定系数法求出双曲线解析式即可;
(2)设出M点和N点的坐标,根据坐标的性质得出,推出即可得出;
(3)根据E点的坐标求出的长,再分三种情况讨论分别求出m的值即可.
解:∵正方形的边长为4,,交于点E,
∴,
将E点坐标代入双曲线,
得,
解得,
∴双曲线的解析式为,
故,;
∵双曲线与,分别交于点M,N,
∴设,
∴,
∴,
∴,
由正方形可知,,
∴,
∴,
∴;
解:∵正方形边长为4,
由(1)知,
∴,
∵AE为腰,分两种情况:
①当 时,
∵,,点P、E在反比例数图象上,
,
∴,
②当时,点P与点B重合,
∵,点P、E在反比例数图象上,
∴,
∴;
综上所述,满足条件的m的值为2或.
点睛:
本题考查了反比例函数与几何图形,正方形的性质,掌握反比例函数的性质,利用数形结合的思想进行求解是解题的关键.
25-1【基础】 【正确答案】 1、见解析; 2、102°.
【试题解析】 分析:
(1)由BF=CE,得BE=CF,再利用SAS证明△ABE≌△DCF;
(2)由(1)知,∠A=∠D,∠AEB=∠DFC,可知∠D=72°,再利用三角形外角的性质∠DFB=∠C+∠D=102°,从而得出答案.
证明:∵BF=CE,
∴BE=CF,
在△ABE与△DCF中
∴△ABE≌△DCF(SAS),
解:由(1)知,△ABE≌△DCF,
∴∠AEB=∠DFC,∠A=∠D,
∴∠AEC=∠DFB,
∵∠A+∠D=144°,
∴∠D=72°,
又∵∠C=30°,
∴∠DFB=∠C+∠D=102°,
∴∠CFD=102°.
点睛:
本题主要考查了全等三角形的判定与性质,三角形外角的性质等知识,熟练掌握三角形的外角等于与它不相邻的两个内角和是解题的根据.
25-2【基础】 【正确答案】 (1)证明见解析;(2)证明见解析
【试题解析】 分析:
(1)结合题意得:,,推导得;通过证明,即可完成证明;
(2)根据(1)的结论得:;根据题意得;再通过证明,即可完成证明.
详解:
(1) ∵,,
∴
∵,
∴
即
∴
∴;
(2)∵
∴
结合(1)的结论
∴
∵,
∴
∵,
∴
即
∴
∴.
点睛:
本题考查了三角形外角、全等三角形的知识;解题的关键是熟练掌握三角形外角、全等三角形的性质,从而完成求解.
25-3【巩固】 【正确答案】 (1)见解析;(2)AF=2;(3)S△EDF=3﹣3.
【试题解析】 分析:
(1)如图1中,证明△ACE≌△BCF(SAS)即可解决问题;
(2)利用全等三角形的性质,证明∠ACD=∠DFB=90°,再利用勾股定理即可解决问题;
(3)如图3中,作FH⊥BC于H.证明△BCF是底角为30°的等腰三角形,求出CF,FB,FH,根据S△EDF=S△ECD+S△CDF-S△ECF计算即可.
详解:
(1)证明:如图1中,
∵△ACB,△ECF都是等腰三角形,
∴CA=CB,CE=CF,∠ACB=∠ECF=90°,
∴∠ACE=∠BCF,
∴△ACE≌△BCF(SAS),
∴AE=BF.
(2)如图2中,
∵CA=CB=6,∠ACB=90°,
∴AB=6,
∵△ACE≌△BCF,
∴∠CAD=∠DBF,
∵∠ADC=∠BDF,
∴∠ACD=∠DFB=90°,
∴AF===2.
(3)如图3中,作FH⊥BC于H.
∵∠ACE=∠CAE=30°,
∴AE=EC,
∵△ACE≌△BCF,
∴BF=AE,CF=CE,
∴CF=BF,∠FCB=∠CBF=30°,
∵FC=FB,FH⊥BC,
∴CH=BH=3,FH=,CF=BF=2,
∵∠CED=∠CAE+∠ACE=60°,∠ECD=90°﹣30°=60°,
∴△ECD是等边三角形,
∴EC=CF=CD=2,
∴S△EDF=S△ECD+S△CDF﹣S△ECF=×(2)2+×2×﹣×2×2=3﹣3.
点睛:
本题属于三角形综合题,考查了等腰直角三角形的性质,等边三角形的判定和性质,解直角三角形,全等三角形的判定和性质等知识,解题的关键是学会添加常用辅助线,构造直角三角形解决问题,学会利用参数构建方程解决问题,属于中考压轴题.
25-4【巩固】 【正确答案】 (1)见解析;(2)60°;(3)等边三角形,理由见解析
【试题解析】 分析:
(1)根据等边三角形性质得出AC=BC,CD=CE,∠ACB=∠DCE=60°,根据SAS即可证明△ACD≌△BCE.
(2)根据全等求出∠ADC=∠BEC,求出∠ADE+∠BED的值,根据三角形的内角和定理求出即可.
(3)求出AM=BN,根据SAS证△ACM≌△BCN,推出CM=CN,求出∠NCM=60°即可.
详解:
(1)∵△ABC、△CDE都是等边三角形,
∴AC=BC,CD=CE,∠ACB=∠DCE=60°,
∴∠ACB+∠BCD=∠DCE+∠BCD,
∴∠ACD=∠BCE,
在△ACD和△BCE中,
,
∴△ACD≌△BCE(SAS),
(2)∵△ACD≌△BCE,
∴∠ADC=∠BEC,
∵△DCE是等边三角形,
∴∠CED=∠CDE=60°,
∴∠ADE+∠BED
=∠ADC+∠CDE+∠BED
=∠ADC+60°+∠BED
=∠CED+60°
=60°+60°
=120°,
∴∠DOE=180°-(∠ADE+∠BED)=60°;
(3)∵△ACD≌△BCE,
∴∠CAD=∠CBE,AD=BE,AC=BC,
又∵点M、N分别是线段AD、BE的中点,
∴AM=AD,BN=BE,
∴AM=BN,
在△ACM和△BCN中,,
∴△ACM≌△BCN(SAS),
∴CM=CN,∠ACM=∠BCN,
又∠ACB=60°,
∴∠ACM+∠MCB=60°,
∴∠BCN+∠MCB=60°,
∴∠MCN=60°,
∴△MNC是等边三角形.
点睛:
本题是三角形综合题,考查了全等三角形的性质和判定,三角形的内角和定理,等边三角形的性质和判定等知识点的应用,解此题的关键是正确寻找全等三角形解决问题.
25-5【提升】 【正确答案】 1、①1;②;
2、,见解析
3、
【试题解析】 分析:
(1)证,得,,即可得出
②由①得,,则;
(2)先由含角的直角三角形的性质得,则,再证,得 ,同①得,然后证,得,,则;
(3)同②得,得,证出,由题意得点P的运动轨迹为,是的中位线,则,再证,求出,则,即可得出答案.
①∵,,
∴,
∴,,
∵,
∴,
在和中,
,
∴,
∴,,
∴
故1;
②由①得:,,
∴,
故90°;
解:,,理由如下:
∵,,
∴,,
∴,
∴,
∵,,
∴,
∴,
同①得:,
∴,
∴,,
∴;
解:同(2)得:,
∴,
∵,
∴,
∴,即,
当点D与A重合时,点E与B重合,的中点,记为;
当点D与B重合时,点E是的延长线与的延长线的交点,记为,如图3所示:
则点P的运动轨迹为,是的中位线,
∴,
∵,,
∴,
∴,即,
∴,
∴,
∴,
即P点经过的路径长为.
点睛:
本题是三角形综合题目,考查了全等三角形的判定与性质、相似三角形的判定与性质、等腰直角三角形的性质、含角的直角三角形的性质、三角形中位线定理等知识;本题综合性强,熟练掌握直角三角形的性质,证明三角形全等和三角形相似是解题的关键.
25-6【提升】 【正确答案】 1、见解析 2、存在最小值,最小值为4
3、
【试题解析】 分析:
(1)根据“边角边”可证明,即可求解;
(2)根据对应边成比例,两边的夹角相等可证,从而证明,根据点到直线的垂线段最短,构造直角三角形,根据含有特殊角的直角三角形的性质即可求解;
(3)如图所示,连接,过作于,为正方形的中心,可知是等腰直角三角形,可证,设,则,根据勾股定理的长度,根据三角形的面积公式即可求解.
证明:∵,
∴,即,
∵,
∴,
∴.
解:存在最小值,理由如下:
∵,,
∴,,
∴,
∴,
如图所示,连接,过点作延长线于点,根据点到直线的垂线段最短可知,当点与重合时,即时,最小,最小值为,
∵,
∴ ,,
∴,即,
∴,
∴,
在中,,,
∴存在最小值,最小值为.
解:如图所示,连接,过作于,
∵为正方形的中心,
∴,即是等腰直角三角形,
∵四边形为正方形,
∴,
∴,
∴,
∵,
∴,
∴,
设,则,
∵,
∴由勾股定理得:,解得:或(舍),
∴,在中,,
∴的面积为.
点睛:
本题主要考查图像运动的规律,掌握等腰三角形的性质,全等三角形的判定和性质,相似三角形的判定和性质,勾股定理是解题的关键.
26-1【基础】 【正确答案】 1、
2、或
【试题解析】 分析:
(1)利用待定系数法将B,C坐标代入即可求解;
(2)过点P作轴交于点F,连接,设点P坐标为,直线的解析式为,再利用待定系数法求得解析式,则利用a的代数式可以表示出线段的长,利用,求得的面积,再利用配方法求得a值即可得出结论.
解:∵抛物线经过点点,
∴,
∴,
∴抛物线的解析式为;
解:过点P作轴交于点F,连接,如图,
设点P坐标为,直线的解析式为,由题意得:,
解得,
∴直线的解析式为:,
∴,
∵点P在线段的上方,
∴,
∵,
∴,
∵,
∴,
∴,
解得:,
∴或.
点睛:
本题考查了二次函数的图象和性质、一次函数的图象和性质、待定系数法求解析式和抛物线上点的坐标和特征,灵活运用所学知识求解是解决本题的关键.
26-2【基础】 【正确答案】 1、
2、,
【试题解析】 分析:
(1)利用待定系数法即可求得;
(2)首先可求得BC所在的直线表达式为y=-x+3,再过点N作轴,交BC于点D,设N点坐标为(m,-m2+2m+3),则D点坐标为(m,-m+3),再由可得BCN面积的最大值及此时点N的坐标.
解:∵OC=3,
∴c=3.
把A,B两点的坐标代入,得
,解得
∴二次函数表达式为:.
解:设BC所在的直线表达式为y=kx+b,
把点B(3,0),C(0,3)的坐标代入得
,解得
∴BC所在的直线表达式为.
过点N作轴,交BC于点D,
设N点坐标为,则D点坐标为.
∴
∴
∵,
∴当时,.
把代入,得.
此时,点N坐标为.
点睛:
本题考查了利用待定系数法求一次函数与二次函数的解析式,求不规则图形的面积,坐标与图形,熟练掌握求不规则图形的面积的方法是解决本题的关键.
26-3【巩固】 【正确答案】 (1);(2)①;②能,或或1﹣.
【试题解析】 分析:
(1)用待定系数法求出抛物线的顶点式解析式.
(2)①当四边形OMPQ为矩形时,满足条件OM=PQ,据此列一元二次方程求解.
②△AON为等腰三角形时,可能存在三种情形,分类讨论,逐一计算.
详解:
解:(1)根据题意,设抛物线的解析式为:,
∵点A(1,0),B(0,3)在抛物线上,
∴,解得:.
∴抛物线的解析式为:.
(2)①∵四边形OMPQ为矩形,
∴OM=PQ,即,整理得:t2+5t﹣3=0,
解得(<0,舍去).
∴当秒时,四边形OMPQ为矩形.
②Rt△AOB中,OA=1,OB=3,∴tanA=3.
若△AON为等腰三角形,有三种情况:
(I)若ON=AN,如答图1所示,
过点N作ND⊥OA于点D,
则D为OA中点,OD=OA=,
∴t=.
(II)若ON=OA,如答图2所示,
过点N作ND⊥OA于点D,
设AD=x,则ND=AD•tanA=3x,OD=OA﹣AD=1﹣x,
在Rt△NOD中,由勾股定理得:OD2+ND2=ON2,
即,解得x1=,x2=0(舍去).
∴x=,OD=1﹣x=.
∴t=.
(III)若OA=AN,如答图3所示,
过点N作ND⊥OA于点D,
设AD=x,则ND=AD•tanA=3x,
在Rt△AND中,由勾股定理得:ND2+AD2=AN2,
即,解得x1=,x2=(舍去).
∴x=,OD=1﹣x=1﹣.
∴t=1﹣.
综上所述,当t为秒、秒,1﹣秒时,△AON为等腰三角形.
点睛:
本题考查了二次函数的图象与性质、待定系数法、解一元二次方程、勾股定理、解直角三角形、矩形性质、等腰三角形的性质等知识点,综合性比较强,有一定的难度.第(2)问为运动型与存在型的综合性问题,注意要弄清动点的运动过程,进行分类讨论计算.
26-4【巩固】 【正确答案】 1、
2、时,有最大值,最大值为,点的坐标为
3、存在,点的坐标为或或或
【试题解析】 分析:
(1)抛物线经过点、,用待定系数法即可求解;
(2)根据二次函数解析式分别求出的长,再求出的面积,如图2(见解析),过点作轴交于点,设,则,用含的式子表示出,由此即可求解;
(3)根据平行四边形的性质,即可求解.
解:∵抛物线经过点、,
∴,解得,,
∴该抛物线的表达式为.
解:∵,
∴抛物线的对称轴为直线,
∵点和点关于直线对称,
∴,
∴,
∵,
∴,
∴,
如图2,过点作轴交于点,
设所在直线的解析式为:,过点,
∴,即所在直线的解析式为:,
设,则,
∴,
∴,
∴,
∴,
∵,
∴当时,有最大值,最大值为,
∴点的坐标为.
解:抛物线的表达式为,点的横坐标为,
∴,即,且,
①如图所示,四边形为平行四边形,
∴,且,
∴点的纵坐标为,,解得,,,
∴点的坐标为,
∴,
设点,
∵,
∴,则,即;
②如图所示,四边形是平行四边形,过点作轴于,过点作轴于,
∴,,,
∴,
∴,且,设,,
∴,解得,,,
当时,,即,则;当时,,即,则,
∴点的坐标为或;
③如图所示,四边形为平行四边形,
∴,,
∴设,则,
∴,即点的坐标为;
综上所示,点的坐标为或或或.
点睛:
本题主要考查二次函数与几何图形的综合,掌握二次函数图像的性质,动点的运动规律,几何图形的面积计算方法及性质是解题的关键.
26-5【提升】 【正确答案】 1、y=x2+2x,(﹣2,﹣2)
2、(﹣2,2)或(0,4)
3、存在,N的坐标为:(6,6)或(﹣2,6)或(﹣6,﹣6)
【试题解析】 分析:
(1)利用待定系数法可求出c的值,即得出抛物线解析式,再变为顶点式,即得出M点坐标;
(2)根据题意,利用待定系数法可求出直线AB的函数解析式.利用勾股定理可求出的长,即可求出sin∠ABO的值.设过点O的直线交线段AC于点P,将三角形AOC的面积分成1:2的两部分,过P作PQ⊥x轴于Q,过C作CH⊥x轴于H,分类讨论:①当S△AOP:S△COP=1:2时,由此即得出S△AOP:S△AOC=1:3,从而可得出PQ:CH=1:3.进而可求出CH的长,即得出PQ的长,得出P点纵坐标,进而得出P点坐标;②当S△COP:S△AOP=1:2时,由此得出S△AOP:S△AOC=2:3,从而得出PQ:CH=2:3,进而可求出PQ的长,即得出P点纵坐标,进而得出P点坐标;
(3)设N(m,n),分类讨论:①以AN、CO为对角线时,根据平行四边形的性质可知,此时AN中点与CO中点重合,求出AN和OC的中点坐标,即可求出m、n的值,即得出N点坐标;②以AC、NO为对角线时和③以AO、CN为对角线时,同理即可求出N点坐标.
将A(-4,0),C(2,6)代入,得: ,解得,
∴抛物线的解析式为,
∴顶点M的坐标为(-2,-2);
∵A(-4,0),
∴OA=4,
∵OA=OB,
∴OB=4,
∴B(0,4),
设直线AB的函数解析式为y=kx+b,
将A(-4,0)、B(0,4)代入得:,
解得,
∴直线AB的函数解析式解析式为y=x+4,
在中,,
∴sin∠ABO.
过点O的直线交线段AC于点P,将三角形AOC的面积分成1:2的两部分,过P作PQ⊥x轴于Q,过C作CH⊥x轴于H,
分类讨论:①当S△AOP:S△COP=1:2时,如图:
∵S△AOP:S△COP=1:2,
∴S△AOP:S△AOC=1:3,
∴PQ:CH=1:3,
∵C(2,6),
∴CH=6,
∴PQ=2,即yP=2,
在y=x+4中,令y=2得,2=x+4,
∴x=-2,
∴P(-2,2);
②当S△COP:S△AOP=1:2时,如图:
∵S△COP:S△AOP=1:2,
∴S△AOP:S△AOC=2:3,
∴PQ:CH=2:3,
∵CH=6,
∴PQ=4,即yP=4,
在y=x+4中,令y=4得,4=x+4,
∴x=0,
∴P(0,4);
综上所述,过点O的直线交线段AC于点P,将三角形AOC的面积分成1:2的两部分,则P坐标为(-2,2)或(0,4);
设N(m,n),
分类讨论:
①以AN、CO为对角线,根据平行四边形的性质可知,此时AN中点与CO中点重合,
∵A(-4,0),C(2,6),
∴AN的中点为,OC中点为,
∴,
解得:.
∴N(6,6);
②以AC、NO为对角线,此时AC中点与NO中点重合,同理可得:,
解得:,
∴N(-2,6);
③以AO、CN为对角线,此时AO中点与CN中点重合,同理可得:,
解得,
∴N(-6,-6).
综上所述,点A、O、C、N为顶点的四边形是平行四边形,N的坐标为:(6,6)或(-2,6)或(-6,-6).
点睛:
本题考查二次函数与一次函数的综合,二次函数与几何的综合,平行四边形的性质,解直角三角形等知识.利用数形结合和分类讨论的思想是解题关键.
26-6【提升】 【正确答案】 (1)y=﹣x2+x+4;(2)点E的坐标为(1,),(3,);(3)菱形的边长为4﹣4.
【试题解析】 分析:
(1)把点A(﹣2,0),点B(4,0),点D(2,4)代入y=ax2+bx+c,用待定系数法求出抛物线解析式即可.
(2)分点E在直线CD上方的抛物线上和点E在直线CD下方的抛物线上两种情况,用三角函数求解即可;
(3)分CM为菱形的边和CM为菱形的对角线两种情况,用菱形的性质进行计算即可.
详解:
(1)∵抛物线y=ax2+bx+c的图象经过点A(﹣2,0),点B(4,0),点D(2,4),
∴设抛物线解析式为y=a(x+2)(x﹣4),
∴﹣8a=4,
∴a=﹣,
∴抛物线解析式为y=﹣(x+2)(x﹣4)=﹣x2+x+4;
(2)如图1,
①点E在直线CD上方的抛物线上,记E′,连接CE′,过E′作E′F′⊥CD,垂足为F′,
由(1)知,OC=4,
∵∠ACO=∠E′CF′,
∴tan∠ACO=tan∠E′CF′,
∴,
设线段E′F′=h,则CF′=2h,
∴点E′(2h,h+4)
∵点E′在抛物线上,
∴﹣(2h)2+2h+4=h+4,
∴h=0(舍)h=
∴E′(1,),
②点E在直线CD下方的抛物线上,记E,
同①的方法得,E(3,),
点E的坐标为(1,),(3,)
(3)①CM为菱形的边,如图2,
在第一象限内取点P′,过点P′作P′N′//y轴,交BC于N′,过点P′作P′M′//BC,交y轴于M′,
∴四边形CM′P′N′是平行四边形,
∵四边形CM′P′N′是菱形,
∴P′M′=P′N′,
过点P′作P′Q′⊥y轴,垂足为Q′,
∵OC=OB,∠BOC=90°,
∴∠OCB=45°,
∴∠P′M′C=45°,
设点P′(m,﹣m2+m+4),
在Rt△P′M′Q′中,P′Q′=m,P′M′=m,
∵B(4,0),C(0,4),
∴直线BC的解析式为y=﹣x+4,
∵P′N′//y轴,
∴N′(m,﹣m+4),
∴P′N′=﹣m2+m+4﹣(﹣m+4)=﹣m2+2m,
∴m=﹣m2+2m,
∴m=0(舍)或m=4﹣2,
菱形CM′P′N′的边长为(4﹣2)=4﹣4.
②CM为菱形的对角线,如图3,
在第一象限内抛物线上取点P,过点P作PM//BC,交y轴于点M,连接CP,过点M作MN//CP,交BC于N,
∴四边形CPMN是平行四边形,连接PN交CM于点Q,
∵四边形CPMN是菱形,
∴PQ⊥CM,∠PCQ=∠NCQ,
∵∠OCB=45°,
∴∠NCQ=45°,
∴∠PCQ=45°,
∴∠CPQ=∠PCQ=45°,
∴PQ=CQ,
设点P(n,﹣n2+n+4),
∴CQ=n,OQ=n+2,
∴n+4=﹣n2+n+4,
∴n=0(舍),
∴此种情况不存在.
∴菱形的边长为4﹣4.
浙江省宁波市2023届中考数学专项突破模拟题库(二模)含解析: 这是一份浙江省宁波市2023届中考数学专项突破模拟题库(二模)含解析,共133页。
山东省济南市2023届中考数学专项突破模拟题库(二模)含解析: 这是一份山东省济南市2023届中考数学专项突破模拟题库(二模)含解析,共151页。
安徽省合肥市2023届中考数学专项突破模拟题库(二模)含解析: 这是一份安徽省合肥市2023届中考数学专项突破模拟题库(二模)含解析,共123页。

