天津高考化学三年(2020-2022)模拟题分类汇编-36化学能与电能(2)选择题
展开天津高考化学三年(2020-2022)模拟题分类汇编-36化学能与电能(2)选择题
一、单选题
1.(2022·天津和平·统考一模)一种聚合物锂电池通过充、放电可实现“大气固碳”(如图所示)。该电池在充电时,通过催化剂的选择性控制,只有Li2CO3发生氧化释放出CO2和O2。下列说法正确的是
A.该电池可选用含Li+的水溶液作电解质
B.图中Li+的移动方向是充电时的移动方向
C.充电时,阳极发生的反应为2Li2CO3+C-4e-=3CO2+4Li+
D.该电池每循环充、放电子各4mol,理论上可固定CO2标准状况下22.4L
2.(2022·天津红桥·统考一模)微生物电池可用来处理废水中的对氯苯酚,其工作原理示意图如下。关于该电池的说法不正确的是
A.a极是负极
B.H+向b极迁移
C.对氯苯酚在电极上发生的反应是+H++2e—=+Cl—
D.电路中通过0.4mole—,消耗了0.1molCH3COO—
3.(2022·天津·模拟预测)化学与生活、生产密切相关。下列说法中错误的是
A.电热水器用镁棒防止金属内胆腐蚀,原理是牺牲阳极的阴极保护法
B.市面上的防晒衣通常采用聚酯纤维材料制作,忌长期用肥皂洗涤
C.“天和”核心舱其腔体使用的氮化硼陶瓷基复合材料属于无机非金属材料
D.地沟油经处理后可得到生物柴油,其主要成份和柴油相同,都是烃类
4.(2022·天津河东·统考一模)科技助力北京2022年冬奥会。下列变化不属于化学变化的是
A.冬奥场馆使用CO2制冷剂制冰
B.火炬“飞扬”中的氢燃料燃烧
C.由碲和镉合成发电玻璃中的碲化镉
D.电动汽车的全气候电池充电
A.A B.B C.C D.D
5.(2022·天津·统考二模)氨气中氢含量高,是一种优良的小分子储氢载体。利用太阳能电池电解NH3得到高纯H2的装置如图所示。下列说法正确的是
A.该装置工作时,只发生两种形式能量的转化
B.电解过程中OH-由b极区向a极区迁移
C.电解时b极区溶液中n(KOH)减少
D.电解过程中1mol NH3参与反应,得到3×6.02×1023个电子
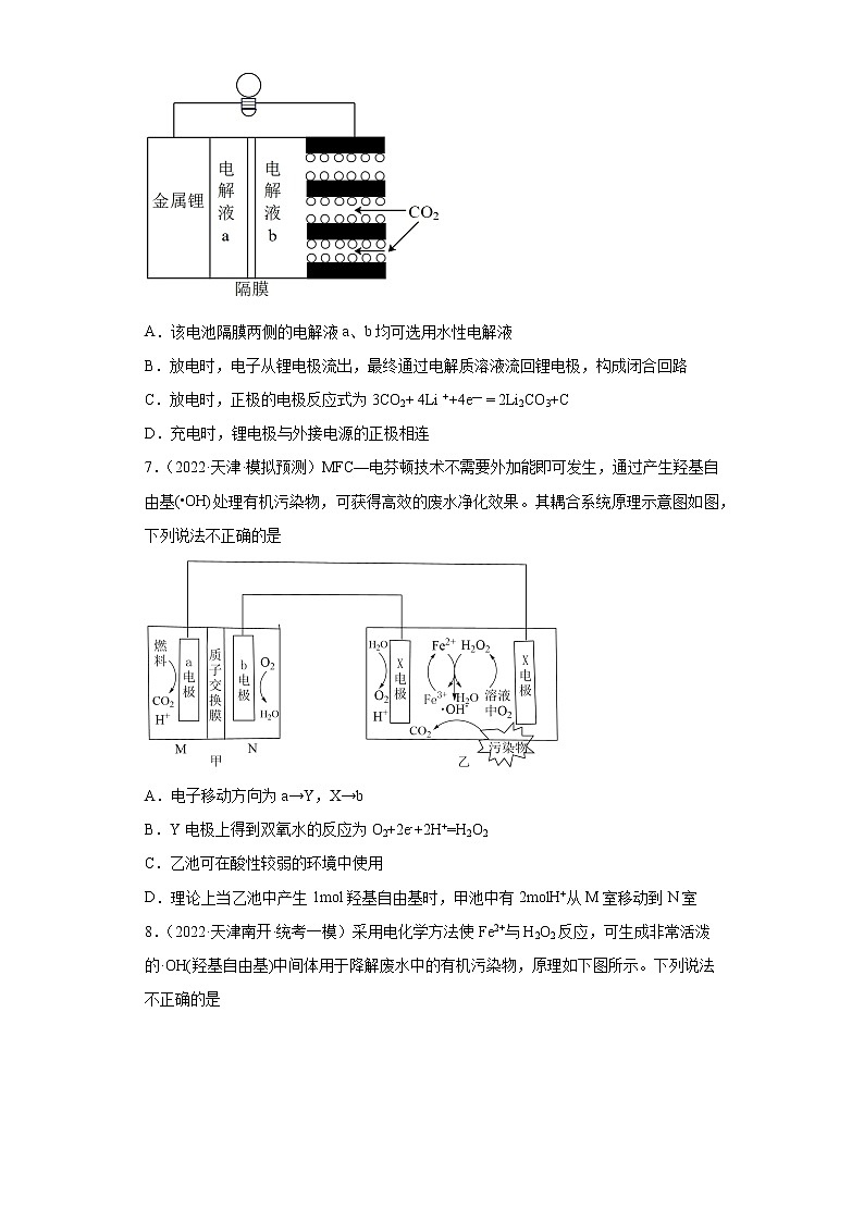
6.(2022·天津·模拟预测)二氧化碳的资源化利用是目前研究的热点问题,锂—二氧化碳二次电池的研究取得了突破,该电池放电时的总反应为:3CO2+4Li=2Li2CO3+C,下列说法正确的是
A.该电池隔膜两侧的电解液a、b均可选用水性电解液
B.放电时,电子从锂电极流出,最终通过电解质溶液流回锂电极,构成闭合回路
C.放电时,正极的电极反应式为3CO2+ 4Li ++4e— = 2Li2CO3+C
D.充电时,锂电极与外接电源的正极相连
7.(2022·天津·模拟预测)MFC—电芬顿技术不需要外加能即可发生,通过产生羟基自由基(•OH)处理有机污染物,可获得高效的废水净化效果。其耦合系统原理示意图如图,下列说法不正确的是
A.电子移动方向为a→Y,X→b
B.Y电极上得到双氧水的反应为O2+2e-+2H+=H2O2
C.乙池可在酸性较弱的环境中使用
D.理论上当乙池中产生1mol羟基自由基时,甲池中有2molH+从M室移动到N室
8.(2022·天津南开·统考一模)采用电化学方法使Fe2+与H2O2反应,可生成非常活泼的·OH(羟基自由基)中间体用于降解废水中的有机污染物,原理如下图所示。下列说法不正确的是
A.X上发生的电极反应为:2H2O - 4e- =O2↑+ 4H+
B.可将X电极上产生的O2收集起来,输送到Y电极继续使用
C.根据装置推测,Y电极是阳极,·OH在该电极侧产生
D.起始时,在Y电极附近加入适量Fe2+或Fe3+,均能让装置正常工作
9.(2021·天津和平·统考一模)研究发现,在酸性乙醇燃料电池中加入硝酸,可使电池持续大电流放电,其工作原理如下图所示。下列说法错误的是
A.加入HNO3降低了正极反应的活化能
B.电池工作时正极区溶液的pH降低
C.1 molCH3CH2OH被完全氧化时有3 molO2被还原
D.负极反应为CH3CH2OH+3H2O−12e-=2 CO2↑+12 H+
10.(2021·天津河东·统考一模)下列发电厂、电站的电能由化学能直接转化而成的是
A.水力发电站 B.地热发电厂 C.风力发电厂 D.燃料电池发电站
11.(2021·天津红桥·统考一模)新型Na-CO2电池工作原理为4Na+3CO22Na2CO3+C,下列有关说法正确的是
A.放电时,钠电极的电极反应为Na–e-=Na+
B.放电时,从负极迁移到正极
C.充电时,碳纳米管电极连接电源的负极
D.充电时,新型Na-CO2电池可以释放氧气
12.(2021·天津·模拟预测)液流电池是一种新的蓄电池,是利用正负极电解液分开,各自循环的一种高性能蓄电池,具有容量高、使用领域(环境)广、循环使用寿命长的特点。如图是一种锌溴液流电池,电解液为溴化锌的水溶液。下列说法正确的是
A.充电时阳极的电极反应式:Zn-2e-=Zn2+
B.充电时电极a为外接电源的负极
C.放电时Br-向左侧电极移动
D.放电时左侧电解质储罐中的离子总浓度增大
13.(2021·天津·模拟预测)以铅蓄电池为电源,将CO2转化为乙烯的装置如图所示,电解所用电极材料均为惰性电极。下列说法正确的是
A.a为铅蓄电池的正极
B.电解过程中,阳极区溶液中c(H+)逐渐减小
C.阴极反应式:
D.每生成1mol乙烯,理论上铅蓄电池中消耗6molH2SO4
14.(2021·天津·模拟预测)利用(Q)与电解转化法从烟气中分离的原理如图。已知气体可选择性通过膜电极,溶液不能通过。下列说法错误的是
A.a为电源负极 B.溶液中Q的物质的量保持不变
C.在M极被还原 D.分离出的从出口2排出
15.(2021·天津·模拟预测)如下所示电解装置中,通电后石墨电极Ⅱ上有O2生成,Fe2O3逐渐溶解,下列判断错误的是
A.a是电源的负极
B.通电一段时间后,向石墨电极Ⅱ附近滴加石蕊溶液,出现红色
C.随着电解的进行,CuCl2溶液浓度变大
D.当完全溶解时,至少产生气体336mL (折合成标准状况下)
16.(2021·天津·模拟预测)酸性废水中的NH可在一定条件下利用硝酸盐菌转化为NO,再用如图所示的电化学装置除去NO,下列有关说法正确的是
A.a端是直流电源的负极
B.该装置把化学能转化为电能
C.图中离子交换膜应为阴离子交换膜
D.阴极的电极反应式为2NO+12H++10e-=N2↑+6H2O
17.(2021·天津·模拟预测)在N-羟基邻苯二甲酰亚胺(NHPI)介质中,可实现醇向醛的转化,原理如图。下列说法错误的是
A.石墨电极作阴极
B.理论上NHPI的总量在反应前后不变
C.
D.每消耗1mol乙醇,产生22.4mL氢气
18.(2021·天津·一模)微生物电化学产甲烷法是将电化学法和生物还原法有机结合,装置如图所示(左侧CH3COO-转化为CO2和H+,右侧CO2和H+转化为CH4)。有关说法正确的是
A.电源a为负极
B.该技术能助力“碳中和”(二氧化碳“零排放”)的战略愿景
C.外电路中每通过lmol e-与a相连的电极将产生2.8L CO2
D.b电极的反应为:CO2+8e-+8H+=CH4+2H2O
19.(2021·天津·三模)下列反应的离子方程式表达正确的是
A.用铜电极电解MgCl2溶液:Mg2++2Cl-+2H2OH2↑+C12↑+Mg(OH)2↓
B.某消毒液的主要成分为NaClO,加白醋可增强消毒效果:CH3COOH+ClO-=HClO+CH3COO-
C.向草酸溶液中逐滴加入酸性高锰酸钾溶液,溶液褪色:2+5+16H+=2Mn2++10CO2↑+8H2O
D.水浴加热银氨溶液与葡萄糖的混合溶液,出现银镜:CH2OH(CHOH)4CHO+2[Ag(NH3)2]OHCH2OH(CHOH)4COOH+2Ag↓+4NH3+H2O
20.(2021·天津·三模)我国化学工作者提出一种利用有机电极(PTO/HQ)和无机电极(MnO2/石墨毡),在酸性环境中可充电的电池其放电时的工作原理如图所示:
下列说法错误的是
A.放电时,MnO2/石墨毡为正极,发生还原反应
B.充电时,有机电极和外接电源的负极相连
C.放电时,MnO2/石墨毡电极的电极反应式为MnO2+2e-+4H+=Mn2++2H2O
D.充电时,有机电极的电极反应式为PTO+4e-+4H2O=HQ+4OH-
21.(2021·天津·三模)设NA为阿伏加德罗常数的值,下列说法正确的是
A.0.1molCl2与足量的H2O反应,转移的电子数为0.2NA
B.电解AgNO3溶液当阳极产生标况下2.24L气体时转移的电子数为0.4NA
C.25℃、101kPa下,1mol乙炔和甲醛的混合气体含有的共用电子对数为3NA
D.25℃,0.1mol/L的某酸HA溶液中,c(A-)=0.1mol/L
22.(2021·天津·三模)NA为阿伏加德罗常数的值。下列说法正确的是
A.1molH2S分子中,S原子的价层电子对数目为4NA,VSEPR模型为四面体形
B.34g中含有的极性键数目为2NA
C.1L0.01mol·L-1溶液中,和的离子数目之和为0.01NA
D.电极反应LiFePO4-xe-=xLi++Li1-xFePO4,每转移1mol电子释放2NA个Li+
23.(2021·天津·一模)近日,南开大学陈军院士团队以KSn合金为负极,以含羧基多壁碳纳米管(MWCNTs—COOH)为正极催化剂构建了可充电K—CO2电池(如图所示),电池反应为4KSn+3CO22K2CO3+C+4Sn,其中生成的K2CO3附着在正极上。该成果对改善环境和缓解能源问题具有巨大潜力。下列说法正确的是
A.放电时,电子由KSn合金经酯基电解质流向MWCNTs—COOH
B.电池每吸收22.4LCO2,电路中转移4mole-
C.充电时,阳极电极反应式为:C-4e-+2K2CO3=3CO2↑+4K+
D.为了更好的吸收温室气体CO2,可用适当浓度的KOH溶液代替酯基电解质
24.(2021·天津北辰·统考一模)锌电池具有价格便宜、比能量大、可充电等优点。一种新型锌电池的工作原理如图所示(凝胶中允许离子生成或迁移)。下列说法正确的是
A.放电过程中,向a极迁移
B.充电过程中,b电极反应为:Zn2++2e-=Zn
C.充电时,a电极与电源正极相连
D.放电过程中,转移0.4mole-时,a电极消耗0.4molH+
25.(2021·天津·统考二模)下列有关说法正确的是
A.铅酸蓄电池充电时,在两电极上生成
B.沉淀转化的实质为沉淀溶解平衡的移动
C.常温下,均为5的盐酸与氯化铵溶液中,升温后氢离子浓度仍相等
D.298K时,反应能自发进行,则该反应的
26.(2021·天津·统考二模)人类使用材料的增多和变化标志着文明的进步,下列属于新型无机非金属材料的是
A.透明陶瓷 B.合成纤维 C.记忆合金 D.燃料电池
27.(2021·天津河西·统考三模)我国科技工作者设计了能将甘油(C3H8O3)和二氧化碳转化为甘油醛(C3H6O3)和合成气的一种电解装置,其工作原理如图所示。下列说法不正确的是
A.催化电极a与电源正极相连
B.电解时催化电极b附近的pH增大
C.电解时阴离子透过交换膜向a极迁移
D.阳极反应有CO2+2e-+H2O=CO+2OH-
28.(2021·天津和平·统考三模)下列化学用语表述不正确的是
A.电解溶液:
B.使用检验
C.泡沫灭火器工作原理:
D.在水中发生水解:
29.(2021·天津滨海新·统考三模)科学家报道了一种新型可充电Na/Fe二次电池,其工作原理如图所示,下列有关说法正确的是
A.放电时,电子由X极经溶液流向Y极
B.充电时,Y极的电极反应式为CaFeO2.5+0.5Na2O-e-=CaFeO3+Na+
C.充电时,可用乙醇代替有机电解质溶液
D.电极材料的比能量:Na>Li
二、多选题
30.(2021·天津·模拟预测)世界水产养殖协会网介绍了一种利用电化学原理净化鱼池中水质的方法,其装置如图所示。下列说法正确的是
A.X为电源负极
B.若该装置在高温下进行,则净化效率将降低
C.若有1 mol NO被还原,则有6 mol H+通过质子膜迁移至阴极区
D.若BOD为葡萄糖(C6H12O6),则1 mol葡萄糖被完全氧化时,理论上电极上流出24 mol e-
参考答案:
1.D
【详解】A.金属锂会与水反应,不能选用含Li+的水溶液作电解质,A错误;
B.锂为负极,电极B为正极,因此图中Li+的移动方向是放电时的移动方向,B错误;
C.根据信息电池充电时,通过催化剂的选择性控制,只有碳酸锂发生氧化,释放出二氧化碳和氧气,因此充电时阳极发生的反应为2Li2CO3-4e-=2CO2↑+4Li++O2↑,C错误;
D.根据放电正极反应式3CO2+4e-+4Li+=2Li2CO3+C,充电阳极反应式2Li2CO3-4e-=2CO2↑+4Li++O2↑,因此该电池每放、充4mol电子一次,理论上能固定1mol二氧化碳,标准状况下体积为22.4L,D正确;
答案选D。
2.D
【分析】由图可知,该装置为原电池,a极是原电池的负极,醋酸根离子在a极的微生物膜上失去电子发生氧化反应生成碳酸氢根离子和碳酸,电极反应式为CH3COO——8e—+4H2O=2HCO+9H+或CH3COO——8e—+4H2O=2H2CO3+7H+,b极为正极,对氯苯酚在正极得到电子发生还原反应生成苯酚和氯离子,电极反应式为+H++2e—=+Cl—。
【详解】A.由分析可知,a极是原电池的负极,故A正确;
B.由分析可知,a极是原电池的负极,b极为正极,电池工作时,溶液中的氢离子向正极b极移动,故B正确;
C.由分析可知,b极为正极,对氯苯酚在正极得到电子发生还原反应生成苯酚和氯离子,电极反应式为+H++2e—=+Cl—,故C正确;
D.由分析可知,a极是原电池的负极,醋酸根离子在a极的微生物膜上失去电子发生氧化反应生成碳酸氢根离子和碳酸,电极反应式为CH3COO——8e—+4H2O=2HCO+9H+或CH3COO——8e—+4H2O=2H2CO3+7H+,由电极反应式可知,电路中通过0.4mole—,消耗了0.05mol醋酸根离子,故D错误;
故选D。
3.D
【详解】A.镁比铁活泼,镁与铁连接后,镁失去电子受到腐蚀,从而保护了铁不受腐蚀,因此镁可以保护不锈钢,故A正确;
B.聚酯纤维材料属于酯类,在碱性条件下水解,所以忌长期用肥皂洗涤,故B正确;
C.氮化硼陶瓷基复合材料属于无机非金属材料,故C正确;
D.地沟油属于酯类,柴油属于烃类,故D错误;
故答案为D。
4.A
【详解】A.使用二氧化碳制冷剂制冰时,水由液态转化为固态,没有新物质生成,属于物理变化,故A符合题意;
B.氢燃料燃烧时氢气和氧气反应生成水,有新物质生成,属于化学变化,故B不符合题意;
C.由碲和镉合成发电玻璃中的碲化镉时,有新物质生成,属于化学变化,故C不符合题意;
D.电动汽车的全气候电池充电过程为电解过程,有新物质生成,属于化学变化,故D不符合题意;
故选A。
5.B
【详解】A.装置中有:太阳能转为电能,电能转为化学能,有3种能量的转化,A错误;
B.a处,NH3转化为N2,N的化合价升高,失去电子,则电极a为阳极,OH-移向阳极,B正确;
C.b极为阴极,反应式为:2H++2e-=H2↑或2H2O+2e-=H2↑+2OH-,每当有2mole-转移时,会有2mol生成的OH-通过阴离子交换膜进入a极,b极区溶液中n(KOH)不变,C错误;
D.1mol NH3转化为N2时,失去3mol e-,D错误。
答案选B。
6.C
【分析】由图可知,放电时,金属锂为锂—二氧化碳二次电池的负极,锂失去电子发生氧化反应生成锂离子,电极反应式为Li—e—= Li +,附有二氧化碳的电极为正极,在锂离子作用下,二氧化碳得到电子发生还原反应生成碳酸锂和碳,电极反应式为3CO2+ 4Li ++4e— = 2Li2CO3+C。
【详解】A.若电解液a用水性电解液,锂会与溶液中的水反应降低电池效率,故A错误;
B.电子不能通过电解质溶液,故B错误;
C.由分析可知,放电时,附有二氧化碳的电极为正极,在锂离子作用下,二氧化碳得到电子发生还原反应生成碳酸锂和碳,电极反应式为3CO2+ 4Li ++4e— = 2Li2CO3+C,故C正确;
D.由分析可知,放电时,金属锂为锂—二氧化碳二次电池的负极,则充电时,锂电极与外接电源的负极相连,故D错误;
故选C。
7.C
【分析】根据电极上的反应可知,甲为燃料电池,通入燃料的a电极为负极,通入氧气的b电极为正极,则乙为电解池,X电极为阳极,Y为阴极。
【详解】A.串联装置中,电子由原电池负极流向电解池阴极,即a→Y,由电解池的阳极流向原电池正极,即X→b,A正确;
B.据图可知溶液中O2在Y电极上得电子生成H2O2,根据电子守恒、元素守恒可得电极反应式为O2+2e-+2H+=H2O2,B正确;
C.酸性较弱的环境中,Fe3+容易生成沉淀,无法正常工作,C错误;
D.乙池中生成羟基自由基的反应为Fe2++H2O2=Fe3++OH-+·OH,所以产生1mol羟基自由基时,消耗1mol H2O2,根据电极反应可知转移2mol电子,根据电荷守恒可知,甲池中有2molH+从M室(负极)移动到N室(正极),D正确;
综上所述答案为C。
8.C
【分析】据图可知Y电极上Fe3+得电子转化为Fe2+,O2得电子结合氢离子生成H2O2,均发生还原反应,所以Y电极为阴极,X电极上H2O失电子生成氧气,发生氧化反应,为阳极。
【详解】A.据图可知X电极上H2O失电子生成氧气,电极反应为2H2O - 4e- =O2↑+ 4H+,故A正确;
B.据图可知Y电极上的反应物有O2,而X电极产生O2,所以将X电极上产生的O2收集起来,输送到Y电极继续使用,故B正确;
C.根据分析可知Y为阴极,故C错误;
D.据图可知该装置工作时Fe2+与Fe3+循环转化,所以起始时,在Y电极附近加入适量Fe2+或Fe3+,均能让装置正常工作,故D正确;
综上所述答案为C。
9.B
【分析】该装置为原电池,据图可知,Pt电极上乙醇转化为CO2,被氧化,所以Pt电极为负极,碳电极为正极。
【详解】A.由图可知,硝酸是正极的催化剂,所以HNO3降低了正极反应的活化能,A正确;
B.电池工作时正极区的总反应为O2+4e−+4H+=2H2O,氢离子浓度减小,溶液的pH升高,B错误;
C.1mol氧气得4mol电子,当有1mol CH3CH2OH被完全氧化为二氧化碳时转移12mol电子,根据电子守恒,有3mol O2被还原,C正确;
D.乙醇在负极失电子发生氧化反应,据图可知生成二氧化碳,所以电极反应式为CH3CH2OH+3H2O-12e-=2CO2↑+12H+,D正确;
综上所述答案为B。
10.D
【详解】A.水力发电站是水的势能转化为动能,再转化为水轮机的机械能,再转化为电能,A不合题意;
B.地热发电厂是将地热能转化为水的势能,再转化为蒸汽机的机械能,最后转化为电能,B不合题意;
C.风力发电厂是将风能转化为机械能,最后转化为电能,C不合题意;
D.燃料电池发电站是将燃料的化学能直接转化为电能,D符合题意;
故答案为:D。
11.A
【分析】放电时,钠电极失电子为负极,碳纳米管为正极,负极的电极反应为Na-e-═Na+,正极的电极反应为3CO2+4e-═2+C,放电时阴离子向负极移动;充电时,负极与外接电源的负极相连为阴极,正极与外接电源的正极相连为阳极,据此分析。
【详解】A.放电时,钠电极失电子为负极,负极的电极反应为Na-e-═Na+,故A正确;
B.原电池中阴离子向负极移动,即从正极迁移到负极,故B错误;
C.充电时,碳纳米管电极连接电源的正极,故C错误;
D.充电时,新型Na-CO2电池的总反应为2Na2CO3+C=3CO2↑+4Na,可以释放二氧化碳,故D错误;
故选:A。
12.D
【详解】A.如图是一种锌溴液流电池,电解液为溴化锌的水溶液,所以该电池的负极为锌,溴为原电池的正极,充电时阳极的电极反应式与正极的电极反应式相反,所以充电时阳极的电极反应式为2Br--2e-=Br2,A错误;
B.在充电时,原电池的正极连接电源的正极,是电解池的阳极,而原电池的负极连接电源的负极,所以充电时电极a为外接电源的正极,B错误;
C.放电时为原电池,在原电池中间隔着一个阳离子交换膜,所以Br-不能向右侧电极移动,C错误;
D.放电时左侧生成溴离子,右侧生成锌离子,所以放电时左右两侧电解质储罐中的离子总浓度均增大,D正确;
答案选D。
13.C
【详解】A.根据图知,右侧电极上OH-放电生成O2,则右侧电极为阳极,左侧电极为阴极,连接电解池阴极的电极为原电池负极、连接电解池阳极的电极为原电池正极,所以a为负极、b为正极,故A错误;
B.电解过程中阳极反应式为2H2O-4e-=O2↑+4H+,阳极附近有H+生成并通过质子交换膜移向阴极,所以电解过程中,消耗水,导致阳极区溶液中c(H+)逐渐增大,故B错误;
C.阴极上二氧化碳得电子和氢离子反应生成乙烯和水,电极反应式为2CO2+12H++12e-═C2H4+4H2O,故C正确;
D.阴极反应式为2CO2+12H++12e-═C2H4+4H2O,铅蓄电池反应式为Pb+PbO2+2H2SO4═2PbSO4+2H2O,串联电路中转移电子相等,生成1mol乙烯转移12mol电子,转移2mol电子消耗2mol硫酸,所以当转移12mol电子时消耗12mol硫酸,故D错误;
故选:C。
14.C
【分析】由题干信息可知,M极发生的是由Q转化为的过程,该过程是一个还原反应,故M极为阴极,电极反应为:+2H2O+2e-=+2OH-,故与M极相连的a电极为负极,N极为阳极,电极反应为:-2e-=+2H+,b极为电源正极,据此分析解题。
【详解】A.由分析可知,a为电源负极,A正确;
B.由分析可知,根据电子守恒可知,溶液中Q的物质的量保持不变,B正确;
C.由分析可知,整个过程CO2未被还原,在M极发生反应为CO2+OH-=,C错误;
D.由题干信息可知,M极上CO2发生反应为:CO2+OH-=被吸收,向阳极移动,N极上发生的反应为:+H+=H2O+CO2↑,故分离出的从出口2排出,D正确;
故答案为:C。
15.C
【分析】通电后石墨电极Ⅱ上有O2生成,Fe2O3逐渐溶解,说明石墨电极Ⅱ为阳极,则电源b为正极,a为负极,石墨电极Ⅰ为阴极,据此解答。
【详解】A.由分析可知,a是电源的负极,故A正确;
B.石墨电极Ⅱ为阳极,通电一段时间后,产生氧气和氢离子,所以向石墨电极Ⅱ附近滴加石蕊溶液,出现红色,故B正确;
C.随着电解的进行,铜离子在阴极得电子生成铜单质,所以CuCl2溶液浓度变小,故C错误;
D.当完全溶解时,消耗氢离子为0.06mol,根据阳极电极反应式,产生氧气为0.015mol,体积为336mL (折合成标准状况下),故D正确;
故选C。
16.D
【分析】电解池中,与电源正极相连的电极是阳极,电子从阳极流出,电子沿着导线流向电源正极,与电源负极相连的电极是阴极,电源负极上电子流出,电子沿着导线流向电解池的阴极,阴极上氧化剂得到电子发生还原反应,由图知,Ag-Pt电极上NO转变为N2,则Ag-Pt为阴极,内电路中阴离子移向阳极、阳离子移向阴极,据此分析;
【详解】A.据分析、Ag-Pt为阴极,则Pt为阳极,a端是直流电源的正极,A错误;
B. 该装置为电解池,把电能转化为化学能,B错误;
C. 若图中为阴离子交换膜,只允许阴离子通过,则硝酸根离子会由右侧区域向左侧区域移动、影响去除硝酸根离子的效果。若为阳离子交换膜,只允许阳离子通过,阳极反应,则产生的及酸性废水中氢离子会由左侧区域向右侧区域移动、参与阴极反应而除去硝酸根离子和氢离子,达到使用目的,故图中离子交换膜应为阳离子交换膜,C错误。
D.据分析Ag-Pt为阴极,Ag-Pt电极上NO得电子被还原为N2、电解质为酸性废水,则阴极的电极反应式为2NO+12H++10e-=N2↑+6H2O,D正确;
答案选D。
17.D
【详解】A.由图中信息可知石墨上发生反应:,石墨作阴极,A正确;
B.NHPI和PINO循环转化,则理论上NHPI的总量在反应前后不变,故B正确;
C.由图可知,循环物质在总反应中不体现,则总反应为:,故C正确;
D.气体体积没有告诉是标准状况,故D错误;
故选:D。
18.D
【分析】电解池中,与电源正极相连的电极是阳极,阳极上失去电子发生氧化反应,左侧电极上CH3COO-转化为CO2和H+,发生氧化反应,左侧为阳极,与电源负极相连的电极是阴极,阴极上氧化剂得到电子发生还原反应,右侧CO2和H+转化为CH4;为还原反应,右侧为阴极;
【详解】A. 据分析,左侧电极为阳极,则电源a为正极,A错误;
B.电化学反应时,电极上电子数守恒,则有左侧 ,右侧有,二氧化碳不能零排放,B错误;
C. 不知道气体是否处于标准状况,则难以计算与a相连的电极将产生的CO2的体积,C错误;
D. 右侧为阴极区,b电极上发生还原反应,结合图示信息可知,电极反应为:CO2+8e-+8H+=CH4+2H2O,D正确;
答案选D。
19.B
【详解】A.由于Cu不是惰性电极,所以Cu会参与氧化还原反应,阳极Cu失去电子,生成Cu2+,阳极电极反应式为Cu-2e-=Cu2+,阴极电极方程式为2H2O+2e-=H2↑+2OH-,故A错误;
B.由于HClO酸性较弱,则NaClO可与醋酸反应生成HClO,漂白性增强,离子方程式为CH3COOH+ClO-=HClO+CH3COO-,故B正确;
C.向草酸溶液中逐滴加入酸性高锰酸钾溶液,溶液褪色,发生了氧化还原反应,由于草酸是弱酸,在离子方程式中应保留分子式,其离子方程式为2+5H2C2O4+6H+=2Mn2++10CO2↑+8H2O,故C错误;
D.水浴加热银氨溶液与葡萄糖的混合溶液,葡萄糖中醛基被氧化生成羧基,出现银镜,该反应的离子方程式为CH2OH(CHOH)4CHO+2[Ag(NH3)2]++2OH-CH2OH(CHOH)4COO-++3NH3+2Ag↓+H2O,故D错误;
答案为B。
20.D
【详解】A.从工作原理图可知,MnO2生成Mn2+,得到了电子,则MnO2/石墨毡为电源正极,发生还原反应,故A正确;
B.充电时,有机电极得到电子,PTO得到电子和H+生成HQ结构,则有机电极和外接电源的负极相连,故B正确;
C.放电时,MnO2/石墨毡电极为电源正极,MnO2的电子被还原成Mn2+,则其电极反应式为MnO2+2e-+4H+=Mn2++2H2O,故C正确;
D.充电时,有机电极的电极反应式为PTO+4e-+4H+=HQ,故D错误;
本题答案D。
21.B
【详解】A.氯气和水的反应为可逆反应,不能进行彻底,转移的电子数小于0.2NA,A错误;
B.电解AgNO3溶液,阳极生成的气体为氧气,物质的量n=V/Vm=2.24L÷22.4L /mol=0.1mol,电极反应式为4OH--4e-=2H2O+O2↑,则转移的电子数为0.4NA个,B正确;
C.1mol乙炔共用电子对数为5 NA,1mol甲醛共用电子对数为4 NA,故1mol乙炔和甲醛的混合气体含有的共用电子对数无法计算,C错误;
D.未知HA是强酸还是弱酸,无法求算c(A-),D错误;
故选:B。
22.A
【详解】A.价层电子对数等于σ键+孤电子对数=2+(6−2×1)/2=4,所以1mol H2S分子中,S原子的价层电子对数目为4NA,H2S分子的VSEPR模型为正四面体形,故A正确;
B.1个中含有4个C-H,2个C-O,共6个极性共价键,因此含有极性键数目为34g÷68g/mol×6×NAmol-1=3NA,故B错误;
C.依据物料守恒可知:1L 0.01mol•L-1溶液中,、、 的总物质的量为0.01mol,所以和的离子数目之和小于0.01NA,故C错误;
D.据电极反应式可知,转移xe-释放x个Li+,则每转移1mol电子释放NA个Li+,故D错误;
故选:A。
23.C
【详解】A.放电时,KSn合金作负极,MWCNTs-COOH作正极,在内电路中电流由负极流向正极,选项A错误;
B.气体未指明状况,无法根据体积确定其物质的量,选项B错误;
C.充电时,阳极发生氧化反应,电极反应为C-4e-+2K2CO3=3CO2↑+4K+,选项C正确;
D.若用KOH溶液代替酯基电解质,则KOH会与正极上的MWCNTs-COOH发生反应,因此不能使用KOH溶液代替酯基电解质,选项D错误;
答案选C。
24.C
【详解】A.放电过程中,a为正极, b极为负极,溶液中阳离子移向正极,阴离子移向负极,所以放电过程中,向b极迁移,A项错误;
B.充电过程中b电极得到电子发生还原反应,由于在碱性环境中Zn以形式存在,则充电过程中, b电极应为: +2e-=Zn+4OH-,B项错误;
C.由图示可知,充电时,a电极失电子发生氧化反应,即a电极与电源正极相连,C项正确;
D.放电过程中b电极为负极,其电极反应式为Zn+4OH--2e-= , a极为正极,则其电极反应式为, MnO2+4H++2e-=Mn2+ +2H2O,所以放电过程中,转移0.4mole-时,a电极消耗0.8molH+,D项错误;
答案选C。
25.B
【详解】A.铅酸蓄电池充电时,阳极上发生反应为:PbSO4+2H2O-2e- =PbO2+4H+ +SO,阴极发生反应为:PbSO4+2e-=Pb+ SO,两个电极上均消耗硫酸铅,故A错误;
B.难溶物在水溶液中存在沉淀溶解平衡,沉淀转化的实质为由于加入某种其他离子后使沉淀溶解平衡正向移动,从而发生沉淀的转化,故B正确;
C.常温下,为5的盐酸已完全电离,升温后氢离子浓度不变,为5的氯化铵溶液中,氯化铵水解使溶液显酸性,升温促进铵根离子的水解,氢离子浓度增大,故C错误;
D.该反应的,根据时反应能自发进行可知,只有该反应的时才可能满足条件,故D错误;
故选B。
26.A
【详解】A.透明陶瓷是一种新型无机非金属材料,故A正确;
B.合成纤维是有机高分子材料,故B错误;
C.记忆合金是金属材料,故C错误;
D.燃料电池是一种把燃料中的化学能转化为电能和热能的装置,不是材料,故D错误;
故选A。
27.D
【分析】该装置为电解装置,催化电极a涉及的物质转化为C3H8O3→C3H6O3,发生的是氧化反应,则电极a为阳极;催化电极b涉及的物质转化为CO2→CO,H2O→H2,发生的是还原反应,则电极b为阴极,据此分析解答。
【详解】A.催化电极a涉及的物质转化为C3H8O3→C3H6O3,发生的是氧化反应,所以该电极作阳极,与电源正极相连,故A正确;
B.电极b为阴极,CO2还原为CO,H2O还原为H2,发生的电极反应为CO2+2e-+H2O=CO+2OH-,2H2O+2e- =H2+2OH-,电极附近OH-浓度增大,则电极附近的pH增大,故B正确;
C.电极a为阳极,电解时阴离子向阳极移动,即阴离子透过交换膜向a极迁移,故C正确;
D.阳极发生氧化反应,电极反应式为C3H8O3-2e-+2OH-=C3H6O3+2H2O,故D错误;
答案选D。
28.A
【详解】A.用惰性电极电解MgCl2溶液的离子反应为Mg2++2Cl-+2H2OMg(OH)2↓+H2↑+Cl2↑,故A错误;
B.K3[Fe(CN)6]检验Fe2+生成蓝色沉淀,离子反应为,故B正确;
C.发生相互促进水解反应生成沉淀和气体,离子反应为,故C正确;
D.NH4Cl是强酸弱碱盐,铵根在水中能发生水解,存在平衡,用“⇌”使溶液显酸性:,故D正确;
故选:A。
29.B
【分析】根据原电池工作原理图可知,负极X上Na发生失电子的氧化反应,负极反应式为Na-e-=Na+,正极Y上发生得电子的还原反应,正极反应式为CaFeO3+Na++e-═CaFeO2.5+0.5Na2O,充电时为电解池,原电池的负极连接电源的负极,阴阳极的电极反应和放电时的负正极反应相反,据此分析解答。
【详解】A.放电时,X极上Na失电子、发生氧化反应、为负极,电子经导线从负极流向正极,故A错误;
B.充电时,Y极做阳极,电极反应式为CaFeO2.5+0.5Na2O-e-=CaFeO3+Na+,故B正确;
C.乙醇是非电解质,不能导电,不能作为电解质溶液,故C错误;
D.若Na和Li都失去1mol电子,则电极材料中消耗Na的质量为23g、Li的质量为7g,所以单位质量金属放出的电能:Li>Na,故D错误;
故选:B。
30.BD
【分析】由装置图可知,X端连接的电极上发生的反应是在微生物作用下BOD、H2O反应生成CO2;Y端连接的电极上发生的反应是在微生物作用下NO反应生成N2,氮元素化合价降低,发生还原反应,为电解池的阴极,则Y为电源负极,X为电源正极,质子膜允许H+通过,据此解答。
【详解】A.由上述分析可知,X为电源正极,故A错误;
B.若该装置在高温下进行,作为催化剂的微生物会失去活性,则净化效率将降低,故B正确;
C.根据阴极的电极反应式2NO+10e-+12H+=N2↑+6H2O可知,若有1 mol NO被还原,转移5 mol电子,根据电荷守恒,则有5 mol H+通过质子膜迁移至阴极区,故C错误;
D.若BOD为葡萄糖(C6H12O6),则1 mol葡萄糖被完全氧化时,碳元素化合价由0价变为+4价,理论上电极上流出4×6 mol=24 mol e-,故D正确;
答案选BD。
天津高考化学三年(2020-2022)模拟题分类汇编-40化学能与电能(2)解答题: 这是一份天津高考化学三年(2020-2022)模拟题分类汇编-40化学能与电能(2)解答题,共42页。试卷主要包含了原理综合题,工业流程题等内容,欢迎下载使用。
天津高考化学三年(2020-2022)模拟题分类汇编-39化学能与电能(1)解答题: 这是一份天津高考化学三年(2020-2022)模拟题分类汇编-39化学能与电能(1)解答题,共68页。试卷主要包含了原理综合题,结构与性质,工业流程题等内容,欢迎下载使用。
天津高考化学三年(2020-2022)模拟题分类汇编-38化学能与电能(4)选择题: 这是一份天津高考化学三年(2020-2022)模拟题分类汇编-38化学能与电能(4)选择题,共19页。试卷主要包含了单选题,选择题等内容,欢迎下载使用。

