广西高考化学三年(2020-2022)模拟题分类汇编-16化学能与电能(非选择题)
展开广西高考化学三年(2020-2022)模拟题分类汇编-16化学能与电能(非选择题)
一、实验题
1.(2021·广西·统考二模)氨基钠(NaNH2)是化工、医药领域常用的试剂,常温下为白色晶体,熔点为210°C,温度高于400°C时开始分解成单质,易水解。某兴趣小组探究氨基钠的制备与性质。
I.制备氨基钠(NaNH2)
实验室制备氨基钠的反应原理是: 2Na+ 2NH32NaNH2 +H2↑
实验装置如下图所示:
(1)仪器D冷却水的入口位置是_______(“a”或“b"), NaNH2电子式是_______
(2)为提高氨基钠的纯度,在加入药品后,点燃A和C两处酒精灯之前应进行的操作是_______。
(3)干燥管B与E分别放入的试剂为_______。
(4)如图所示的一种电化学装置可以制备该实验所需的NH3,图中陶瓷在高温时可以传输H+该装置中产生氨气的电极反应式为__。
II.探究(NaNH2)的性质
(5)小组I为验证有NaNH2生成,取适量充分反应后的固体于试管中,加入蒸馏水,有无色刺激性气体产生,反应的化学方程式为_______,检验该气体的方法是_______。
(6)小组2为了测定产品的纯度,取8 g产品与水充分反应后,将生成的气体完全干燥后,再用浓硫酸充分吸收,称量测得浓硫酸增重3.4g,则产品纯度为_______%。
2.(2020·广西·统考一模)NaClO2是一种高效的漂白剂和氧化剂,可用于各种纤维和某些食品的漂白。Mathieson方法制备NaClO2的流程如图所示:
(1)NaClO2的名称是_______。
(2)H2O2的电子式是_______。
(3)反应①的化学方程是_______。
(4)ClO2也是一种消毒剂,在杀菌消毒过程中会产生副产物ClO,需将其转化为Cl- 除去,下列试剂中,可将ClO转化为Cl- 的是_______(填字母序号)。
a. FeSO4 b.O3 c. KMnO4 d. SO2
(5)反应②的离子方程式是_______。
(6)电解法也可得到NaClO2,如图所示:
①粗食盐中含有SO、Ca2+ 、Mg2+。精制食盐水的过程中需要加入盐酸,目的是_______。
②电解过程中的阴极反应式是_______ ; 电解过程中若产生标准状况下氯气33.6 L,理论上得到NaClO2的质量是_______。
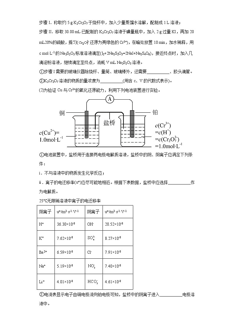
3.(2020·广西北海·统考一模)K2Cr2O7是实验室常用试剂。回答下列问题:
(1)实验室配制一定浓度的K2Cr2O7溶液(橙红色)并标定的实验步骤如下:
步骤I.称取约5 g K2Cr2O7于烧杯中,加入少量蒸馏水溶解,配制成1 L溶液;
步骤II.移取30.00 mL已配制的K2Cr2O7溶液于碘量瓶中,加入2 g过量KI,再加20 mL20%的硫酸,摇匀(还原为亮绿色的Cr3+),在暗处放置10 min,加水稀释,用c mol·L-1的Na2S2O3标准溶液滴定(I2+2Na2S2O3=2NaI+Na2S4O6),接近终点时,加入几滴淀粉溶液,继续滴定至终点,消耗V mL Na2S2O3溶液。
①步骤I需要的玻璃仪器除烧杯、量筒、玻璃棒外,还需要___________、胶头滴管。
②K2Cr2O7溶液的物质的量浓度为___________(用含c、V的代数式表示)。
(2)为验证Cu与Cr3+的氧化还原能力,利用下列电池装置进行实验。
①电池装置中,盐桥用于连接两电极电解质溶液,盐桥中的阴、阳离子应满足下列条件:
i.不与溶液中的物质发生化学反应;
ii.离子的电迁移率(u∞)应尽可能地相近。根据下表数据,盐桥中应选择___________作为电解质。
25℃无限稀溶液中离子的电迁移率
阳离子
u∞/m2·s-1·V-1
阴离子
u∞/m2·s-1·V-1
H+
36.30×10-8
OH-
20.52×10-8
K+
7.62×10-8
8.27×10-8
Ba2+
6.59×10-8
Cl-
7.91×10-8
Na+
5.19×10-8
7.40×10-8
Li+
4.01×10-8
4.61×10-8
②电流表显示电子由铜电极流向铂电极可知,盐桥中的阴离子进入___________电极溶液中。
③一段时间后铜电极溶液中Cu2+变为1.03 mol·L-1,铂电极溶液中Cr3+的浓度为___________mol·L-1(假设两边溶液体积相等且不变化);铂电极的电极反应式为___________。
④由实验结果可确定还原性:Cu___________(填“大于”或“小于”)Cr3+。
二、原理综合题
4.(2022·广西玉林·统考一模)一碳产品是石油的良好替代品,一碳化学与绿色化工结合可以实现经济与环境的协调发展。甲醇-水蒸气重整制氢方法是目前比较成熟的制氢方法,且具有良好的应用前景。甲醇-水蒸气重整制氢的部分反应过程如图1所示:
(1)已知一定条件下
反应I:CH3OH(g)CO(g)+2H2(g) ΔH1=+90.7kJ·mol-1
反应II:H2O(g)+CO(g)H2(g)+CO2(g) ΔH2=-41.2kJ·mol-1
反应III:CH3OH(g)+H2O(g)CO2(g)+3H2(g) ΔH3
该条件下反应III的ΔH3=_______。
(2)已知反应II在进气比[n(CO):n(H2O)]不同时,在不同温度(T1、T2)下,测得相应的CO的平衡转化率如图2所示。
①比较T1、T2的大小,T1_______T2(填“>”“<”或“=”)。
②A点对应的化学平衡常数是_______。
③T1温度时,按下表数据开始反应建立平衡:
CO
H2O
H2
CO2
起始浓度/(mol·L-1)
2
1
0
0
t时刻浓度/(mol·L-1)
1.5
0.5
0.5
0.5
反应进行到t时刻时,判断v(正)、v(逆)的大小关系为断v(正)_______v(逆(填“>“<”或“=”)。
④当不同的进气比达到相同的CO平衡转化率时,对应的反应温度和进气比的关系是_______。
(3)CO2在生产中有着广泛的用途。经CO2饱和处理的KHCO3,弱酸性溶液中,电解活化CO2可以制备乙醇,原理如图所示。
CO2参与反应的一极为_______(填“阴极”或“阳极”),电极反应式是_______。
5.(2022·广西·统考模拟预测)二氧化碳的排放越来越受到能源和环境领域的关注,其综合利用是目前研究的重要课题之一、回答下列问题:
(1)已知下列反应的正反应活化能(E1)逆反应活化能(E2)如表所示:
序号
化学反应
E1/(kJ·mol-1)
E2/(kJ·mol-1)
①
H2(g)+ O2(g)=H2O(1)
685
970
②
2CH3OH(1) + 3O2(g)=2CO2 (g) +4H2O (1)
3526
4978
CO2与H2合成液态甲醇的热化学方程式为___________。
(2)一定温度下,在2L密闭容器中充入3 mol CO2和 6 mol H2,发生反应:CO2(g)+ 3H2(g) CH3OH(g) + H2O(g),测定H2的转化率[α(H2) ]随时间的变化如图所示:
①0~ 20 min内,用CH3OH的浓度变化表示的平均 反应速率:v(CH3OH)=___________ mol·L-1·min-1。
②该温度下,反应的平衡常数K=___________ (结果保 留两位小数)。
③若在上述平衡状态下,再向容器中充入1mol CO2和lmolH2O(g),则反应速率 v(正)___v(逆) (填“>”“< “或“= “)。
(3)科学家提出利用CO2与CH4制备合成气: CO2(g) +CH4(g) 2CO(g)+ 2H2(g)。在体积均为2L的密闭容器甲和乙中,分别充入1 molCO2和1 mol CH4、2 mol CO2和2 mol CH4,在相同温度下达到平衡状态时,CO2的转化率:α(甲)___________α(乙)(填“>”“<“或“=” ,下同),达到平衡所需的时间: t(甲)___________ t(乙)。
(4)如图是利用太阳能电池电解C2H6分别转化成其它含碳化合物的原理示意图,碳电极上生成CO的电极反应式___________。若起始投入0.3mol C2H6全部反应完全,生成三种产物中C2H4的物质的量为0.1mol,则电路中转移的电子数目为___________。
6.(2021·广西南宁·统考二模)SO2的含量是衡量大气污染的一个重要指标。工业上常采用催化还原法或吸收法处理SO2。
(1)在复合组分催化剂作用下,CH4可使SO2转化为S,同时生成CO2和液态H2O。
已知:CH4(g) +2SO2(g)=CO2(g) +2S(s) +2H2O(l) ΔH= -295.9 kJ·mol-1
S(s)+O2(g)=SO2(g) ΔH= -297.2 kJ·mol-1
则CH4的燃烧热ΔH=_______。
(2)在恒容密闭容器中,用H2还原SO2生成S的反应分两步完成(如图1所示) ,该过程中部分物质的物质的量浓度随时间的变化关系如图2所示:
①由分析可知X为_______ (填化学式)。
②0~t1时间段的温度为_______。
(3)燃煤烟气中可通过反应SO2(g)+2CO(g)2CO2(g)+S(l)实现硫的回收。将1molSO2和2molCO通入1L恒容密闭容器中,在恒温T℃,起始压强为2.5×106Pa条件下反应,5min时,反应达到平衡,气体密度减小16g·L-1。
①0~5min内,CO的反应速率是_______;若升高温度,气体的密度增加(S仍为液体),则该反应的ΔH_______(填“>”或“<”)0。
②T℃时,平衡常数Kp=_______Pa-1。
(4)单质硫也可以生成多硫化物从而实现能量间的转化。
①钠硫电池是一种新型高能电池,总反应为2Na+2SNa2S2,该电池工作时正极的电极反应式为_______;给该电池充电时,钠电极应与外电源的_______(填“正”或“负”)极相连接。
②在碱性溶液中,S被BrO氧化成SO,BrO被还原成Br-。该反应的离子方程式是_______。
7.(2021·广西南宁·统考一模)硫及其化合物的综合利用是化学研究的热点领域。回答下列问题:
(1)已知:H2S的燃烧热△H1=-586kJ/mol;硫的燃烧热△H2=-297kJ/mol。25℃、101kPa时,1molH2S不完全燃烧生成固态S和液态H2O的反应热△H3=___kJ/mol
(2)SO2催化氧化制SO3,是重要化工反应。该反应用V2O5,作为催化剂,催化反应过程如下图所示。该反应加入催化剂后正反应的活化能为___。加入催化剂能提高该反应的化学反应速率的原因是___。
(3)工业上在接触室中用SO2与空气中O2反应制取SO3.原料气中各成分的体积分数为:SO2~7%,O2~11%,氮气~82%时,温度及压强对SO2平衡转化率的影响如下表所示。
从表中数据分析,工业上采取400℃~500℃、1MPa条件下合成SO3的原因是____。在T℃、1MPa条件下,SO2的平衡转化率为x,压强平衡常数Kp=___(写出计算式即可)。(以分压代替物质的量浓度,分压=总压×物质的量分数)。
(4)锂—硫电池是重要的新型储能可逆电池,其构造如图所示。
电池充电时,与电源负极所连电极发生的电极反应为___,在电池放电时,电池右边电极依次发生Li2S8→Li2S6→Li2S4→Li2S2→Li2S系列转化。若放电前,图右边电极中Li2Sx只有Li2S8,放电后生成产物Li2S、Li2S2物质的量之比为6:1,则1mol Li2S8反应得到的电子数为____。
8.(2021·广西桂林·统考一模)甲醇(CH3OH)是一种重要的化工原料,工业上可用CO和H2合成甲醇(催化剂为Cu2O/ZnO):CO(g)+2H2(g)⇌CH3OH(g) △H=-90.8 kJ·mol-1.若在温度、容积相同的3个密闭容器中,按不同方式投入反应物,保持恒温、恒容,测得反应达到平衡时的有关数据如下:
容器
甲
乙
丙
反应物投入量
1 mol CO、2 mol H2
1 mol CH3OH
2 mol CO、4 mol H2
平衡时的浓度
c1
c2
c3
平衡时反应的能量变化为正值
放出Q1 kJ
吸收Q2 kJ
放出Q3 kJ
平衡时反应物的转化率
α1
α2
α3
回答下列问题:
(1)下列说法正确的是___________(填标号)。
A.c1=c2 B.2Q1=Q3 C.Q1+Q2=90.8 D.α2+α3<1
(2)据研究,反应过程中起催化作用的是Cu2O,反应体系中含少量CO2有利于维持催化剂Cu2O的量不变,原因是___________(用化学方程式表示)。
(3)已知在25℃,101 kPa下:甲醇(l)的燃烧热△H=-725.8 kJ·mol-1,CO(g)的燃烧热△H=-283 kJ·mol-1,H2O(g)=H2O(l) △H=-44.0 kJ·mol-1。
则甲醇(l)不完全燃烧生成一氧化碳和水蒸气的热化学方程式为___________。
(4)工业上也可用CO2和H2合成甲醇。将2 mol CO2和6 mol H2充入2 L恒容密闭容器中发生反应:CO2(g)+3H2(g)CH3OH(g)+H2O(g),如图1表示压强为0.1 MPa和5.0 MPa下CO2的平衡转化率随温度的变化关系。
①a、b两点化学反应速率分别用va、vb,表示,则va___________vb(填“大于”“小于”或“等于”)。
②a点对应的平衡常数K=___________L2·mol-2(保留1位小数)。
(5)在1 L恒容密闭容器中投入1 mol CO2和3.75 mol H2发生反应:CO2(g)+3H2(g)⇌CH3OH(g)+H2O(g),实验测得不同压强下,平衡时甲醇的物质的量随温度的变化如图2所示。
下列说法正确的是___________(填标号)。
A.压强大小关系为p1<p2<p3
B.M点时,H2的平衡转化率为20%
C.升高温度,平衡常数增大
D.在p2及512 K时,图中N点的正反应速率大于逆反应速率
(6)以甲醇为主要原料,电化学合成碳酸二甲酯[(CH3O)2CO]的工作原理如图所示。直流电源的正极为___________(填“A”或“B”),阳极的电极反应式为___________。
9.(2020·广西北海·统考一模)某实验小组同学利用下图装置对电化学原理进行了一系列探究活动。回答下列问题:
(1)甲池为___________(填“原电池”或“电解池”)装置。
(2)甲池反应前,两电极质量相等,一段时间后,若Ag极的质量增加21.6 g,则两电极质量相差___________g。
(3)实验过程中,甲池左侧烧杯中的浓度___________(填“变大”“变小”或“不变”)。
(4)若乙池中的某盐溶液是足量CuSO4溶液,则乙池中左侧Pt电极的电极反应式为___________,工作一段时间后,若要使乙池溶液恢复至原来浓度,可向溶液中加入___________(填化学式)。
10.(2020·广西·二模)机动车尾气和燃煤产生的烟气是目前城市空气污染的重要原因之一。NO和CO均为汽车尾气的成分,这两种气体在催化转换器中发生如下反应:2NO(g)+2CO(g) 2CO2(g)+N2(g) ∆H=-akJ·mol-1
(1)CO可用于炼铁,已知:
①Fe2O3(s)+3C(s)=2Fe(s)+3CO(g)△H=+489.0kJ/mol
②C(s)+CO2(g)=2CO(g)△H=+172.5kJ/mol
则CO还原Fe2O3的热化学方程式为_____________________
(2)在一定温度下,将1.2 mol NO、1.0 mol CO气体通入到固定容积为2L的密闭容器中,反应过程中部分物质的浓度变化如图所示。
0~20 min CO2的平均速率v(CO2)=____________,CO的转化率为____________
(3)下列能够说明该反应已经达到平衡的是__________
a.该容器内压强不再改变
b.上述反应的焓变∆H不变
c. v(NO)=2v(N2)
d.混合气体的密度不再变化
(4)若保持反应体系的温度不变,20 min时再向容器中充CO、CO2各0.2mol,化学平衡将__________(填“逆向”“正向”或“不”)移动。重新达到平衡后,该反应的化学平衡常数为__________(结果保留两位有效数字)
(5)利用反应2NO2+4CO=N2+4CO2可以处理汽车尾气。若将该反应设计为原电池,用熔融NaCO3作电解质,其正极电极反应式为_____________
(6)工业上用氨水将SO2转化为(NH4)2SO3,再氧化为(NH4)2SO4。已知25℃时,0.05mol/L(NH4)2SO4溶液的pH=a,则c(NH4+):c(NH3·H2O)=__________用含a的代数式表示,已知NH3·H2O的电离常数为Kb=1.7×10-5)。
11.(2020·广西玉林·一模)NH3、NO2、SO2处理不当易造成环境污染,如果对这些气体加以利用就可以变废为宝,既减少了对环境的污染,又解决了部分能源危机问题。
(1)硝酸厂常用催化还原方法处理尾气。CH4在催化条件下可以NO2将还原为N2。已知:
CH4 (g)+2O2(g)=CO2(g)+2H2O(l) △H1=-890.3kJ•mol-1①
N2 (g) +2O2(g)=2 NO2 (g) △H2=+67.7kJ•mol-1②
则反应CH4 (g)+2NO2(g)=CO2(g)+ N2 (g)+ 2H2O(l) △H= _____________ 。
(2)工业上利用氨气生产氢氰酸(HCN)的反应为:CH4 (g)+ NH3 (g) HCN(g)+ 3H2 (g) △H>0
①在一定温度条件下,向2L恒容密闭容器中加入2mol CH4和2mol NH3,平衡时NH3体积分数为30%,所用时间为10min,则该时间段内用CH4的浓度变化表示的反应速率为__________________mol•L-1•min-1,该温度下平衡常数K=_________。若保持温度不变,再向容器中加入CH4和H2各1mol,则此时v正= ________ (填“>”“=”或“<”)v逆。
②其他条件一定,达到平衡时NH3转化率随外界条件X 变化的关系如图1所示,X 代表 __________(填字母代号)
A.温度 B. 压强 C. 原料中CH4与NH3的体积比
(3)某研究小组用NaOH 溶液吸收尾气中的二氧化碳,将得到的Na2SO3进行电解生产硫酸,其中阴、阳膜组合电解装置如图2所示,电极材料为石墨,A~E分别代表生产中的原料或产品,b表示_____(填“阴”或“阳”)离子交换膜,阳极的电极反应式为________。
三、工业流程题
12.(2021·广西桂林·统考一模)工业上以菱锰矿(主要成分是MnCO3,还含有Fe2+、Ni2+等)为原料制备电解锰的工艺流程如图所示。
溶液中金属离子开始沉淀和完全沉淀的pH如下表所示:
金属离子
Ni2+
Mn2+
Fe3+
Fe2+
开始沉淀时(c=0.01mol‧L-1)的pH
7.2
8.3
2.2
7.5
沉淀完全时(c=1.0×10-5mol‧L-1)的pH
8.7
9.8
3.2
9.0
回答下列问题:
(1)浸出槽中发生多个反应:如主要成分与稀硫酸的反应、MnO2与Fe2+间的氧化还原反应等。这两个反应的离子方程式分别为___________、___________。
(2)加入氨水的目的是为除去杂质,根据流程图及表中数据,pH应调控在___________范围内。常温下,Ksp[Fe(OH)3]=4.0×10-38,当pH=4时,溶液中c(Fe3+)=___________。
(3)加入硫化铵是为除去剩余的Ni2+,由此可判断相同温度下溶解度:NiS_______Ni(OH)2(填“大于”或“小于”)。
(4)电解硫酸锰溶液的化学方程式为___________。
(5)工业上也可以用MnO2和Al粉作为原料,用铝热反应来制取金属锰,反应的化学方程式为_____。
(6)将分离出电解锰后的稀硫酸收集、循环使用,其意义是________。
13.(2020·广西北海·统考一模)一种从含铅废渣(主要成分为PbSO4,还含有少量CuO、FeO等)中制取电解铅的工艺流程如下:
回答下列问题:
(1)“滤液1”中溶质的主要成分有_________。
(2)“转化”时发生PbSO4+=PbCO3+,为提高PbSO4的转化率可采取的适宜措施是________(写出两点);“滤液2”中主要溶质是______(填化学式)。
(3)“溶解”时发生反应的化学方程式为_________。
(4)“还原”时,控制溶液pH约为5~6。pH不宜过低,其原因是__________;还原过程中需不断搅拌,不断搅拌的主要目的是_____________。
(5)海绵铅(主要成分为铅,还含有少量Fe、Cu、Sn等杂质)用PbSiF6和H2SiF6的混合溶液作电解质进行电解,阳极泥的主要成分为________;阴极的电极反应式为______。
14.(2020·广西来宾·模拟预测)一种利用钛铁矿制备Li4Ti5O12的工艺流程如图:
已知:钛铁矿的主要成分是FeTiO3(可表示为FeO·TiO2),还含有少量的MgO和SiO2等杂质。
回答下列问题:
(1)酸浸时,要提高铁的浸出率可采取的措施是___(写出一条即可)。
(2)酸浸后的滤液①中钛主要以TiOCl42-形式存在,则其水解生成TiO2·xH2O的离子方程式为___,加热水的目的是___。
(3)TiO2·xH2O沉淀与双氧水、氨水反应时,应将温度控制在50℃左右的原因是___。
(4)若将滤液②加热至一定温度后,再加入双氧水和磷酸,恰好使Mg2+沉淀完全[溶液中c(Mg2+)降至1.0×10-5mol·L-1],此时溶液中=___。已知:此温度下,FePO4、Mg3(PO4)2的溶度积常数分别为1.5×10-21、1.0×10-23。
(5)高温煅烧时发生反应的化学反应方程式为___。
(6)某可充电的锂离子电池以Li4Ti5O12为正极,嵌入锂的碳材料为负极,含Li+导电固体为电解质。放电时的电池反应为LixC+Li4Ti5O12=Li(x-5)C+Li9Ti5O12,则充电时阴极电极反应式为___。
15.(2020·广西·统考二模)JohnB.Goodenough等三位科学家因为在锂离子电池研究领域的突出贡献获得2019年诺贝尔化学奖。碳酸锂是一种常见的锂离子电池原料,一种以锂辉石为原料制取碳酸锂的工艺如下图:(锂辉石:LiAl(SiO3)2,也表示为Li2O·Al2O3·4SiO2,还含微量的钠、钙、镁等元素)
[查阅资料]:Li2CO3为无色单斜晶系结晶体,熔点618℃,溶于硫酸,微溶于水,在冷水中的溶解度比热水中大。
(1)在“硫酸浸出”流程,将硫酸加热到130℃的目的是______________________________。
(2)在“中和分离”流程,石灰水发生的中和反应方程式为____________________________。
(3)在“Li2CO3分离、洗涤”流程,用热水洗涤的原因是______________________________。
(4)检验Li2CO3沉淀是否洗涤干净的方法是_________________________________________。
(5)工业上高温煅烧FePO4、Li2CO3和草酸晶体(H2C2O4·2H2O)的混合物制取电池材料磷酸亚铁锂(LiFePO4),反应的化学方程式为_________________________________________。
(6)将一定浓度的磷酸二氢铵、氯化锂混合溶液作为电解液,以铁棒为阳极,石墨为阴极,电解也能制取磷酸亚铁锂沉淀。阳极生成磷酸亚铁锂的电极反应式为__________________,沉淀经过滤、洗涤、干燥,在800℃左右、惰性气体氛围中煅烧制得晶态磷酸亚铁锂,制备磷酸亚铁锂的过程必须在惰性气体氛围中进行的原因是______________________________。
16.(2020·广西桂林·统考一模)工业、上常用钛铁矿[主要成分为FeTiO3(钛酸亚铁,不溶于水)、Fe2O3及少量SiO2杂质]作原料,制取二氧化钛及铁红,其生产流程如图:
已知:TiO2+易水解,只能存在于强酸性溶液中。
回答下列问题:
(1)钛铁矿用硫酸溶解时,过滤所得滤渣的成分是__(填化学式)。
(2)从溶液B中得到FeSO4·7H2O晶体的操作是__、过滤、洗涤、干燥。
(3)溶液C中加入NH4HCO3,发生反应的离子方程式是__。
(4)煅烧FeCO3,发生反应的化学方程式是__。
(5)流程中加入Na2CO3粉末得到固体TiO2·nH2O。请结合TiO2+的水解平衡原理解释其原因:__。
(6)用如图所示装置(熔融CaF2-CaO作电解质)获得金属钙,并用钙还原TiO2制取金属钛。阳极反应式是__,反应过程中CaO的物质的量__(填“减小”“不变”或“增大”)。
参考答案:
1. a 打开 C 处,通入惰性气体,排尽装置内空气 碱石灰、P2O5 N2+6e-+6H+=2NH3 NaNH2 + H2O = NaOH + NH3 ↑ 将湿润的红色石蕊试纸放在试管口,试纸变蓝(用玻璃棒蘸浓盐酸或者浓硝酸靠近试管口,产生白烟) 97.5
【分析】装置A氯化铵和消石灰共热制备氨气,干燥管B的作用是干燥NH3,防止含有的水与金属钠发生副反应,所以加入的干燥剂一般为碱石灰、烧碱或氧化钙等碱性干燥剂;装置C是氨气与钠反应制备NaNH2,干燥管E的主要的作用是吸收尾气中的NH3,防止污染环境,还可以防止空气中的水进入三颈烧瓶与钠反应,所以适宜选取的试剂为五氧化二磷等酸性固体干燥剂。
【详解】(1)为了能够使冷凝管内充满水,冷却水要下进上出,即从a口进入;NaNH2为Na+和NH构成的离子化合物,电子式为;
(2)氨基钠与空气中的水或氧气反应会使降低其纯度,所以在加入药品后,点燃A和C两处酒精灯之前应先打开 C 处,通入惰性气体,排尽装置内空气;
(3)根据分析可知B处干燥剂主要作用是干燥氨气,所以选用碱石灰;而E除了要吸收氨气还需要防止空气中的水进入,所以宜选取的试剂为P2O5;
(4)氮气Pt电极a上得电子被还原,结合传导过来的氢离子生成氨气,电极反应式为N2+6e-+6H+=2NH3;
(5)加入蒸馏水,有无色刺激性气体产生,说明产生氨气,结合元素守恒可知化学方程式应为NaNH2 + H2O = NaOH + NH3 ↑;氨气能使湿润的红色石蕊试纸变蓝,且能与HCl气体反应生成固态氯化铵,所以检验氨气的具体方法为:将湿润的红色石蕊试纸放在试管口,试纸变蓝(用玻璃棒蘸浓盐酸或者浓硝酸靠近试管口,产生白烟);
(6)浓硫酸增重即生成的氨气的质量,所以n(NH3)==0.2mol,根据NaNH2与水反应的化学方程式可知样品中n(NaNH2)=0.2mol,所以纯度为=97.5%。
2. 亚氯酸钠 2NaClO3+H2SO4+SO2=2ClO2+ 2NaHSO4 ad 2OH- + 2ClO2+H2O2=2H2O+O2↑+2ClO 除去过量的Na2CO3和NaOH ClO2 +e-=ClO 271.5 g
【详解】(1)该化合物中Cl元素为+3价,属于亚氯酸盐,故名称为亚氯酸钠;
(2)H2O2中H与O之间共用一对电子,O与O之间也共用一对电子,对应电子式为。
(3)由图示知,反应①为NaClO3、H2SO4、SO2三者之间反应生成NaHSO4、ClO2,根据得失电子守恒和元素守恒配平得方程式为:2NaClO3+H2SO4+SO2=2ClO2+ 2NaHSO4;
(4)转化为Cl-,元素化合价降低,需要还原剂,FeSO4中Fe元素化合价可升高到+3,SO2中S元素化合价可升高到+6价,均可作还原剂,故选ad;
(5)根据图示,反应②为ClO2在碱性条件下被H2O2还原为,H2O2被ClO2氧化为O2,结合得失电子守恒初步配平反应为:2ClO2+H2O2→2+O2↑,根据电荷守恒确定左边添加2个OH-,根据元素守恒右边添加2个H2O,得方程式为:2OH- + 2ClO2+H2O2=2H2O+O2↑+2ClO;
(6)①粗盐提纯过程中需加入过量的Na2CO3、NaOH除去相应离子,过滤后需加入盐酸将过量的Na2CO3、NaOH除去,故此处填:除去过量的Na2CO3和NaOH;
② ClO2转化为ClO需要得电子,故在阴极反应,即阴极反应式为ClO2 +e-=ClO;由图示知,Cl-在阳极放电产生Cl2,根据关系式Cl2~2e-可知电路中转移电子的物质的量=2n(Cl2)=,结合阴极电极反应可知生成亚氯酸根离子的物质的量n(ClO)=转移电子=3 mol,则NaClO2质量=3 mol×90.5 g/mol=271.5 g。
3. 1000mL容量瓶 mol·L-1 硫酸钾 铜 1.02 14H+++6e-=2 Cr3++7H2O 大于
【详解】(1)①配制1L一定物质的量浓度的溶液,需要的玻璃仪器除烧杯、量筒、玻璃棒外,还需要1000mL容量瓶、胶头滴管;
②根据实验反应原理可知,发生反应:14H+++6I-=2Cr3++7H2O+3I2,I2+2Na2S2O3=2NaI+Na2S4O6;据此可知反应关系:~3I2~6Na2S2O3,设K2Cr2O7溶液的物质的量浓度为xmol/L,则:6×x×30.00×10-3=c×V×10-3,解之的x= mol/L;
(2)①盐桥中离子不与溶液中的离子反应,且离子的满足电迁移率(u∞)应尽可能地相近。根据下表数据,虽然锂离子和碳酸氢根离子电迁移率最相近,但是碳酸氢根离子与铜离子发生双水解反应,不能大量共存,不能选择;据表数据只有选择钾离子和硫酸根离子,二者的电迁移率也很相近(与其余的几组相比较,数值相差较大,不能选择),且与两极电解质溶液共存,所以盐桥中应选择硫酸钾作为电解质。
②电流表显示电子由铜电极流向铂电极可知,说明铜做负极,铂电极为正极,根据阳离子移向正极,阴离子移向负极的规律可知,盐桥中的阴离子进入铜电极;
③铜做负极,极反应Cu-2e-=Cu2+;一段时间后铜电极溶液中Cu2+变为1.03mol·L-1,铜离子变化了0.03mol/L,则转移电子的量为0.06mol;铂电极为正极,正极极反应:14H+++6e-=2Cr3++7H2O,根据电子转移守恒规律,所以生成Cr3+的量为0.02mol,原溶液中存在铬离子,所以铂电极溶液中Cr3+的浓度1.02mol·L-1;
④根据实验可知,铜做原电池的负极,发生氧化反应,铜做还原剂;铂电极做原电池的正极,发生还原反应:14H+++6e-=2Cr3++7H2O,根据还原剂的还原性大于还原产物的还原性可知,可确定还原性:Cu大于Cr3+。
4.(1)+49.5kJ·mol-1
(2) < 1 > 进气比越大,反应温度越低
(3) 阴极 2CO2+12e- +12H+=CH3CH2OH+ 3H2O
【解析】(1)
由盖斯定律,反应I+反应II可得反应III,ΔH3=+90.7-41.2=+49.5kJ·mol-1;
(2)
①该反应为放热反应,升高温度平衡向逆反应方向移动,由图可知,进气比相同时,温度由T1变为T2时,CO转化率减小,说明平衡向逆反应方向移动,则T1
,则反应平衡常数K=,故答案为:1;
③由表格数据可知,t时刻时反应的浓度熵>K=1,说明平衡向逆反应方向移动,则v(正)
(3)
由示意图可知,纳米C电极为电解池的阴极,弱酸性条件下,二氧化碳在阴极得到电子发生还原反应生成乙醇,电极反应式为2CO2+12e-+12H+=CH3CH2OH+3H2O,故答案为:阴极;2CO2+12e-+12H+=CH3CH2OH+3H2O。
5.(1)CO2(g) +3H2(g)=CH3OH (1)+H2O(1)△H= - 129kJ·mol-1
(2) 0.04 4. 23 >
(3) > >
(4) C2H6- 10e -+ 2H2O= 2CO+ 10H+ 2.2NA
【解析】(1)
首先分别算出反应①和反应②的焓变,反应①的焓变为,即反应①的热化学方程式为,反应②的焓变为,即反应②的热化学方程式为,
再利用盖斯定律要求出与合成液态甲醇反应的化学方程式为,即,焓变为,即与合成液态甲醇的热化学方程式为;
故答案为;
(2)
一定温度下,在2L密闭容器中充入3 mol和 6 mol ,即它们的起始浓度分别为和,依据的转化率[]随时间的变化图可知的转化为0.8,即在20min内的转化浓度为,故可列出如下平衡三段式
用0~20min内,用的浓度变化表示的平均反应速率:;
平衡常数
若在上述平衡状态下,再向容器中充入和,则和的浓度变化为和,所以此时的浓度商,故;
故答案为0.04;4.23;>;
(3)
反应为气体体积增大的反应,当在体积均为2L的密闭容器甲和乙中,分别充入1 mol和1 mol 、2 mol 和2 mol ,在相同温度下达到平衡状态时,可以把乙看作是两个甲的反应再加压进入一个甲的容器中,故相对甲而言,乙的的平衡向逆反应方向移动,故转化率下降;但是乙的压强更大,反应速率更快,所以达到平衡所需时间更长的为甲;
故答案为:>;>;
(4)
据图可知利用太阳能电池电解分别转化成、、,依据电荷守恒与质量守恒可以写出三个电极反应式分别为:、、,若起始投入全部反应完全,生成三种产物中的物质的量为0.1mol,即生成时消耗了,转移的电子为0.1mol×2=0.2mol,而生成和转移的电子数相同,可以合并计算,则剩余的生成和时转移的电子为0.2mol×10=2mol,故转移的电子数目一共为;
故答案为;。
6. -890.3kJ·mol-1 H2S 300℃ 0.2mol-1·L-1·min-1 < 2.4×10-6 2S+2e-=S 负 3S+6OH-+7BrO=6SO+7Br-+3H2O
【详解】(1)第一个方程式+第二个方程式×2可得CH4的燃烧热ΔH=(-295.9 kJ·mol-1)+2 (-297.2 kJ·mol-1)=-890.3kJ·mol-1,故答案为:-890.3kJ·mol-1;
(2) ①根据图1可知,在300℃时,SO2和H2反应生成H2S,在100°C到200° C时,H2S和SO2反应生成S和水,故X为H2S,故答案为:H2S;
②在图2中,0 ~ t1时间段SO2和H2的浓度降低,H2S的浓度升高,故0 ~ t1时间段温度为300℃,故答案为:300℃;
(3) ①1L恒容密闭容器中,反应达到平衡,气体密度减小16g·L-1,减少的即为生成的S的质量16g,即0.5molS,因反应方程式为SO2(g)+2CO(g)2CO2(g)+S(l),故CO消耗的物质的量为1mol,0~5min内,CO的反应速率==0.2mol-1·L-1·min-1,若升高温度,气体的密度增加(S仍为液体),说明该反应平衡左移,正反应放热,则该反应的ΔH<0,故答案为:0.2mol-1·L-1·min-1;<;
②平衡时气体总的物质的量n(平)= n(SO2) +n(CO)+ n(CO2)= 0.5mol+1mol +1mol=2.5mol,平衡时的总压强P(平)=,=2.4×10-6,故答案为:2.4×10-6;
(4) ①氧化剂为S,在正极得电子,2S+2e-=S,充电时钠电极应该接电源负极,作阴极,故答案为:2S+2e-=S;负;
②在碱性溶液中,每个S被BrO氧化成SO,升高14价,每个BrO被还原成Br-,降低6价,该反应的离子方程式是3S+6OH-+7BrO=6SO+7Br-+3H2O,故答案为:3S+6OH-+7BrO=6SO+7Br-+3H2O。
7. -289 E1 加入催化剂,使活化能降低,活化分子百分数增加,从而加快反应速率 选择400~500℃,1 MPa合成SO3,催化剂活性高,化学反应速率较快,平衡转化率较高,且设备成本较低 Li+ + e- = Li 12
【详解】(1)由题目所给信息可得热化学方程式:①2H2S(g)+3O2(g)=2H2O(l)+2SO2(g) △H1=-586×2=-1172 kJ/mol,②S(s)+O2(g)=SO2(g) △H2=-297 kJ/mol,由盖斯定律①-②×2,得2H2S(g)+O2(g)=2H2O(l)+2S (s) △H=△H1-2△H2 =-578 kJ/mol,故1 mol H2S不完全燃烧的反应热△H3=;
(2)正反应的活化能指反应物与活化分子之间的能量差值,由图示知,加入催化剂后正反应的活化能为E1;催化剂加快反应速率是因为加入催化剂后,反应的活化能降低,活化分子百分数增加,从而加快反应速率;
(3)选择400~500℃,1 MPa合成SO3,是因为此时催化剂活性高,化学反应速率较快,平衡转化率较高,且设备成本较低;设起始混合气体总物质的量为100 mol,则起始SO2为7 mol,O2为11 mol,列三段式如下:,平衡时气体总量=7-7x+11-3.5x+7x+82=(100-3.5x) mol,则平衡常数;
(4)由图示可知,电池放电时Li失电子变为Li+,故Li电极为负极,充电时锂电极与电源负极相连作阴极,Li+在阴极得电子生成Li,对应电极反应为Li++e- =Li;根据S元素守恒,1 mol Li2S8反应后生成Li2S、Li2S2物质的量依次为6 mol、1 mol,Li2S8、Li2S、Li2S2中S元素价态依次为(平均价)、-2价、-1价,故1 mol Li2S8共得到电子数=。
8. AC Cu2O+CO2Cu+CO2 CH3OH(l)+O2(g)=CO(g)+2H2O(g) △H=-354.8 kJ·mol-1 > 14.8 BD A 2CH3OH+CO-2e-=(CH3O)2CO+2H+
【详解】(1)A.根据反应特点,甲、乙可建立相同条件下的平衡状态,所以c1=c2,A正确;
B.比较甲、丙,开始时丙中各种气体的物质的量是甲的2倍,相对于甲,丙相当于加压,假设甲和丙建立相同的平衡状态,则丙中放出的热量是甲的2倍,但增大压强后化学平衡正向移动,导致Q3>2Q1,B错误;
C.根据反应特点,甲、乙可建立相同条件下的平衡状态,甲是从正反应方向开始,乙是从逆反应方向开始,则Q1+Q2=90.8 kJ/mol,C正确;
D.甲、乙可建立相同条件下的平衡状态,所以α1=α2;由于丙相对于甲达到平衡后增大压强,化学平衡正向移动,则α3>α1,所以α2+α3>1,D错误;
故合理选项是AC;
(2)据研究,反应过程中起催化作用的是Cu2O,反应体系中含少量CO2有利于维持催化剂Cu2O的量不变,这是由于CO与Cu2O反应产生Cu和CO2,反应方程式为:Cu2O+CO2Cu+CO2,CO2的存在抑制该反应的发生,有利于催化剂Cu2O的量不变;
(3)已知在25℃,101 kPa下:甲醇(l)的燃烧热△H=-725.8 kJ·mol-1,CO(g)的燃烧热△H=-283 kJ·mol-1,③H2O(g)=H2O(l) △H=-44.0 kJ·mol-1,可得热化学方程式:①CH3OH(l)+ O2(g)=CO2(g)+2H2O(l) △H=-725.8 kJ·mol-1,②CO(g)+O2(g)=CO2(g) △H=-283 kJ·mol-1,根据盖斯定律,将①-②-③×2,整理可得:CH3OH(l)+O2(g)=CO(g)+2H2O(g) △H=-354.8 kJ·mol-1;
(4)①反应CO2(g)+3H2(g)CH3OH(g)+H2O(g)的正反应是气体体积减小的反应,在温度不变时,增大压强,化学平衡正向移动,导致CO2的平衡转化率增大。根据图示可知:a、b两点反应温度相同,但CO2的平衡转化率:a>b,说明压强:a>b。在其它条件不变时,增大压强,化学反应速率加快,故反应速率:va>vb;
②在反应开始时c(CO2)=1 mol/L,c(H2)=3 mol/L,由于a点时CO2的平衡转化率是80%,则平衡时△c(CO2)=1 mol/L×80%=0.8 mol/L,根据物质反应转化关系可知平衡时各种气体的浓度分别是:c(CO2)=0.2 mol/L,c(H2)=0.6 mol/L,c(CH3OH)=c(H2O)=0.8 mol/L,带入平衡常数表达式可得K=L2/mol2=14.8 L2/mol2;
(5)A.该反应的正反应是气体体积减小的反应,在其它条件不变时,增大压强,化学平衡正向移动,使得平衡时甲醇的物质的量增大。根据图示可知甲醇的物质的量:p1>p2>p3,所以压强大小关系为:p1>p2>p3,A错误;
B.M点时甲醇的物质的量是0.25 mol,根据物质转化关系可知:同时消耗H2的物质的量是3×0.25 mol=0.75 mol,故H2的平衡转化率是=20%,B正确;
C.根据图象可知:在压强不变时,升高温度,甲醇的物质的量减小,说明升高温度,平衡逆向移动,导致反应物浓度增大,生成物浓度减小,因此升高温度,化学平衡常数减小,C错误;
D.根据图示可知N点未达到平衡状态时甲醇的物质的量,说明此时反应正向进行,因此N点的正反应速率大于逆反应速率,D正确;
故合理选项是BD;
(6)根据图示可知在阳极上CO失去电子,与甲醇反应产生碳酸二甲酯[(CH3O)2CO],阴极上O2得到电子与溶液中的H+结合产生H2O,所以A是电源的正极,B是电源的负极;阳极的电极反应式为:2CH3OH+CO-2e-=(CH3O)2CO+2H+。
9. 原电池 28 变大 2H2O-4e-=4H++O2↑ CuO或CuCO3
【分析】由题干装置图可知,甲池中有两个活泼性不同的金属电极,有电解质溶液和一个自发进行的氧化还原反应Cu+2AgNO3=Cu(NO3)2+2Ag,通过盐桥形成闭合的回路,故甲池为原电池,Cu电极为负极,发生的电极反应为:Cu-2e-=Cu2+,Ag电极为正极,发生的电极反应为:2Ag++2e-=2Ag,乙池为电解池,左侧Pt电极是阳极,发生氧化反应,右侧Pt电极为阴极,发生还原反应,据此分析解题。
【详解】(1)由分析可知,甲池为原电池,故答案为:原电池;
(2)根据原电池中通过正、负极上的电子的物质的量相等,故甲池反应前,两电极质量相等,一段时间后,若Ag极的质量增加21.6 g,则通过电路中的电子的物质的量为:n(e-)=n(Ag)=,故负极上“溶解”的Cu的物质的量为:n(Cu)=,故负极质量减轻了m=nM=0.1 mol×64 g/mol=6.4 g,则两电极质量相差21.6 g+6.4 g=28 g,故答案为:28;
(3)实验过程中,盐桥中的阴离子即移向负极,阳离子即K+移向正极,故甲池左侧烧杯中的浓度变大,故答案为:变大;
(4)由分析可知,乙池中左侧Pt电极为阳极,故若乙池中的某盐溶液是足量CuSO4溶液,则乙池中左侧Pt电极的电极反应式为2H2O-4e-=4H++O2↑,由工作一段时间后,乙池中发生的总反应为:2CuSO4+2H2O 2Cu+O2↑+2H2SO4可知,要使乙池溶液恢复至原来浓度,可向溶液中加入CuO或CuCO3等 ,故答案为:2H2O-4e-=4H++O2↑;CuO或CuCO3。
10. Fe2O3(s)+3CO(g)=2Fe(s)+3CO2(g)△H=-28.5kJ/mol 0.01mol/(L·min) 40% a 逆向 0.28 2NO2+8e-+4CO2=N2+4CO32-
【分析】(1)根据盖斯定律进行计算;
(2)据图可知0~20min内△c(NO)=0.2mol/L,据v(NO)=进行计算;CO的转化率=进行计算;
(3)反应达到平衡后,正逆反应速率相等,各组分的浓度保持不变及由此衍生的其他物理量进行分析判断;
(4)根据平衡常数的计算公式进行计算;根据浓度商与平衡常数的关系判断反应进行的方向;平衡常数只是温度的函数,据此进行分析;
(5)原电池中正极得电子发生还原反应,该电池放电时NO2被还原成N2作正极,用熔融NaCO3作电解质,根据元素守恒和电荷守恒可得电极方程式;
(6)NH3·H2O的电离常数为Kb==1.7×10-5,pH=a,则可求出c(OH-),据此可以计算出。
【详解】(1)已知:①Fe2O3(s)+3C(s)=2Fe(s)+3CO(g)△H1=+489.0kJ/mol ①
C(s)+CO2(g)=2CO(g)△H2=+172.5kJ/mol ②
由①-②×3,得到热化学方程式:Fe2O3(s)+3CO(g)=2Fe(s)+3CO2(g)△H=-28.5kJ/mol,
(2)据图可知0~20min内△c(NO)=0.2mol/L,所以v(NO)==0.01mol/(L·min),同一反应同一同时不同物质的反应速率之比等于计量数之比,所以v(CO2)=v(NO)=0.01mol/(L·min);△c(NO)=0.2mol/L,则△c(CO)=0.2mol/L,容器体积为2L,所以CO的转化率为=40%;
(3)a.该反应前后气体系数之和不相等,所以未达到平衡时容器内气体总物质的量会变,容器恒容,则压强会变,所以压强不再改变说明反应达到平衡,故a正确;
b.反应是否达到平衡并不影响反应的焓变,故b不能说明;
c.反应达到平衡时正反应速率等于逆反应速率,但选项中没有指明各物质的速率是正反应速率还是逆反应速率,故c不能说明;
d.反应物和生成物均为气体,所以整个过程中气体的总质量不变,容积恒定,则密度一直不变,故d不能说明;
综上所述选a;
(4)初始投料为1.2 mol NO、1.0 mol CO,容器体积为2L,则c(NO)=0.6mol/L,c(CO)=0.5mol/L;据图可知平衡时c(NO)=0.6mol/L,△c(NO)=0.2mol/L,根据方程式可知△c(CO)=0.2mol/L,△c(CO2)=0.2mol/L,△c(N2)=0.1mol/L,所以平衡时各物质的浓度为c(NO)=0.4mol/L,c(CO)=0.3mol/L,c(CO2)=0.2mol/L,c(N2)=0.1mol/L,则该温度下平衡常数为K=,充CO、CO2各0.2mol后,容器体积为2L,所以c(CO)=0.4mol/L,c(CO2)=0.3mol/L,此时浓度商为,所以平衡逆向移动;温度不变平衡常数不变,平衡常数为0.28;
(5)原电池中正极得电子发生还原反应,根据总反应中各物质的化合价的变化可知,该电池放电时NO2被还原成N2作正极,用熔融NaCO3作电解质,根据元素守恒和电荷守恒可得电极方程式为2NO2+8e-+4CO2=N2+4CO32-;
(6)NH3·H2O的电离常数为Kb==1.7×10-5,pH=a,则c(OH-)=10a-14mol/L,所以。
【点睛】对于平衡体系,改变投料后可以计算该状态下的浓度商,与平衡常数进行比较,判断平衡移动的方向,若浓度商大于平衡常数则逆向移动,若浓度商小于平衡常数则正向移动。
11. —958.0kJ•mol—1 0.025 或0.1875(mol/L)2 < B 阴 SO32——2e—+H2O= 2H++SO42—
【分析】(1) 根据盖斯定律分析计算;
(2)①根据三段式结合平衡时NH3体积分数为30%计算出反应的氨气的物质的量,再结合v(CH4) ==和K=计算,保持温度不变,再向容器中加入CH4和H2各1 mol,根据Qc与K的关系判断平衡移动的方向;②根据图示,X越大,转化率越小,平衡逆向移动,结合影响平衡移动的因素分析判断;
(3)由得到的Na2SO3进行电解生产硫酸,硫酸根来源于亚硫酸根的放电,该过程发生氧化反应,在阳极发生,据此分析解答。
【详解】(1)CH4(g)+2O2(g)═CO2(g)+2H2O(g) △H=-890.3kJ•mol-1①,N2(g)+2O2(g)═2NO2(g) △H=+67.7kJ•mol-1②,根据盖斯定律,将①-②可得热化学方程式:CH4(g)+2NO2(g)=CO2(g)+N2(g)+2H2O(g) △H=(-890.3kJ•mol-1)-(+67.7kJ•mol-1)=-958.0kJ•mol-1,故答案为:-958.0kJ•mol-1;
(2)①设10 min时,反应的氨气的物质的量为x(mol),
则×100%=30%,解得:x=0.5,v(CH4)====0.025mol/(L•min);该温度下,平衡常数K===0.1875(mol/L)2;保持温度不变,再向容器中加入CH4和H2各1 mol,此时Qc=═0.5208(mol/L)2>K,平衡逆向移动,则v正<v逆,故答案为:0.025;0.1875(mol/L)2;<;
②根据图示,X越大,NH3转化率越小,平衡逆向移动。A、该反应为吸热反应,温度升高,平衡正向移动,NH3转化率增大,故A错误;B、该反应为气体物质的量增大的反应,增大压强,平衡逆向移动,NH3转化率减小,故B正确;C、原料中CH4的体积越大,平衡正向进行程度越高,氨气的转化率越高,故C错误;故答案为:B;
(3)Na2SO3进行电解生产硫酸,硫酸根来源于亚硫酸根的放电,该过程为氧化反应,在阳极上发生,故b为阴离子交换膜,阳极的电极反应式为SO32--2e-+H2O=2H++SO42-,故答案为:阴;SO32--2e-+H2O=2H++SO42-。
12. [3.2,8.3) 小于 节约成本,提高原料的利用率
【分析】菱锰矿与、硫酸先反应生成、,加入氨水,调pH过滤除去得到沉淀;向浸出液中加入硫化铵,与结合生成沉淀而被除去;电解液主要为硫酸铵和硫酸锰的混合液,电解硫酸铵和硫酸锰的混合液获得金属锰。
【详解】(1)主要成分与硫酸的反应为复分解反应;、在酸性条件下的反应为氧化还原反应,其反应分别为、,故填、;
(2)加入氨水的目的是为了除去,根据表中数据,完全沉淀时的pH为3.2,开始沉淀的pH分别为8.3,在不影响Mn元素的情况下,除去的最佳pH控制在3.2≤pH<8.3;pH=4时,,根据,可知==,故填[3.2,8.3)、;
(3)加入氨水时没能除去,加入硫化钠除去了剩余的,说明比更难溶,即相同温度下,的溶解度小于,故填小于;
(4)电解硫酸锰生成锰单质和硫酸,其反应为,故填;
(5)与Al反应属于置换反应,其反应为,故填;
(6)将电解锰后的硫酸收集循环使用的意义在于节约成本,提高原料的利用率,故填节约成本,提高原料的利用率。
13. Fe2(SO4)3和CuSO4 增大的投料比和多次浸取转化、充分搅拌 (NH4)2SO4 PbCO3+2CH3COOH=(CH3COO)2Pb+CO2↑+H2O pH过低会有较多的Zn与H+反应,造成锌的浪费 生成的Pb在Zn表面析出阻碍Zn的进一步反应,搅拌使Pb脱落 Cu Pb2++2e-=Pb
【分析】含铅废渣(主要成分为PbSO4,还含有少量CuO、FeO等)溶于硫酸时,将CuO和FeO反应生成CuSO4和FeSO4,再加双氧水将FeSO4氧化为Fe2(SO4)3,过滤,沉淀为PbSO4,滤液1为Fe2(SO4)3和CuSO4;PbSO4与(NH4)2CO3反应生成PbCO3和(NH4)2SO4,过滤,沉淀为PbCO3,滤液2为(NH4)2SO4;PbCO3与CH3COOH反应生成(CH3COO)2Pb,加锌单质置换出Pb单质和(CH3COO)2Zn,过滤,滤液3为(CH3COO)2Zn;海绵铅经过电解精炼得到纯铅。
【详解】(1)根据分析“滤液1”中溶质的主要成分有Fe2(SO4)3和CuSO4;
(2)“转化”时发生PbSO4+=PbCO3+,增加的(NH4)2CO3量、多次浸取转化、充分搅拌可提高PbSO4的转化率,所以可采取的适宜措施有增大的投料比和多次浸取转化、充分搅拌;PbSO4与(NH4)2CO3反应生成PbCO3和可溶于水的(NH4)2SO4,所以“滤液2”中主要溶质是(NH4)2SO4;
(3)“溶解”时,PbCO3与CH3COOH反应生成(CH3COO)2Pb、CO2和H2O,所以发生反应的化学方程式为PbCO3+2CH3COOH=(CH3COO)2Pb+CO2↑+H2O;
(4)“还原”时,pH过低,酸性较强,Zn能与H+反应,所以原因是pH过低会有较多的Zn与H+反应,造成锌的浪费;还原过程中生成的Pb覆盖在Zn表面能阻止Zn的进一步的反应,所以不断搅拌的主要目的是生成的Pb在Zn表面析出阻碍Zn的进一步反应,搅拌使Pb脱落;
(5)海绵铅精炼时,阳极为海绵铅,用PbSiF6和H2SiF6的混合溶液作电解质进行电解时,只有Cu不反应,所以阳极泥的主要成分为Cu;阴极Pb2+得电子生成Pb,所以阴极电极反应式为Pb2++2e-=Pb。
14. 提高温度或将矿石粉碎或适当提高酸的浓度等 TiOCl42-+(x+1)H2O⇌TiO2·xH2O↓+2H++4Cl- 促进水解 提高反应速率,同时防止温度过高造成双氧水分解,氨水挥发 1.5×10-12 Li2Ti5O11+Li2CO3Li4Ti5O12+CO2↑ Li(x-5)C+5Li++5e-=LixC
【分析】用钛铁矿(主要成分为FeTiO3,还含有少量MgO、SiO2等杂质)来制备Li4Ti5O12,由制备流程可知,加盐酸酸浸溶解,SiO2与盐酸不反应,过滤后的滤渣为SiO2,滤液①中含Mg2+、Fe2+、TiOCl42-,对滤液①加热发生水解反应TiOCl42-+(x+1)H2O⇌TiO2·xH2O↓+2H++4Cl-,水解后过滤,水解后的滤液②中含Mg2+、Fe2+,沉淀为TiO2•xH2O,向沉淀中加入氨水、双氧水和LiOH反应过滤后得到Li2Ti5O15,再与碳酸锂高温下发生反应Li2Ti5O11+Li2CO3Li4Ti5O12+CO2↑生成Li4Ti3O12,据此分析解答。
【详解】(1)酸浸时,要提高铁的浸出率可采取的措施是提高温度或将矿石粉碎或适当提高酸的浓度等;
(2)酸浸后的滤液①中钛主要以TiOCl42-形式存在,则其水解生成TiO2·xH2O的离子方程式为TiOCl42-+(x+1)H2O⇌TiO2·xH2O↓+2H++4Cl-,加热水的目的是促进水解;
(3)TiO2·xH2O沉淀与双氧水、氨水反应时,双氧水受热易分解,氨水受热易挥发,应将温度控制在50℃左右的原因是提高反应速率,同时防止温度过高造成双氧水分解,氨水挥发;
(4)若将滤液②加热至一定温度后,再加入双氧水和磷酸,恰好使Mg2+沉淀完全[溶液中c(Mg2+)降至1.0×10-5mol·L-1],根据Ksp[Mg3(PO4)2]=c3(Mg2+)×c2(PO43-),c(PO43-)==1.0×10-4mol·L-1,Ksp(FePO4)=c(Fe3+)×c(PO43-),c(Fe3+) = =1.5×10-17 mol·L-1,此时溶液中==1.5×10-12;
(5)根据分析,高温煅烧时发生反应的化学反应方程式为Li2Ti5O11+Li2CO3Li4Ti5O12+CO2↑;
(6)某可充电的锂离子电池以Li4Ti5O12为正极,嵌入锂的碳材料为负极,含Li+导电固体为电解质。放电时的电池反应为LixC+Li4Ti5O12=Li(x-5)C+Li9Ti5O12,则充电时为电解池,是放电时的逆过程,充电时的总反应为:Li(x-5)C+Li9Ti5O12LixC+Li4Ti5O12,阴极上得电子,发生还原反应,电极反应式为Li(x-5)C+5Li++5e-=LixC。
【点睛】本题易错点为(3),结合物质的性质分析,双氧水、氨水都不稳定,温度过高会分解和挥发;解答(6)时,要考虑二次电池的放电和充电过程互逆,根据放电过程总反应,书写充电过程总反应,再根据电解池阴极发生还原反应,分析书写电极反应。
15. 加快浸出速率,提高浸出速率 Ca(OH)2+H2SO4=CuSO4↓+2H2O Li2CO3在冷水中的溶解度比热水中大,热水洗涤可减少Li2CO3的溶解度损耗,提高产率 取最后一次洗涤液少许于试管中,向其中滴加盐酸酸化,再加入氯化钡溶液,若无沉淀产生,则沉淀已洗干净 2FePO4+Li2CO3+H2C2O4.2H2O2LiFePO4+3CO2↑+3H2O↑ Fe-2e-+Li++H2PO4-=LiFePO4+2H+ 防止二价铁被氧化
【分析】根据题意、流程进行分析。锂辉石的主要成分为LiAl(SiO3)2,还含微量的钠、钙、镁等元素,加入硫酸酸浸后过滤,所得滤液中主要含Li2SO4、Al2(SO4)3,还含有硫酸、Na+、Mg2+等;加入石灰水将滤液中的硫酸中和、Al3+和Mg2+转化为沉淀而除去;过滤后加入饱和碳酸钠溶液使Li+转化成Li2CO3沉淀,据此分析作答。
【详解】(1)在“硫酸浸出”流程,将硫酸加热到130℃的目的是加快浸出速率,提高浸出速率;
(2)在“中和分离”流程,石灰水中和过量的硫酸反应,发生的反应方程式为Ca(OH)2+H2SO4=CuSO4↓+2H2O;
(3)在“Li2CO3分离、洗涤”流程,用热水洗涤的原因是Li2CO3在冷水中的溶解度比热水中大,热水洗涤可减少Li2CO3的溶解度损耗,提高产率;
(4) 检验碳酸锂沉淀是否洗涤干净,实际上检验最后洗涤液中是否含硫酸根,所以检验Li2CO3沉淀是否洗涤干净的方法是取最后一次洗涤液少许于试管中,向其中滴加盐酸酸化,再加入氯化钡溶液,若无沉淀产生,则沉淀已洗干净;
(5)制取电池材料磷酸亚铁锂(LiFePO4)时,反应物有FePO4、Li2CO3和草酸晶体(H2C2O4·2H2O),再根据元素守恒,不难得出产物中还含有CO2和H2O,所以化学方程式为2FePO4+Li2CO3+H2C2O4.2H2O2LiFePO4+3CO2↑+3H2O↑;
(6)电解时阳极为活性电极Fe失电子,结合元素关系写出生成磷酸亚铁锂的电极反应式为Fe-2e-+Li++H2PO4-=LiFePO4+2H+,制备磷酸亚铁锂的过程必须在惰性气体氛围中进行,由于二价铁能被空气中的氧气氧化成三价铁,所以原因是防止二价铁被氧化。
【点睛】本题为工业流程和实验题,结合题意和所学知识点,可以写出相应答案,方程式书写要抓住反应物和生成物,再进行配平,电极反应式为本题难点,根据铁的化合价得到电子数进行书写。
16. SiO2 蒸发浓缩、冷却结晶 Fe2++2HCO3⁻ =FeCO3↓+CO2↑+H2O 4FeCO3+O22Fe2O3+4CO2 TiO2++(n+1)H2O⇋TiO2·nH2O+2H+,加入Na2CO3粉末消耗H+,平衡正向移动,生成TiO2·nH2O C+2O2⁻-4e⁻===CO2↑ 不变
【分析】钛铁矿[主要成分为FeTiO3(钛酸亚铁,不溶于水)、Fe2O3及少量SiO2杂质]加过量硫酸,FeTiO3溶于过量硫酸,生成Fe2+、TiO2+、H2O,Fe2O3溶于过量硫酸,生成Fe3+离子,SiO2杂质不溶于酸,滤液A主要阳离子为Fe2+、TiO2+、Fe3+;加入铁粉,发生了反应:2Fe3++Fe═3Fe2+,溶液B主要阳离子为Fe2+ 、TiO2+,蒸发浓缩冷却结晶得绿矾和TiO2+、SO42-,加入碳酸钠粉末生成TiO2•nH2O,一定条件下得到TiO2;绿矾加水溶解,调节pH至5~8.5防止水解,溶液C溶质主要为FeSO4,加入足量的NH4 HCO3,生成FeCO3,经过煅烧后得到Fe2O3 。
【详解】(1)根据分析可知滤渣主要为不溶于酸的SiO2;
(2)从溶液中得到晶体的一般操作为蒸发浓缩、冷却结晶、过滤、洗涤、干燥;
(3)加入碳酸氢铵后,Fe2+与碳酸氢根电离出的碳酸根结合生成碳酸亚铁沉淀,促进碳酸氢根的电离,氢离子浓度增大,氢离子浓度增大后又促进碳酸氢根的水解,生成二氧化碳,所以离子方程式为:Fe2++2HCO3⁻ =FeCO3↓+CO2↑+H2O;
(4)煅烧FeCO3生成三氧化二铁和二氧化碳,Fe2+别氧化,结合元素守恒可知氧化剂为O2,根据电子守恒可得方程式为:4FeCO3+O22Fe2O3+4CO2;
(5)溶液中存在平衡TiO2++(n+1)H2O⇋TiO2·nH2O+2H+,加入Na2CO3粉末消耗H+,平衡正向移动,生成TiO2·nH2O;
(6)与正极相连的是阳极,据图可知石墨电极为阳极,反应过程中C被氧化生成CO2,所以电极方程式为:C+2O2⁻-4e⁻===CO2↑;阴极上电极反应式为:2Ca2++4e-═2Ca,钙还原二氧化钛反应方程式为:2Ca+TiO2=Ti+2CaO,在制备金属钛前后,整套装置中CaO的总量不变。
【点睛】第(3)题中要注意碳酸亚铁的溶解度比氢氧化亚铁的溶解度要小,所以加入碳酸氢铵后不是双水解生成氢氧化亚铁沉淀,而是结合碳酸氢根电离出的碳酸根生成碳酸亚铁沉淀。
上海高考化学三年(2020-2022)模拟题分类汇编-84化学能与电能(3): 这是一份上海高考化学三年(2020-2022)模拟题分类汇编-84化学能与电能(3),共27页。试卷主要包含了单选题,原理综合题,结构与性质,实验题等内容,欢迎下载使用。
天津高考化学三年(2020-2022)模拟题分类汇编-38化学能与电能(4)选择题: 这是一份天津高考化学三年(2020-2022)模拟题分类汇编-38化学能与电能(4)选择题,共19页。试卷主要包含了单选题,选择题等内容,欢迎下载使用。
天津高考化学三年(2020-2022)模拟题分类汇编-37化学能与电能(3)选择题: 这是一份天津高考化学三年(2020-2022)模拟题分类汇编-37化学能与电能(3)选择题,共24页。试卷主要包含了单选题等内容,欢迎下载使用。

