人教版高中地理必修第一册第2章地球上的大气第2节大气受热过程和大气运动习题含答案
展开第二节 大气受热过程和大气运动
必备知识基础练
(2022江西九江期末)三七是一种珍贵的中草药,主产区位于我国云南省文山壮族苗族自治州。图1为小明同学暑假在当地拍摄的三七种植大棚照片,上覆黑色的透气尼龙网;图2为大气受热过程示意图。读图,完成1~2题。
图1
图2
1.图中透气尼龙网的用途是( )
A.削弱① B.削弱②
C.增强③ D.增强④
2.对图中数码的描述,正确的是( )
A.①—近地面大气热量的直接热源
B.②—大气对太阳辐射的吸收作用
C.③—多云天气比晴朗天气作用强
D.④—大气逆辐射对地面的保温作用
读图,完成3~4题。
3.若上图为热力环流形式,则a地与b地的气压(P)和气温(T)状况是( )
A.Pa>Pb;Ta>Tb
B.Pa<Pb;Ta<Tb
C.Pa<Pb;Ta>Tb
D.Pa>Pb;Ta<Tb
4.若图示地区在北半球,理论上c、d之间的稳定水平气流方向(风向)为( )
A.东风 B.东北风
C.南风 D.西南风
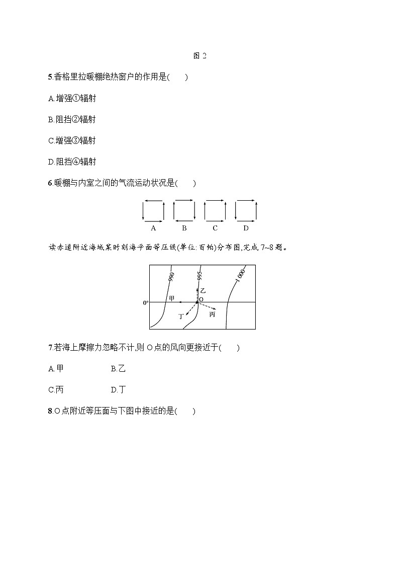
(2021安徽安庆期中)云南香格里拉位于青藏高原东南部,海拔约3 300米,气温较低。当地居民在房屋南侧用玻璃搭建绝热暖棚,暖棚通过通风口与内室形成循环气流,使内室增温。图1为香格里拉房屋模型,图2为大气受热过程示意图。据此完成5~6题。
图1
图2
5.香格里拉暖棚绝热窗户的作用是( )
A.增强①辐射
B.阻挡②辐射
C.增强③辐射
D.阻挡④辐射
6.暖棚与内室之间的气流运动状况是( )
读赤道附近海域某时刻海平面等压线(单位:百帕)分布图,完成7~8题。
7.若海上摩擦力忽略不计,则O点的风向更接近于( )
A.甲 B.乙
C.丙 D.丁
8.O点附近等压面与下图中接近的是( )
9.热力环流是大气运动最简单的形式,其形成原理是掌握其他大气运动的基础。某教师为使学生更加直观、深刻地理解热力环流的形成,进行了下面的实验。
实验报告
实验用材:一小堆纸、火柴、铁板。
实验步骤:(1)在室外安全、无风的地方,放置一块铁板,在铁板上放置一小堆纸,并用火柴点燃。
(2)注意观察纸片和灰烬显示出的空气流动路线。
实验现象:纸片和灰烬从火堆上升,在空中流向四周,再从四周下沉,然后又进入火堆。
实验结论:通过本实验,可以证明由于地面的冷热不均而形成了空气的环流运动,即热力环流。
请结合实验报告,完成下列各题。
(1)在下面图中用线条和箭头画出该实验中的纸片和灰烬的运动过程。
由此总结出热力环流的形成过程是地面受热不均→ →
同一水平面上的 →大气 →热力环流。
(2)若下图中的虚线表示不同高度上纸屑点燃前的等压面,请用实线表示出纸屑点燃后的等压面变化。
由此得出气压高低与等压面弯曲之间的关系是低压处等压面 弯曲,高压处等压面 弯曲。
(3)上图中纸屑点燃后一段时间,A、B、C、D四处中,气压由大到小的顺序是 。由此可总结出同一地点不同海拔上气压分布的规律: 。
能力素养提升练
镇江某民警做了一个阳光直接照射下汽车内温度变化的实验。图1反映阳光直接照射前后温度计读数,图2是大气的受热过程示意图。专家解释,车窗玻璃容易透过短波辐射而不易透过长波辐射。读图,完成10~11题。
图1
图2
10.进入车内并导致车内气温飙升的主要辐射是图2中的( )
A.甲 B.乙
C.丙 D.丁
11.以下措施可以降低夏天停放在室外的汽车车内温度的有( )
①车窗玻璃加装隔热膜 ②汽车加装尾气净化装置 ③打开车窗,加强通风 ④使用新能源汽车
A.①④ B.②③
C.①③ D.②④
下图示意北半球某河谷两侧不同时段的风向。据此完成12~13题。
12.河谷两侧风向( )
A.①时段河谷上空气流下沉
B.②时段河谷上空气流上升
C.①时段出现在夜晚,②时段出现在白天
D.①时段出现在白天,②时段出现在夜晚
13.该河谷( )
A.河流自东北流向西南
B.同一地点昼夜风向相反
C.①时段河谷东侧等压线与河谷大致平行
D.②时段河谷东侧水平气压梯度力与河谷大致垂直
在低层空气中,各高度上的风并不完全相同,其主要原因是空气运动所受的摩擦力随高度升高而减小。因此,在水平气压梯度力不随高度变化的情况下,离地面越远,风速越大,风与等压线的夹角则越小。据此完成14~15题。
14.假设将某地不同高度上的风投影到同一水平面上,则下面图中能表示北半球从地表到高空的风随高度旋转分布的是( )
15.根据上题,高空大气高压可能位于该地的( )
A.东侧 B.南侧
C.西侧 D.北侧
16.阅读图文材料,完成下列各题。
材料一 新疆维吾尔自治区的博斯腾湖是中国最大的内陆淡水湖,河水补给约占入湖总水量的94.8%,蒸发约占出湖总水量的60.45%,但蒸发总量有上升的趋势。湖区水位季节变化很大,但近年有减小的趋势。湖区内湖陆风现象较为显著(湖陆风是在较大水域和陆地之间形成的以24小时为周期的地方性天气现象)。多年平均数据显示,博斯腾湖夏半年陆风转湖风的时间为上午11—12时,比冬半年提前两小时左右。
材料二 博斯腾湖区域图和湖区湖陆风风速月变化图。
博斯腾湖区域图
湖区湖陆风风速月变化图
(1)根据材料,找出博斯腾湖湖陆风最弱的季节,并分析原因。
(2)概述夏半年陆风转湖风的时间比冬半年早的原因。
(3)试分析在湖边大规模兴建城市对湖陆风的影响,并说明理由。
答案:
第二节 大气受热过程和大气运动
1~2.1.B 2.C 第1题,根据图示信息可知,①为太阳辐射,②为到达地面的太阳辐射,③为大气逆辐射,④为大气吸收的地面辐射。白天,太阳辐射强,透气尼龙网可以削弱到达地面的太阳辐射②,B正确。第2题,读图并结合所学知识可知,近地面大气的直接热源是地面辐射,A错误;②为到达地面的太阳辐射,B错误;多云天气比晴朗天气的云层厚,③(大气逆辐射)强,C正确;④为大气吸收的地面辐射,D错误。
3~4.3.D 4.A 第3题,由图中垂直气流运动方向可知,a地气流冷却收缩下沉,b地气流受热上升,故气压Pa>Pb,气温Ta<Tb。第4题,高空c处气压高于d处气压,风从c处吹向d处,受地转偏向力及水平气压梯度力影响,最终偏转成稳定的东风。
5~6.5.D 6.B 第5题,由所学知识可知,太阳辐射为短波辐射,可透过玻璃到达棚内,棚内地面吸收太阳辐射而增温,释放地面长波辐射,长波辐射很少能够透过玻璃穿透出去,地面辐射被阻挡,从而使得棚内的气温升高。图中①是太阳辐射,没有增强,A错误。②是到达地表的太阳辐射,暖棚绝热窗户没有阻挡②,B错误。③是大气逆辐射,C错误。④是地面辐射,暖棚绝热窗户阻挡了④,D正确。故选D。第6题,由图示信息及所学知识可知,暖棚受热多,空气膨胀上升;内室受热少,空气冷却下沉。于是上层空气通过1通风口向内室流动;下层空气通过2通风口向暖棚流动,形成一个顺时针流动的环流系统,对应B图,B正确。故选B。
7~8.7.A 8.B 第7题,赤道上没有地转偏向力,若海上摩擦力忽略不计,则风向仅受水平气压梯度力影响,与水平气压梯度力方向一致,垂直于等压线,由高压指向低压,故选A。第8题,材料显示该图为海平面等压线分布图,因此应为近地面,排除A。图中显示海平面气压自西向东逐渐增大,等压面应从左到右逐渐升高,故B正确。
9. 答案: (1)
空气上升或下沉 气压差异 水平运动
(2)
向下 向上
(3)B、A、D、C 海拔越高,气压越低;近地面与相应高空气压“高”“低”相反
解析: 热力环流形成的根本原因在于地面冷热不均,因此紧密结合冷热差异对气压的影响进行分析。就气压分布和变化规律而言,注意区分不同高度上的气压变化及近地面与高空绝对气压值的差别。
10~11.10.C 11.C 第10题,根据材料“车窗玻璃容易透过短波辐射而不易透过长波辐射”可知,进入车内并导致车内气温飙升的主要辐射是进入车内的太阳辐射。结合所学知识读图2可知,丙是可以进入车内的太阳辐射。故选C。第11题,在车窗玻璃加装隔热膜,使透入的太阳辐射减少;打开车窗,加强通风,让车内的热量散逸出去,可以有效降低夏天停放在室外的汽车车内温度。①③正确。故选C。
12~13.12.C 13.D 第12题,结合题图可知,①时段中的风自两侧吹向河谷,山坡上空气流下沉,为山风,山谷气流上升,应出现在夜晚;②时段中的风自河谷吹向两侧,山坡处气流上升,为谷风,河谷上空气流下沉,应出现在白天。C正确。故选C。第13题,图中没有等高线,无法根据风向判断河流流向,A错误;结合风向标可知,同一地点昼夜风向不相同,但不是相反,B错误;根据①时段河谷东侧风向判断出水平气压梯度力大致朝向西南,等压线与河谷大致垂直,C错误;根据②时段河谷东侧风向判断出水平气压梯度力的方向大致与河谷垂直,D正确。故选D。
14~15.14.A 15.B 第14题,在北半球,随着高度上升,摩擦力减小,风速增大,风向右偏。因此A符合题意。第15题,高空大气的摩擦力较小,风向基本与等压线平行,故判断该地高空吹西风,水平气压梯度力由南指向北,所以高空大气高压位于该地南侧。
16. 答案: (1)冬季。冬季博斯腾湖水量最小,湖陆热力性质差异最小;冬季湖面结冰,湖陆温差小;冬季太阳高度小,白昼短,湖区获得的热量少,湖陆温差小;靠近冬季风源地,冬季风强劲,湖陆风不显著。
(2)夏季日出较冬季早,陆地升温早;太阳高度较冬季大,获得的太阳辐射多,陆地升温快;湖泊水量较冬季大,湖面升温慢。所以陆风转湖风时间比冬半年早。
(3)使湖风加强,陆风减弱。理由:城市热岛环流在白天增大了湖陆之间的温差,使湖风加强;夜晚减弱了湖陆之间的温差,使陆风减弱。
解析: 第(1)题,结合湖陆风风速月变化图可直接判断博斯腾湖湖陆风最弱的季节为冬季。结合冬季博斯腾湖与陆地的温差及冬季风的影响分析原因。第(2)题,结合夏半年陆地、湖泊之间的热力性质差异及温差变化分析原因。第(3)题,结合城市热岛环流判断大规模兴建城市对湖陆风的影响并分析原因。

