甘肃省2022-2023学年高三第二次模拟考试化学试卷(含解析)
展开一、单选题
1.化学与生产、生活及社会发展密切相关,下列说法不正确的是 ( )
A.在入海口的钢铁闸门上装一定数量的锌块,可防治闸门被腐蚀
B.为增强“84”消毒液的消毒效果,可加入适量稀盐酸
C.“煤改气”可以减少SO2等有害物质的排放量,有利于打赢蓝天保卫战
D.红葡萄酒中添加少量SO2具有抗氧化的作用
2.下列各项有机化合物的分类方法及所含官能团都正确的是( )
A. 酚类 B. 醛类
C. 羧酸类 D. 酮类
3.设为阿伏加德罗常数的值,下列说法正确的是( )
A.6g晶体中所含硅氧键的数目约为
B.0.5ml和的混合物完全燃烧,消耗分子的数目为
C.0.02g与0.03g合成时释放的数目为
D.32g()与()的混合物中所含共价键的数目为
4.在探究新制饱和氯水成分的实验中,下列根据实验现象得出的结论不正确的是( )
A.氯水的颜色呈浅黄绿色,说明氯水中含有Cl2
B.向氯水中滴加硝酸酸化的AgNO3溶液,产生白色沉淀,说明氯水中含有Cl-
C.向氯水中加入NaHCO3粉末,有气泡产生,说明氯水中含有H+
D.向FeCl2溶液中滴加氯水,溶液颜色变成棕黄色,说明氯水中含有HClO
5.短周期主族元素X、Y、Z、W的原子序数依次增大,X原子的最外层电子数是电子层数的3倍,元素Y、Z、W互不相邻但位于同周期,且Y、Z的最外层电子数之和等于W的最外层电子数,W在同周期中原子半径最小,下列叙述错误的是( )
A.原子半径的大小顺序:
B.元素X的简单气态氢化物的热稳定性比Z的强
C.元素W的最高价氧化物对应水化物的酸性比Z的弱
D.Z、W形成的化合物中各原子最外层电子均满足8电子稳定结构
6.如图装置可用来监测空气中NO的含量,下列说法不正确的是( )
A.电子由Pt电极流出,经外电路流向NiO电极
B.Pt电极上发生还原反应
C.NiO电极的电极反应式为
D.每转移2ml电子,有1ml迁移到负极
7.在一定温度下,冰醋酸稀释过程中溶液的导电能力变化如图所示,下列说法正确的是( )
A.a、b、c三点对应溶液中,c(H+)最大的是a点
B.a、b、c三点对应溶液中,CH3COOH电离程度最大的是b点
C.若使b点对应的溶液中c(CH3COO-)增大、c(H+)减小,可向溶液中加入固体
D.加水稀释过程中醋酸的电离常数逐渐增大
二、工业流程题
8.海水是巨大的资源宝库,从海水中提取食盐和溴的过程如图所示:
(1)请列举海水淡化的一种方法:___________
(2)步骤I中已获得Br2,步骤II中又将Br2还原为Br-,其目的是___________
(3)步骤II用SO2水溶液吸收Br2,吸收率可达95%,该反应的离子方程式为___________,由此反应可知,除保护环境外,在工业生产中还应解决的问题是___________。
三、实验题
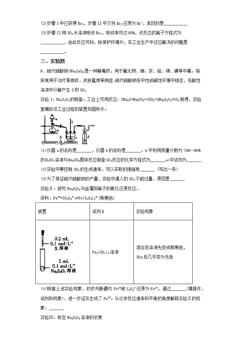
9.硫代硫酸钠(Na2S2O3)是一种解毒药,用于氟化物、砷、汞、铅、锡、碘等中毒,临床常用于治疗荨麻疹,皮肤瘙痒等病症.硫代硫酸钠在中性或碱性环境中稳定,在酸性溶液中分解产生S和SO2
实验I:Na2S2O3的制备。工业上可用反应:2Na2S+Na2CO3+4SO2=3Na2S2O3+CO2制得,实验室模拟该工业过程的装置如图所示:
(1)仪器a的名称是_______,仪器b的名称是_______。b中利用质量分数为70%〜80%的H2SO4溶液与Na2SO3固体反应制备SO2反应的化学方程式为_______。c中试剂为_______
(2)实验中要控制SO2的生成速率,可以采取的措施有_______ (写出一条)
(3)为了保证硫代硫酸钠的产量,实验中通入的SO2不能过量,原因是_______
实验Ⅱ:探究Na2S2O3与金属阳离子的氧化还原反应。
资料:Fe3++3S2O32-⇌Fe(S2O3)33-(紫黑色)
(4)根据上述实验现象,初步判断最终Fe3+被S2O32-还原为Fe2+,通过_______(填操作、试剂和现象),进一步证实生成了Fe2+。从化学反应速率和平衡的角度解释实验Ⅱ的现象:_______
实验Ⅲ:标定Na2S2O3溶液的浓度
(5)称取一定质量的产品配制成硫代硫酸钠溶液,并用间接碘量法标定该溶液的浓度:用分析天平准确称取基准物质K2Cr2O7(摩尔质量为294g∙ml-1)0.5880g。平均分成3份,分别放入3个锥形瓶中,加水配成溶液,并加入过量的KI并酸化,发生下列反应:6I-+Cr2O72-+14H+ = 3I2+2Cr3++7H2O,再加入几滴淀粉溶液,立即用所配Na2S2O3溶液滴定,发生反应I2+2S2O32- = 2I- + S4O62-,三次消耗 Na2S2O3溶液的平均体积为25.00 mL,则所标定的硫代硫酸钠溶液的浓度为_______ml∙L-1
四、原理综合题
10.2019年10月27日,国际清洁能源会议(ICCE2019)在北京开幕。一碳化学成为这次会议的重要议程。甲醇、甲醛(HCHO) 等一碳化合物在化工 、医药,能源等方面都有着广泛的应用。
(1)甲醇脱氢法可制备甲醛(反应体系中各物质均为气态),反应生成1mlHCHO过程中能量变化如图1。
已知:CO2(g)+3H2(g)=CH3OH(g) +H2O(g) △H=-49.5kJ•ml-1,则反应CO2(g)+2H2(g)=HCHO(g) +H2O(g) △H=___________kJ•ml-1。
(2)氧化剂可处理甲醛污染,结合图2分析春季(水温约为15℃)应急处理被甲醛污染的水源应选择的试剂为__________(填化学式)。
(3)纳米二氧化钛催化剂可用于工业上合成甲醇,CO2(g)+2H2(g)CH3OH(g) △H=akJ•ml-1
①按=2,投料比将H2与CO充入VL恒容密闭容器中,在一定条件下发生反应测定CO的平衡转化率与温度、压强的关系如图3所示。则a_____(填“>”或“<”)0;压强p1、p2、p3由小到大的关系是__________________。
②在温度为T1℃,向某恒容密闭容器中充入H2和CO发生上述反应,起始时c(H2)=c(CO)=2.0ml•L-1。达到平衡时,CO的转化率为图3中的M点对应的转化率,则在该温度下,对应的N点的平衡常数为__________(保留3位有效数字)。
(4)工业上利用CH4(CO和H2)与水蒸气在一定条件下制取H2:CH4(g) +H2O(g)CO(g)+3H2(g) △H=+203kJ•ml-1,该中反应的逆反应速率及表达式为v逆=k•c(CO)•c3(H2),k为速率常数,在某温度下测得实验数据如表所示,
由上还数据可得该温度下,c2=____________,该反应的逆反应速率常数k=______L3•ml-3•min-1)。
五、结构与性质
11.太阳能电池的发展已经进入了第三代。第一代为单晶硅太阳能电池,第二代为多晶硅、非晶硅等太阳能电池,第三代就是铜钢镓硒CiGs(CIS中掺入Ga)等化合物薄膜太阳能电池以及薄膜Si系太阳能电池。
(1)亚铜离子(Cu+)基态时的价电子排布式表示为_____。
(2)、P、S第一电离能由大到小的顺序是____。其中电负性最大的元素是____。
(3)SO和SO键角较小的是____,原因是_____。
(4)Cu晶体的堆积方式是____(填堆积名称),其配位数为____;往Cu的硫酸盐溶液中加入过量氨水,可生成[Cu(NH3)4]SO4,下列说法正确的是____。
A.[Cu(NH3)4]SO4中所含的化学键有离子键、极性键和配位键
B.在[Cu(NH3)4]2+中Cu2+给出孤电子对,提供空轨道
C.[Cu(NH3)4]SO4组成元素中第一电离能最大的是氧元素
D.SO与PO互为等电子体,空间构型均为正四面体形
(5)与镓元素处于同一主族的硼元素具有缺电子性,其化合物往往具有加合性,因而硼酸(H3BO3)溶于水显弱酸性,但它却只是一元酸,可以用硼酸在水溶液中的电离平衡解释它只是一元弱酸的原因。
①H3BO3中B的原子杂化类型为_____杂化。
②写出硼酸在水溶液中的电离方程式____。
(6)硅与碳是同一主族元素,其中石墨为混合型晶体,已知石墨的层间距为335pm,C-C键长为142pm,计算石墨晶体密度=____g•cm-3(结果保留两位有效数字,NA为6.02×1023ml-1)。
六、有机推断题
12.那格列奈M()是一种重要的降血糖药物,能有效促进胰岛素的分泌。它的一种合成方法如下
已知:E+H2OF+CO2↑+NH3↑
请回答下列问题,
(1)B的化学名称为 _______;M的分子式为 ________ 。
(2)反应②的类型为________________;, F 中含有的官能团名称为______________。
(3)写出E →F的化学方程式:________________。
(4)吡啶是一种有机碱.请从平衡的角度分析其在反应④中的作用是__________。
(5)写出满足下列条件的F的所有同分异构体的结构简式:____________ 。
①分子中含有苯环和—NH2;
②能发生银镜反应:
③1H—NMR谱显示分子中共有四种不同化学环境的氢。
装置
试剂X
实验现象
Fe2(SO4)3溶液
混合后溶液先变成紫黑色,30s后几乎变为无色
CO浓度(ml•L-1)
H2浓度(ml•L-1)
逆反应速率(ml•L-1•min-1)
0.1
c1
8.0
c2
c1
16.0
c2
0.15
6.75
参考答案
1.B
【详解】A.在入海口的钢铁闸门上装一定数量的锌块,铁和锌在海水中形成原电池反应,锌做负极被氧化,发生电化腐蚀,钢铁闸门作正极被保护,故A正确;
B.84消毒液的主要成分为NaClO,与盐酸混合会生成氯气,造成中毒,故B错误;
C.改燃煤为燃气,可减少废气中SO2等有害物质的含量,可有效减少雾霾和酸雨的发生,故C正确;
D.将少量的SO2添加到葡萄酒中后SO2的还原性可以与氧化物质作用,减少葡萄酒的腐败,故D正确;
答案选B。
2.B
【详解】A.当—OH直接连在苯环上时为酚类,当—OH连在链烃基或苯环侧链上时为醇,故为醇类,官能团为—OH,A错误;
B. 为甲醛,属于醛类,官能团为醛基( ),B正确;
C.CH3COOCH3含有酯基,属于酯类,官能团为,C错误;
D. 属于醛类,官能团为醛基(),D错误;
答案选B。
3.B
【详解】A.1ml晶体含有4ml硅氧键,6g晶体的物质的量为,所含硅氧键的数目为,A错误;
B.1ml和完全燃烧都消耗3ml氧气,则0.5ml和的混合物完全燃烧,消耗分子的数目为,B正确;
C.0.02g与0.03g的物质的量均为0.01ml,合成过程可表示为+→+,则释放的数目为,C错误;
D.32g所含有共价键数目为=,32g所含共价键数目为=,则32g和的混合物中所含共价键的数目为,D错误;故选B。
4.D
【详解】A、氯气是黄绿色气体,因此氯水的颜色呈浅绿色,说明氯水中含有Cl2,A正确;
B、向氯水中滴加硝酸酸化的AgNO3溶液,产生白色沉淀,白色沉淀是氯化银,这说明氯水中含有Cl-,B正确;
C、向氯水中加入NaHCO3粉末,有气泡产生,气体是CO2,这说明氯水中含有H+,C正确;
D、向FeCl2溶液中滴加氯水,溶液颜色变成棕黄色,说明反应中有氯化铁生成。由于氯气也能把氯化亚铁氧化生成氯化铁,因此不能说明氯水中含有HClO,D不正确。
答案选D。
5.C
【分析】短周期主族元素X、Y、Z、W的原子序数依次增大,X原子的最外层电子数是电子层数的3倍,X为氧;元素Y、Z、W互不相邻但位于同周期,W在同周期中原子半径最小,W为氯;Y、Z的最外层电子数之和等于W的最外层电子数,则,分别为镁、磷;
【详解】A.电子层数越多半径越大,电子层数相同时,核电荷数越大,半径越小;原子半径的大小顺序:,A正确;
B.非金属性越强,其简单氢化物稳定性越强,元素X的简单气态氢化物的热稳定性比Z的强,B正确;
C.非金属性越强,最高价氧化物对应水化物的酸性越强,元素W的最高价氧化物对应水化物的酸性比Z的强,C错误;
D.Z、W形成的化合物为PCl3,各原子最外层电子均满足8电子稳定结构,D正确;
故选C。
6.A
【详解】A.根据图中信息氧离子向上迁移,根据“同性相吸”得到NiO电极为负极,Pt电极为正极,则电子由负极(NiO电极)流出,经外电路流向正极(Pt电极),故A错误;
B.根据A选项分析Pt电极为正极,则Pt电极上发生还原反应,故B正确;
C.NiO电极为负极,则NiO电极的电极反应式为,故C正确;
D.根据分析,每转移2ml电子,有1ml迁移到负极,故D正确。
综上所述,答案为A。
7.C
【详解】A.醋酸溶液的导电能力强弱与溶液中c(H+)和c(CH3COO-)正相关,b点导电能力最强,则b点c(H+)最大,A错误;
B.加水促进醋酸的电离,则CH3COOH电离程度最大的是c点,B错误;
C.醋酸溶液中存在CH3COOHCH3COO-+ H+,向溶液中加入固体,H+被消耗,c(H+)减小,平衡正向移动,c(CH3COO-)增大,C正确;
D.温度不变,醋酸电离常数不变,则加水稀释过程中醋酸的电离常数不变,D错误;
选C。
8.(1)蒸馏法(或电渗析法、离子交换法)
(2)富集Br2,提高Br2的浓度
(3) SO2+2H2O+Br2=4H++2Br-+ 强酸和溴对设备的腐蚀
【分析】海水淡化后得到NaCl、淡水、母液,NaCl处理后得到氯气,氯气可以氧化母液中的溴离子,得到低浓度的Br2溶液,通入空气吹出Br2,再用SO2水溶液吸收,得到HBr等物质的溶液,之后再通入适量氯气氧化,蒸馏得到工业溴。
【详解】(1)目前淡化海水的方法有蒸馏法、电渗析法、离子交换法、结晶法等;
(2)步骤Ⅰ中得到溶液中Br2的浓度较小,提取成本较高,将Br2还原为Br-再吸收,可以得到含Br-浓度较高的溶液,从而富集Br2,提高Br2的浓度;
(3)SO2水溶液吸收Br2时,Br2被还原为HBr,SO2被氧化为SO,结合电子守恒、元素守恒可得离子方程式为SO2+2H2O+Br2=4H++2Br-+;该反应中会生成强酸,后续流程得到溴单质,所以应解决强酸和溴对设备的腐蚀问题。
9. 分液漏斗 蒸馏烧瓶 硫化钠和碳酸钠的混合液 调节酸的滴加速度 若 SO2过量,溶液显酸性.产物会发生分解 加入铁氰化钾溶液.产生蓝色沉淀 开始生成 Fe(S2O3)33-的反应速率快,氧化还原反应速率慢,但Fe3+与S2O32- 氧化还原反应的程度大,导致Fe3++3S2O32-⇌Fe(S2O3)33-(紫黑色)平衡向逆反应方向移动,最终溶液几乎变为无色 0.1600
【详解】(1)a的名称即为分液漏斗,b的名称即为蒸馏烧瓶;b中是通过浓硫酸和Na2SO3反应生成SO2,所以方程式为:;c中是制备硫代硫酸钠的反应,SO2由装置b提供,所以c中试剂为硫化钠和碳酸钠的混合溶液;
(2)从反应速率影响因素分析,控制SO2生成速率可以调节酸的滴加速度或者调节酸的浓度,或者改变反应温度;
(3)题干中指出,硫代硫酸钠在酸性溶液中会分解,如果通过量的SO2,会使溶液酸性增强,对制备产物不利,所以原因是:SO2过量,溶液显酸性,产物会发生分解;
(4)检验Fe2+常用试剂是铁氰化钾,所以加入铁氰化钾溶液,产生蓝色沉淀即证明有Fe2+生成;解释原因时一定要注意题干要求,体现出反应速率和平衡两个角度,所以解释为:开始阶段,生成的反应速率快,氧化还原反应速率慢,所以有紫黑色出现,随着Fe3+的量逐渐增加,氧化还原反应的程度变大,导致平衡逆向移动,紫黑色逐渐消失,最终溶液几乎变为无色;
(5)间接碘量法滴定过程中涉及两个反应:①;②;反应①I-被氧化成I2,反应②中第一步所得的I2又被还原成I-,所以①与②电子转移数相同,那么滴定过程中消耗的得电子总数就与消耗的失电子总数相同 ;在做计算时,不要忽略取的基准物质重铬酸钾分成了三份进行的滴定。所以假设c(Na2S2O3)=a ml/L,列电子得失守恒式:,解得a=0.1600ml/L。
10. +34.5 Ca(ClO)2 < p3<p2<p1 4.17 0.2 1.0×104
【详解】(1)已知:①CO2(g)+3H2(g)=CH3OH(g) +H2O(g) △H=-49.5kJ•ml-1,由图1可知②CH3OH(g)=HCHO(g)+H2(g)△H=+(463-379)kJ·ml-1=+84kJ·ml-1,根据盖斯定律①+②,则反应CO2(g)+2H2(g)=HCHO(g) +H2O(g) △H=+34.5kJ•ml-1,故答案为:+34.5;
(2)氧化剂可处理甲醛污染,结合图2,水温约为15℃时,选择Ca(ClO)2处理被甲醛污染的水源时,甲醛去除率更高,故答案为:Ca(ClO)2;
(3)①由图3可知,随着温度升高,CO的平衡转化率逐渐下降,说明平衡逆向移动,则△H<0,故a<0;该反应是气体分子数减小的反应,增大压强,平衡正向移动,CO的平衡转化率增大,则p3<p2<p1;故答案为:<;p3<p2<p1;
②起始时c(H2)=c(CO)=2.0ml·L-1,达到平衡时,CO的转化率为40%,
K===4.17,故答案为:4.17;
(4)v逆=k•c(CO)•c3(H2),则c13=,c2=,根据表中数据v逆=k•c(CO)•c3(H2)=k××=16.0ml·L-1·min-1,解得k=1.0×104L3•ml-3•min-1;c2==0.2ml·L-1。故答案为:0.2;1.0×104。
【点睛】本题考查化学反应原理,侧重考查学生对化学反应原理的理解能力和综合运用能力,题目涉及反应热的计算、化学平衡的移动、化学平衡的计算等,(1)根据题目图示信息,结合盖斯定律计算,难点(4)化学平衡三段式解答,代入公式v逆=k•c(CO)•c3(H2)先求出K,再代入数据计算。
11.(1)3d10
(2) P>S>Si S元素
(3) SO SO中心原子含有一个孤电子对,SO中心原子不含孤电子对,孤电子对和成键电子对之间的排斥力大于成键电子对之间的排斥力
(4) 面心立方最密堆积 12 AD
(5) sp2
(6)2.3
【详解】(1)亚铜离子是由铜原子失去了一个电子得到的,所以有28个电子,所以为3d10;故答案为:3d10。
(2)同一个周期从左往右第一电离能呈增大趋势,但ⅤA族与ⅥA族反常,故、P、S第一电离能由大到小的顺序是P>S>Si;同一个周期从左往右电负性逐渐增强,其中电负性最大的元素是S,故答案为:P>S>Si;S元素。
(3)SO中S原子价层电子对数:,且含有1个孤电子对,SO中S原子价层电子对数:且不含孤电子对, 前者为三角锥形,后者为四面体形,孤电子对和成键电子对之间的排斥力大于成键电子对之间的排斥力,所以键角:前者小于后者,所以键角较小的是SO。故答案为:SO;SO中心原子含有一个孤电子对,SO中心原子不含孤电子对,孤电子对和成键电子对之间的排斥力大于成键电子对之间的排斥力。
(4)晶体的堆积方式是面心立方最密堆积;其配位数为12;往的硫酸盐溶液中加入过量氨水,可生成,
A.该化合物是离子化合物,在中所含的化学键有离子键、极性键和配位键,选项A正确;
B.在中给出孤电子对,提供空轨道,选项B错误;
C.组成元素中第一电离能最大的是氮元素,选项C错误;
D.与互为等电子体,空间构型均为正四面体形,选项D正确;
答案选AD;
故答案为:面心立方最密堆积;12;AD。
(5)①在硼酸[]分子中,B原子与3个羟基相连,则分子中B原子杂化轨道数目为3,分子中B原子杂化轨道的类型是,其晶体具有与石墨相似的层状结构,其同层分子间的主要作用力是氢键,故答案为:sp2;
②硼酸()能电离,它在水中能结合水电离出的OH-,形成离子,则硼酸还电离出氢离子,则其电离方程式为:;故答案为:。
(6)石墨的层间距为,可以认为一层石墨的厚度是,对某一层石墨中的一个六元环,正六边形环的边长是,面积S=6+142142sin=52387.6pm2,环的厚度h=,那么一个环占有的体积V=Sh=52387.6335=1.75410-7pm3=1.75410-23cm3,六元环中每个C原子都被3个环共用,一个环实际有2个C原子,一个环的质量m==2=3.99g。所以,石墨的密度===2.3,故答案为:2.3。
12. 苯甲醛 C19H27NO3 消去反应 羧基、氨基 +2H2O→+CO2↑+NH3↑ 吸收生成的 HCl,促使反应平衡正向移动,有利于提高那格列奈产率
【分析】利用逆推法由M和H及E、F的分子式,推出F为,再结合C、D分子式逆推出B为苯甲醛,得到流程中的各步变化为:A与B发生加成反应生成C,C为,C在酸性条件下发生消去反应生成D,D为,D在催化剂作用下与氢气加成生成E,E为,E发生 +2H2O→+CO2↑+NH3↑,得到F,F为,F与H发生取代反应生成M,M为,M的分子式为:C19H27NO3。
【详解】(1)B的结构简式为:,化学名称为苯甲醛;M的结构简式为:,分子式为C19H27NO3。故答案为:苯甲醛;C19H27NO3;
(2)C为在酸性条件下发生消去反应生成和水,反应②的类型为消去反应;为, F 中含有的官能团名称为羧基、氨基。故答案为:消去反应;羧基、氨基;
(3)中酰胺键发生水解生成、水和二氧化碳,E →F的化学方程式: +2H2O→+CO2↑+NH3↑。故答案为: +2H2O→+CO2↑+NH3↑;
(4)F为与H发生取代反应生成M和HCl,反应④是可逆反应,吡啶是一种有机碱,从平衡的角度分析其在反应④中的作用是:吸收生成的 HCl,促使反应平衡正向移动,有利于提高那格列奈产率。故答案为:吸收生成的 HCl,促使反应平衡正向移动,有利于提高那格列奈产率;
(5)满足下列条件的F的同分异构体①分子中含有苯环和—NH2;②能发生银镜反应,有-CHO或甲酸形成的酯,③1H—NMR谱显示分子中共有四种不同化学环境的氢,沿苯环中心有一个对称轴,所有同分异构体为:。
故答案为:。
【点睛】本题考查有机推断,正确推断F和B是解题的关键,难点:F和B的推断,要采用逆推法完成,利用逆推法由M和H及E、F的分子式,推出F为,再结合C、D分子式逆推出B为苯甲醛。
上海市2022-2023学年高三第二次模拟考试化学试卷(含解析): 这是一份上海市2022-2023学年高三第二次模拟考试化学试卷(含解析),共20页。试卷主要包含了单选题,原理综合题,有机推断题,实验题等内容,欢迎下载使用。
吉林省2022-2023学年高三第二次模拟考试化学试卷(含解析): 这是一份吉林省2022-2023学年高三第二次模拟考试化学试卷(含解析),共17页。试卷主要包含了单选题,填空题,工业流程题,实验题,原理综合题等内容,欢迎下载使用。
2022-2023学年宁夏高三第二次模拟考试理综化学试卷(含解析): 这是一份2022-2023学年宁夏高三第二次模拟考试理综化学试卷(含解析),共13页。试卷主要包含了单选题,实验题,工业流程题,原理综合题,结构与性质,有机推断题等内容,欢迎下载使用。

