高中生物2023年高考生物一轮复习(新人教新高考) 第10单元 长句表达(六) 生物技术与工程的概念、原理分析与应用
展开长句表达(六) 生物技术与工程的概念、原理分析与应用
1.(2021·河北,24)采矿污染和不当使用化肥导致重金属镉(Cd)在土壤中过量积累。利用植物修复技术将土壤中的Cd富集到植物体内,进行后续处理(例如,收集植物组织器官异地妥善储存),可降低土壤中Cd的含量。为提高植物对Cd污染土壤的修复能力,研究者将酵母液泡Cd转运蛋白(YCF1)基因导入受试植物,并检测了相关指标。
回答下列问题:
(1)进行前期研究时,将含有YCF1基因的重组载体导入受试双子叶植物印度芥菜,采用最多的方法是________________。研究者进一步获得了转YCF1基因的不育杨树株系,采用不育株系作为实验材料的目的是_____________________________________________________
________________________________________________________________________。
(2)已知YCF1特异定位于转基因植物细胞的液泡膜上。据此分析,转基因杨树比野生型能更好地适应高Cd环境的原因是_____________________________________________________
________________________________________________________________________。
相较于草本植物,采用杨树这种乔木作为Cd污染土壤修复植物的优势在于_____________
________________________________________________________________________(写出两点即可)。
答案 (1)农杆菌转化法 避免目的基因在自然界中的扩散 (2)YCF1可通过主动运输将Cd离子运到液泡中,提高了细胞液的浓度,有利于植株吸水 杨树具有发达的根系和高大的树冠,更适应污染矿区等不良环境,同时可充分吸收土壤中的Cd,木材也方便运输、利用
2.(2019·全国Ⅱ,37)物质W是一种含氮有机物,会污染土壤。W在培养基中达到一定量时培养基表现为不透明。某研究小组欲从土壤中筛选出能降解W的细菌(目标菌)。回答下列问题:
(1)在从土壤中分离目标菌的过程中,发现培养基上甲、乙两种细菌都能生长并形成菌落(如图所示)。如果要得到目标菌,应该选择______菌落进一步纯化,选择的依据是________________________________________________________________________
________________________________________________________________________
________________________________________________________________________。
(2)土壤中的某些微生物可以利用空气中的氮气作为氮源。若要设计实验进一步确定甲、乙菌能否利用空气中的氮气作为氮源,请简要写出实验思路、预期结果和结论,即________________________________________________________________________
________________________________________________________________________
________________________________________________________________________。
答案 (1)乙 乙菌落周围出现透明圈,说明乙菌能降解W (2)将甲、乙菌分别接种在无氮源培养基上,若细菌能生长,则说明该细菌能利用空气中的氮气作为氮源
此类题目围绕某一技术或工程进行考查,全面熟悉其原理是解决问题的基础,尤其是解决基因工程问题时要带着分子生物学思维来分析作答。
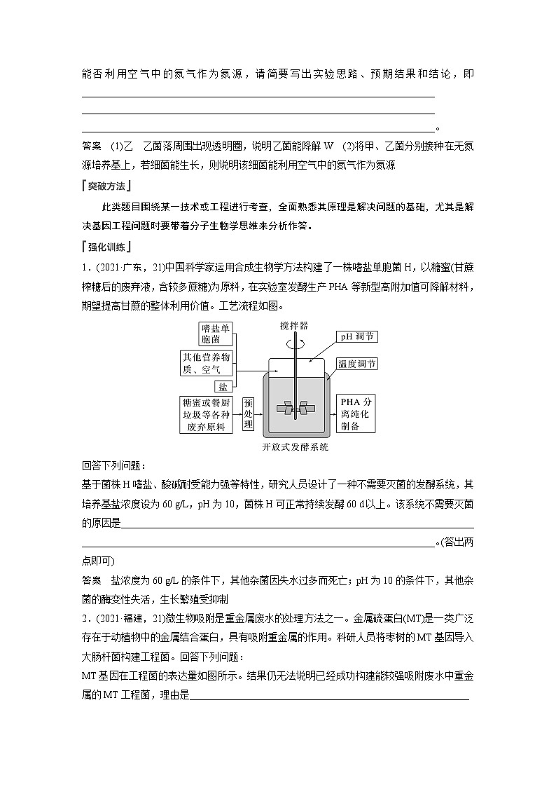
1.(2021·广东,21)中国科学家运用合成生物学方法构建了一株嗜盐单胞菌H,以糖蜜(甘蔗榨糖后的废弃液,含较多蔗糖)为原料,在实验室发酵生产PHA等新型高附加值可降解材料,期望提高甘蔗的整体利用价值。工艺流程如图。
回答下列问题:
基于菌株H嗜盐、酸碱耐受能力强等特性,研究人员设计了一种不需要灭菌的发酵系统,其培养基盐浓度设为60 g/L,pH为10,菌株H可正常持续发酵60 d以上。该系统不需要灭菌的原因是________________________________________________________________________
________________________________________________________________________。(答出两点即可)
答案 盐浓度为60 g/L的条件下,其他杂菌因失水过多而死亡;pH为10的条件下,其他杂菌的酶变性失活,生长繁殖受抑制
2.(2021·福建,21)微生物吸附是重金属废水的处理方法之一。金属硫蛋白(MT)是一类广泛存在于动植物中的金属结合蛋白,具有吸附重金属的作用。科研人员将枣树的MT基因导入大肠杆菌构建工程菌。回答下列问题:
MT基因在工程菌的表达量如图所示。结果仍无法说明已经成功构建能较强吸附废水中重金属的MT工程菌,理由是_________________________________________________________
________________________________________________________________________。
答案 尚未在个体生物学水平上对MT工程菌吸附重金属的能力进行鉴定
3.(2021·全国甲,38)PCR技术可用于临床的病原菌检测。为检测病人是否感染了某种病原菌,医生进行了相关操作:①分析PCR扩增结果;②从病人组织样本中提取DNA;③利用PCR扩增DNA片段;④采集病人组织样本。回答下列问题:
PCR(聚合酶链式反应)技术是指__________________________________________________。该技术目前被广泛地应用于疾病诊断等方面。
答案 一项根据DNA半保留复制的原理,在体外提供参与DNA复制的各种组分与反应条件,对目的基因的核苷酸进行大量复制的技术
4.(2020·海南,25)某课题组用生物技术制备转基因小鼠的过程,如图所示。
回答下列问题。
通常把目的基因转入雄原核而不是雌原核,从两者形态差异上分析,原因是______________
________________________________________________________________________。
答案 雄原核较大,更容易容纳外源DNA
5.(2019·全国Ⅰ,38)基因工程中可以通过PCR技术扩增目的基因。回答下列问题:
目前在PCR反应中使用TaqDNA聚合酶而不使用大肠杆菌DNA聚合酶的主要原因是________________________________________________________________________
________________________________________________________________________
________________________________________________________________________。
答案 Taq DNA聚合酶热稳定性高,而大肠杆菌DNA聚合酶在高温下会失活
6.(2019·海南,31)人的T细胞可以产生某种具有临床价值的蛋白质(Y),该蛋白质由一条多肽链组成。目前可以利用现代生物技术生产Y。回答下列问题:
天然的Y通常需要在低温条件下保存。假设将Y的第6位氨基酸甲改变为氨基酸乙可提高其热稳定性,若要根据蛋白质工程的原理对Y进行改造以提高其热稳定性,具体思路是________________________________________________________________________
________________________________________________________________________。
答案 找到第6位氨基酸甲对应的碱基所在的基因位置,参照密码子表,将第6位氨基酸甲对应的碱基替换为氨基酸乙的碱基
7.(2019·全国Ⅲ,37)回答下列与细菌培养相关的问题。
(1)在细菌培养时,培养基中能同时提供碳源、氮源的成分是________(填“蛋白胨”“葡萄糖”或“NaNO3”)。通常,制备培养基时要根据所培养细菌的不同来调节培养基的pH,其原因是______________________________。硝化细菌在没有碳源的培养基上________(填“能够”或“不能”)生长,原因是_______________________________________________。
(2)单个细菌在平板上会形成菌落,研究人员通常可根据菌落的形状、大小、颜色等特征来初步区分不同种的微生物,原因是_________________________________________________
________________________________________________________________________。
答案 (1)蛋白胨 不同细菌生长繁殖所需的最适pH不同 能够 硝化细菌可以利用空气中的CO2作为碳源 (2)在一定的培养条件下,不同种微生物表现出各自稳定的菌落特征
8.(2018·江苏,32)为生产具有特定性能的α-淀粉酶,研究人员从某种海洋细菌中克隆了α-淀粉酶基因(1 656个碱基对),利用基因工程大量制备α-淀粉酶,实验流程见下图。请回答下列问题:
为了便于扩增的DNA片段与表达载体连接,需在引物的________端加上限制性酶切位点,且常在两条引物上设计加入不同的限制性酶切位点,主要目的是_____________________。
答案 5′ 使DNA片段能定向插入表达载体,减少自连
9.(2018·全国Ⅲ,37)回答下列与酵母菌有关的问题:
(1)分离培养酵母菌通常使用____________(填“牛肉膏蛋白胨”“MS”或“麦芽汁琼脂”)培养基,该培养基应采用________灭菌法灭菌。若将酵母菌划线接种在平板上,培养一段时间后可观察到菌落,菌落的含义是_________________________________________________
________________________________________________________________________。
(2)制作面包时,为使面包松软通常要在面粉中添加一定量的酵母菌,酵母菌引起面包松软的原因是________________________________________________________________________
________________________________________________________________________。
答案 (1)麦芽汁琼脂 高压蒸汽 由一个细胞繁殖而来的肉眼可见的子细胞群体 (2)酵母菌分解葡萄糖会产生CO2,CO2使面包松软
高中生物高考2023年高考生物一轮复习(新人教新高考) 第9单元 长句表达(五) 群体稳态中相关概念、措施及意义分析: 这是一份高中生物高考2023年高考生物一轮复习(新人教新高考) 第9单元 长句表达(五) 群体稳态中相关概念、措施及意义分析,共7页。
高中生物高考2023年高考生物一轮复习(新人教新高考) 第8单元 长句表达(四) 个体稳态中相关过程变化机理分析: 这是一份高中生物高考2023年高考生物一轮复习(新人教新高考) 第8单元 长句表达(四) 个体稳态中相关过程变化机理分析,共7页。
高中生物高考2023年高考生物一轮复习(新人教新高考) 第2单元 长句表达(一) 与细胞有关的概念、特点和作用的描述: 这是一份高中生物高考2023年高考生物一轮复习(新人教新高考) 第2单元 长句表达(一) 与细胞有关的概念、特点和作用的描述,共4页。

